น็อตสปริงสวมก่อนประกอบสำหรับอลูมิเนียมโปรไฟล์ ซีรีส์ 8 (ร่องกว้าง 10 มม.)

ข้อควรระวัง
รายละเอียดสินค้า
สปริงนัท แบบแทรกหลังการประกอบสำหรับ อลูมิเนียมโปรไฟล์ ที่มี สปริง แบบฝัง ตัวและ ฟังก์ชั่น หยุดชั่วคราว คุณสามารถเคลื่อนผ่านร่องได้อย่างง่ายดายโดยใช้มือกดเบาๆ
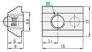
Drawing ระบุขนาดของน็อต
น็อตชิ้นเดียว | น็อตกล่อง | |
| HNTU8(เทียบเท่ากับ S10C) HNTUV8(น็อตปิดร่องปลายที่ติดกัน, เทียบเท่ากับ S10C) HNTUZ8(น็อตปิดร่องปลายที่ติดกัน, เทียบเท่ากับ S10C) SHNTU8(เทียบเท่ากับ SUS304) | แพ็ค-HNTU8(Pack of 100) แพ็ค-HNTUV8(Pack of 100) แพ็ค-HNTUZ8(Pack of 100) แพ็ค-SHNTU8(แพ็คละ 100 ชิ้น) |
| ทอร์คกดน็อต (N・m) | ![]() | ||
| M | เทียบเท่ากับ S10C/เทียบเท่ากับ SUS304 (สำเร็จรูป) | ||
| 8 | 23.5 | ||
| ลำดับ | ประเภท | [M] วัสดุของน็อต | |||
| หน่วยหลัก | ลูกกลิ้ง | สปริง | [S] การทำความสะอาดผิวหน้า | ||
| ① | HNTU8 | เทียบเท่ากับ S10C | เทียบเท่ากับ SUS304 | สปริง-A | เทียบเท่ากับ SUS304 |
| ② | แพ็ค-HNTU8 | ||||
| ③ | HNTUV8 | ||||
| แพ็ค-HNTUV8 | |||||
| ④ | HNTUZ8 | ||||
| แพ็ค-HNTUZ8 | |||||
| ⑤ | SHNTU8* | เทียบเท่ากับ SUS304 | SUS304-WP8 | − | |
| ⑥ | แพ็ค-SHNTU8* | ||||
ตารางข้อมูลจำเพาะของน็อต
| น็อตรุ่น | − | M |
| HNTU8 | − | 8 |
| แพ็ค-HNTU8 | − | 8 |
・กรุณาคลิกปุ่ม "ตรวจราคา" หลังจากยืนยันรุ่นของน็อต
| น็อตรุ่น | M | L1 | ||||
| HNTU8(เทียบเท่ากับ S10C) | 3 | 4 | 5 | 6 | 8 | 6 |
| HNTUV8(น็อตปิดร่องปลายที่ติดกัน, เทียบเท่ากับ S10C) | 8 | |||||
| HNTUZ8(น็อตปิดร่องปลายที่ติดกัน, เทียบเท่ากับ S10C) | ||||||
| SHNTU8(เทียบเท่ากับ SUS304) | 4 | 5 | 6 | 8 | 5.5 | |
. ราคาตารางด้านล่างเป็นปัจจุบันเมื่อเดือนเมษายน 2011.
กรุณาคลิกปุ่ม "ตรวจราคา" หลังจากยืนยันรุ่นของน็อต
| น็อตรุ่น | M (ขนาดกลาง) | |||
| แพ็ค-HNTU8 | 4 | 5 | 6 | 8 |
| แพ็ค-HNTUV8 | 8 | |||
| แพ็ค-HNTUZ8 | ||||
| แพ็ค-SHNTU8 | 4 | 5 | 6 | 8 |
ข้อมูลจำเพาะ/ภาพรวมของน็อต
■ น็อตปิดร่องปลายที่ติดกัน

- น็อตนี้มีสารปิดร่องปลายที่ติดกันที่ติดอยู่ภายในน็อต ซึ่งลดการขยายตัวของน็อตที่เกิดจากการสั่นสะเทือนระหว่างการขนส่งหรือการทำงานของอุปกรณ์
- น็อตปิดร่องปลายที่ติดกันคือสารปิดร่องปลายที่ติดกันที่ติดอยู่ภายในน็อต ซึ่งลดการขยายตัวของน็อตที่เกิดจากการสั่นสะเทือนระหว่างการขนส่งหรือการทำงานของอุปกรณ์
- น็อตปิดร่องปลายที่ติดกันคือสารปิดร่องปลายที่ติดกันที่ติดอยู่ภายในน็อต ซึ่งลดการขยายตัวของน็อตที่เกิดจากการสั่นสะเทือนระหว่างการขนส่งหรือการทำงานของอุปกรณ์
| ลักษณะ | ทอร์คกดหลังจากกดน็อต (ครั้งแรก) | ข้อมูลเพิ่มเติม | |||
|---|---|---|---|---|---|
| ไม่มีสารปิดร่องปลายที่ติดกัน | - | 5.2N・m | - | ||
| น็อตปิดร่องปลายที่ติดกัน ประเภทตัวกลางป้องกันการหลุด | ・ป้องกันการหลุดที่เกิดจากการสั่นสะเทือนระหว่างการขนส่งหรือการทำงานของอุปกรณ์ ・อย่างไรก็ตาม, หลังจากหลุดแล้ว, ผลการป้องกันการหลุดจะหายไป ・หลังจากกดน็อต, ตัวกลางป้องกันการหลุดจะต้องใช้เวลากำหนดเวลาการแข็งตัว (ประมาณ 72 ชั่วโมงที่อุณหภูมิห้อง 25℃) | 7.6N・m | สถานการณ์ทดสอบ: กดน็อตเป็น 6.8 Nm, แห้งที่อุณหภูมิห้อง (25℃) เป็น 72 ชั่วโมง, จากนั้นหลุดน็อต วัดด้วย HNTTV5-5 | ||
| น็อตป้องกันการหลุด ประเภทตัวกลางป้องกันการหลุด | - ผลการป้องกันการหลุดของน็อตสามารถใช้ซ้ำได้ (ผลการป้องกันการหลุดจะลดลงเมื่อใช้ซ้ำ) - ผลการป้องกันการหลุดเกิดขึ้นทันทีหลังจากกดน็อต | 6.5N・m | ・ผลการป้องกันการหลุดของน็อตลดลงเมื่อใช้ซ้ำ ・ทอร์คกดหลังจากกดน็อต: 6.2N・m (วัดด้วย HNTTZ5-5) | ||
* ค่าทอร์คเป็นค่าอ้างอิง ค่าอาจแตกต่างกันขึ้นอยู่กับระยะห่างระหว่างน็อตและน็อต
- น็อตที่มีฟังก์ชันการนำไฟฟ้ามีลักษณะขีดขวาง
- เมื่อติดตั้ง, ขีดขวางจะขีดขวางลบสารปกคลุมออนิกบนกรอบอลูมิเนียม, ทำให้เป็นการนำไฟฟ้า
วิธีการใช้งานของน็อต
・น็อตนี้เป็นน็อตที่ใส่ก่อนสำหรับกรอบอลูมิเนียม กรุณาใส่น็อตเข้าไปในกรอบอลูมิเนียมก่อนใช้งาน
・จะไม่หลุดออกไปแม้ว่ากรอบจะตั้งตัวตรง
・มีกลไกสปริงที่ติดตั้งอยู่ ทำให้ง่ายต่อการเคลื่อนที่ในร่องโดยการกดน็อตด้วยมือ

น็อตสำหรับติดตั้งกรอบอลูมิเนียมและแผง/เหล็กฉากต่างๆ (ขนาด M - ขนาด L)
■ซีรีส์ 8 (ความกว้างร่อง 10 มม.)
| ความกว้างร่อง | มุมของกรอบ | ความลึก h | น็อตที่เข้ากันได้ | ความหนา b (มม.) ของแผง/เหล็กฉากที่ต้องติดตั้งกับกรอบ | ||||||||||||||
|---|---|---|---|---|---|---|---|---|---|---|---|---|---|---|---|---|---|---|
| 0.8 | 1 | 1.2 | 1.5 | 2 | 3 | 4 | 4.5 | 5 | 6 | 8.2 | 9 | 10 | 12 | 14 | ||||
| 10 | 40 | 12.5 | 8-4 | M4-12 | M4-15 | M4-20 | - | M4-25 | ||||||||||
| 8-5 | M5-12 | M5-15 | M5-20 | M5-22 | M5-25 | |||||||||||||
| 8-6 | M6-12 | M6-15 | M6-20 | M6-25 | ||||||||||||||
| 8-8 | - | M8-15 | M8-20 | M8-25 | ||||||||||||||
| ความกว้างร่อง | มุมของกรอบ | ความลึก h | น็อตที่เข้ากันได้ | ความหนา b (มม.) ของแผง/เหล็กฉากที่ต้องติดตั้งกับกรอบ | ||||||||||||||
|---|---|---|---|---|---|---|---|---|---|---|---|---|---|---|---|---|---|---|
| 0.8 | 1 | 1.2 | 1.5 | 2 | 3 | 4 | 4.5 | 5 | 6 | 8.2 | 9 | 10 | 12 | 14 | ||||
| 10 | 45 | 13 | 8-4 | M4-12 | M4-15 | M4-20 | - | M4-25 | ||||||||||
| 8-5 | M5-12 | M5-15 | M5-20 | M5-22 | M5-25 | |||||||||||||
| 8-6 | M6-12 | M6-15 | M6-20 | M6-25 | ||||||||||||||
| 8-8 | - | M8-15 | M8-20 | M8-25 | ||||||||||||||
ข้อมูลทางเทคนิคของน็อต
| ทอร์คกดหลังจากกดน็อต (N・m) | ||
|---|---|---|
| M | เทียบเท่ากับ S10C/เทียบเท่ากับ SUS304 (สำเร็จรูป) | |
| 8 | 23.5 | |
ข้อมูลสนับสนุนการเลือกใช้น็อต
■ น็อตที่เข้ากันได้
น็อตนี้เข้ากันได้กับซีรีส์ 8 (ความกว้างร่อง 10 มม.)และซีรีส์ 8-45 (ความกว้างร่อง 10 มม.) กรอบอลูมิเนียม


・น็อตกรอบอลูมิเนียมของ MISUMI มีหลากหลายประเภท รวมถึงแบบใส่ก่อนและใส่หลัง ให้ใช้ตามความต้องการของคุณ
ใส่ก่อน: ติดตั้งจากปลายร่องก่อนติดตั้ง มีขนาดกว้างและมีการเลื่อนตัวในร่องน้อย ทำให้กดน็อตง่าย


ถอดน็อตนำหมุดสี่เหลี่ยมเข้าไปในร่องของน็อตและหมุดสี่เหลี่ยมที่ติดอยู่กับน็อตด้วยมือแล้วหมุดสี่เหลี่ยมที่ติดอยู่กับน็อตด้วยมือแล้วหมุดสี่เหลี่ยมที่ติดอยู่กับน็อตด้วยมือแล้วหมุดสี่เหลี่ยมที่ติดอยู่กับน็อตด้วยมือแล้วหมุดสี่เหลี่ยมที่ติดอยู่กับน็อตด้วยมือแล้วหมุดสี่เหลี่ยมที่ติดอยู่กับน็อตด้วยม
ชิ้นส่วนที่เกี่ยวข้องของน็อต
| ชื่อชิ้นส่วน | กรอบอลูมิเนียม | เหล็กฉาก | กรอบอลูมิเนียม | กรอบอลูมิเนียม | กรอบอลูมิเนียม | |
|---|---|---|---|---|---|---|
| ภาพที่เกี่ยวข้อง | ![]() | ![]() | ![]() | ![]() | ![]() | |
| ซีรีส์ 8 | หน้าผลิตภัณฑ์ | ที่นี่ | ที่นี่ | ที่นี่ | ที่นี่ | ที่นี่ |
| ซีรีส์ 8-45 | หน้าผลิตภัณฑ์ | ที่นี่ | ที่นี่ | ที่นี่ | ที่นี่ | ที่นี่ |





