สวิตชิ่งพาวเวอร์ซัพพลาย รุ่น LFA30F 30W เอาท์พุตเดี่ยว

ข้อควรระวัง
- [ข้อมูลแนะนำผลิตภัณฑ์ที่เกี่ยวข้อง]
เคเบิ้ลแคลมป์มียูรีเทนเพื่อประหยัดพื้นที่
ชุดสายคอนเนคเตอร์ Dsub (แบบหล่อ) - ผู้ผลิต กำลังตรวจสอบสถานะการปฏิบัติตามสาร RoHS10 และสถานะของการปฏิบัติตาม CE ตามลำดับ โปรดตรวจสอบสถานะ อุปกรณ์รองรับท่อ ล่าสุดจากข้อมูลพื้นฐาน / รายการ รหัสรุ่น/ Part number ในแต่ละหน้า ผลิตภัณฑ์
- วันที่ส่งมอบไม่แน่นอนเนื่องจากความยากลำบากในการรับ วัสดุ ชิ้นส่วน ฯลฯ การมาถึงครั้งต่อไปของผลิตภัณฑ์ที่ถูก แบบแขวน การสั่งซื้อยังไม่สามารถยืนยันได้
รายละเอียดสินค้า
แรงดันขาเข้า กว้าง ชนิด สตาร์ทเตอร์ แผ่นวงจร หลากหลายรูปแบบด้วยรุ่นตั้งแต่ 10 W ถึง 300 W รุ่น 30 W
[คุณสมบัติ]
· แรงดันขาเข้า กว้าง (85 โวลต์ AC ถึง 264 โวลต์)
· มีวงจรป้องกัน กระแสไฟฟ้า ไฟ, วงจรป้องกันกระแสเกินและแรงดันไฟเกิน
· การใช้พลังงาน สแตนด์บายลดลง
· รองรับการใช้งาน กับ มาตรฐาน SEMI F47
· สอดคล้องตามมาตรฐาน กับมาตรฐานความปลอดภัยต่างๆ (L60951-1, C-UL (CSA60950-1), EN60950-1, EN60065, EN50178- ได้รับ, เครื่องใช้ไฟฟ้าและ วัสดุ สอดคล้องตามมาตรฐาน พระราชบัญญัติความปลอดภัยของ)
[การใช้งาน]
· ใช้ได้กับอุปกรณ์เอนกประสงค์ต่างๆ
INDEX
คุณสมบัติของ LFA30F

ลักษณะภายนอก ของ LFA30F

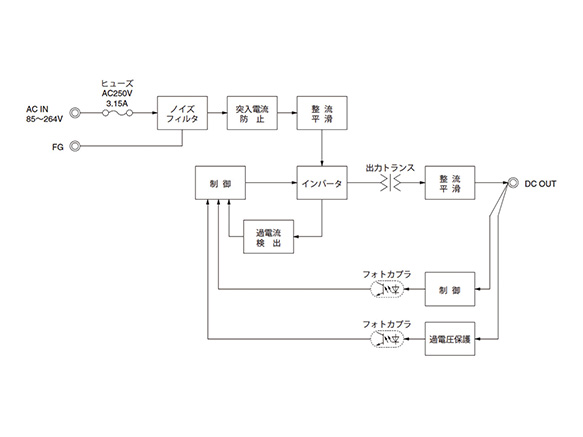
บล็อค ไดอะแกรมของ LFA30F
สเปค ผลิตภัณฑ์
| — | รายการ | LFA30F-3R3-Y | LFA30F-5 | LFA30F-12 | LFA30F-15 | LFA30F-24 | |
|---|---|---|---|---|---|---|---|
| กำลังขับสูงสุด [W] | 19.8 | 30.0 | 30.0 | 30.0 | 31.2 | ||
| เอาต์พุต DC | 3.3 V 6 A | 5 V 6 A | 12 V 2.5 A | 15 V 2 A | 24 V 1.3 A | ||
| อินพุต | แรงดันไฟฟ้า [V] | AC85 ถึง 264 1⌀ (ดูหัวข้อ 1.1 ของคู่มือการใช้งาน)*3 | |||||
| กระแสไฟฟ้า [A] | ACIN 100 V | 0.50 ประเภท (แท้จริง = 100%) | 0.65 ประเภท (แท้จริง = 100%) | ||||
| ACIN 200 V | 0.30 พิมพ์ (แท้จริง = 100%) | 0.35 ประเภท (แท้จริง = 100%) | |||||
| ความถี่ [เฮิร์ตซ์] | 50/60 (47 ถึง 440) | ||||||
| ประสิทธิภาพ [%] | ACIN 100 V | 73 ประเภท | 76 ประเภท | 79 ประเภท | 81 ประเภท | 82 ประเภท | |
| ACIN 200 V | 75 ประเภท | 79 ประเภท | 81 ประเภท | 83 ประเภท | 84 ประเภท | ||
| กระแสพุ่งเข้า [A] | ACIN 100 V | 15 ประเภท (แท้จริง = 100%) (เมื่อเริ่มเย็น) (อุณหภูมิปกติ) | |||||
| ACIN 200 V | 30 แบบ (แท้จริง = 100%)(ตอนสตาร์ทเย็น) (อุณหภูมิปกติ) | ||||||
| กระแสไฟรั่ว [mA] | 0.30/0.65 สูงสุด (ตามวิธีการวัดของอินพุต AC 100 V/240 V 60 Hz, lo = 100%, IEC60950-1, พระราชบัญญัติความปลอดภัยของเครื่องใช้ไฟฟ้าและ วัสดุ) | ||||||
| เอาต์พุต | พิกัดแรงดันไฟฟ้า [V] | 3.3 | 5 | 12 | 15 | 24 | |
| พิกัดกระแสไฟฟ้า [A] | 6.0 | 6.0 | 2.5 | 2.0 | 1.3 | ||
| ความผันผวนของอินพุตแบบคงที่ [mV]*5 | สูงสุด 20 | สูงสุด 20 | 48 สูงสุด | สูงสุด 60 | 96 สูงสุด | ||
| ความผันผวนของ โหลดไฟฟ้า คงที่ [mV]*5 | สูงสุด 40 | สูงสุด 40 | สูงสุด 100 | 120 สูงสุด | สูงสุด 150 | ||
| ระลอก [mVp · พี] | 0 ถึง +50°C ※1 | สูงสุด 80 | สูงสุด 80 | 120 สูงสุด | 120 สูงสุด | 120 สูงสุด | |
| -10 ถึง 0°C ※1 | 140 สูงสุด | 140 สูงสุด | 160 สูงสุด | 160 สูงสุด | 160 สูงสุด | ||
| สัญญาณรบกวนและการกระเพื่อม [mVp · พี] | 0 ถึง +50°C ※1 | 120 สูงสุด | 120 สูงสุด | สูงสุด 150 | สูงสุด 150 | สูงสุด 150 | |
| -10 ถึง 0°C ※1 | 160 สูงสุด | 160 สูงสุด | 180 สูงสุด | 180 สูงสุด | 180 สูงสุด | ||
| ความผันผวนของ อุณหภูมิแวดล้อมใช้งาน [เอ็มวี] | 0 ถึง + 50°C | 50 สูงสุด | 50 สูงสุด | 120 สูงสุด | สูงสุด 150 | 240 สูงสุด | |
| -10 ถึง + 50 ° c | สูงสุด 60 | สูงสุด 60 | สูงสุด 150 | 180 สูงสุด | 290 สูงสุด | ||
| ล่องลอยไปตามกาลเวลา [mV]*2 | สูงสุด 20 | สูงสุด 20 | 48 สูงสุด | สูงสุด 60 | 96 สูงสุด | ||
| เวลาเริ่มเดินเครื่อง [นางสาว] | 150 ประเภท (อินพุต AC 100 V, แท้จริง = 100%) | ||||||
| เวลาเก็บรักษา [นางสาว] | 20 ประเภท (อินพุต AC 100 V, แท้จริง = 100%) | ||||||
| ช่วงแรงดันไฟฟ้าตัวแปร [V] | 2.85 ถึง 3.63 | ภายใน ยึดอยู่กับที่ (ตัวแปรตาม สเปค ตัวเลือก Y ± 10%) | |||||
| ความแม่นยำ การตั้งค่าแรงดันไฟฟ้า [V] | 3.30 ถึง 3.40 | 4.90 ถึง 5.30 น. | 11.50 ถึง 12.50 | 14.40 ถึง 15.60 | 23.00 ถึง 25.00 น. | ||
| รวมฟังก์ชั่น | วงจรป้องกันกระแสไฟฟ้าเกิน | ทำงานได้มากกว่า 105% ของ พิกัดกระแสไฟฟ้า และกู้คืนโดยอัตโนมัติ | |||||
| การป้องกันแรงดันไฟฟ้าเกิน [V] | 4.00 ถึง 5.25 | 5.75 ถึง 7.00 | 13.80 ถึง 16.80 | 17.25 ถึง 21.00 น. | 27.60 ถึง 33.60 | ||
| บ่งชี้การดำเนินงาน | N/A | ||||||
| การสำรวจระยะไกล | N/A | ||||||
| เปิด / ปิดระยะไกล (RC) | N/A | ||||||
| ความคงทนไดอิเล็กทริก | อินพุต - เอาต์พุต | 3,000 V AC กระแสไฟฟ้า ไฟตัด 1 นาที = 10 mA, 500 V DC 50 MΩ min (อุณหภูมิปกติ ความชื้นปกติ) | |||||
| อินพุต - FG | 2,000 V AC กระแสไฟฟ้า ไฟตัด 1 นาที = 10 mA, 500 V DC 50 MΩ min (อุณหภูมิปกติ ความชื้นปกติ) | ||||||
| เอาต์พุต - FG | 500 V AC กระแสไฟฟ้า ไฟตัด 1 นาที = 25 mA, 500 V DC 50 MΩ min (อุณหภูมิปกติ ความชื้นปกติ) | ||||||
| สิ่งแวดล้อม | อุณหภูมิใช้งาน/ ความชื้นในการทำงาน | -10 ถึง +70°C, 20 ถึง 90%RH (ไม่มีการควบแน่น)(ดูหัวข้อ 3.2 ของคู่มือการใช้งาน)*3 | |||||
| อุณหภูมิ / ความชื้น ในการจัดเก็บ | -20 ถึง +75°C, 20 ถึง 90%RH (ไม่มีการควบแน่น) | ||||||
| การสั่นสะเทือน | 10 ถึง 55 Hz 19.6 ม./วินาที² (2 G) ระยะเวลา 3 นาที X, Y, Z ทิศทาง 1 ชั่วโมง | ||||||
| แรงกระแทก | 196.1 ม./วินาที² (20 G) 11 ms X, Y, Z ทิศทาง 1 ครั้ง | ||||||
| มาตรฐานที่สอดคล้อง | มาตรฐาน ความปลอดภัย | ได้รับ UL60950-1, C-UL (CSA60950-1), EN60950-1, EN60065, EN50178 ซึ่งเป็น สอดคล้องตามมาตรฐาน ด้านความปลอดภัยของเครื่องใช้ไฟฟ้าและ วัสดุ | |||||
| การปล่อยมลพิษ | สอดคล้องตามมาตรฐาน FCC-B, VCCI-B, CISPR22-B, EN55011-B, EN55022-B | ||||||
| กระแสไฟฟ้า ฮาร์มอนิก | สอดคล้องกับ IEC61000-3-2 (Class A)*6 (ไม่มีวงจรปรับปรุงอัตรา อุปกรณ์แหล่งจ่าย ไฟฟ้า)*4 | ||||||
| โครงสร้าง | ขนาด / น้ำหนัก ขนาดภายนอก | 50 × 26.5 × 105 มม. (กว้าง × สูง × ลึก)/ 130 กรัมสูงสุด (พร้อม เคสคอมพิวเตอร์ และฝาครอบ: สูงสุด 260 กรัม) | |||||
| วิธีการระบายความร้อน | การระบายความร้อนด้วยอากาศตามธรรมชาติ (ดูหัวข้อ 3.1 และหัวข้อ 3.2 ของคู่มือการใช้งาน)*3 | ||||||
- *1 เป็น ค่า บน กระดาน วัดที่มี ตัวเก็บประจุ 22 mF ติดอยู่กับจุดที่ 150 มม. จาก เทอร์มินอล เอาต์พุต (ด้วย อุปกรณ์วัดสัญญาณไฟฟ้า 20 เมกะเฮิรตซ์หรือ มิเตอร์วัดไฟ สัญญาณรบกวนและการกระเพื่อม (KEISOKUGIKEN: เทียบเท่า RM-103)) เนื่องจากมี ฟังก์ชั่น ลด อุปกรณ์แหล่งจ่าย แบบฝัง ตัวระหว่างสแตนด์บายและ องค์ประกอบ สวิตช์ ภายในทำงานเป็นระยะๆ สเปค สัญญาณรบกวนและการกระเพื่อม และคลื่นกระเพื่อมแตกต่างกันที่ ปัจจัย โหลดไฟฟ้า io = 0 ถึง 35%
- *2 เมื่อเวลาผ่านไปที่ อุณหภูมิแวดล้อมใช้งาน 25°C เป็นการเปลี่ยนแปลงในช่วง 30 นาทีถึง 8 ชั่วโมงหลังจากใช้ แรงดันขาเข้า ที่ Input/Output ที่กำหนด
- *3 จำเป็นต้องมีการลดพิกัด เอาต์พุต โปรด หน้าสัมผัส ศูนย์บริการของ ผู้ผลิต เพื่อ อุปกรณ์รองรับท่อ กับ DC
- *4 เมื่อ อุปกรณ์รองรับท่อ หลายยูนิต โปรด หน้าสัมผัส ศูนย์บริการของ ผู้ผลิต เนื่องจากอาจไม่เป็นไปตามระเบียบข้อบังคับ
- *5 ใน เคส มีการเปลี่ยนแปลงแบบไดนามิก สเปค อาจไม่เป็นไปตามข้อกำหนด
- *6 โปรด หน้าสัมผัส ศูนย์บริการของ ผู้ผลิต สำหรับชั้นเรียนอื่น อุปกรณ์รองรับท่อ
- * โปรดหลีกเลี่ยงการใช้ใน สถานะ ที่โอเวอร์โหลดหรืออยู่นอกช่วง สเปค เนื่องจากอาจทำให้องค์ประกอบภายในเสียหายได้
- * ไม่สามารถใช้งานแบบขนานได้
- * จำเป็นต้องมีการลดพิกัดหากรวม เคสคอมพิวเตอร์ และฝาครอบ
- * อาจได้ยินเสียงรบกวนจาก พาวเวอร์ซัพพลาย เมื่อใช้พัลส์ โหลดไฟฟ้า
ดรออิ้ง/ภาพร่างแบบ

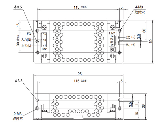
ดรออิ้ง บอกขนาด (รุ่นมาตรฐาน)

ดรออิ้ง บอกขนาด (ประเภท เคสคอมพิวเตอร์ และฝาครอบ)
- เนื่องจากชิ้นส่วน ติดตั้งบนผิว ถูกติดตั้งที่ด้านหลัง โปรดใช้ความระมัดระวังเกี่ยวกับ หน้าสัมผัส โดยคำนึงถึงการสั่นสะท้าน
- โปรดใช้ตัว สเปเซอร์/ตัวเว้นระยะ ระยะตั้งแต่ 8 มม. ขึ้นไป
- มีรูยึดทั้งหมด 4 รู
- จุด A และจุด B เป็นจุดวัดอุณหภูมิ
คอนเนคเตอร์ Input/Output
| คอนเนคเตอร์ Input/Output | ตัวเสื้อ รองรับการใช้งาน | เทอร์มินอล | ||
|---|---|---|---|---|
| CN1 | 1-1123724-3 | 1-1123722-5 | โซ่ | 1123721-1 |
| หลวมๆ | 1318912-1 | |||
| CN2 | 1-1123723-4 | 1-1123722-4 | โซ่ | 1123721-1 |
| หลวมๆ | 1318912-1 | |||
- คอนเนคเตอร์ ที่ผลิตโดย tyco electronics เป็นอุปกรณ์ มาตรฐาน
- ตัวเลือก: คอนเนคเตอร์ VH (ผู้ผลิต: JST) พร้อมใช้งานสำหรับ J1
กำหนด ขาพิน
CN1
| หมายเลข ขาพิน | อินพุต |
|---|---|
| 1 | AC (L) |
| 2 | — |
| 3 | AC (N) |
| 4 | — |
| 5 | FG |
CN2
| หมายเลข ขาพิน | เอาต์พุต |
|---|---|
| 1, 2 | - วี |
| 3, 4 | +v |
- CN1 ไม่มีหมุดเบอร์ 2 และเบอร์ 4
- โปรดใช้ CN2 ที่ 5 A หรือน้อยกว่าต่อ ขาพิน
- ความเผื่อ ทั่วไป: ±1
- น้ำหนัก: สูงสุด 130 กรัม (พร้อม เคสคอมพิวเตอร์ และฝาครอบ: สูงสุด 260 กรัม)
- แผ่นวงจร: แก้วคอมโพสิต (CEM3)
- เคสคอมพิวเตอร์ และฝาครอบเป็นตัวเลือก (กระบวนการเตรียมผิว: ชุบสังกะสี)
- แรงบิดขันแน่น รูติดตั้ง เคสคอมพิวเตอร์: 0.6 N⋅m (6.3 kgf·cm) สูงสุด
ใบรับรอง
มาตรฐาน ความปลอดภัย: (L60951-1, C-UL (CSA60950-1), EN60950-1, EN60065, EN50178 - ได้มาซึ่งเป็น สอดคล้องตามมาตรฐาน ด้านความปลอดภัยของเครื่องใช้ไฟฟ้าและ วัสดุ
รายการและคุณสมบัติ

ประเภท สตาร์ทเตอร์ แผ่นวงจร
| — | จำนวนเอาต์พุต | ชื่อซีรี่ส์ | ปีที่วางจำหน่าย | คุณสมบัติหลัก | มาตรฐาน ความปลอดภัย เป็นมิตรกับสิ่งแวดล้อม | |
|---|---|---|---|---|---|---|
| ประเภท สตาร์ทเตอร์ แผ่นวงจร | ชนิดเดี่ยว | 1 | GHA | '13 | เส้นผ่านศูนย์กลางภายนอก/O.D. 3 × 5 นิ้ว รองรับการใช้งาน กับอุปกรณ์ไฟฟ้าทางการแพทย์ ความหนาแน่น อุปกรณ์แหล่งจ่าย สูงพร้อม ฟังก์ชั่น ระบายความร้อนด้วย แบบใช้ไฟฟ้า | ผลิตภัณฑ์ ที่ผ่านการรับรอง UL และ C-UL / ผลิตภัณฑ์ที่ผ่านการรับรอง DEMKO / ผลิตภัณฑ์ ผลิตภัณฑ์ สอดคล้องตามมาตรฐาน เครื่องหมาย CE |
| '15 | - SNF: ตัวเลือกกับ พัดลมระบายความร้อน | |||||
| '16 | ||||||
| 1 | LMA | '14 | รองรับการใช้งาน กับอุปกรณ์ไฟฟ้าทางการแพทย์ รองรับการใช้งาน สูงสุด | ผลิตภัณฑ์ ที่ผ่านการรับรอง UL และ C-UL / ผลิตภัณฑ์ที่ผ่านการรับรอง DEMKO / ผลิตภัณฑ์ ผลิตภัณฑ์ สอดคล้องตามมาตรฐาน เครื่องหมาย CE | ||
| 1 | LFP | '12 | รองรับการใช้งาน กระแสไฟฟ้า สูงสุด , รุ่น LEP ขนาดกะทัดรัด | ผลิตภัณฑ์ที่ผ่านการรับรอง UL และ C-UL / ผลิตภัณฑ์ ผลิตภัณฑ์ ผลิตภัณฑ์ สอดคล้องตามมาตรฐาน เครื่องหมาย CE | ||
| '13 | ||||||
| 1 | LEP | '02 | รองรับการใช้งาน กระแสไฟฟ้า สูงสุด | ผลิตภัณฑ์ที่ผ่านการรับรอง UL และ C-UL / ผลิตภัณฑ์ ผลิตภัณฑ์ ผลิตภัณฑ์ สอดคล้องตามมาตรฐาน เครื่องหมาย CE | ||
| 1 | LFA | '09 | แผ่นวงจร พาวเวอร์ซัพพลาย แบบ สตาร์ทเตอร์ เอนกประสงค์ , รุ่น LEA ขนาดกะทัดรัด | ผลิตภัณฑ์ ที่ผ่านการรับรอง UL และ C-UL / ผลิตภัณฑ์ ผ่านการรับรองจาก TUV | ||
| '10 | ||||||
| SPLFA | '11 | ซีรี่ส์ LFA (พร้อม เคสคอมพิวเตอร์ และฝาครอบ) ผลิตภัณฑ์ ที่ได้มาโดย PSE | ผลิตภัณฑ์ ผ่านการรับรองมาตราฐานความปลอดภัยของเครื่องใช้ไฟฟ้าและ วัสดุ | |||
| 1 | LEA | '99 | แผ่นวงจร สตาร์ทเตอร์ พาวเวอร์ซัพพลาย เอนกประสงค์ | ผลิตภัณฑ์ที่ผ่านการรับรอง UL และ C-UL / ผลิตภัณฑ์ ผลิตภัณฑ์ ผลิตภัณฑ์ สอดคล้องตามมาตรฐาน เครื่องหมาย CE | ||
| 1 | LDA | '94 | แผ่นวงจร สตาร์ทเตอร์ พาวเวอร์ซัพพลาย เอนกประสงค์ | ผลิตภัณฑ์ ผลิตภัณฑ์ ผลิตภัณฑ์ ผลิตภัณฑ์ สอดคล้องตามมาตรฐาน เครื่องหมาย CE | ||
| '95 | ||||||
| '97 | ผลิตภัณฑ์ที่ผ่านการรับรอง UL / ผลิตภัณฑ์ ผ่านการรับรอง UL และ C-UL / ผลิตภัณฑ์ ผลิตภัณฑ์ ผลิตภัณฑ์ สอดคล้องตามมาตรฐาน เครื่องหมาย CE | |||||
| 1 | LGA | '08 | อินพุต 100 V AC แผ่นวงจร ระบบ สตาร์ทเตอร์ ชนิด พาวเวอร์ซัพพลาย ทั่วไป | ผลิตภัณฑ์ที่ผ่านการรับรอง UL และ C-UL / ผลิตภัณฑ์ ผลิตภัณฑ์ ผลิตภัณฑ์ สอดคล้องตามมาตรฐาน เครื่องหมาย CE | ||
| หลาย | 2 | LEB | '00 | LEA ซีรีส์ 2- ประเภท เอาต์พุต | ผลิตภัณฑ์ที่ผ่านการรับรอง UL และ C-UL / ผลิตภัณฑ์ ผลิตภัณฑ์ ผลิตภัณฑ์ สอดคล้องตามมาตรฐาน เครื่องหมาย CE | |
| 3 | LDC | '94 | LDA ซีรีส์ 3- ประเภท เอาต์พุต | ผลิตภัณฑ์ ผลิตภัณฑ์ ผลิตภัณฑ์ ผลิตภัณฑ์ สอดคล้องตามมาตรฐาน เครื่องหมาย CE | ||
| '95 | ||||||
| 2 | LB | '92 | แผ่นวงจร สตาร์ทเตอร์ ชนิด 2- พาวเวอร์ซัพพลาย เอาต์พุต , ราคาต่ำทำได้โดยการจำกัดประสิทธิภาพและฟังก์ชั่น | |||
| ประเภท เชิงเส้น | หลายซิงเกิล | 1 | G | '75 | อินพุต ระบบ 100 V AC, พาวเวอร์ซัพพลาย เชิงเส้น , เสียงรบกวนต่ำ เป็นพิเศษและระลอกคลื่นต่ำ | |
| 2 | GW | '75 | G ซีรีส์ 2- ประเภท เอาต์พุต | |||
เรื่องราวการพัฒนา
ด้วยการใช้ รูปร่างภายนอก และการติดตั้งที่เหมือนกันกับชุด 100 V AC (85 ถึง 132 V) LGA ( อุปกรณ์แหล่งจ่าย เอาต์พุต ถึง 240 W) ทำให้ง่ายต่อการเปลี่ยนแม้ว่าลูกค้าจะร้องขออย่างเร่งด่วนเกี่ยวกับความเข้ากันได้ของ 200 V AC
นอกจากนี้ การขยายไลน์ผลิตภัณฑ์ด้วยรุ่นตั้งแต่ 10 ถึง 306 W เป็น พาวเวอร์ซัพพลาย สตาร์ทเตอร์ แผ่นวงจร แม้จะใช้หลายยูนิต ก็สามารถจัดเรียงในซีรีส์เดียวกันได้