ฉากยึดสามเหลี่ยมสำหรับอลูมิเนียมเฟรมซีรีส์ 8 - ร่องกว้าง 10 มม., 1 ร่อง

ข้อควรระวัง
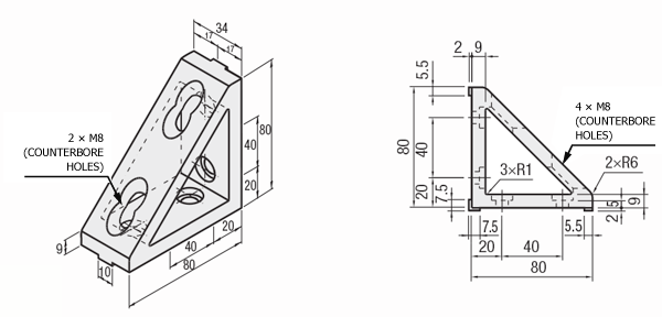
รายละเอียดสินค้า
ฉากยึดที่มีรูติดตั้ง 2 รูที่ด้านเดียว สามารถเชื่อมต่อเฟรมได้อย่างมั่นคงยิ่งขึ้น
Drawing ระบุขนาดของเหล็กฉาก 90 องศา

ตารางข้อมูลจำเพาะของเหล็กฉาก 90 องศา
| รุ่น |
| HBLDSWT8 |
- To check the latest price, click the "Check Price" button after confirming the model number.
[!]สลักเกลียวและน็อตไม่รวมอยู่กับเหล็กฉาก 90 องศา
กรุณาตรวจสอบตารางด้านล่างสำหรับสลักเกลียวและน็อตที่เข้ากันได้
หากคุณต้องการซื้อชุดสลักเกลียวและน็อต กรุณาเลือกจากตัวกรอง "อุปกรณ์เสริม"
สำหรับรายละเอียดสเปค กรุณาตรวจสอบลิงก์ผลิตภัณฑ์แต่ละรายการภายใต้ "ชุดสลักเกลียวและน็อตที่ใช้ได้" สำหรับการประมวลผลเพิ่มเติม (สามารถซื้อแยกได้)
| รุ่นเหล็กฉาก 90 องศา | น้ำหนัก (ก.) | สลักเกลียวและน็อตตัวที ที่เข้ากันได้ | โหลดที่อนุญาต (N) | |||
| สลักเกลียว | จำนวน | น็อตตัวที | จำนวน | |||
| HBLDSWT8 | 195 | CBM8-15 | 4 | HNTT8-8 | 4 | 3087 |
งานเพิ่มเติมของเหล็กฉาก 90 องศา
| รุ่น | − | (SET・SST・SEU・SSU・SEP・SSP・SEC) |
| HBLDSWT8 | − | SET |
| การเปลี่ยนแปลง | รหัส | สเปค | เหล็กฉาก 90 องศาที่ใช้ได้ | ||||||||||||||||||||||||||||||
| สลักเกลียวและน็อต ที่ใช้ได้ รวมอยู่ด้วย | SET SST (สแตนเลส) SEU (น็อตสปริงก่อนประกอบ) SSU (น็อตสปริงก่อนประกอบ) (สแตนเลส) SEP (น็อตสปริงหลังประกอบ) SSP (น็อตสปริงหลังประกอบ) (สแตนเลส) SEC (สลักเกลียว/น็อตประกอบแหวนรอง) | ชุดนี้รวมสลักเกลียวและน็อตที่ใช้ได้สำหรับยึดเหล็กฉาก 90 องศากับโครง (เพิ่มในราคาเหล็กฉาก 90 องศา) (ตัวอย่าง) เมื่อระบุ HBLDSWT8
[ ! ]หากคุณระบุผลิตภัณฑ์อื่นนอกจาก HBLDSWT8 กรุณาตรวจสอบสลักเกลียวและน็อตที่เหมาะสม | - | ||||||||||||||||||||||||||||||
| HBLTF8 | |||||||||||||||||||||||||||||||||
| HBLUS8 | |||||||||||||||||||||||||||||||||
| HBLUSB8 | |||||||||||||||||||||||||||||||||
| HBKUS8 | |||||||||||||||||||||||||||||||||
| HBKUSB8 | |||||||||||||||||||||||||||||||||
| HBLTSW8 | |||||||||||||||||||||||||||||||||
| HBLDSWT8 | |||||||||||||||||||||||||||||||||
| HBLTS8-6L | |||||||||||||||||||||||||||||||||
| HBLTS8-6R | |||||||||||||||||||||||||||||||||
! ]เมื่อระบุ -SET, -SEU หรือ -SEP กับเหล็กฉาก 90 องศาอื่นๆ นอกเหนือจากเหล็กฉาก 90 องศาอนาไดซ์สีดำ สลักเกลียวที่รวมอยู่นั้นไม่เป็นไปตามมาตรฐาน RoHS
■รายละเอียดชุดสลักเกลียวและน็อตที่ใช้ได้ (สามารถซื้อแยกได้)
| รุ่นการกลึงเพิ่มเติม | สลักเกลียว | น็อต | ||||
|---|---|---|---|---|---|---|
| รุ่น | วัสดุ | ประเภท | รุ่น | วัสดุ | ตัวหยุด | |
| SET | CBM8-15 | เหล็ก | เข้าก่อน ออกก่อน | HNTT8-8 | เหล็ก | ไม่มี |
| SST | SCB8-15 | สแตนเลส | เข้าก่อน ออกก่อน | HNTTSN8-8 | สแตนเลส | ไม่มี |
| SEU | CBM8-15 | เหล็ก | เข้าก่อน ออกก่อน | HNTU8-8 | เหล็ก | มี |
| SSU | SCB8-15 | สแตนเลส | เข้าก่อน ออกก่อน | SHNTU8-8 | สแตนเลส | มี |
| SEP | CBM8-15 | เหล็ก | ใส่ทีหลัง | HNTP8-8 | เหล็ก | มี |
| SSP | SCB8-15 | สแตนเลส | ใส่ทีหลัง | SHNTP8-8 | สแตนเลส | มี |
วิธีการใช้งานเหล็กฉาก 90 องศา
เหล็กฉาก 90 องศานี้มีรูยึดสองรูในด้านหนึ่ง ทำให้สามารถเชื่อมต่อกับโครงได้อย่างปลอดภัยมากขึ้น
ข้อมูลทางเทคนิคของเหล็กฉาก 90 องศา
■ ความตั้งฉาก
กรุณาตรวจสอบตารางความคลาดเคลื่อนของความตั้งฉากสำหรับความตั้งฉากของเหล็กฉาก 90 องศา
■ แนวคิดโหลดที่อนุญาตของเหล็กฉาก 90 องศา

โหลดที่อนุญาตที่นี่หมายถึงโหลดที่เหล็กฉาก 90 องศาสามารถรักษาตำแหน่งได้ (โดยไม่แตกหรือลื่น) เมื่อรูยึดทั้งหมดบนเหล็กฉาก 90 องศาถูกยึดด้วยสลักเกลียวและมีการใช้โหลด
ผลิตภัณฑ์ที่คล้ายกันของเหล็กฉาก 90 องศา
■ซีรีย์ 8 (ความกว้างร่อง 10 มม.) - สำหรับร่องเดี่ยว - เหล็กฉาก 90 องศาแบบอัดขึ้นรูป
| ชื่อผลิตภัณฑ์ | Thick เหล็กฉาก 90 องศา/ triangle เหล็กฉาก 90 องศา | Thick เหล็กฉาก 90 องศา | Extra thick เหล็กฉาก 90 องศา | Eccentric เหล็กฉาก 90 องศา | Unequal เหล็กฉาก 90 องศา | Different size frame connection เหล็กฉาก 90 องศา | Thin เหล็กฉาก 90 องศา |
|---|---|---|---|---|---|---|---|
| Product Photos |
|
|
|
|
|
|
|
| คุณสมบัติ | ประเภทนี้มีรูยึดสองรูที่ด้านหนึ่ง ใช้สลักเกลียวสี่ตัว ทำให้สามารถเชื่อมต่อกับโครงได้ปลอดภัยมากขึ้น | ประเภทนี้ทำจากวัสดุเดียวกับโครงอลูมิเนียมและได้รับการอนาไดซ์ มีประสิทธิภาพเมื่อคุณต้องการรวมรูปลักษณ์กับโครง | จำนวนสลักเกลียวเท่ากับเหล็กฉาก 90 องศาหนา ทำให้สามารถเชื่อมต่อได้แข็งแรงขึ้น | รูตำแหน่งยกเว้นศูนย์ ดังนั้นเมื่อยึดแผ่นไปที่ด้าน สามารถติดตั้งแผ่นหนา 3mm/5mm ได้ในลักษณะตรงกับพื้นผิวโครง | ความยาวและความกว้างไม่เท่ากัน ทำให้สามารถติดตั้งได้ในพื้นที่แคบ | รูยึดตำแหน่งสลักเกลียวสลักกัน และประเภทนี้สามารถเชื่อมต่อกับโครงสี่เหลี่ยม 40mm และ 30mm ได้ | เหล็กฉาก 90 องศานี้ไม่ยื่นออกจากโครงเมื่อเชื่อมต่อขวาง ทำให้เหมาะสำหรับใช้ในพื้นที่แคบ |
| โหลดที่อนุญาต | 3087 | 2058 | 2058 | 2058 | 2572 | - | 1666 |
| รุ่นตัวแทน | HBLTSW8 (thick type) | NBLTS8 | HBLUS8 | HBLTH8 | HBLTF8 | HBLTS8-6L | HBLSS8 |
| ผลิตภัณฑ์นี้ | HBKTST8 (right-angle processing type) | HBKUS8 (right angle processing type) |
■ความแตกต่างระหว่างเหล็กฉาก 90 องศาแบบอัดขึ้นรูปและเหล็กฉาก 90 องศาแบบยื่นออกมา
| [ผลิตภัณฑ์นี้] เหล็กฉาก 90 องศาแบบอัดขึ้นรูป
| · เหล็กฉาก 90 องศาอัดขึ้นรูปทำจากวัสดุอลูมิเนียมอัดขึ้นรูป A6N01SS-T5 พื้นผิวได้รับการอนาไดซ์ · มีประสิทธิภาพเมื่อคุณต้องการรวมรูปลักษณ์กับโครง ถูกออกแบบมาเพื่อป้องกันการสะสมของฝุ่น · มีแข็งแรงกว่าเหล็กฉาก 90 องศาที่มียื่นออกมา ทำให้เหมาะสำหรับพื้นที่ที่ต้องการความแข็งแรง |
| เหล็กฉาก 90 องศาแบบยื่นออกมา | · เหล็กฉาก 90 องศายื่นออกมาเป็นวัสดุ ADC12 อัดขึ้นรูป พื้นผิวไม่ได้รับการอนาไดซ์ และราคาถูกกว่าเหล็กฉาก 90 องศาอัดขึ้นรูปขนาดเดียวกัน · ยื่นออกมาทำหน้าที่หยุดการหมุดไว้ระหว่างการหมุด ทำให้ง่ายต่อการทำงาน · มีหลากหลายประเภทของเหล็กฉาก 90 องศาที่มีคุณสมบัติเพิ่มเติมที่ใช้ได้ |
สินค้าที่เกี่ยวข้องกับเหล็กฉาก 90 องศา
■ซีรีย์ 8
| ชื่อผลิตภัณฑ์ | โครงอลูมิเนียม | ข้อต่อบอด | ฝาโครง | ฝาครอบร่อง | น็อต |
|---|---|---|---|---|---|
| ภาพถ่าย |
|
|
|
|
|
| หน้าผลิตภัณฑ์ | ที่นี่ | ที่นี่ | ที่นี่ | ที่นี่ | ที่นี่ |













