พุกยึดอลูมิเนียมโปรไฟล์ แบบ 4 จุด/2 จุด วัสดุ SPHC

ข้อควรระวัง
รายละเอียดสินค้า
พุกยึดอลูมิเนียมโปรไฟล์ แบบ 4 จุด/2 จุด
ฉากเหล็กยึดสำหรับอลูมิเนียมเฟรม เป็นสินค้าทั่วไปที่ใช้สำหรับยึดอลูมิเนียมเฟรม สินค้าชิ้นนี้ถูกออกแบบมาให้ใช้งานร่วมกับอลูมิเนียมโปรไฟล์จากแบรนด์ MISUMI
[คุณสมบัติ]
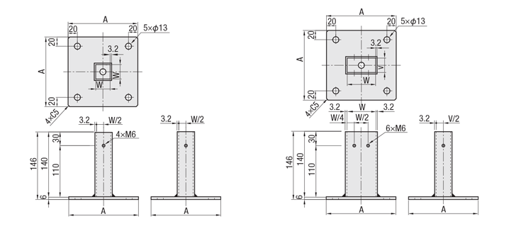
- ความสูงของชิ้นงาน (mm.) : 146
- รองรับการใช้งานร่วมกับอลูมิเนียมโปรไฟล์ ซีรี่ส์ :
พุกแบบ 4 จุด รุ่น: HFS6-3030 และ HFS6-3060
พุกแบบ 2 จุด รุ่น: HFS8-4040 และ HFS8-4080
- วัสดุ : SPHC
- การปรับแต่งพื้นผิว : ไตรวาเลนท์โครเมต
[การใช้งาน]
สามารถใช้ทำรั้วกั้นแบบตั้งตรงได้
Drawing ระบุขนาดขาฉิ่ง

HFTANK6-3030
HFTANK8-4040
HFTANK6-3060
HFTANK8-4080

HFTANM6-3030
HFTANM8-4040
HFTANM6-3060
HFTANM8-4080
[S] การเคลือบผิวขาฉิ่ง : ไตรวาเลนท์โครเมต
[!]พื้นผิวด้านในของกระบอกสูบลึก ดังนั้นจึงใช้การเคลือบผิวบาง ๆ
ตารางข้อมูลจำเพาะขาฉิ่ง
| รุ่น |
| HFTANK6−3030 |
- รายการราคาขาฉิ่งด้านล่างเป็นข้อมูล ณ เดือนเมษายน 2023
・โปรดตรวจสอบราคาล่าสุดโดยคลิกปุ่ม "ตรวจสอบราคา" หลังจากยืนยันหมายเลข รุ่นแล้ว
| รุ่นของขาฉิ่ง | เฟรมที่เข้ากันได้ (ซีรีส์) | มวลกรัม | A | W | V | สกรูตัวหนอนที่ใช้งานได้ | จำนวนสลักเกลียว ที่ต้องการ | ||
| ตั้งสกรู | จำนวนชิ้น | ||||||||
| HFTANK6 | 3030 | ซีรีส์ 6 สี่เหลี่ยมจัตุรัส 30 มม | 1350 | 150 | 31 | − | MSSF6−12 | 4 | 4 |
| 3060 | 6 ซีรีส์ 30 มม. ทรงสี่เหลี่ยม* , ทรงสี่เหลี่ยม 30/60 มม | 1650 | 62 | 31 | MSSF6−12 | 6 | |||
| HFT ANK8 | 4040 | 8 ซีรีส์ 40 มม. สี่เหลี่ยม | 1900 | 170 | 41 | − | MSSF6−16 | 4 | |
| 4080 | 8 ซีรี่ส์ 40 มม. สี่เหลี่ยมจัตุรัส* , สี่เหลี่ยมจัตุรัส 40/80 มม | 2210 | 82 | 41 | MSSF6−16 | 6 | |||
- รายการราคาขาฉิ่งด้านล่างเป็นข้อมูล ณ เดือนเมษายน 2023
・โปรดตรวจสอบราคาล่าสุดโดยคลิกปุ่ม "ตรวจสอบราคา" หลังจากยืนยันหมายเลข รุ่นแล้ว
| รุ่นของขาฉิ่ง | เฟรมที่เข้ากันได้ (ซีรีส์) | มวลกรัม | A | W | V | สกรูตัวหนอนที่ใช้งานได้ | จำนวนสลักเกลียว ที่ต้องการ | ||
| ตั้งสกรู | จำนวนชิ้น | ||||||||
| HFTANM6 | 3030 | ซีรีส์ 6 สี่เหลี่ยมจัตุรัส 30 มม | 800 | 150 | 31 | − | MSSF6−12 | 4 | 2 |
| 3060 | 6 ซีรีส์ 30 มม. ทรงสี่เหลี่ยม* , ทรงสี่เหลี่ยม 30/60 มม | 1,000 | 62 | 31 | 6 | ||||
| HFTANM8 | 4040 | 8 ซีรีส์ 40 มม. สี่เหลี่ยม | 1100 | 170 | 41 | − | MSSF6−16 | 4 | |
| 4080 | 8 ซีรี่ส์ 40 มม. สี่เหลี่ยมจัตุรัส* , สี่เหลี่ยมจัตุรัส 40/80 มม | 1400 | 82 | 41 | 6 | ||||
[!]ไม่รวมสกรูตัวหนอนที่ใช้ได้
การประมวลผลเพิ่มเติมของขาฉิ่ง
| รุ่น | − | (ชุด) |
| HFTANK6−3030 | − | ชุด |
| HFTANK8−4040 | − | การทางพิเศษแห่งประเทศไทย |
| การเปลี่ยนแปลง | รหัส | ข้อมูลจำเพาะขาฉิ่ง | สกรูตัวหนอนที่ใช้งานได้ | สลักเกลียวที่ใช้บังคับ (M12) |
| สายฟ้า | ประเภทการขับเคลื่อนแกนหลัก | |||
ตั้งสลักเกลียวและน็อตที่เกี่ยวข้อง | ชุด | ตั้งสกรูเพื่อยึดขาตั้งและโครง | มสส | - |
ตั้งน็อตโบลต์และโบลท์พุกที่เกี่ยวข้อง | การทางพิเศษแห่งประเทศไทย | ในชุดประกอบด้วย สกรูตัวหนอนและสลักเกลียวเพื่อยึดขาตั้งและโครง | มสส | สลักเกลียว ยึดตัวขับ (เหล็ก) |
ประเภทแกนขับ (เหล็ก) : ผลิตโดย Sanko Techno C-1210
[ ! ]เกี่ยวกับการติดตั้งสลักเกลียว
ผลิตภัณฑ์นี้อาจไม่ทำงานตามที่คาดไว้เว้นแต่จะใช้และติดตั้งตามคำแนะนำที่ถูกต้อง (รวมถึงความปลอดภัยด้วย)เป็นความรับผิดชอบของลูกค้าในการติดตั้งผลิตภัณฑ์ในลักษณะที่ถูกต้อง
เราขอแนะนำให้ก่อสร้างโดยใช้ผลิตภัณฑ์นี้โดยบุคลากรที่มีคุณสมบัติตามที่กำหนดโดยJapan Post-Construction Anchor Association (JCAA)
[ ! ]ข้อมูลจำเพาะและการใช้สลักเกลียว
ผลิตภัณฑ์นี้มีไว้สำหรับใช้ยึดรั้วนิรภัยที่บริษัทกำหนด
หากคุณใช้เพื่อวัตถุประสงค์อื่นโปรดตรวจสอบความแข็งแกร่งและฟังก์ชันการทำงานของมัน และใช้โดยยอมรับความเสี่ยงเอง
บริษัทของเราจะไม่รับผิดชอบต่อการก่อสร้างโดยใช้ผลิตภัณฑ์นี้หรือการใช้งานเพื่อวัตถุประสงค์อื่นนอกเหนือจากที่บริษัทของเราระบุไว้
ตัวอย่างการใช้งานขาฉิ่ง
สินค้าที่เกี่ยวข้องกับขาฉิ่ง
| ชื่อสินค้า | (สินค้าชิ้นนี้) ขาฉิ่งแบบพุก 4 จุด/พุก 2 จุด | ขาฉิ่ง | ขาฉิ่ง | ขาฉิ่ง ชนิดหนัก | ขาตั้งพุก ชนิดแผ่นโลหะ |
|---|---|---|---|---|---|
| รูปสินค้า | ![]() | ![]() | ![]() | ![]() | ![]() |
| รุ่น | HFTANK6, HFTANK8, HFTANM6, HFTANM8 | HFSANK, HFSAKW | HFDANK | ฮัฟแบงค์ ฮัฟแฮงค์ | HFLANB, HFLANB |
| วัสดุ (การเคลือบผิว) | SPHC (ไตรวาเลนท์โครเมต) | SPHC (โครเมต) | ADC12 (ไม่มี) | S25C (สีอบดำ) | SS400 (ไตรวาเลนท์โครเมต, ฟิล์มไตรไอรอนเตตรอกไซด์) |
| เฟรมที่เข้ากันได้ | 6 ซีรีส์ (สี่เหลี่ยมจัตุรัส 30 มม., สี่เหลี่ยมจัตุรัส 60 มม. เท่านั้น) ซีรีส์ 8 (สี่เหลี่ยมจัตุรัส 40 มม., สี่เหลี่ยมจัตุรัส 40/80 มม. เท่านั้น) | ซีรีส์ 6,8 | ซีรีส์ 6,8 | ซีรีส์ 6,8,8-45 | 6 ซีรีส์ (สี่เหลี่ยมจัตุรัส 30 มม., สี่เหลี่ยมจัตุรัส 60 มม. เท่านั้น) ซีรีส์ 8 (สี่เหลี่ยมจัตุรัส 40 มม., สี่เหลี่ยมจัตุรัส 40/80 มม. เท่านั้น) |
ตัวอย่าง






