ขายึดแบบมีแท็บ - ซีรีส์ 8, ร่อง 10 มม., 2 ร่อง

ข้อควรระวัง
รายละเอียดสินค้า
เหล็กยึด แบบยื่นออกมาสำหรับร่อง 2 แถว ส่วนที่ยื่นออกมาป้องกันการหมุนระหว่างการยึด ดังนั้นความสามารถในการทำงานจึงดีเยี่ยม [ลดสูงสุด 14%]
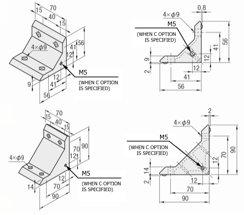
Drawing ระบุขนาดของเหล็กฉาก 90 องศา
HBLFTD8
HBLFUD8

ตารางข้อมูลจำเพาะของเหล็กฉาก 90 องศา
| รุ่น |
| HBLFTD8 HBLFUD8 |
-หากต้องการตรวจสอบราคาล่าสุด โปรดคลิกปุ่ม "ตรวจสอบราคา" หลังจากยืนยันหมายเลขรุ่น
[!]สลักเกลียวและน็อตไม่ได้รวมมากับเหล็กฉาก 90 องศา
โปรดตรวจสอบตารางด้านล่างสำหรับสลักเกลียวและน็อตที่เข้ากันได้
หากต้องการซื้อชุดสลักเกลียวและน็อต โปรดเลือกจากตัวกรอง "อุปกรณ์เสริม"
สำหรับข้อมูลจำเพาะโดยละเอียด โปรดตรวจสอบลิงก์ผลิตภัณฑ์แต่ละรายการภายใต้หัวข้อ "ชุดสลักเกลียวและน็อตที่ใช้ร่วมกันได้" สำหรับการประมวลผลเพิ่มเติม (สามารถซื้อแยกได้)
| รุ่น | น้ำหนัก (ก.) | สลักเกลียวและ T-nut ที่ใช้ได้ | โหลดที่อนุญาต (N) | |||
| ประเภท | สลักเกลียว | จำนวน | T-nut | จำนวน | ||
| HBLFTD8 | 140 | CBM8-20 | 4 | HNTT8-8 | 4 | 3087 |
| HBLFUD8 | 370 | CBM8-25 | 3920 | |||
งานเพิ่มเติมของเหล็กฉาก 90 องศา
| รุ่น | − | (C・SET・SST・SEU・SSU・SEP・SSP・SEC) |
| HBLFTD8 HBLFTD8 | − − | SET C−SET |
| การปรับเปลี่ยน | รหัส | ข้อกำหนด | เหล็กฉาก 90 องศาที่ใช้ได้ |
| รูยึดฝาครอบเพิ่มเติม | C | เหล็กฉาก 90 องศาสามารถติดตั้งรูเกลียว M5 ที่ทั้งสองด้านสำหรับยึดฝาครอบได้ ตัวอย่างรุ่น: HBLFTD8-C (สกรูยึด:HCBM). ![]() | HBLFTD8 |
| HBLFUD8 | |||
| HBLFSD8 | |||
| HBLFSDK8 |
ตัวอย่างการใช้งาน ●กรุณาระบุรหัสการปรับเปลี่ยน -C
| การปรับเปลี่ยน | รหัส | ข้อกำหนด | เหล็กฉาก 90 องศาที่ใช้ได้ | |||||||||||||||||||||||||||||||||
| สลักเกลียวและน็อตที่ใช้ได้ รวมอยู่ในชุด | SET SST (สแตนเลส) SEU (น็อตสปริงก่อนการประกอบ) SSU (น็อตสปริงก่อนการประกอบ สแตนเลส) SEP (น็อตสปริงหลังการประกอบ) SSP (น็อตสปริงหลังการประกอบ สแตนเลส) SEC (สลักเกลียวและน็อตพร้อมแหวนรอง) | ชุดรวมสลักเกลียวและน็อตที่ใช้ได้สำหรับยึดเหล็กฉาก 90 องศากับกรอบ (เพิ่มเข้าไปในราคาเหล็กฉาก 90 องศา) (ตัวอย่าง) เมื่อระบุ HBLFTD8
[ ! ]เมื่อระบุสลักเกลียว/น็อตอื่นที่ไม่ใช่ HBLFTD8 โปรดตรวจสอบตารางข้อกำหนดสำหรับสลักเกลียวและน็อตที่เข้ากันได้ | - | |||||||||||||||||||||||||||||||||
| HBLFTD8 | ||||||||||||||||||||||||||||||||||||
| HBLFUD8 | ||||||||||||||||||||||||||||||||||||
| HBLFSD8 | ||||||||||||||||||||||||||||||||||||
| HBLFSDK8 | ||||||||||||||||||||||||||||||||||||
■รายละเอียดชุดสลักเกลียวและน็อตที่ใช้ร่วมกันได้ HBLFTD8 (ประเภทหนา) (สามารถซื้อแยกต่างหากได้)
| รุ่นการกลึงเพิ่มเติม | สลักเกลียว | น็อต | ||||
|---|---|---|---|---|---|---|
| รุ่น | วัสดุ | ประเภท | รุ่น | วัสดุ | ตัวสต็อปเปอร์ | |
| SET | CBM8-20 | เหล็ก | ใส่ก่อนออกก่อน | HNTT8-8 | เหล็ก | ไม่มี |
| SST | SCB8-20 | สแตนเลส | ใส่ก่อนออกก่อน | HNTTSN8-8 | สแตนเลส | ไม่มี |
| SEU | CBM8-20 | เหล็ก | ใส่ก่อนออกก่อน | HNTU8-8 | เหล็ก | มี |
| SSU | SCB8-20 | สแตนเลส | ใส่ก่อนออกก่อน | SHNTU8-8 | สแตนเลส | มี |
| SEP | CBM8-20 | เหล็ก | ใส่ภายหลัง | HNTP8-8 | เหล็ก | มี |
| SSP | SCB8-20 | สแตนเลส | ใส่ภายหลัง | SHNTP8-8 | สแตนเลส | มี |
| SEC | HCBST8-24 | เหล็ก (พร้อมแหวนรอง) | ใส่ก่อนออกก่อน | HNTT8-8 | เหล็ก | ไม่มี |
■รายละเอียดชุดสลักเกลียวและน็อตที่ใช้ร่วมกันได้ HBLFUD8 (ประเภทหนาพิเศษ) (สามารถซื้อแยกต่างหากได้)
| รุ่นการกลึงเพิ่มเติม | สลักเกลียว | น็อต | ||||
|---|---|---|---|---|---|---|
| รุ่น | วัสดุ | ประเภท | รุ่น | วัสดุ | ตัวสต็อปเปอร์ | |
| SET | CBM8-25 | เหล็ก | ใส่ก่อนออกก่อน | HNTT8-8 | เหล็ก | ไม่มี |
| SST | SCB8-25 | สแตนเลส | ใส่ก่อนออกก่อน | HNTTSN8-8 | สแตนเลส | ไม่มี |
| SEU | CBM8-25 | เหล็ก | ใส่ก่อนออกก่อน | HNTU8-8 | เหล็ก | มี |
| SSU | SCB8-25 | สแตนเลส | ใส่ก่อนออกก่อน | SHNTU8-8 | สแตนเลส | มี |
| SEP | CBM8-25 | เหล็ก | ใส่ภายหลัง | HNTP8-8 | เหล็ก | มี |
| SSP | SCB8-25 | สแตนเลส | ใส่ภายหลัง | SHNTP8-8 | สแตนเลส | มี |
| SEC | HCBST8-29 | เหล็ก (พร้อมแหวนรอง) | ใส่ก่อนออกก่อน | HNTT8-8 | เหล็ก | ไม่มี |
ข้อมูลทางเทคนิคของเหล็กฉาก 90 องศา
■ แนวคิดเกี่ยวกับโหลดที่อนุญาตของเหล็กฉาก 90 องศา

โหลดที่อนุญาตที่นี่หมายถึงโหลดที่เหล็กฉาก 90 องศาสามารถรักษาตำแหน่งไว้ได้ (ไม่แตกหรือลื่น) เมื่อรูติดตั้งทั้งหมดบนเหล็กฉาก 90 องศาถูกยึดด้วยสลักเกลียวและโหลดถูกใช้
ผลิตภัณฑ์ที่คล้ายกันของเหล็กฉาก 90 องศา
■ซีรีย์ 8 (ความกว้างร่อง 10 มม.) - สำหรับร่อง 2 แถว -
| ชื่อ | เหล็กฉาก 90 องศาพร้อมส่วนยื่น (ผลิตภัณฑ์นี้) | เหล็กฉากกลับด้าน 90 องศาพร้อมส่วนยื่น | เหล็กฉาก 90 องศาชนิดหนาอัดขึ้นรูป | เหล็กฉาก 90 องศาชนิดหนาพิเศษอัดขึ้นรูป | เหล็กฉาก 90 องศาชนิดหนาอัดขึ้นรูป (8 รู) | เหล็กฉาก 90 องศาชนิดหนาพิเศษอัดขึ้นรูป (8 รู) | เหล็กฉาก 90 องศาชนิดบาง |
|---|---|---|---|---|---|---|---|
| ภาพ |
| ||||||
| ตำแหน่งส่วนยื่น | มีส่วนยื่นทั้งสองด้าน | มีส่วนยื่นทั้งสองด้าน / มีส่วนยื่นด้านเดียว | - | - | - | - | - |
| โหลดที่อนุญาต (N) | 3087/3920 | 3087 | 3087 | 3920 | 4410 | 5586 | 2352 |
| วัสดุ | ADC12 | ADC12 | A6063S-T5 A6N01SS-T5 | A6N01SS-T5 | A6N01SS-T5 | A6063S-T5 A6N01SS-T5 | A6N01SS-T5 |
| รุ่นตัวแทน | HBLFTD8 | HBLFSD8 | HBLTD8 | HBLUD8 | HBLTDW8 | HBLUDW8 | HBLSD8 |
| คุณสมบัติ | ส่วนยื่นทำให้การตำแหน่งทำได้ง่าย | เชื่อมต่อแบบตัว L และกากบาทได้ การตำแหน่งทำได้ง่ายด้วยส่วนยื่น | นี่คือเหล็กฉาก 90 องศาอัดขึ้นรูปที่มีโครงสร้างสวยงามที่ต้านทานการสะสมของฝุ่น | ให้การเชื่อมต่อที่แข็งแรงกว่า HBLTD8 | ประเภทนี้มีรูติดตั้งสี่รูด้านเดียว ทำให้เชื่อมต่อได้แน่นขึ้น | ให้การเชื่อมต่อที่แข็งแรงกว่าฟ HBLTDW8 | นี้มีประสิทธิภาพสำหรับการประหยัดพื้นที่ระหว่างการติดตั้ง สามารถเปลี่ยนตำแหน่งรูด้วยการกลึงเพิ่มเติม |
สินค้าที่เกี่ยวข้องของเหล็กฉาก 90 องศา
■ซีรีย์ 8
| ชื่อผลิตภัณฑ์ | กรอบอลูมิเนียม | ข้อต่อบอด | ฝากรอบ | ฝาครอบร่อง | น็อต |
|---|---|---|---|---|---|
| ภาพถ่าย |
|
|
|
|
|
| หน้าผลิตภัณฑ์ | ที่นี่ | ที่นี่ | ที่นี่ | ที่นี่ | ที่นี่ |













