Stainless Steel Enclosure Roller Catch C-1532

Caution
Product Description
Box-style stainless steel roller snap type catch.
[Features]
· Stainless steel construction with excellent corrosion-resistance.
· The roller is made of resin for smooth operation.
· A slotted mounting hole allows fine adjustments to be made after installation.
· Materials: Main body / cold rolled stainless steel plate (SUS304); Roller parts / rigid polyethylene (PE).
· Extraction load: Approx. 24.7 N.
[Applications]
· Used in kitchen doors, furniture.
Box Roller Catch With A Stainless Steel Main Body That Has Excellent Corrosion Resistance And A Roller Made From Plastic For Smooth Operation

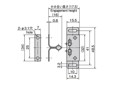
C-1532 external appearance

C-1532 dimensional drawing A

C-1532 dimensional drawing B