Hinge With Spring (B-1146 / Stainless Steel)

Caution
Product Description
A spring hinge with a high spring load.
[Features]
· Stainless steel construction with excellent corrosion-resistance.
· A high-power spring type version of B-1046.
· Materials: Cold rolled stainless steel plate (SUS304).
· Surface finish: Gloss tumble finishing.
[Applications]
· Ships, vehicles, food machines.
Stainless-Steel Construction With Excellent Corrosion Resistance

B-1146-1 external appearance

B-1146-2 external appearance

B-1146-3 external appearance

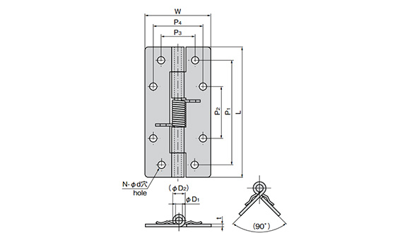
B-1146 series dimensional drawing
| Product No. | Remarks | L | W | t | P1 | P2 | P3 | P4 | øD1 | (øD2) | ød | N | Torque cN·m | Product Mass (g) | |
|---|---|---|---|---|---|---|---|---|---|---|---|---|---|---|---|
| 90° | 180° | ||||||||||||||
| B-1146-1 | With hole | 100 | 50 | 2 | 80 | 40 | 26 | 38 | 5 | 9.5 | 5.3 | 8 | 79.8 | 54.1 | 110 |
| B-1146-2 | With hole | 80 | 50 | 2 | 50 | 26 | 38 | 5 | 9.5 | 5.3 | 6 | 55.1 | 32.1 | 86 | |
| B-1146-3 | With hole | 60 | 40 | 1.5 | 40 | 26 | 26 | 5 | 8.5 | 4.3 | 6 | 36.7 | 21.6 | 44 | |