Photo Microsensors, Compact, Cable Length 2M

Brand :
MISUMI

Caution

  • Download Free! >>Economy Series Catalog ver2023 (TH-EN)_Part12 CLICK here

Product Description

Photo Microsensors, Compact, Cable Length 2M
Photo microsensors are an economy item, The price is cheaper than the MISUMI standard product. They offer a wide variety of shape to choose from.
[Feature]
● Shape : Standard, L type, F type, R type and U type
● Detection Distance (mm.): 5
● Sensing modess : NPN Output (Normally Open) and PNP Output (Normally Open)
● Power Voltage : DC5-24V
[Application]
Photo microsensors are a versatile type of sensor that can be used to measure speed, count objects, and more.

Product Overview
 
Groove-type Photoelectric Sensor
A groove-type photoelectric sensor consists of a light emitter and a receiver mounted face-to-face on opposite sides of a groove, forming a groove-shaped photoelectric sensor. The emitter can emit infrared or visible light, and the receiver can receive the light when there is no obstruction. However, when the detected object passes through the groove, the light is blocked, causing the photoelectric switch to operate and output a switch control signal, which cuts off or connects the load current, thereby completing a control action. The detection distance of groove-type switches is generally only a few centimeters due to the limitations of the overall structure.
 

Product Comparison

 
■ Comparison with MISUMI Standard Product
ModelMISUMI Standard Product
FPM□25
Economy Series
OutputNPN OutputNPN Output
PNP Output
 Max. Inflow Current50mA100mA
Applied Voltage30VDC or below5-24VDC
Residual Voltage2V or below (at inflow current 50mA)
1V or below (at inflow current 16mA)
2V or below (at inflow current 50mA)
Output ActivationEquipped with 2 outputs: Light ON/Dark ON
Detection Distance6mm5mm
Minimum Detected Object0.8 x 1.2mm opaque object0.8 x 1.2mm opaque object
Hysteresis0.05mm or less0.03mm or less
Repeatability0.05mm or less0.03mm or less
Light SourceRed LED
Power Supply Voltage5 to 24VDC
Consumed Current15mA or less
Response TimeWhen receiving light: 20μs or less, when light blocked: 80μs or less
(Response frequency 3kHz or above)
When receiving light: 20μs or less, when light blocked: 80μs or less
(Response frequency 2kHz or above)
Operation Indicator LightOrange LED (lit when receiving light)Operation Indicator Light (Red) (Selectable between Dark ON/Light ON)
Environmental ResistanceOperating Ambient Temperature-25°C to +55°C
Operating Ambient Humidity35 to 85%RH
Operating Ambient IlluminanceLight receiving surface illuminance 1000lx or belowLight receiving surface illuminance 1000lx or above, 3000lx or below
Withstand Voltage1000VAC, 50/60Hz, 1 minute between power receiving unit and case
Insulation Resistance50MΩ or above at 250VDC megger between charger bundle and case51MΩ or above at 250VDC megger between charger bundle and case
Vibration ResistanceDurability 10 to 2000Hz Double Amplitude 1.5mm XYZ directions 2 hoursDurability 10 to 55Hz Double Amplitude 1.5mm XYZ directions 2 hours
Impact ResistanceDurability 15,000m/s2 XYZ directions 3 timesDurability 500m/s2 XYZ directions 10 times
Protection Rating-IP50
Protective Circuits-Surge protection, short circuit protection, reverse connection protection
Body MaterialCase: PBT, Display: PolycarbonateCase: ABS, Display: Polycarbonate
Cables0.09mm2 4-core cabtyre cable with PVC 1mm0.09mm2 0.09mm2 4-core cabtyre cable with PVC 2mm
Cable ExtensionExtension possible up to total length 100m for cables of 0.3mm2 or aboveExtension possible up to total length 50m for cables of 0.3mm2 or above
Mass10g
 
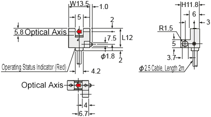
Dimensional Drawing
 
K Type C-MSX950□-2M/E-MSX950□-2M-R
Example of Using Sensor
L Type C-MSX951□-2M/C-MSX951-2M-R/E-MSX951-2M-R
Example of Using Sensor
F Type C-MSX952□-2M/E-MSX952□-2M-R
Example of Using Sensor
R Type C-MSX953□-2M/E-MSX953□-2M-R
Example of Using Sensor
U Type C-MSX954□-2M/E-MSX954□-2M-R
Example of Using Sensor
 
Specification Overview

 
Specification Table
 
Output ActionLead Wire ColorOutput Action
Output 1BlackON when light is blocked
Output 2WhiteON when light is received
 
Specification Table
 
Economy Ultra-Compact Slot-Type Photoelectric Sensor (2m Cable Type)
Part NumberTypeDetection DistanceTypesIndicator Light ModeOutput MethodLead Wire Outlet
C-MSX950N-2MK Type5mmNPN OutputLight is on when powered, off during detectionEquipped with 2 independent outputs,
ON when light is received can be switched
Standard 2m
C-MSX951N-2ML Type
C-MSX952N-2MF Type
C-MSX953N-2MR Type
C-MSX954N-2MU Type
E-MSX950N-2M-RK TypeCable 2m, Bend Resistant
C-MSX951N-2M-RL Type
E-MSX952N-2M-RF Type
E-MSX953N-2M-RR Type
E-MSX954N-2M-RU Type
C-MSX950P-2MK TypePNP OutputStandard 2m
C-MSX951P-2ML Type
C-MSX952P-2MF Type
C-MSX953P-2MR Type
C-MSX954P-2MU Type
E-MSX950P-2M-RK TypeCable 2m, Bend Resistant
E-MSX951P-2M-RL Type
E-MSX952P-2M-RF Type
E-MSX953P-2M-RR Type
E-MSX954P-2M-RU Type
 
 Lead Wire Type
Model (NPN Output)C-MSX67□N-2M (Standard Type)C-MSX95□N-2M (Miniature Type)
E-MSX95□N-2M-R
(Miniature Bend-Resistant Cable Type)
C-MSX67□N
Model (PNP Output)C-MSX67□P-2M (Standard Type)C-MSX95□P-2M (Miniature Type)
E-MSX95□N-2M-R (Miniature Bend-Resistant Wire Type)
C-MSX67□P
Connection MethodLead Wire Length 2mLead Wire Length 2mConnector Type
Detection Distance5mm Groove Width
Object Detection1.2*0.8mm Opaque Object
Light sourceInfrared LED
Response Frequency2KHz
Power VoltageDC5-24V
Repeatability0.03mm or Less
Control OutputLoad Current3-100mA
Residual VoltageBelow 2 V (load current 100 mA)Below 2 V (load current 50 mA)Below 1.5 V (load current 100 mA)
Indicator LightAction indicator (red)
Action FormEquipped with two independent outputs at the same time (ON when light is blocked, ON when light is received)
Protection CircuitSurge protection circuit, short-circuit protection, reverse polarity protection
Ambient Temperature/Humidity-25-+55°C /35-85%RH
Environmental illumination impactIlluminance on the receiving surface: 3000 LX or higher
Withstanding voltageAC1000V, 50/60Hz, 1min between the charging unit and the case
Vibration (Durability)10-55Hz, up and down double amplitude 1.5mm, 2h in each direction of X, Y, Z
Impact (Durability)500 m/s2, 10 times in each of the X, Y, and Z directions
Protection RatingIP50
 
Product Features
 
Product Feature
Product Feature
Product Feature
 
Usage Method
 
Installation Method
When securing the main body with screws, please use M3 screws, ⌀6mm washers, and keep the tightening torque below 0.5N⋅m.
Usage Method

Connector Type
Usage Method
Usage Method
Brand Introduction
MISUMI, the head office company, has been providing customers with various high-quality parts such as automation parts, mold parts, electronic parts, tool & consumables, etc. quickly and accurately since its establishment in Japan in 1963. By compiling product catalogs independently and establishing a marketing system for direct sales of products, a low-cost business operation mode has been created, and by making annual product plans according to customers' opinions and requirements, MISUMI brand-name products with high quality level have been continuously developed
Viewed Products
Recently Viewed Products
My Components
My Components
0
Cart
Cart
Economy Series
MRO Product

Chat with MISUMI

Chat service is available for any inquiry to MISUMI

Service hours

9:00 - 18:00 (Mon-Sat)

For out of service hours, you can leave a message to us.
We will reply to your inquiries on the next business day.
(except Sundays and public holidays).

Noted for use

Chat service is for Corporate customers and limited for Thai language.

Request for Quotation and Place Order is not available on Chat.

Start chat