คัตเตอร์หางนกพิราบ 4 ร่อง สำหรับ โอริง

แบรนด์ :
EIKOSHA
ข้อควรระวัง
รายละเอียดสินค้า
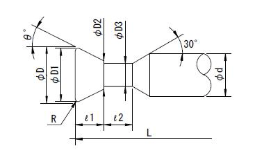
เครื่องตัด เหล็กกล้าไฮสปีด ที่สอดคล้องกับ โอริง มี สเปค ร่อง
[คุณสมบัติ]
·ปรับปรุงความสามารถในการตัดเฉือนด้วยเครื่องจักร ด้วยการใช้ ใบมีดลบคม บิด
· เคลือบผิว TiAlN เพื่อ ทนความร้อน และทนต่อการสึกหรอ
[การประยุกต์ใช้งาน]
·ใช้ สำหรับการ การตัดแต่งขึ้นรูปด้วยเครื่องจักร สำหรับร่องโอริง ที่ มุม 24°
