คาร์ไบด์ ซุปเปอร์มินิ รุ่นมุม W แบบยาว

แบรนด์ :
EIKOSHA
ข้อควรระวัง
รายละเอียดสินค้า
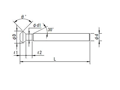
ร่องตัว T / หัวกัดมุม คาร์ไบด์ แบบยาว
[คุณสมบัติ]
·มีมุมให้เลือกทั้ง 60°, 90° และ 120° รองรับการใช้งานที่หลากหลาย ฯลฯ
·เนื่องจากเส้นผ่านศูนย์กลางของก้านเรียว จึงไม่กระทบกับชิ้นงาน เป็นแบบยาวที่รองรับการ การตัดแต่งขึ้นรูปด้วยเครื่องจักร ด้านหลัง
[การใช้งาน]
·สามารถใช้สำหรับเครื่องจักรที่มีมุมเท่ากัน เพื่อลบคมด้านหน้า ด้านหลังและงานขัด
