เครื่องตัดหลุม SL

แบรนด์ :
OMIKOGYO
ข้อควรระวัง
- ราคาขายมีการเปลี่ยนแปลงตั้งแต่วันที่ 1 มิถุนายน 2566 เนื่องจากผู้ผลิตปรับต้นทุน
รายละเอียดสินค้า
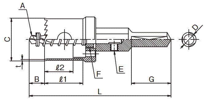
[คุณสมบัติ]
· โคบอลต์ อเนกประสงค์ เหล็กกล้าไฮสปีด โลหะคู่
· โคบอลต์ เหล็กกล้าไฮสปีด + ระยะห่างร่องไม่เท่ากัน
·ช่วยให้งานเจาะรูมีความคมได้อย่างง่ายดาย
·ความยาว ร่องยาว พร้อม สต๊อปเปอร์
· หน้าแปลน ป้องกันการตัดผ่านเมื่อเจาะ
