อุปกรณ์กำจัดไฟฟ้าสถิตไอออไนเซอร์ IZS40/41/42 Series

ข้อควรระวัง
- โปรดดูข้อมูลสเปคในแค็ตตาล็อกของผู้ผลิต
- ภาพสินค้าเป็นเพียงตัวอย่างเท่านั้น โปรดดูรายละเอียดในแค็ตตาล็อกของผู้ผลิต
รายละเอียดสินค้า
[คุณสมบัติ]
· ลดการซ่อมบำรุงและปรับงานให้สมดุลด้วยระบบเซนเซอร์อัตโนมัติ
· ลดการซ่อมบำรุงอะไหล่อิมิตเตอร์
· รุ่นมาตรฐาน IZS40
ใช้งานง่าย แค่เปิดเครื่องเพื่อใช้งาน
· แสดงผลด้วยเซนเซอร์รุ่น IZS41
เซนเซอร์แสดงการผลิตไอออนด้วยความเร็วสูง
· ระบบ Dual AC รุ่น IZS42
ใช้ระบบ Dual AC ในการลดค่าความเปลี่ยนแปลงคลื่นไฟฟ้าของชิ้นงาน
สเปค เครื่องผลิตไอออน/ เครื่องกำจัดไฟฟ้าสถิต , IZS40 / IZS41 / IZS42 series
| รุ่น เครื่องผลิตไอออน/ เครื่องกำจัดไฟฟ้าสถิต | IZS40 | IZS41- □□ (NPN) | IZS41- □□ P (PNP) | IZS42- □□ (NPN) | IZS42- □□ P (PNP) | |
|---|---|---|---|---|---|---|
| วิธีการสร้าง ประจุไฟฟ้า | ประเภทการปล่อยโคโรนา | |||||
| วิธีการ การใช้งาน แรงดันไฟฟ้า | AC, DC | AC, การตรวจจับ AC, DC | AC คู่ | |||
| แรงดันไฟฟ้าประยุกต์ | ±7,000 V | ±6,000 V | ||||
| แรงดันไฟฟ้า ออฟเซ็ท * | ภายใน± 30 V | |||||
| ล้างแอร์ | ของไหล | อากาศ (อากาศแห้งที่สะอาด) | ||||
| ความดัน ใช้งาน | 0.5 MPa หรือน้อยกว่า | |||||
| พิสูจน์ ความดัน | 0.7 MPa | |||||
| เส้นผ่าศูนย์กลาง ท่อ เชื่อม สายยาง | ø6 (เส้นผ่าศูนย์กลาง 6 มม.), ø8 (เส้นผ่าศูนย์กลาง 8 มม.), ø10 (เส้นผ่าศูนย์กลาง 10 มม.) | |||||
| การใช้กระแสไฟฟ้า | 330 mA หรือน้อยกว่า | 440 mA หรือน้อยกว่า (ตรวจจับ AC, การทำงานอัตโนมัติ / การวิ่งด้วยตนเอง: 480 mA หรือน้อยกว่า) | 700 mA หรือน้อยกว่า (เรียกใช้อัตโนมัติ / ดำเนินการด้วยตนเอง: 740 mA หรือน้อยกว่า) | |||
| แรงดันไฟเลี้ยง | 21.6 V DC ถึง 26.4 V DC (24 V DC ± 10% หรือน้อยกว่า) | |||||
| แรงดันไฟเลี้ยง ด้วยการ อุปกรณ์สายไฟ การเปลี่ยน | - | 24 V DC ถึง 26.4 V DC | ||||
| สัญญาณอินพุต | ปล่อยสัญญาณหยุด | - | เชื่อมต่อกับ 0 V ช่วงแรงดันไฟฟ้า: 5 V DC หรือน้อยกว่า การใช้กระแสไฟฟ้า: 5 mA หรือน้อยกว่า | เชื่อมต่อกับ +24 V ช่วงแรงดันไฟฟ้า: 19 V DC ถึง แรงดันไฟเลี้ยง การใช้กระแสไฟฟ้า: 5 mA หรือน้อยกว่า | เชื่อมต่อกับ 0 V ช่วงแรงดันไฟฟ้า: 5 V DC หรือน้อยกว่า การใช้กระแสไฟฟ้า: 5 mA หรือน้อยกว่า | เชื่อมต่อกับ +24 V ช่วงแรงดันไฟฟ้า: 19 V DC ถึง แรงดันไฟเลี้ยง การใช้กระแสไฟฟ้า: 5 mA หรือน้อยกว่า |
| สัญญาณการตรวจสอบการ งานซ่อมบำรุง | ||||||
| สัญญาณ เอาต์พุต | สัญญาณการตรวจสอบการ งานซ่อมบำรุง | - | กระแสไฟฟ้า โหลดไฟฟ้า สูงสุด: 100 mA แรงดันตกค้าง: 1 V หรือน้อยกว่า (กระแสไฟฟ้า โหลดไฟฟ้า ที่ 100 mA) แรงดันไฟฟ้าที่ใช้สูงสุด: 26.4 V DC | กระแสไฟฟ้า โหลดไฟฟ้า สูงสุด: 100 mA แรงดันตกค้าง: 1 V หรือน้อยกว่า (กระแสไฟฟ้า โหลดไฟฟ้า ที่ 100 mA) | กระแสไฟฟ้า โหลดไฟฟ้า สูงสุด: 100 mA แรงดันตกค้าง: 1 V หรือน้อยกว่า (กระแสไฟฟ้า โหลดไฟฟ้า ที่ 100 mA) แรงดันไฟฟ้าที่ใช้สูงสุด: 26.4 V DC | กระแสไฟฟ้า โหลดไฟฟ้า สูงสุด: 100 mA แรงดันตกค้าง: 1 V หรือน้อยกว่า (กระแสไฟฟ้า โหลดไฟฟ้า ที่ 100 mA) |
| สัญญาณผิดพลาด | ||||||
| ฟังก์ชั่น | การตรวจจับคายประจุแรงดันสูงไม่ถูกต้อง (ประจุ ประจุไฟฟ้า จะหยุดระหว่างการตรวจจับ) | การควบคุมแรงดันไฟฟ้าออฟเซ็ตด้วยเซ็นเซอร์ในตัว, การตรวจสอบการบำรุงรักษา, การตรวจจับการปล่อยแรงดันสูงที่ไม่ถูกต้อง (หยุดการปลดปล่อยระหว่างการตรวจจับ), อินพุตอินพุตการปล่อยประจุไอออน, การเดินสายการเปลี่ยนผ่าน, รีโมทคอนโทรล | ||||
| ระยะการกำจัดไอออนที่มีประสิทธิภาพ | 50 ถึง 2,000 มม | 50 ถึง 2,000 มม. (การตรวจจับ โหมด AC: 200 ถึง 2,000 มม. ทำงานด้วยตนเอง / ทำงานอัตโนมัติ: 100 ถึง 2,000 มม.) | 50 ถึง 2,000 มม (ทำงานด้วยตนเอง / ทำงานอัตโนมัติ: 100 ถึง 2,000 มม) | |||
| อุณหภูมิใช้งาน รอบและ อุณหภูมิใน การ อุณหภูมิใช้งาน ของไหล | 0 ถึง 40 ° c | |||||
| ความชื้นโดยรอบ | 35 ถึง 80% RH (โดยไม่มีการควบแน่น) | |||||
| วัสดุ | ครอบคลุม ตัวเครื่อง: ABS, ตลับ ขาอิมิตเตอร์: PBT ขาอิมิตเตอร์: ทังสเตน ซิลิคอน ผลึกเดี่ยว | |||||
| คุณสมบัติป้องกันแรงกระแทก | 100 m / s² | |||||
| มาตรฐาน / Directive | CE (คำสั่ง EMC: 2004/108/EC) | |||||
* เมื่อทำการฟอกอากาศระหว่างวัตถุที่มีประจุและ เครื่องผลิตไอออน/ เครื่องกำจัดไฟฟ้าสถิต ประจุ ไอออน ที่ระยะ 300 มม.
การ ดรออิ้ง/ภาพร่างแบบ โครงร่างมิติ
(หน่วย: มิลลิเมตร)

เครื่องผลิตไอออน/ เครื่องกำจัดไฟฟ้าสถิต/ IZS40 การ ดรออิ้งบอกขนาด
มิติ
- สายยาง รองรับการใช้งาน OD 6 มม: 13 มม
- สายยาง รองรับการใช้งาน OD 8 มม: 15 มม
- สายยาง รองรับการใช้งาน OD 10 มม: 22 มม
N: (จำนวนตลับ ขาอิมิตเตอร์ , L: มิติ
| รหัสรุ่น/ Part number | n | L (มม.) |
|---|---|---|
| IZS40-340 | 5 | 340 |
| IZS40-400 | 6 | 400 |
| IZS40-460 | 7 | 460 |
| IZS40-580 | 9 | 580 |
| IZS40-640 | 10 | 640 |
| IZS40-820 | 13 | 820 |
| IZS40-1120 | 18 | 1,120 |
| IZS40-1300 | 21 | 1,300 |
| IZS40-1600 | 26 | 1,600 |
| IZS40-1900 | 31 | 1,900 |
| IZS40-2320 | 38 | 2,320 |
| IZS40-2500 | 41 | 2,500 |
(หน่วย: มิลลิเมตร)

End เหล็กยึด / IZS40-BE ดรออิ้งบอกขนาด
การ ดรออิ้ง/ภาพร่างแบบ โครงสร้าง

การ ดรออิ้ง/ภาพร่างแบบ โครงสร้างชุด IZS40

การ ดรออิ้ง/ภาพร่างแบบ โครงสร้างชุด IZS41 / IZS42
| จำนวน | ชื่อ |
|---|---|
| 1 | เครื่องผลิตไอออน/ เครื่องกำจัดไฟฟ้าสถิต |
| 2 | ขาอิมิตเตอร์ |
| 3 | ระบบสวมเร็วแบบวันทัช (One-touch) ข้อต่อฟิตติ้ง เดี่ยว |
| 4 | เหล็กยึด ปิดท้าย |
| 5 | เหล็กยึด ระดับกลาง |
| 6 | เซนเซอร์ ความคิดเห็น |
| 7 | เซนเซอร์ สมดุล อัตโนมัติ [ประเภท ความแม่นยำ สูง] |
| 8 | สายไฟ (สำหรับ IZS40) |
| 9 | สายไฟ (สำหรับ IZS41 / 42) |
การ อุปกรณ์สายไฟ IZS40
ขดลวด เคเบิลตามวงจรและแผนภูมิการ อุปกรณ์สายไฟ
- 1. การต่อ สายดินของ สายไฟ FG (ชื่อสัญญาณ)
รับรองว่า FG สายไฟ มีสายดินที่มีความต้านทาน สายดิน 100Ωหรือน้อยกว่า ชื่อสัญญาณ FG แสดงใน แผนผัง การ อุปกรณ์สายไฟ ใช้เป็นค่าอ้างอิง แบบใช้ไฟฟ้า สำหรับการกำจัดไอออนไนซ์ หากเทอร์มินอลกราวด์ไม่ได้ลงดินอย่างเหมาะสมแรงดันออฟเซ็ตที่ดีที่สุดจะไม่สามารถบรรลุได้และอาจทำให้อุปกรณ์ทำงานล้มเหลว รับรองว่า FG สายไฟ มีสายดินที่มีความต้านทาน สายดิน 100Ωหรือน้อยกว่า - 2. การเชื่อมต่อสายไฟ ("อุปกรณ์แหล่งจ่าย" คอนเนคเตอร์)
e-CON ใช้เป็นส่วน คอนเนคเตอร์ สำหรับการ อุปกรณ์สายไฟ IZS40 ขั้วต่อพร้อมสายเคเบิลและไม่มีสายเคเบิลอาจถูกเลือกระหว่างการเลือกสายไฟเมื่อทำการสั่งซื้อ เมื่อต้องการเพียง e-CON สั่งซื้อเป็นส่วนหนึ่ง (* ลูกค้าควรซื้อ สายไฟ)
แผนภูมิการ อุปกรณ์สายไฟ
| หมายเลขที่ประทับบน คอนเนคเตอร์ | ชื่อสัญญาณ | ลักษณะ |
|---|---|---|
| 1 | 24 V DC | เชื่อมต่อ พาวเวอร์ซัพพลาย เพื่อใช้งาน เครื่องผลิตไอออน/ เครื่องกำจัดไฟฟ้าสถิต |
| 2 | 0 V | |
| 3 | F.G. | ให้แน่ใจว่ามีความต้านทานต่อสายดินที่ สายดิน 100Ωหรือน้อยกว่าเพื่อใช้เป็นค่าอ้างอิง แบบใช้ไฟฟ้า ของ เครื่องผลิตไอออน/ เครื่องกำจัดไฟฟ้าสถิต หากไม่ได้ต่อลงดินจะไม่สามารถรับประสิทธิภาพได้และอุปกรณ์อาจเสียหายได้ |
| 4 | - | ไม่ได้ใช้ |
วงจร การเชื่อมต่อสายไฟ IZS40

แผนภาพวงจร การเชื่อมต่อสายไฟ เครื่องผลิตไอออน/ เครื่องกำจัดไฟฟ้าสถิต (IZS40)
- * สายดิน มีความต้านทาน สายดิน 100Ωหรือน้อยกว่า
- * หากลูกค้าเป็นผู้จัดหาสายเคเบิลสีของสายเคเบิลในไดอะแกรมอาจเปลี่ยนไปตามสีของสายเคเบิลที่ลูกค้าใช้
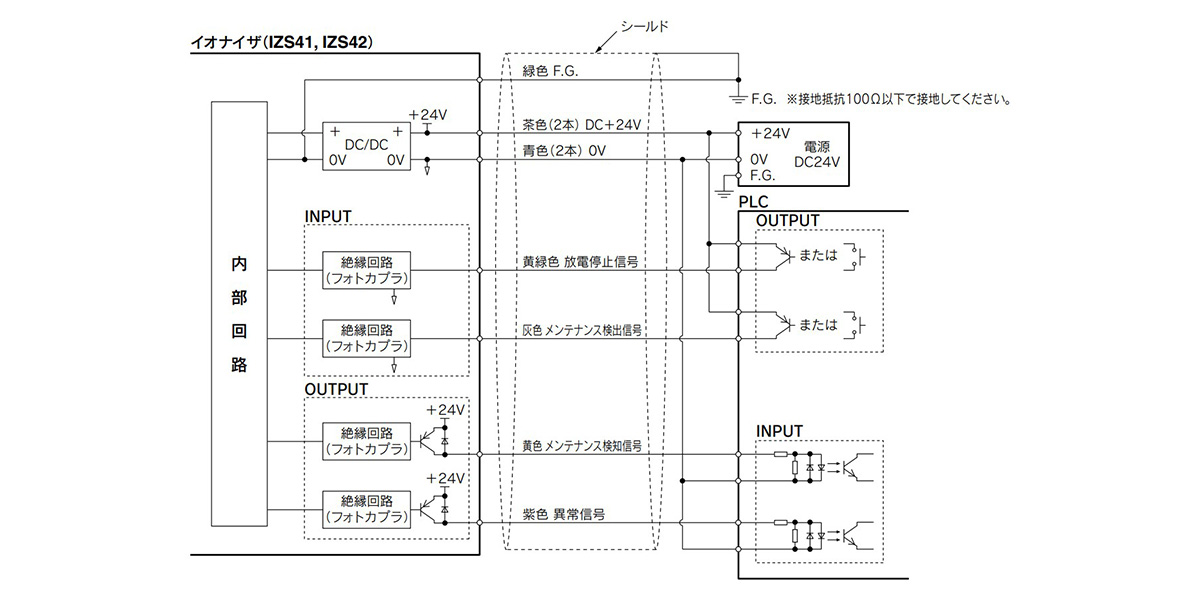
IZS41 / IZS42 อุปกรณ์สายไฟ

ภาพรายละเอียดของหมุดตัวเชื่อมต่อ IZS41 / IZS42
แผนภูมิการ อุปกรณ์สายไฟ
| หมายเลข ขาพิน | สีของ สายไฟ | ขนาดของ สายไฟ | ชื่อสัญญาณ | ทิศทางสัญญาณ | ลักษณะ |
|---|---|---|---|---|---|
| A1 | สีน้ำตาล | AWG20 AWG28 | +24 V DC | IN | เชื่อมต่อ พาวเวอร์ซัพพลาย เพื่อใช้งาน เครื่องผลิตไอออน/ เครื่องกำจัดไฟฟ้าสถิต |
| B1 | |||||
| A2 | สีน้ำเงิน | 0 V | IN | ||
| B2 | |||||
| A3 | สีเขียว | F.G. | - | ให้แน่ใจว่ามีความต้านทานต่อสายดินที่ สายดิน 100Ωหรือน้อยกว่าเพื่อใช้เป็นค่าอ้างอิง แบบใช้ไฟฟ้า ของ เครื่องผลิตไอออน/ เครื่องกำจัดไฟฟ้าสถิต หากไม่ได้ต่อลงดินจะไม่สามารถรับประสิทธิภาพได้และอุปกรณ์อาจเสียหายได้ | |
| B3 | เหลืองเขียว | ปล่อยสัญญาณหยุด | IN | สัญญาณอินพุตเพื่อเปิด / ปิดการปล่อย ประจุไฟฟ้า สเปค NPN: หยุดการคายประจุ ประจุไฟฟ้า โดยการเชื่อมต่อกับ 0 V. (เริ่มปล่อย ประจุไฟฟ้า เมื่อตัดการเชื่อมต่อ) สเปค PNP: หยุดการคายประจุ ประจุไฟฟ้า โดยเชื่อมต่อกับ +24 V DC (เริ่มการปล่อยประจุ ประจุไฟฟ้า เมื่อตัดการเชื่อมต่อ) | |
| A4 | สีเทา | สัญญาณการตรวจสอบการ งานซ่อมบำรุง | IN | สัญญาณอินพุตเมื่อพิจารณาถึงความจำเป็นใน งานซ่อมบำรุง อิเล็กโทรด | |
| B4 | สีเหลือง | สัญญาณการตรวจสอบการ งานซ่อมบำรุง | ออก (A- หน้าสัมผัส) | เปิดเมื่อ อิเล็กโทรด สกปรกและต้องทำความสะอาด | |
| A5 | สีม่วง | สัญญาณผิดพลาด | ออก (จุด หน้าสัมผัส B) | ปิดเมื่อมีความผิดปกติกับ พาวเวอร์ซัพพลาย, การปล่อย ประจุไฟฟ้า , เซนเซอร์ เชื่อมต่อหรือการทำงานของ CPU/ หน่วยประมวลผล (เปิดเมื่อไม่มีความผิดปกติ) | |
| B5 | ขาว | ไม่ได้ใช้ | - | - |
* อ้างถึงแคตตาล็อกสำหรับ สเปค เกี่ยวกับ สายไฟ
ความถี่
| สวิตช์ จำนวน คลองเลื่อย เครื่องวัดความถี่ เลือก | เครื่องวัดความถี่ เฮิร์ตซ์, การตั้งค่ารีโมท ตัวควบคุม | ||
|---|---|---|---|
| IZS40 | IZS41 | IZS42 | |
| 0 | 1 | รีโมท ตัวควบคุม * | รีโมท ตัวควบคุม * |
| 1 | 3 | 1 | 0.1 |
| 2 | 5 | 3 | 0.5 |
| 3 | 8 | 5 | 1 |
| 4 | 10 | 10 | 3 |
| 5 | 15 | 15 | 5 |
| 6 | 20 | 20 | 10 |
| 7 | 30 | 30 | 15 |
| 8 | DC+ | DC+ | 20 |
| 9 | DC- | DC- | 30 |
* คลองเลื่อย เมื่อใช้รีโมต ตัวควบคุม
วงจรการ อุปกรณ์สายไฟ IZS41 / IZS42

แผนผังวงจร อุปกรณ์สายไฟ สเปค NPN
* สายดิน มีความต้านทาน สายดิน 100Ωหรือน้อยกว่า

PNP ส เปค วงจร อุปกรณ์สายไฟ สเปค
* สายดิน มีความต้านทาน สายดิน 100Ωหรือน้อยกว่า
ข้อควรระวัง ผลิตภัณฑ์ เฉพาะ
- * ผลิตภัณฑ์ นี้มีไว้สำหรับใช้กับอุปกรณ์ จักรกลอัตโนมัติในโรงงาน (FA) ทั่วไป
หากพิจารณาการใช้ ผลิตภัณฑ์ สำหรับการใช้งานอื่น ๆ (โดยเฉพาะอย่างยิ่งที่ระบุไว้ในคำแนะนำด้านความปลอดภัย) ให้ หน้าสัมผัส SMC ล่วงหน้า - * ใช้ ผลิตภัณฑ์ นี้ภายในแรงดันและอุณหภูมิที่กำหนด
การใช้แรงดันไฟฟ้าภายนอกที่ระบุอาจทำให้เกิดความผิดปกติความเสียหาย แบบใช้ไฟฟ้า ช็อตหรือไฟไหม้ - * ใช้ อากาศอัด สะอาดเป็น ของไหล (แนะนำให้ใช้ Class คุณภาพอากาศ 2.6.3 หรือสูงกว่าตามมาตรฐาน ISO8573-1: 2001)
ห้ามใช้แก๊สไวไฟหรือแก๊สระเบิดเป็น ของไหล อาจทำให้เกิดไฟไหม้หรือระเบิดได้ ปรึกษากับ SMC เกี่ยวกับการใช้ของเหลวอื่น ๆ นอกเหนือจาก อากาศอัด - * ผลิตภัณฑ์ นี้ไม่ได้เป็นโครงสร้าง ป้องกันการระเบิด การ ระเบิด
ห้ามใช้ ผลิตภัณฑ์ นี้ในสถานที่ซึ่งอาจเกิดการระเบิดของฝุ่นหรือในบรรยากาศที่ใช้ก๊าซไวไฟหรือวัตถุระเบิด นี่อาจทำให้เกิดไฟไหม้ - * ผลิตภัณฑ์ นี้ไม่สามารถใช้ได้กับ สเปค สะอาด
ผลิตภัณฑ์ นี้ไม่ได้ถูกชะล้าง เมื่อเข้าห้องสะอาดให้ล้างออกเป็นเวลาหลายนาทีและยืนยัน เครื่องวัดระดับน้ำ ความสะอาดที่ต้องการก่อนใช้งาน มีการสร้างอนุภาคเล็ก ๆ น้อย ๆ เนื่องจากการสึกหรอของตัวส่งระหว่างการดำเนินการ ionizer - * อ้างอิงจากแคตตาล็อกสำหรับข้อมูลเพิ่มเติมเกี่ยวกับ ผลิตภัณฑ์ นี้