โช้คอัพปรับระดับได้ รุ่นเล็ก RB-LROEM / RB-OEM Series

ข้อควรระวัง
- ■ กลุ่มสินค้า SMC
หน้าเว็บสำหรับสินค้าที่ยังไม่มีหน้าเว็บแยก จะเผยแพร่ในรูปแบบเพิ่มแยกเข้าไป - โปรดศึกษารายละเอียดสเปคและขนาดในแคตาล็อก
- ภาพสินค้าเป็นเพียงภาพตัวอย่าง โปรดดูรูปสินค้าในแคตาล็อก
รายละเอียดสินค้า
โช้คอัพแบบปรับระดับได้
[คุณสมบัติ]
· สามารถปรับระดับให้เหมาะกับความเร็วการชนที่แตกต่างกันด้วยรูออริฟิสเปิดปิดภายในที่ปรับระดับได้
[การใช้งาน]
· วิทยาการโรบอท: โรบอทควบคุมแกนเดี่ยว, เครื่องบรรทุก, เครื่องขนถ่าย, เครื่องแยกส่วนประกอบ, เครื่องสวมอัตโนมัติ
· เครื่องบรรจุภัณฑ์: ชัทเทิ้ล สถานีคัดแยก เครื่องจัดการพาเลท เครื่องบรรจุถุง โต๊ะหมุน ระบบลำเลียง
· เครื่องทอผ้า: แท่งเกี่ยว ตัวหยุดจักร
· เครื่องมือกล: ฟีดดอกสว่าน เครื่องเชื่อม ฟีดแม่พิมพ์ ตัวหยุดแม่พิมพ์ฉีด โต๊ะคัดแยก
รายละเอียดจำเพาะของโช้คซับแรงกระแทกแบบปรับได้ ชนิดขนาดเล็ก ซีรีส์ RB-LROEM/RB-OEM

ลักษณะภายนอกของซีรีส์ RB-LROEM/RB-OEM
Drawing แสดงโครงร่างระบุขนาดของชนิดความเร็วต่ำ/RB-LROEM

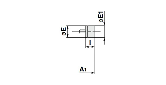
Drawing ระบุขนาดของ RB-LROEM0.1M ถึง RB-LROEM1.0MF

Drawing ระบุขนาดของ RB-LROEM0.1MB ถึง RB-LROEM1.0MFB

Drawing ระบุขนาดของ RB-LROEM1.25MX1
(หน่วย: มิลลิเมตร)
| รุ่น | ระยะเคลื่อนที่ (มม.) | A | A1 | C | D | E | E1 | F | G | H | I | J | WF | WL |
|---|---|---|---|---|---|---|---|---|---|---|---|---|---|---|
| RB-LROEM0.1M | 7 | 57 | 67 | M10 × 1.0 | 3.2 | 8 | 8.7 | 49 | 8.5 | 11 | 10.2 | 3.5 | — | — |
| RB-LROEM0.15M | 10 | 82 | 92 | M12 × 1.0 | 3.2 | 9.8 | 8.7 | 72 | 11 | 14 | 10.2 | — | 11 | 9.5 |
| RB-LROEM0.25M | 10 | 82 | 92 | M14 × 1.5 | 3.2 | 10.7 | 11.2 | 72 | 11 | 14 | 9.7 | — | 11.2 | 12.7 |
| RB-LROEM0.35M | 12 | 101 | 111 | M16 × 1.5 | 4 | 10.7 | 11.2 | 88 | 11 | 15 | 9.7 | — | 12.7 | 12.7 |
| RB-LROEM0.5M | 12 | 98 | 110 | M20 × 1.5 | 4.8 | 11.1 | 12.7 | 84 | 16 | 17 | 12 | — | 18 | 12.7 |
| RB-LROEM1.0MF | 25 | 130 | 143 | M25 × 1.5 | 6.35 | 15.8 | 16 | 104 | 22 | 14 | 13 | 4.5 | 23 | 12.7 |
| RB-LROEM1.25MX1 | 25 | 150.3 | 155.3 | M36 × 1.5 | 9.5 | 28.6 | 30.5 | 96.6 | 27.9 | 13.8 | — | 8 | 33 | 16 |
| RB-LROEM1.25MX2 | 50 | 217 | 222 | M36 × 1.5 | 9.5 | 28.6 | 30.5 | 137.9 | 27.9 | 13.8 | — | 8 | 33 | 16 |
หมายเหตุ: ขนาด A1 และ E1 ใช้เมื่อติดแค็ป
Drawing แสดงโครงร่างระบุขนาดของชนิดมาตรฐาน/RB-OEM

Drawing ระบุขนาดของ RB-OEM0.25M ถึง RB-OEM1.0MF

Drawing ระบุขนาดของ RB-OEM0.25MB ถึง RB-OEM1.0MFB

Drawing ระบุขนาดของ RB-OEM1.25M/RB-OEM1.25MB
(หน่วย: มิลลิเมตร)
| รุ่น | ระยะเคลื่อนที่ (มม.) | A | A1 | C | D | E | E1 | F | G | H | I | J | WF | WL |
|---|---|---|---|---|---|---|---|---|---|---|---|---|---|---|
| RB-OEM0.25M | 10 | 82 | 92 | M14 × 1.5 | 3.2 | 10.7 | 11.2 | 72 | 11 | 14 | 10 | — | 11.2 | 12.7 |
| RB-OEM0.5M | 12 | 98 | 110 | M20 × 1.5 | 4.8 | 11.1 | 12.7 | 84 | 16 | 17 | 12 | — | 18 | 12.7 |
| RB-OEM1.0MF | 25 | 130 | 143 | M25 × 1.5 | 6.35 | 15.8 | 16 | 104 | 22 | 14 | 13 | 4.5 | 23 | 12.7 |
| RB-OEM1.25MX1 | 25 | 150.3 | 155.3 | M36 × 1.5 | 9.5 | 28.6 | 30.5 | 96.6 | 27.9 | 13.8 | — | 8 | 33 | 16 |
| RB-OEM1.25MX2 | 50 | 217 | 222 | M36 × 1.5 | 9.5 | 28.6 | 30.5 | 137.9 | 27.9 | 13.8 | — | 8 | 33 | 16 |
หมายเหตุ: ขนาด A1 และ E1 ใช้เมื่อติดแค็ป
[หมายเหตุ]
- *ดูแคตตาล็อกสำหรับข้อมูลสินค้าอื่นๆ นอกเหนือจากข้อมูลข้างต้น
- *สินค้าในรูปเป็นเพียงภาพตัวอย่างเท่านั้น