กระบอกสูบขนาดเล็ก รุ่นมาตรฐาน ทำงานสองทาง ก้านสูบคู่ CQSW Series

ข้อควรระวัง
- โปรดดูข้อมูลสเปคผลิตภัณฑ์ในแคตาล็อก
- รูปภาพ ผลิตภัณฑ์ เป็นภาพแทนไม่รองรับข้อมูล CAD สำหรับหมายเลข รุ่น บาง รุ่น
รายละเอียดสินค้า
กระบอกสูบขนาดเล็ก รุ่นมาตรฐาน ทำงานสองทาง ก้านสูบคู่ เหมาะสำหรับการออกแบบเครื่องจักรในพื้นที่ขนาดเล็ก
[คุณสมบัติ]
·รูปทรงสี่เหลี่ยมจัตุรัสที่ให้ความยืดหยุ่นในการออกแบบเครื่องจักร
·การติดตั้งพื้นฐานแบบ 2 ทาง
·ก้าน ความแม่นยำของโครงสร้างป้องกันการหมุน สูง ไม่หมุน
กระบอกสูบขนาดเล็ก รุ่นมาตรฐาน Double Acting Double Rod CQSW series

รูปทรงกระบอกขนาดกะทัดรัดชนิดมาตรฐานแบบ Double double double CQSW series
กระบอกสูบขนาดเล็ก รุ่นมาตรฐาน Double Acting Double Rod สเปค CQSW ซีรี่ส์
สัญลักษณ์หมายเลข รุ่น

ตัวอย่างหมายเลข รุ่น
สเปคผลิตตามสั่ง (Made-to-Order"
| ไฟบอกสถานะ | สเปค/ เนื้อหา |
|---|---|
| -X235 | เปลี่ยนปลายก้านลูกสูบของ กระบอกสูบมีก้าน คู่ |
| -X271 | ซีล ยางฟลูออโร |
| -X633 | สโตรค/ระยะเคลื่อนที่ กลางของ กระบอกสูบมีก้าน คู่ |
สเปค สั่งทำ
| ไฟบอกสถานะ | สเปค/ เนื้อหา |
|---|---|
| -XA□ | การเปลี่ยน รูปทรง ปลายก้าน |
| -XB6 | กระบอกสูบ ทนความร้อน (-10 ถึง 150 ° C) โดยไม่มี สวิตช์อัตโนมัติ |
| -XB7 | กระบอกสูบ ทนต่อสภาวะอากาศเย็น (-40 ถึง 70 ° C) โดยไม่มี สวิตช์อัตโนมัติ |
| -XB9 | กระบอกสูบ ความเร็วต่ำ (10 ถึง 50 mm / s) |
| -XB10 | สโตรค/ระยะเคลื่อนที่ กลาง (ใช้ ตัวเครื่อง พิเศษ) |
| -XB13 | กระบอกสูบ ความเร็วต่ำ (5 ถึง 50 mm / s) |
| -XC6 | ก้านลูกสูบ, แหวนล็อค, น๊อตตัวเมีย ปลายทำจาก สเตนเลส |
| -XC36 | พร้อมกับบอสด้านคัน |
| -XC85 | จาระบี สำหรับอุปกรณ์แปรรูปอาหาร |
สเปค มาตรฐาน
| เส้นผ่าศูนย์กลางภายใน สายยาง (มม.) | 12 | 16 | 20 | 25 | |
|---|---|---|---|---|---|
| วิธีการใช้งาน | การแสดงคู่คันคู่ | ||||
| บังคับของเหลว | อากาศ | ||||
| การหล่อลื่น | ไม่จำเป็น (ไม่ใช่น้ำมันหล่อลื่น) | ||||
| พิสูจน์ ความดัน | 1.5 MPa | ||||
| แรงดันใช้งานสูงสุด | 1.0 MPa | ||||
| ความดัน ใช้งานขั้นต่ำ | 0.07 MPa | 0.05 MPa | |||
| ของไหล | ไม่มี สวิตช์อัตโนมัติ: -10 ° C ถึง 70 ° C (ไม่มีการแช่แข็ง) | ||||
| ด้วย สวิตช์อัตโนมัติ: -10 ° C ถึง 60 ° C (ไม่มีการแช่แข็ง) | |||||
| กันกระแทก | ไม่มี ยางกันกระแทก | ||||
| เกลียว ปลายร็อด | เกลียวใน | ||||
| ความ ความเผื่อ สโตรค/ระยะเคลื่อนที่ | +1.0 มม. * 0 | ||||
| ความเร็วลูกสูบในการทำงาน | 50 ถึง 500 mm / s | ||||
| พลังงานจลน์ที่อนุญาต J | รุ่นมาตรฐาน | 0.022 | 0.038 | 0.055 | 0.09 |
| พร้อม ยางกันกระแทก | 0.043 | 0.075 | 0.11 | 0.18 | |
- * ความ ความเผื่อ สโตรค/ระยะเคลื่อนที่ ยาวไม่รวมการเปลี่ยนแปลงของกันชน
แผนภาพโครงสร้าง

รูปทรงกระบอกขนาดกะทัดรัดชนิดมาตรฐานแบบ Double Acting Double Rod CQSW Series
ชิ้นส่วน
| จำนวน | ชื่อชิ้นส่วน | วัสดุ | บันทึก |
|---|---|---|---|
| 1 | กระบอกสูบ | อะลูมิเนียมอัลลอย | ฮาร์ดอะโนไดซ์ |
| 2 | ปลอกสวม | อะลูมิเนียมอัลลอย | โนไดซ์ |
| 3 | ลูกสูบ | อะลูมิเนียมอัลลอย | - |
| 4 | ก้านลูกสูบ A | สเตนเลส | - |
| 5 | ก้านลูกสูบ B | สเตนเลส | - |
| 6 | แหวนล็อค | เหล็กกล้าเครื่องมือคาร์บอน | เคลือบ ฟอสเฟต |
| 7 | น๊อตตัวเมีย ปลายคัน | เหล็กกล้าคาร์บอน | สังกะสี โครเมต |
| 8 | กระโปรง | ยูรีเทน | - |
| 9 | สเปเซอร์/ตัวเว้นระยะ สำหรับ สวิตช์ | อะลูมิเนียมอัลลอย | โครเมต |
| 10 | แม่เหล็ก | - | - |
| 11 | ปะเก็น ร็อด | NBR | - |
| 12 | ปะเก็น ลูกสูบ | NBR | - |
| 13 | ปะเก็น สายยาง | NBR | - |
ชิ้นส่วนอะไหล่ / ชุด ซีล
| เส้นผ่าศูนย์กลางภายใน สายยาง (มม.) | หมายเลขสั่งซื้อ | เนื้อหา |
|---|---|---|
| 12 | CQSWB12-PS | คลองเลื่อย ของ (11), (12), (13) ที่ระบุไว้ข้างต้น |
| 16 | CQSWB16-PS | |
| 20 | CQSWB20-PS | |
| 25 | CQSWB25-PS |
- * ชุด ซีล ประกอบด้วย (11), (12) และ (13) สั่งซื้อชุด ซีล ตามขนาดของ รู แต่ละขนาด
- * ชุด ซีล ไม่มี จาระบี ดังนั้นโปรดสั่งซื้อ จาระบี แยกต่างหาก
จาระบี ก้อน รหัสรุ่น/ Part number ชิ้น ส่วน: GR-S-010 (10 กรัม)
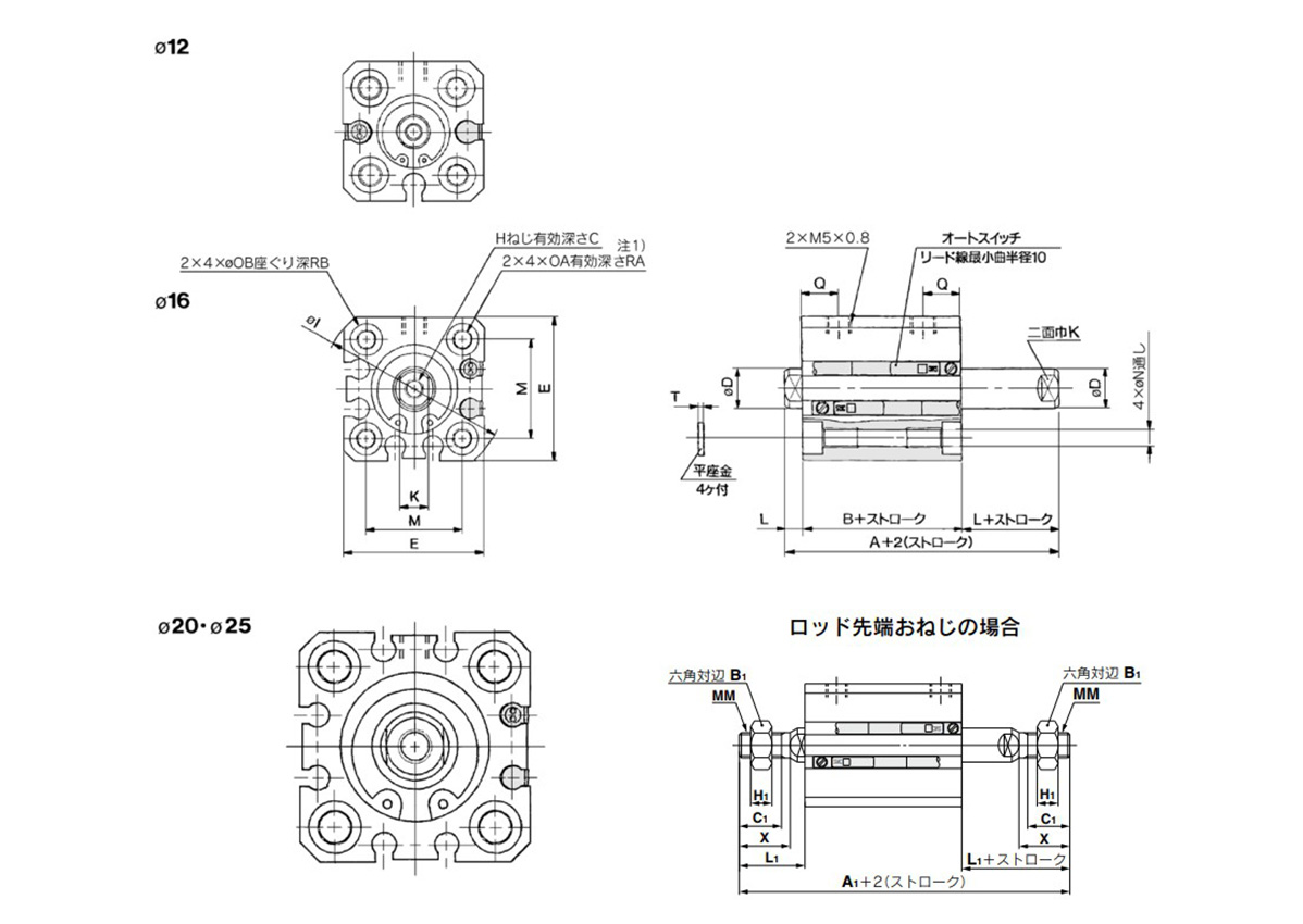
กระบอกสูบขนาดเล็ก รุ่นมาตรฐาน การแสดงสองครั้งตัวอย่างของซีรีย์ CQSW แบบแท่งคู่
(หน่วย: มิลลิเมตร)

รุ่นมาตรฐาน (รูทะลุ / ปลายทั้งสองถูก ชนิดมีรูต๊าปเกลียว ทั่วไป): CQSWB / CDQSWB การ ดรออิ้งบอกขนาด
ปลายก้าน เกลียวนอก
(หน่วย: มิลลิเมตร)
| ขนาด รู (มิลลิเมตร) | ไม่มี สวิตช์อัตโนมัติ | ด้วย สวิตช์อัตโนมัติ | B₁ | C₁ | H₁ | L₁ | MM | X |
|---|---|---|---|---|---|---|---|---|
| A₁ | A₁ | |||||||
| 12 | 50 | 55 | 8 | 9 | 4 | 14 | M5 × 0.8 | 10.5 |
| 16 | 53 | 58 | 10 | 10 | 5 | 15.5 | M6 × 1.0 | 12 |
| 20 | 63 | 73 | 13 | 12 | 5 | 18.5 | M8 × 1.25 | 14 |
| 25 | 74 | 84 | 17 | 15 | 6 | 22.5 | M10 × 1.25 | 17.5 |
รุ่นมาตรฐาน
(หน่วย: มิลลิเมตร)
| ขนาด รู (มิลลิเมตร) | ช่วง สโตรค/ระยะเคลื่อนที่ (มิลลิเมตร) | ไม่มี สวิตช์อัตโนมัติ | ด้วย สวิตช์อัตโนมัติ | C | D | E | H | I | K | L | M | N | OA | OB | Q | RA | RB | T | ||
|---|---|---|---|---|---|---|---|---|---|---|---|---|---|---|---|---|---|---|---|---|
| A | B | A | B | |||||||||||||||||
| 12 | 5 ถึง 30 | 29 | 22 | 34 | 27 | 6 | 6 | 25 | M3 × 0.5 | 32 | 5 | 3.5 | 15.5 | 3.5 | M4 × 0.7 | 6.5 | 7.5 | 7 | 4 | 0.5 |
| 16 | 5 ถึง 30 | 29 | 22 | 34 | 27 | 8 | 8 | 29 | M4 × 0.7 | 38 | 6 | 3.5 | 20 | 3.5 | M4 × 0.7 | 6.5 | 7.5 | 7 | 4 | 0.5 |
| 20 | 5 ถึง 50 | 35 | 26 | 45 | 36 | 7 | 10 | 36 | M5 × 0.8 | 47 | 8 | 4.5 | 25.5 | 5.4 | M6 × 1.0 | 9 | 8 | 10 | 7 | 1 |
| 25 | 5 ถึง 50 | 39 | 29 | 49 | 39 | 12 | 12 | 40 | M6 × 1.0 | 52 | 10 | 5 | 28 | 5.4 | M6 × 1.0 | 9 | 9 | 10 | 7 | 1 |
- * หมายเหตุ 1) สำหรับขนาดรู / สโตรกต่อไปนี้รูทะลุจะถูกทำเกลียว: รุ่นมาตรฐาน: ø20 (เส้นผ่าศูนย์กลาง 20 มม.), ø25 (เส้นผ่าศูนย์กลาง 25 มม.) 5 สโตรค/ระยะเคลื่อนที่
- * หมายเหตุ 2) ประเภทของ ยางกันกระแทก มีขนาดเท่ากับที่ระบุไว้ด้านบน
- * หมายเหตุ 3) ตำแหน่งของ ด้านทแยงมุม นั้นไม่เหมือนกันทั้งสองด้าน