เอ็นโค้ดเดอร์/วงจรเข้ารหัส แบบเพิ่มค่า หน่วยเพลากลวง [E6H-C]

ข้อควรระวัง
- เอ็นโค้ดเดอร์/วงจรเข้ารหัส แบบเพิ่มค่า หน่วยเพลากลวง [E6H-C]
รายละเอียดสินค้า
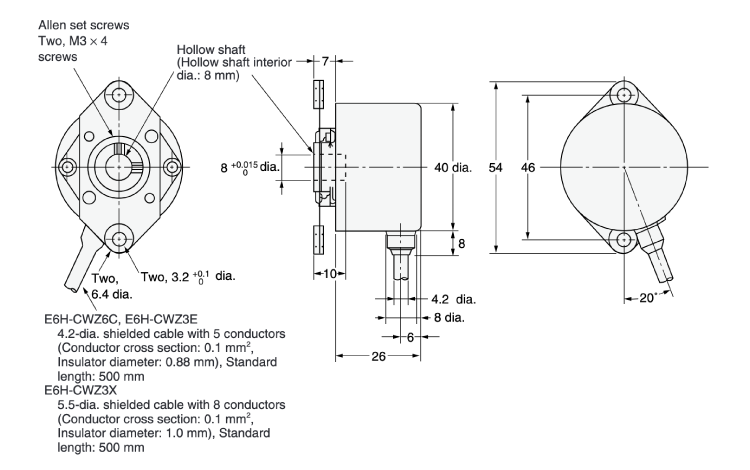
· เอ็นโค้ดเดอร์/วงจรเข้ารหัส แบบเพิ่มค่า หน่วยเพลากลวงที่มี ขนาดเส้นผ่านศูนย์กลางเพลา 40 มม. จาก Omron
・การออกแบบ: รูปทรงบาง หนาเพียง 26 มิลลิเมตร
・เหมาะสำหรับระบบอัตโนมัติในอุตสาหกรรม ระบบควบคุมการเคลื่อนไหว และการใช้งานที่ต้องการการวัดการหมุนที่แม่นยำ
・รุ่นที่มีจำหน่าย: E6H-CWZ6C (แบบ open-collector) และ E6H-CWZ3X (แบบ line-driver)
・ตัวเลือกความละเอียด: 300, 360, 500, 1000, 2000 และ 3600 พัลส์ต่อรอบ
・แหล่งจ่ายไฟ: 5-24 VDC (CWZ6C) หรือ 5-12 VDC (CWZ3X)
・ความเร็วสูงสุด: 10,000 รอบต่อนาที
· อุณหภูมิใช้งาน: -10 ถึง 70 ° C
· ระดับการป้องกัน: IP50
・มาพร้อมสายไฟยาว 0.5 เมตร
Drawing ระบุขนาดของ OMRON เอ็นโค้ดเดอร์แบบแกนหมุน
![เอ็นโค้ดเดอร์แบบแกนหมุน ประเภทอินคริเมนทอล เส้นผ่านศูนย์กลาง Φ40 ชนิดเพลารู [E6H-C] ภาพร่างโครงสร้าง](http://th.misumi-ec.com/th/linked/vitem/mech/OMR1/221006394580/img/221006394580_001_20230801115856.jpg)
ตารางข้อมูลจำเพาะของ OMRON เอ็นโค้ดเดอร์แบบแกนหมุน
การประเมิน/ประสิทธิภาพของ OMRON เอ็นโค้ดเดอร์แบบแกนหมุน
| รายการ เอ็นโค้ดเดอร์แบบแกนหมุน | หมายเลขรุ่น เอ็นโค้ดเดอร์แบบแกนหมุน | |||
|---|---|---|---|---|
| รุ่น E6H-CWZ6C | รุ่น E6H-CWZ3E | รุ่น E6H-CWZ3X | ||
| แรงดันไฟฟ้าขณะใช้งาน | DC5V-5% ถึง 24V+15% ริปเปิล (pp) ไม่เกิน 5% | DC5V-5% ถึง 12V+10% ริปเปิล (pp) ไม่เกิน 5% | ||
| การใช้กระแสไฟฟ้า*1 | 100mA หรือน้อยกว่า | 150mA หรือน้อยกว่า | ||
| ความละเอียด (จำนวนพัลส์/รอบ) | 300, 360, 500, 600, 720, 800, 1,000, 1,024, 1,200, 1,500, 1,800, 2,000, 2,048, 2,500, 3,600 | |||
| เฟสเอาต์พุต เอ็นโค้ดเดอร์แบบแกนหมุน | เฟส A, เฟส B, เฟส Z | ![]() | ||
| รูปแบบเอาต์พุต เอ็นโค้ดเดอร์แบบแกนหมุน | เอาต์พุตแบบ Open Collector | เอาต์พุตแบบแรงดันไฟฟ้า | เอาต์พุตไลน์ไดรเวอร์*4 | |
| ความจุเอาต์พุต | แรงดันไฟฟ้าที่ใช้งาน: DC35V หรือน้อยกว่า กระแสไฟจม: 35mA หรือน้อยกว่า แรงดันไฟตกค้าง: 0.7V หรือน้อยกว่า (เมื่อกระแสไฟจมคือ 35mA) | ความต้านทานเอาต์พุต: 1kΩ กระแสไฟจม: 30mA หรือน้อยกว่า แรงดันไฟตกค้าง: 0.7V หรือน้อยกว่า (ที่กระแสไฟจม 30mA) | กระแสเอาต์พุต ระดับ H: lo=-10mA, ระดับ L: ls=10mA, แรงดันไฟฟ้าเอาต์พุต Vo=2.5V, Vs=0.5V | |
| ความถี่การตอบสนองสูงสุด*2 | 100kHz | |||
| ความแตกต่างของเฟสเอาต์พุต | ความแตกต่างของเฟสระหว่างเฟส A และ B: 90°±45° (1/4T±1/8T) | |||
| เวลาเพิ่มและลดของเอาต์พุต | 1μS หรือน้อยกว่า (แรงดันไฟฟ้าควบคุม: 5V, ความต้านทานโหลด: 1kΩ, ความยาวสาย: 500มม.) | 1μs หรือน้อยกว่า (lo=-10mA, ls=10mA, ความยาวสาย: 500มม.) | ||
| แรงบิดเริ่มต้น | 1.5mN・m หรือน้อยกว่า | |||
| โมเมนต์ของความเฉื่อย | 2×10⁻⁶kg・m²หรือน้อยกว่า | |||
| ความคลาดเคลื่อนของเพลา | แนวรัศมี | 29.4N | ||
| แนวแรงผลัก | 4.9N | |||
| ความเร็วการหมุนสูงสุดที่อนุญาต | 10,000 รอบต่อนาที | |||
| ช่วงอุณหภูมิโดยรอบ | การทำงาน: -10 ถึง +70°C (ความชื้นสัมพัทธ์ 90% หรือน้อยกว่า) การจัดเก็บ: -30 ถึง +85°C (แต่ห้ามแช่แข็ง) | |||
| ช่วงความชื้นโดยรอบ | ระหว่างการทำงานและการจัดเก็บ: ความชื้นสัมพัทธ์ 95% หรือน้อยกว่า (แต่ไม่มีการควบแน่น) | |||
| ความต้านทานฉนวน | ยกเว้นเนื่องจากตัวเก็บประจุแบบต่อกราวด์ | |||
| แรงดันไฟฟ้าที่ทนได้ | ยกเว้นเนื่องจากตัวเก็บประจุแบบต่อกราวด์ | |||
| การสั่นสะเทือน (ความทนทาน) | 10 ถึง 500Hz, 100m/s²หรือความกว้างสองเท่า 1.5มม., ทิศทาง X, Y, Z, 2 ชั่วโมงในแต่ละทิศทาง | |||
| การกระแทก (ความทนทาน) | 300m/s²11ms 3 ครั้งในแต่ละทิศทาง X, Y, และ Z (ยกเว้นการกระแทกที่เพลา) | |||
| โครงสร้างป้องกัน*3 | เอ็นโค้ดเดอร์แบบแกนหมุน มาตรฐาน IEC IP50 | |||
| วิธีการเชื่อมต่อ | แบบสายเคเบิลดึงออก (ความยาวสายมาตรฐาน 500 มม.) | |||
| วัสดุ | ตัวเรือน | เหล็ก | ||
| ตัวหลัก | อะลูมิเนียม | |||
| สปริงใบ | SUS304 | |||
| น้ำหนัก (รวมบรรจุภัณฑ์) | ประมาณ 120 กรัม | |||
| อุปกรณ์เสริม | คู่มือการใช้งาน | |||
*1. เมื่อเปิดใช้งาน เอ็นโค้ดเดอร์แบบแกนหมุน จะมีกระแสไฟกระชากประมาณ 6A ไหลผ่าน (ระยะเวลา: 0.3ms)
*2. ความเร็วตอบสนองทางไฟฟ้าสูงสุดถูกกำหนดโดยความละเอียดและความถี่ตอบสนองสูงสุด
![เอ็นโค้ดเดอร์แบบแกนหมุน ประเภทอินคริเมนทอล เส้นผ่านศูนย์กลาง Φ40 ชนิดเพลารู [E6H-C] Command](http://th.misumi-ec.com/th/linked/vitem/mech/OMR1/221006394580/img/221006394580_003_20230801115856.jpg)
ดังนั้น หาก เอ็นโค้ดเดอร์แบบแกนหมุน ทำงานเกินความเร็วตอบสนองสูงสุด จะไม่สามารถติดตามได้ทางไฟฟ้า
*3. เอ็นโค้ดเดอร์แบบแกนหมุน ไม่มีการป้องกันน้ำหรือน้ำมัน
*4. เอาต์พุตไลน์ไดรเวอร์เป็นวงจรส่งข้อมูลที่สอดคล้องกับ RS-422A และสามารถส่งข้อมูลระยะไกลผ่านสายเคเบิลคู่บิด (มีวงจรในตัวเทียบเท่ากับ AM26LS31)
![เอ็นโค้ดเดอร์แบบแกนหมุน ประเภทอินคริเมนทอล เส้นผ่านศูนย์กลาง Φ40 ชนิดเพลารู [E6H-C] Command-2](http://th.misumi-ec.com/th/linked/vitem/mech/OMR1/221006394580/img/221006394580_002_20230801115856.jpg)