ยางกันกระแทก TPE (ตามแนวแกน)

ข้อควรระวัง
รายละเอียดสินค้า
ชิ้นส่วนดูดซับแรงกระแทก/ป้องกันการกระแทก ผลิตจาก TPE (เทอร์โมพลาสติกอีลาสโตเมอร์)
[คุณสมบัติ]
· ประสิทธิภาพในการดูดซับแรงกระแทกสูงกว่ายางหรือยูรีเทน 10 ถึง 20 เท่า ด้วยรูปทรงที่ออกแบบมาเพื่อดูดซับแรงกระแทกทำให้สามารถดูดซับพลังงานปริมาณมากได้
· ความทนทานสูงและอายุการใช้งานยาวนาน ทนน้ำมันและสารเคมีได้ดีเยี่ยม
· ทนต่อสภาวะอากาศและสามารถใช้งานกลางแจ้งได้ ให้ประสิทธิภาพที่คุ้มค่า
· TPGBA เป็นยางกันกระแทกที่สามารถดูดซับพลังงานได้สูง เหมาะสำหรับทุกสถานที่ที่ต้องการการดูดซับพลังงานจากการกระแทก
· TPGBA-S เป็นยางกันกระแทกที่สามารถดูดซับพลังงานระดับกลางได้
· เหมาะอย่างยิ่งสำหรับการใช้งานที่ต้องการโหลดที่ต่ำกว่า TPGBA เช่น เครื่องบรรจุภัณฑ์และเครื่องจักรอัตโนมัติ
[การใช้งาน]
· เหมาะสำหรับเครื่องจักร/อุปกรณ์อัตโนมัติ หุ่นยนต์ อุปกรณ์แรงดันน้ำมัน/อากาศ เครื่องบรรจุ/บรรจุภัณฑ์ ฯลฯ
ยางกันกระแทก TPE (ตามแนวแกน)
วัสดุบอดี้หลัก: เทอร์โมพลาสติกอีลาสโตเมอร์ที่มีพื้นฐานเป็นโพลีเอสเตอร์ (TPEE) สีดำ

ยางกันกระแทก TPE (ตามแนวแกน)

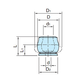
Drawing ระบุขนาด
| รหัสสินค้า | D | L | D2 | d | d1 | ระหว่างการใช้งานปกติ | ในช่วงหยุดฉุกเฉิน * หมายเหตุ: | น้ำหนัก (กรัม) | ||||
|---|---|---|---|---|---|---|---|---|---|---|---|---|
| ความจุพลังงาน (J) | โหลดที่รับได้ (N) | ความจุพลังงาน (J) | โหลดสูงสุด (N) | D1 | L1 | |||||||
| TPGBA-A | 12 | 10.9 | 10 | 3.6 | 5.8 | 2.2 | 900 | 2.8 | 1,000 | 15 | 6.1 | 2.5 |
| TPGBA-C | 17 | 15.7 | 15 | 4.3 | 8.4 | 5.8 | 1,600 | 9 | 1,775 | 21 | 9.9 | 3.6 |
| TPGBA-1 | 21 | 19.3 | 19 | 7.9 | 10.7 | 11 | 2,900 | 20 | 3,550 | 27 | 10.7 | 5 |
| TPGBA-2 | 28 | 25.7 | 25 | 14.2 | 30 | 4,900 | 45 | 5,550 | 37 | 13.7 | 10 | |
| TPGBA-3 | 33 | 30 | 30 | 16.8 | 45 | 7,125 | 85 | 8,450 | 43 | 17 | 18 | |
| TPGBA-5 | 39 | 34.8 | 34 | 10.7 | 20.3 | 80 | 8,900 | 125 | 10,225 | 50 | 18.5 | 28 |
| TPGBA-6 | 43 | 37.8 | 38 | 20.1 | 100 | 12,500 | 165 | 14,225 | 55 | 21.6 | 40 | |
*หมายเหตุ: จำนวนครั้งในการกระทบกันในระยะเวลา 24 ชั่วโมงจะน้อยกว่า 20
| รหัสสินค้า | D | L | D2 | d | d1 | ระหว่างการใช้งานปกติ | ในช่วงหยุดฉุกเฉิน * หมายเหตุ: | น้ำหนัก (กรัม) | ||||
|---|---|---|---|---|---|---|---|---|---|---|---|---|
| ความจุพลังงาน (J) | โหลดที่รับได้ (N) | ความจุพลังงาน (J) | โหลดสูงสุด (N) | D1 | L1 | |||||||
| TPGBA-098S | 14 | 14.7 | 13 | 4.6 | 8.6 | 2.0 | 550 | 2.8 | 625 | 20 | 7.4 | 1.4 |
| TPGBA-099S | 17 | 18.5 | 16 | 5.3 | 10.7 | 3.8 | 800 | |||||