แคลมป์ปีกนก ชนิดแนวตั้ง แขน รูปทรงตัว U ฐานหน้าแปลน ปลาย ปรับเลื่อนปลาย สลักเกลียว แรงขัน 2,270 N

ข้อควรระวัง
รายละเอียดสินค้า
สินค้าแบรนด์เนมจาก MISUMI-VONA เป็นไปตามความต้องการของลูกค้าและมีการคัดเลือกสินค้าอย่างพิถีพิถันจากโรงงานผลิตที่เติบโตอย่างรวดเร็วในเอเชีย เลือกสินค้าที่เหมาะสมกับสภาพแวดล้อมการใช้งานที่สุด ผู้ผลิตจากประเทศไต้หวันก่อตั้งเมื่อปี 1974 บริษัทผลิตท็อกเกิ้ลแคลมป์เป็นสินค้าหลัก นอกเหนือจากการผลิตสินค้าของบริษัทเองแล้ว ยังเป็นผู้ผลิต OEM ทั้งระดับประเทศญี่ปุ่นและระดับสากล ทั้งปัจจุบันยังขยายฐานการผลิตไปยังภูมิภาคยุโรปและอเมริกาเหนือด้วยเช่นกัน ผู้ผลิตจิ๊กชั้นนำระดับโลก
ลักษณะสินค้า

GH-12130

GH-12130-SS
Drawing บอกขนาด

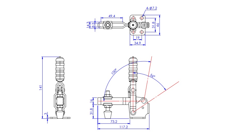
GH-12130
หน่วย: มม.

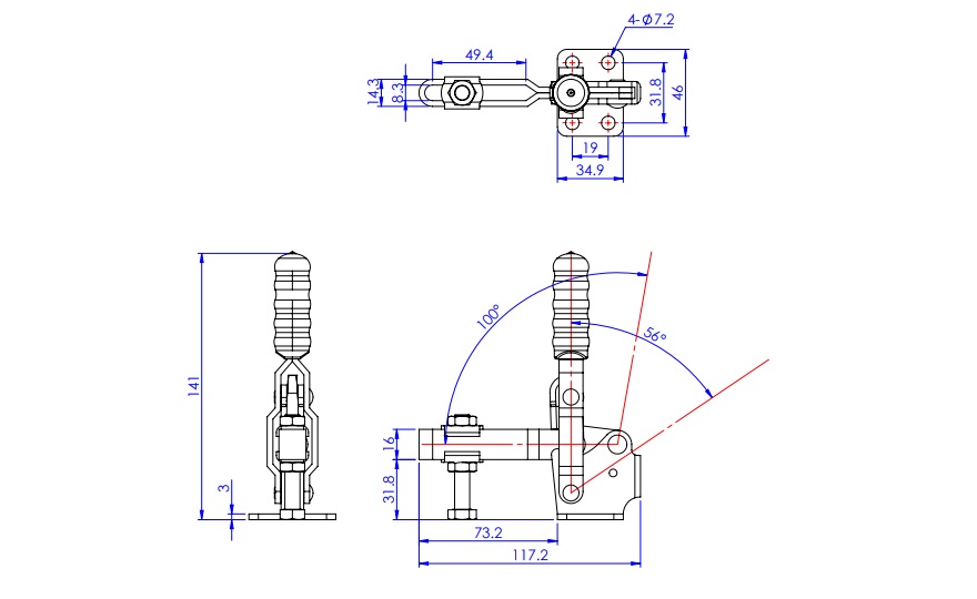
GH-12130-SS
หน่วย: มม.
สเปค
| รหัสสินค้า | ความสามารถในการคงที่ (กก.) | บาร์เปิด (°) | มือจับเปิด (°) | น้ำหนัก (กก.) | มีแกนหมุนมาให้ | แหวนรองแบบหน้าแปลน |
|---|---|---|---|---|---|---|
| GH-12130 | 227 | 100 | 56 | 0.36 | FC-086312 | FW-516 |
| GH-12130-SS | 227 | 100 | 56 | 0.35 | SA-085012-SS | FW-516-SS |