คัปปลิ้ง [E69]

ข้อควรระวัง
รายละเอียดสินค้า
[คุณสมบัติ]
· มีคัปปลิ้ง 2 ชนิด ทั้งเรซินและโลหะให้เลือกใช้งานตามการใช้งาน โปรดเลือกชนิดที่เหมาะสมตามเงื่อนไขการใช้งาน
· โดยทั่วไปขอแนะนำให้ใช้โลหะสำหรับ "ความละเอียดสูง" และเรซิ่นสำหรับ "ความละเอียดต่ำ" (ความละเอียดสูงมีความละเอียดประมาณมากกว่า 3,600 P/R.)
· นอกจากนี้ ในการใช้งานที่มีการเร่งความเร็ว/ลดความเร็วอย่างมาก หรือเมื่อใช้เอ็นโค้ดเดอร์ที่มีแรงบิดเริ่มต้นสูง เมื่อเทียบกันแล้ว การเลือกคัปปลิ้งโลหะก็ปลอดภัยกว่าแม้ว่าจะค่อนข้างมี "ความละเอียดต่ำ" ก็ตาม
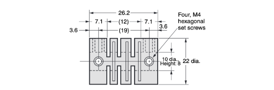
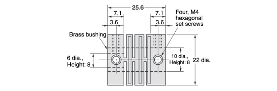
Drawing ระบุขนาดของ OMRON เอ็นโค้ดเดอร์แบบแกนหมุน
OMRON เอ็นโค้ดเดอร์แบบแกนหมุน E69-C04B
OMRON เอ็นโค้ดเดอร์แบบแกนหมุน E69-C06B


OMRON เอ็นโค้ดเดอร์แบบแกนหมุน E69-C06M
OMRON เอ็นโค้ดเดอร์แบบแกนหมุน E69-C10B


OMRON เอ็นโค้ดเดอร์แบบแกนหมุน E69-C10M
OMRON เอ็นโค้ดเดอร์แบบแกนหมุน E69-C08B


ประเภทเส้นผ่านศูนย์กลางต่างกันของ OMRON เอ็นโค้ดเดอร์แบบแกนหมุน E69-C68B
ประเภทเส้นผ่านศูนย์กลางต่างกันของ OMRON เอ็นโค้ดเดอร์แบบแกนหมุน E69-C610B


ตารางข้อมูลจำเพาะของ OMRON เอ็นโค้ดเดอร์แบบแกนหมุน
| หมายเลขรุ่น | วัสดุเอ็นโค้ดเดอร์แบบแกนหมุน | รูปแบบที่เข้ากันได้ |
|---|---|---|
| รุ่น E69-C04B | เรซินโพลิบิวทิลีนเทเรฟทาเลตเสริมแก้ว (PBT) | รุ่น E6A2-C, รุ่น E6J-A |
| รุ่น E69-C06B | เรซินโพลิบิวทิลีนเทเรฟทาเลตเสริมแก้ว (PBT) | E6B2-C, E6C2-C, E6D-C, E6CP-A |
| รุ่น E69-C06M | ซูเปอร์ดูราลูมิน | E6B2-C, E6C2-C, E6D-C, E6CP-A |
| รุ่น E69-C10B | เรซินโพลิบิวทิลีนเทเรฟทาเลตเสริมแก้ว (PBT) | รุ่น E6F-C, รุ่น E6F-A |
| รุ่น E69-C10M | ซูเปอร์ดูราลูมิน | รุ่น E6F-C, รุ่น E6F-A |
| รุ่น E69-C08B | เรซินโพลิบิวทิลีนเทเรฟทาเลตเสริมแก้ว (PBT) | รุ่น E6C3-A, รุ่น E6C3-C |
| รุ่น E69-C68B | เรซินโพลิบิวทิลีนเทเรฟทาเลตเสริมแก้ว (PBT) | E6B2-C, E6C2-C, E6C3-C, E6D-C, E6CP-A, E6C3-A |
| รุ่น E69-C610B | เรซินโพลิบิวทิลีนเทเรฟทาเลตเสริมแก้ว (PBT) | E6B2-C, E6C2-C, E6D-C, E6F-C, E6CP-A, E6F-A |