แขนคํ้าสําหรับฝา B-40

แบรนด์ :
TAKIGEN
ข้อควรระวัง
รายละเอียดสินค้า
แขนค้ำยันสำหรับฝาด้าน
[คุณสมบัติ]
· ออกแบบให้กะทัดรัด ช่วยประหยัดพื้นที่ในการติดตั้ง
· สำหรับการใช้งานด้านขวาหรือด้านซ้าย
· วัสดุ: แผ่นเหล็กรีดเย็น (SPCC)
· การจัดการผิวหน้า: ชุบโครเมียม (MFCr)
[การใช้งาน]
· ประตูบนเครื่องมือวัด อุปกรณ์สื่อสาร
ออกแบบให้กะทัดรัด ช่วยประหยัดพื้นที่

ลักษณะภายนอกของ B-40-3-L

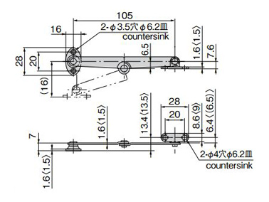
Drawing ระบุขนาดของ B-40-1-R

Drawing ระบุขนาดของ B-40-2-R

Drawing ระบุขนาดของ B-40-3-R

ตัวอย่างการใช้งาน
- *เมื่อปิดประตูให้กดเพลา (ลูกศร)

ตัวอย่างการทำงานสำหรับอ้างอิง
- *จุดพีวอท A จุดพีวอทที่บานประตูเปิด มุมที่เปิดจะต่างกันไป ขึ้นอยู่กับตำแหน่งของจุดพีวอทนี้
| หมายเลขผลิตภัณฑ์ | วัสดุ | หมายเหตุ | โหลดที่รองรับได้ N | น้ำหนักสินค้า (ก.) |
|---|---|---|---|---|
| B-40-1-L | SPCC | ประเภทซ้าย | 145 | 70 |
| B-40-1-R | แบบขวา | 70 | ||
| B-40-2-L | ประเภทซ้าย | 30 | ||
| B-40-2-R | แบบขวา | 30 | ||
| B-40-3-L | ประเภทซ้าย | 20 | ||
| B-40-3-R | แบบขวา | 20 |