ตลับลูกปืนตุ๊กตา, รุ่นสแตนเลส, ชนิด MUCPA

แบรนด์ :
ASAHI SEIKO
ข้อควรระวัง
รายละเอียดสินค้า
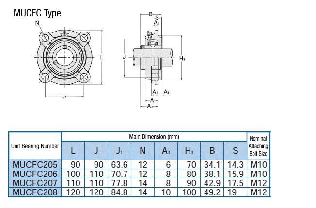
ทั้งตลับลูกปืนและกล่องตลับลูกปืนทำจากสแตนเลสชนิดทนต่อการกัดกร่อน ทำให้สินค้าเหมาะสำหรับใช้งานร่วมกับเครื่องจักรที่เสี่ยงต่อการเกิดสนิม


ทั้งตลับลูกปืนและกล่องตลับลูกปืนทำจากสแตนเลสชนิดทนต่อการกัดกร่อน ทำให้สินค้าเหมาะสำหรับใช้งานร่วมกับเครื่องจักรที่เสี่ยงต่อการเกิดสนิม

ท่านสามารถใช้บริการแชทเพื่อติดต่อสอบถามกับมิซูมิ
9:00 - 18:00 (จันทร์-เสาร์)
ท่านสามารถทิ้งข้อความไว้ได้ในช่วงนอกเวลาให้บริการ
ทางเราจะติดต่อกลับในช่วงเวลาและวันทำการถัดไป
(ยกเว้นวันอาทิตย์และวันหยุดทำการ)
การให้บริการแชทนี้สำหรับลูกค้าองค์กรและให้บริการเป็นภาษาไทย
ไม่สามารถให้บริการขอราคาและสั่งซื้อทางแชท