พร็อกซิมิตี้เซ็นเซอร์ระยะไกล [E2EM]

แบรนด์ :
OMRON
ข้อควรระวัง
รายละเอียดสินค้า
[คุณสมบัติ]
· การตรวจจับระยะไกลสูงสุด 30 มม.
· ปัญหาที่เกิดจากการชนกันของชิ้นงานจะลดลง ช่วยให้มั่นใจได้ว่าการติดตั้งจะปลอดภัยยิ่งขึ้น
·ไม่มีขั้วกระแสไฟฟ้าเพื่อให้เดินสายไฟได้ง่ายขึ้น (DC ชนิด 2 สาย)
· มีตัวป้องกันสายไฟเพื่อป้องกันสายขาดเป็นมาตรฐาน
ข้อมูลการสั่งซื้อ OMRON พร็อกซิมิตี้เซนเซอร์
รุ่นสายไฟ DC 2-Wire ของ OMRON พร็อกซิมิตี้เซนเซอร์

รุ่นสายไฟ DC 3-Wire ของ OMRON พร็อกซิมิตี้เซนเซอร์

รุ่นคอนเนคเตอร์ M12 DC 3-Wire ของ OMRON พร็อกซิมิตี้เซนเซอร์

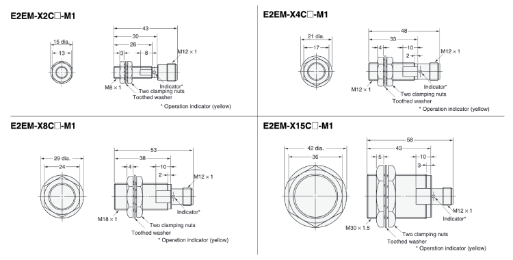
ภาพวาดขนาดของ OMRON พร็อกซิมิตี้เซนเซอร์
รุ่นสายไฟ (ชนิดมีโล่) ของ OMRON พร็อกซิมิตี้เซนเซอร์


รุ่นสายไฟ (ชนิดไม่มีโล่) ของ OMRON พร็อกซิมิตี้เซนเซอร์


รุ่นคอนเนคเตอร์ (ชนิดมีโล่) ของ OMRON พร็อกซิมิตี้เซนเซอร์

