พร็อกซิมิตี้เซ็นเซอร์สำหรับอุณหภูมิสูงและกระบวนการทำความสะอาด [E2EH]

แบรนด์ :
OMRON
ข้อควรระวัง
รายละเอียดสินค้า
พร็อกซิมิตี้เซ็นเซอร์ที่เหมาะสำหรับอุตสาหกรรมอาหารและเครื่องดื่ม
[คุณสมบัติ]
· บอดี้ SUS316L, IP69K สำหรับใช้ในสภาพแวดล้อมการทำงานที่มีอุณหภูมิสูง ทนต่อน้ำยาทำความสะอาด
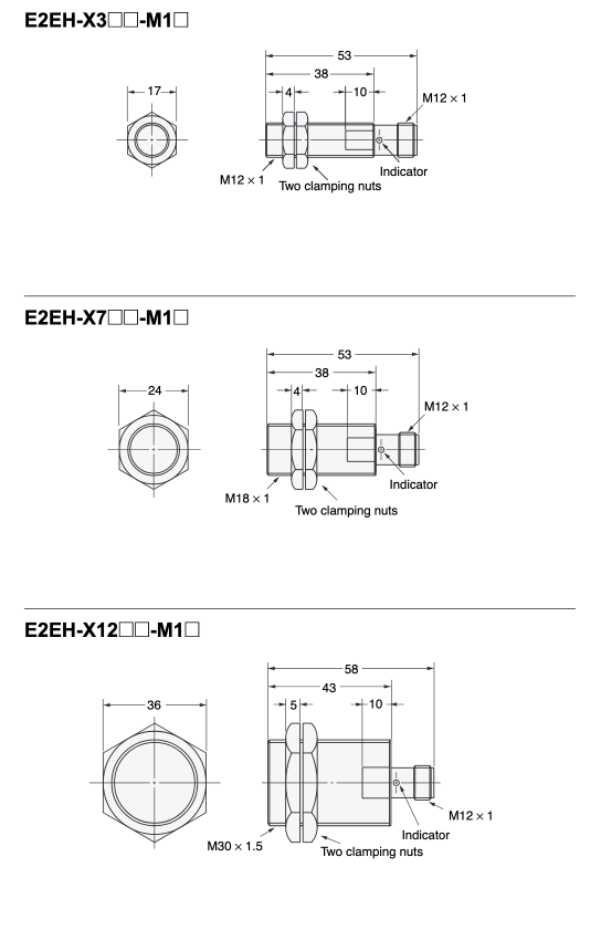
Drawing ระบุขนาดของ OMRON พร็อกซิมิตี้เซนเซอร์
OMRON พร็อกซิมิตี้เซนเซอร์ ชนิดสายดึงออก (ชนิดมีการป้องกัน)
OMRON พร็อกซิมิตี้เซนเซอร์ ชนิดเชื่อมต่อ (ชนิดมีการป้องกัน)


ตารางข้อมูลจำเพาะของ OMRON พร็อกซิมิตี้เซนเซอร์
ข้อมูลจำเพาะ/ประสิทธิภาพของ OMRON พร็อกซิมิตี้เซนเซอร์
พร็อกซิมิตี้เซนเซอร์ชนิด DC 2 สาย (E2EH-X□D□)
| รายการ พร็อกซิมิตี้เซนเซอร์ | รูปแบบพร็อกซิมิตี้เซนเซอร์ | |||
|---|---|---|---|---|
| รุ่น E2EH-X3D□ | รุ่น E2EH-X7D□ | รุ่น E2EH-X12D□ | ||
| ขนาดพร็อกซิมิตี้เซนเซอร์ | เอ็ม12 | เอ็ม18 | เอ็ม30 | |
| โล่ | โล่ | |||
| ระยะการตรวจจับ | 3มม. | 7มม. | 12มม. | |
| ตั้งค่าระยะทาง *1 | 0–2.4 มม. | 0 ถึง 5.6 มม. | 0–9.6 มม. | |
| ฮิสเทอรีซิส | ระยะตรวจจับไม่เกิน 15% | |||
| วัตถุที่สามารถตรวจจับได้ | โลหะแม่เหล็ก (ระยะตรวจจับจะลดลงสำหรับโลหะที่ไม่ใช่แม่เหล็ก ดู "ข้อมูลลักษณะเฉพาะ" ที่หน้า 6 ของแคตตาล็อกดิจิทัล) | |||
| วัตถุตรวจจับมาตรฐาน | เหล็ก 12 x 12 x 1 มม. | เหล็ก 21 x 21 x 1 มม. | เหล็ก 36 x 36 x 1 มม. | |
| ความถี่ในการตอบสนอง *2 | 500เฮิรตซ์ | 300เฮิรตซ์ | 100เฮิรตซ์ | |
| แรงดันไฟฟ้าแหล่งจ่ายไฟ (ช่วงแรงดันไฟฟ้าที่ใช้งาน) | ริปเปิล DC12-24V (pp) 10% หรือต่ำกว่า (DC10-32V แต่สูงสุด 24V เมื่อเกิน 100°C) | |||
| กระแสไฟรั่ว | 0.8mA หรือน้อยกว่า | |||
| เซ็นเซอร์ตรวจจับระยะใกล้ควบคุมเอาท์พุต | ความสามารถในการเปิดและปิด | 3 ถึง 100mA อย่างไรก็ตาม ที่อุณหภูมิ +100 ถึง +110°C จะอยู่ที่ 3 ถึง 50mA | ||
| แรงดันตกค้าง*3 | ประเภทขั้ว: 3 V หรือต่ำกว่า, ประเภทไม่มีขั้ว (E2EH-X□D□-T) 5 V หรือต่ำกว่า*3 (กระแสโหลด 100 mA, ความยาวสายไฟ 2 ม.) | |||
| ไฟแสดงสถานะ | ประเภท D1: ไฟแสดงการทำงาน (สีแดง), ไฟแสดงการตั้งค่า (สีเหลือง), ประเภท D2: ไฟแสดงการทำงาน (สีเหลือง) | |||
| โหมดการทำงานของเซ็นเซอร์ตรวจจับระยะใกล้ (เมื่อตรวจจับวัตถุที่กำลังเข้าใกล้) | ประเภท D1: NO, ประเภท D2: NC สำหรับรายละเอียด โปรดดูแผนภูมิเวลาของ "แผนผังวงจรขั้นตอนอินพุต/เอาต์พุต" → หน้า 7 ของแค็ตตาล็อกดิจิทัล | |||
| วงจรป้องกัน | การดูดซับไฟกระชาก การป้องกันไฟฟ้าลัดวงจร | |||
| ช่วงอุณหภูมิแวดล้อม | การทำงาน: 0 ถึง +100°C (0 ถึง +110°C เป็นเวลา 1,000 ชั่วโมง) *4 การจัดเก็บ: -25 ถึง +70°C (ไม่เกิดการแข็งตัวหรือการควบแน่น) | |||
| ช่วงความชื้นโดยรอบ | ระหว่างการทำงานและการจัดเก็บ: ความชื้นสัมพัทธ์ 35 ถึง 95% (แต่ไม่มีการควบแน่น) | |||
| ผลกระทบของอุณหภูมิ | การเปลี่ยนแปลงระยะการตรวจจับในช่วงอุณหภูมิ 0 ถึง +70°C อยู่ภายใน ±10% ที่ 23°C การเปลี่ยนแปลงระยะการตรวจจับในช่วงอุณหภูมิ +70 ถึง +100°C อยู่ภายใน ±15% ที่ 23°C การเปลี่ยนแปลงระยะการตรวจจับในช่วงอุณหภูมิ +100 ถึง +110°C อยู่ภายใน -15% ถึง +20% ที่ 23°C | |||
| ผลกระทบจากแรงดันไฟฟ้า | ภายใน ±10% ของระยะตรวจจับ เมื่อแรงดันไฟฟ้าของแหล่งจ่ายไฟที่กำหนดอยู่ภายใน ±15% ของแรงดันไฟฟ้าของแหล่งจ่ายไฟที่กำหนด | |||
| ความต้านทานฉนวน | 50MΩ หรือมากกว่า (ที่ DC500V เมกะวัตต์) ระหว่างชิ้นส่วนที่มีไฟฟ้าทั้งหมดและตัวเครื่อง | |||
| ทนแรงดันไฟฟ้า | AC1,000V 50/60Hz 1 นาที ระหว่างชิ้นส่วนที่มีไฟฟ้าและตัวเครื่อง | |||
| การสั่นสะเทือน (ความทนทาน) | 10 ถึง 55Hz, แอมพลิจูดสองเท่า 1.5 มม., 2 ชม. ต่อตัวในทิศทาง X, Y และ Z | |||
| แรงกระแทก (ความทนทาน) | 1,000 ม./วินาที2 ครั้ง 10 ครั้งในทิศทาง X, Y และ Z | |||
| โครงสร้างป้องกัน | มาตรฐาน IEC IP67, มาตรฐาน DIN40050-9 IP69K *5 | |||
| วิธีการเชื่อมต่อเซนเซอร์ระยะใกล้ | ประเภทเดินสายล่วงหน้า (ความยาวสายมาตรฐาน 2 ม.) ประเภทขั้วต่อ | |||
| น้ำหนัก (รวมบรรจุภัณฑ์) | ช่องเสียบสายไฟ | ประมาณ 80กรัม | น้ำหนักประมาณ 145 กรัม | ประมาณ 220กรัม |
| ตัวเชื่อมต่อ | ประมาณ 30กรัม | น้ำหนักประมาณ 55 กรัม | ประมาณ 125กรัม | |
| วัสดุของเซนเซอร์ตรวจจับระยะใกล้ | เคส น็อตขัน | สแตนเลส (SUS316L) | ||
| พื้นผิวการตรวจจับ | พีบีที | |||
| รหัส | Heat-resistant PVC (with pull-out cord) | |||
| accessories | operating instructions | |||
ตารางข้อมูลจำเพาะของ OMRON พร็อกซิมิตี้เซนเซอร์
ข้อมูลจำเพาะ/ประสิทธิภาพของ OMRON พร็อกซิมิตี้เซนเซอร์
พร็อกซิมิตี้เซนเซอร์ชนิด DC 3 สาย (E2EH-X□C□/B□)
| รายการ พร็อกซิมิตี้เซนเซอร์ | รูปแบบพร็อกซิมิตี้เซนเซอร์ | |||
|---|---|---|---|---|
| รุ่น E2EH-X3C□/B□ | รุ่น E2EH-X7C□/B□ | รุ่น E2EH-X12C□/B□ | ||
| ขนาดพร็อกซิมิตี้เซนเซอร์ | เอ็ม12 | เอ็ม18 | เอ็ม30 | |
| โล่ | โล่ | |||
| ระยะการตรวจจับ | 3มม.±10% | 7มม.±10% | 12มม.±10% | |
| ตั้งค่าระยะทาง | 0 ถึง 2.4 มม. | 0 ถึง 5.6 มม. | 0 ถึง 9.6 มม. | |
| ฮิสเทอรีซิส | ระยะตรวจจับไม่เกิน 15% | |||
| วัตถุที่สามารถตรวจจับได้ | โลหะแม่เหล็ก (ระยะตรวจจับจะลดลงสำหรับโลหะที่ไม่ใช่แม่เหล็ก ดู "ข้อมูลลักษณะเฉพาะ" ที่หน้า 6 ของแคตตาล็อกดิจิทัล) | |||
| วัตถุตรวจจับมาตรฐาน | เหล็ก 12 x 12 x 1 มม. | เหล็ก 21 x 21 x 1 มม. | เหล็ก 36 x 36 x 1 มม. | |
| ความถี่ในการตอบสนอง *1 | 500เฮิรตซ์ | 300เฮิรตซ์ | 100เฮิรตซ์ | |
| แรงดันไฟฟ้าแหล่งจ่ายไฟ (ช่วงแรงดันไฟฟ้าที่ใช้งาน) | ริปเปิล DC12-24V (pp) 10% หรือต่ำกว่า (DC10-32V แต่สูงสุด 24V เมื่อเกิน 100°C) | |||
| การบริโภคปัจจุบัน | 10mA หรือน้อยกว่า | |||
| การควบคุมเอาท์พุต | ความสามารถในการเปิดและปิด | สูงสุด 100mA แต่ที่อุณหภูมิ +100 ถึง +120°C สูงสุด 50mA | ||
| แรงดันตกค้าง | 2V หรือต่ำกว่า (กระแสโหลด 100mA, ความยาวสายไฟ 2 ม.) | |||
| ไฟแสดงสถานะ | ไฟแสดงการทำงาน (สีเหลือง) | |||
| โหมดการทำงานของเซ็นเซอร์ตรวจจับระยะใกล้ (เมื่อตรวจจับวัตถุที่กำลังเข้าใกล้) | ประเภท C1: NO, ประเภท C2: NC, ประเภท B1: NO, ประเภท B2: NC สำหรับ รายละเอียด โปรดดูแผนภูมิเวลาของ "แผนผังวงจรสเตจอินพุต/เอาต์พุต" → หน้า 7 ของแคตตาล็อกดิจิทัล | |||
| วงจรป้องกัน | การป้องกันขั้วกลับของแหล่งจ่ายไฟ การดูดซับไฟกระชาก การป้องกันไฟฟ้าลัดวงจรของโหลด การป้องกันขั้วกลับของเอาต์พุต | |||
| ช่วงอุณหภูมิแวดล้อม | การทำงาน: 0 ถึง +100°C (0 ถึง +120°C เป็นเวลา 1,000 ชั่วโมง) *2 การจัดเก็บ: -25 ถึง +70°C (ไม่เกิดการแข็งตัวหรือการควบแน่น) | |||
| ช่วงความชื้นโดยรอบ | ระหว่างการทำงานและการจัดเก็บ: ความชื้นสัมพัทธ์ 35 ถึง 95% (แต่ไม่มีการควบแน่น) | |||
| ผลกระทบของอุณหภูมิ | การเปลี่ยนแปลงระยะการตรวจจับในช่วงอุณหภูมิ 0 ถึง +70°C อยู่ภายใน ±10% ที่ 23°C การเปลี่ยนแปลงระยะการตรวจจับในช่วงอุณหภูมิ +70 ถึง +100°C อยู่ภายใน ±15% ที่ 23°C การเปลี่ยนแปลงระยะการตรวจจับในช่วงอุณหภูมิ +100 ถึง +120°C อยู่ภายใน -15% ถึง +20% ที่ 23°C | |||
| ผลกระทบจากแรงดันไฟฟ้า | ภายใน ±10% ของระยะตรวจจับ เมื่อแรงดันไฟฟ้าของแหล่งจ่ายไฟที่กำหนดอยู่ภายใน ±15% ของแรงดันไฟฟ้าของแหล่งจ่ายไฟที่กำหนด | |||
| ความต้านทานฉนวน | 50MΩ หรือมากกว่า (ที่ DC500V เมกะวัตต์) ระหว่างชิ้นส่วนที่มีไฟฟ้าทั้งหมดและตัวเครื่อง | |||
| ทนแรงดันไฟฟ้า | AC1,000V 50/60Hz 1 นาที ระหว่างชิ้นส่วนที่มีไฟฟ้าและตัวเครื่อง | |||
| การสั่นสะเทือน (ความทนทาน) | 10 ถึง 55Hz, แอมพลิจูดสองเท่า 1.5 มม., 2 ชม. ต่อตัวในทิศทาง X, Y และ Z | |||
| แรงกระแทก (ความทนทาน) | 1,000 ม./วินาที2 ครั้ง 10 ครั้งในทิศทาง X, Y และ Z | |||
| โครงสร้างป้องกัน | มาตรฐาน IEC IP67, มาตรฐาน DIN40050-9 IP69K | |||
| วิธีการเชื่อมต่อเซนเซอร์ระยะใกล้ | ประเภทเดินสายล่วงหน้า (ความยาวสายมาตรฐาน 2 ม.) ประเภทขั้วต่อ | |||
| น้ำหนัก (รวมบรรจุภัณฑ์) | ช่องเสียบสายไฟ | ประมาณ 80กรัม | น้ำหนักประมาณ 145 กรัม | ประมาณ 220กรัม |
| ตัวเชื่อมต่อ | ประมาณ 30กรัม | น้ำหนักประมาณ 55 กรัม | ประมาณ 125กรัม | |
| วัสดุของเซนเซอร์ตรวจจับระยะใกล้ | เคส น็อตขัน | สแตนเลส (SUS316L) | ||
| พื้นผิวการตรวจจับ | พีบีที | |||
| รหัส | PVC ทนความร้อน (มีเชือกดึง) | |||
| เครื่องประดับ | คำแนะนำการใช้งาน | |||
*1. ความถี่ตอบสนองเป็นค่าเฉลี่ย เงื่อนไขการวัด: ใช้วัตถุมาตรฐาน ระยะตั้งค่าเป็น 1/2 ของระยะตรวจจับ
*2. การใช้งานได้รับการยืนยันแล้ว 1,000 ชั่วโมงที่อุณหภูมิ 120°C