พร็อกซิมิตี้เซ็นเซอร์แม่เหล็ก [GLS]

แบรนด์ :
OMRON
ข้อควรระวัง
รายละเอียดสินค้า
[คุณสมบัติ]
· พร็อกซิมิตี้เซนเซอร์แม่เหล็กที่ง่ายต่อการใช้งาน
· พร็อกซิมิตี้เซนเซอร์สำหรับใช้งานสวิตช์แม่เหล็กด้วยแม่เหล็ก ถาวร
· เหมาะสำหรับใช้ตรวจจับการเปิดและปิดประตู
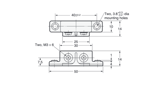
Drawing ระบุขนาดของ OMRON พร็อกซิมิตี้เซนเซอร์
OMRON พร็อกซิมิตี้เซนเซอร์ (แบบกล่องขั้วต่อ)
OMRON พร็อกซิมิตี้เซนเซอร์ (แบบสายดึงออก)


OMRON พร็อกซิมิตี้เซนเซอร์ ส่วนแม่เหล็ก

ตารางข้อมูลจำเพาะของ OMRON พร็อกซิมิตี้เซนเซอร์
ชนิดของพร็อกซิมิตี้เซนเซอร์
พร็อกซิมิตี้เซนเซอร์แบบกล่องขั้วต่อ (Proximity Sensors)
พร็อกซิมิตี้เซนเซอร์แบบสายดึงออก (Proximity Sensors)
| หมายเลขรุ่นพร็อกซิมิตี้เซนเซอร์ | ชนิด |
|---|---|
| รุ่น GLS-1 | รูปแบบเซ็ต |
| รุ่น GLS-S1 | พร็อกซิมิตี้เซนเซอร์ |
| รุ่น GLS-M1 | ส่วนแม่เหล็ก |
| หมายเลขรุ่นพร็อกซิมิตี้เซนเซอร์ | ชนิด | ความยาวสาย |
|---|---|---|
| รุ่น GLS-1L | รูปแบบเซ็ต | 1 เมตร |
| รุ่น GLS-S1-L | พร็อกซิมิตี้เซนเซอร์ |
หมายเหตุ: สำหรับรุ่นที่มีสายดึงออก หน่วยแม่เหล็กไม่สามารถสั่งซื้อแยกได้
สเปกของหน่วยแม่เหล็กแตกต่างกันระหว่างรุ่นที่มีสายดึงออกและรุ่นกล่องขั้วต่อ
สเปกของหน่วยแม่เหล็กแตกต่างกันระหว่างรุ่นที่มีสายดึงออกและรุ่นกล่องขั้วต่อ
ข้อมูลจำเพาะ/ประสิทธิภาพของ OMRON พร็อกซิมิตี้เซนเซอร์
| รายการพร็อกซิมิตี้เซนเซอร์ | รูปแบบพร็อกซิมิตี้เซนเซอร์ | ||
|---|---|---|---|
| รุ่น GLS-1 | รุ่น GLS-1L | ||
| ระยะการตรวจจับ | 15 มม. *1 | ||
| วงจรสัมผัส | 1a | ||
| ความจุการสัมผัส*2 | แรงดันไฟฟ้าสูงสุด: DC100V กระแสไฟฟ้าสูงสุด: DC0.1A ความจุสัมผัสสูงสุด: 10W (รวมถึงการเปิดและปิด) | ||
| แรงดันทนต่อการสัมผัส | DC250V 1 นาที กระแสรั่วไหลไม่เกิน 1mA | ||
| ความถี่การตอบสนอง | 20Hz หรือน้อยกว่า | ||
| ช่วงอุณหภูมิที่ใช้งาน | ระหว่างการใช้งานและการเก็บรักษา: -20 ถึง +60°C (แต่ต้องไม่เป็นน้ำแข็งหรือเกิดการควบแน่น) | ||
| ช่วงความชื้นที่ใช้งาน | ระหว่างการใช้งานและการเก็บรักษา: 35 ถึง 85% RH (แต่ต้องไม่มีการควบแน่น) | ||
| ความต้านทานการสัมผัส | 150mΩ หรือน้อยกว่า | 250mΩ หรือน้อยกว่า (รวมความต้านทานตัวนำสายไฟ) | |
| แรงดันไฟฟ้าทนต่อการสัมผัส | AC1,000V 1 นาที ระหว่างขั้วแต่ละขั้วและตัวเรือน | ||
| อายุการใช้งาน | มากกว่า 50 ล้านครั้ง (DC24V 0.1A ภาระต้านทาน) | ||
| การสั่นสะเทือน (ความทนทาน) | 10 ถึง 55Hz แอมพลิจูดสองเท่า 1.5 มม. 2 ชั่วโมงในแต่ละทิศทาง X, Y และ Z | ||
| แรงกระแทก (ความทนทาน) | 300m/s2 3 ครั้งในแต่ละทิศทาง X, Y และ Z | ||
| โครงสร้างป้องกัน | มาตรฐาน IEC IP40 | ||
| วิธีการเชื่อมต่อ | ชนิดกล่องขั้วต่อ | ชนิดสายดึงออก (ความยาวสายมาตรฐาน 1 ม.) | |
| วัสดุพร็อกซิมิตี้เซนเซอร์ | พร็อกซิมิตี้เซนเซอร์ | ABS | |
| ส่วนแม่เหล็กพร็อกซิมิตี้เซนเซอร์ | |||
*1.โปรดทราบว่าระยะการตรวจจับจริงคือ 15 มม. ขึ้นไป
*2.พร็อกซิมิตี้เซนเซอร์ไม่สามารถใช้กับไฟฟ้ากระแสสลับได้