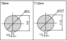
รูติดตั้งสวิตช์โยก รูเจาะขนาด ø6, ø12

แบรนด์ :
MISUMI
ข้อควรระวัง
รายละเอียดสินค้า
มีตัวหลัก สวิตช์โยก และ ฝาปิด กันน้ำ ให้เลือก เส้นผ่านศูนย์กลาง รูติดตั้ง คือ ⌀6 หรือ·12
สเปค

1 แพ็ค 5 ชิ้น
| หมายเลขรุ่น | การติดตั้ง Ø รู | ฟังก์ชั่นการทำงาน (สลับกัน) | วงจรไฟฟ้า | การใช้งานและการทำงานของเครื่อง | มาตรฐานที่ได้มา | เทอร์มินอล | สเปค กลุ่ม | ||||||
| ก้านโยกตำแหน่งด้านซ้าย | ก้านโยกตำแหน่งกลาง | ก้านโยกตำแหน่งด้านขวา | UL | CSA | TUV | CE | CCC | ||||||
| T611-5P | ⌀6 | ON - OFF | ขั้ว เดี่ยวโยนเดี่ยว | ON 2 - 3 | — | - OFF | — | — | — | — | — | ตะกั่วบัดกรี | A |
| T612-5P | ON - ON | ขั้ว เดี่ยวโยนคู่ | 1 - 2 ON | — | — | — | — | — | |||||
| T613-5P | ON - OFF - ON | OFF | 1 - 2 ON | — | — | — | — | — | |||||
| T621-5P | ON - OFF | 2 Pole 1 Throw | ON 2-3 5-6 | — | - OFF | — | — | — | — | — | |||
| T622-5P | ON - ON | 2 Pole 2 Throw | 1 - 2 4 - 5 ON | — | — | — | — | — | |||||
| T623-5P | ON - OFF - ON | OFF | — | — | — | — | — | ||||||
| T1211-5P | ⌀12 | ON - OFF | ขั้ว เดี่ยวโยนเดี่ยว | ON 1-3 | — | - OFF | — | — | — | — | — | B | |
| T1212-5P | ON - ON | ขั้ว เดี่ยวโยนคู่ | ON 2 - 3 | 1 - 2 ON | — | — | — | — | — | ||||
| T1213-5P | ON - OFF - ON | OFF | — | — | — | — | — | ||||||
| T1221-5P | ON - OFF | 2 Pole 1 Throw | ON 1-3 4-6 | — | - OFF | — | — | — | — | — | C | ||
| T1222-5P | ON - ON | 2 Pole 2 Throw | ON 2-3 5-6 | 1 - 2 4 - 5 ON | — | — | — | — | — | D | |||
| T1223-5P | ON - OFF - ON | OFF | — | — | — | — | — | ||||||
| หมายเลขรุ่น | ร่างสินค้า | รุ่นที่รองรับการใช้งาน | โครงสร้างในการป้องกัน | มาตรฐานที่ได้มา | น้ำหนัก g | ||||
| UL | CSA | TUV | CE | CCC | |||||
| T6WC-5P | ฝาปิดกันน้ำสำหรับสวิตช์โยก M6 | T6** | หมายเหตุ 1 | — | — | — | — | — | 0.75 |
| T12WC-5P | ฝาปิดกันน้ำสำหรับสวิตช์โยก M12 | T12** | IP65 | — | — | — | — | — | 2.85 |
| หมายเหตุ 1 การติดตั้งจะป้องกันไม่ให้น้ำเข้าไปภายในตัวเครื่องสวิตช์ และพื้นผิวด้านหลังของแผงจากพื้นผิวด้านหน้าของแผง สามารถใช้สำหรับฝุ่นสะสมและจาระบีที่พบในชิ้นส่วนที่เคลื่อนย้ายได้ของพื้นผิว แผง | |||||||||
ข้อมูลทางเทคนิค
\n\n
\n\n\n\n\n
\nเค้าโครงสวิตช์/ไดอะแกรมแสดงการจัดเรียงขั้วต่อของท็อกเกิ้ลสวิตช์
\n\n\n\n\n\n
\nแผนภาพการขึ้นรูปรูของแผง

\n
\nหมายเลขชิ้นส่วนของผู้ผลิต/หมายเลขมาตรฐานสากล ตารางความสอดคล้อง
\n