ตลับลูกปืนเม็ดกลม หน้าสัมผัส เชิงมุมแถวเดี่ยวรวมกันสากล

ข้อควรระวัง
- ดาวน์โหลดฟรี! >> แค็ตตาลอกซีรีส์ Economy (TH-EN-FY25) คลิกที่นี่
รายละเอียดสินค้า
ตลับลูกปืนเม็ดกลมสัมผัสเชิงมุม เป็นสินค้าราคาประหยัด มีราคาถูกกว่าสินค้ามาตรฐานของ MISUMI มีหลายขนาดให้เลือกใช้งาน
[คุณสมบัติ]
● ชนิดของตลับลูกปืน : ตลับลูกปืนเม็ดกลมสัมผัสเชิงมุม แถวเดียว
● ขนาดเส้นผ่านศูนย์กลางรูใน เล็กสุด/ใหญ่สุด (mm.) : 10 และ 100
● เส้นผ่านศูนย์กลางภายนอก เล็กสุด/ใหญ่สุด (mm.) : 26 และ 180
● ความแม่นยำ (JIS) : คลาส 4
● มุมสัมผัส : 25
● วัสดุ : GCr15 (วัสดุเทียบเท่า SUJ2)
[การประยุกต์ใช้งาน]
ตลับลูกปืนเม็ดกลมสัมผัสเชิงมุม มีการใช้งานอย่างแพร่หลาย เช่น ในระบบเครื่องจักรอัตโนมัติในอุตสาหกรรมต่างๆ
คุณสมบัติ
โหลด ตามแนวแกน ในทั้งสองทิศทางพร้อมกัน
การรวมกันแบบขนาน (การรวมกันแบบ DT) สามารถ อุปกรณ์รองรับท่อ ภาระ ตลับลูกปืนเรเดียล และภาระ ตามแนวแกน ในทิศทางเดียวในเวลาเดียวกันได้
เหมาะเมื่อ โหลดไฟฟ้า ตามแนวแกน ในทิศทางเดียวมีขนาดใหญ่
· เหมาะสำหรับการใช้งานที่ต้องการ ความแม่นยำ สูงและการหมุนด้วยความเร็วสูง เช่น แกนหมุน เครื่องมือแปรรูปชิ้นงาน และ แกนหมุน งานลับคม/งานเจียรไน
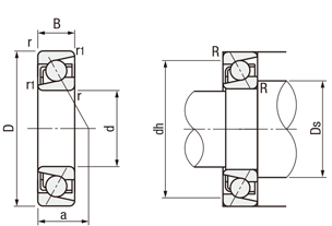
ดรออิ้ง/ภาพร่างแบบ
อี-บี72□□เอสยู

(แผนผังการติดตั้ง)
[ M ] วัสดุ: เทียบเท่า SUJ2
ความแม่นยำ ตลับลูกปืน/รองลื่น: JIS B 1514 Class 4
มุม หน้าสัมผัส: 25°

[ ! ] ขายเป็นชิ้นๆ.
[ ! ] เมื่อใช้การรวมหลายแถว
ขอแนะนำให้จับคู่กับขนาดภายในและภายนอก
วงแหวนนอก เส้นผ่านศูนย์กลางภายนอก/O.D. คู่ การเปลี่ยนแปลง
แหวน ด้านใน
การเปลี่ยนแปลงคู่เส้นผ่านศูนย์กลาง
ใน เคส ที่มีการจัดทำชุดการจับคู่แบบสุ่ม
ขอแนะนำให้สังเกตการเปลี่ยนแปลงเส้นผ่านศูนย์กลางร่วมกัน
สเปค
| ตัวอย่างการสั่งซื้อ | รหัสรุ่น/ Part number |
| E-B7000SU |
| รหัสรุ่น/ Part number | ง | D | B | อัตรา โหลดไฟฟ้า พื้นฐาน | อัตราเร็วในการหมุน ที่อนุญาต (รอบต่อนาที) (อ้างอิง) | ร (นาที) | ร 1 (นาที) | ปลายกรวยรับ ความดัน เอ | ขนาดการติดตั้ง | มวล | ||||
| ดีเอส | ดีเอช | R | (ก) | |||||||||||
| Cr (ไดนามิก) kN | คอร์ (สถิต) kN | จาระบี | การหล่อลื่น น้ำมัน | (นาที.) | (สูงสุด) | (สูงสุด) | (อ้างอิง) | |||||||
| อี-บี7000เอสยู | 10 | 26 | 8 | 5 | 2.35 | 34000 | 42000 | 0.3 | 0.15 | 6.4 | 12.5 | 23.5 | 0.3 | 21 |
| อี-บี7200เอสยู | 30 | 9 | 4.65 | 2.2 | 29000 | 37000 | — | — | — | — | — | — | 31 | |
| อี-บี 7001 เอสยู | 12 | 28 | 8 | 5.4 | 2.75 | 19000 | 0.3 | 0.15 | 6.7 | 14.5 | 25.5 | 0.3 | 24 | |
| อี-บี 7201 เอสยู | 32 | 10 | 7.45 | 3.65 | 27000 | 34000 | — | — | — | — | — | — | 38 | |
| อี-บี 7002 เอสยู | 15 | 9 | 6.1 | 3.45 | 26000 | 32000 | 0.3 | 0.15 | 7.6 | 17.5 | 29.5 | 0.3 | 35 | |
| อี-บี 7202 เอสยู | 35 | 11 | 8.1 | 4.25 | 24000 | 29000 | — | — | — | — | — | — | 48 | |
| อี-บี 7003 เอสยู | 17 | 10 | 6.75 | 4.15 | 23000 | 28000 | 0.3 | 0.15 | 8.5 | 19.5 | 32.5 | 0.3 | 45 | |
| อี-บี 7203 เอสยู | 40 | 12 | 10.2 | 5.5 | 21000 | 26000 | — | — | — | — | — | — | 70 | |
| อี-บี 7004 เอสยู | 20 | 42 | 10.3 | 6.1 | 19000 | 24000 | 0.6 | 0.3 | 10.1 | 25 | 37 | 0.6 | 79 | |
| อี-บี 7204เอสยู | 47 | 14 | 14.5 | 8.4 | 17000 | 22000 | — | — | — | — | — | — | 112 | |
| อี-บี 7005 เอสยู | 25 | 12 | 11.3 | 7.4 | 21000 | 0.6 | 0.3 | 10.8 | 30 | 42 | 0.6 | 91 | ||
| อี-บี 7205 เอสยู | 52 | 15 | 15.3 | 9.5 | 15000 | 19000 | — | — | — | — | — | — | 135 | |
| อี-บี 7006เอสยู | 30 | 55 | 13 | 14.5 | 10.1 | 14000 | 18000 | 1 | 0.6 | 12.2 | 36 | 49 | 1 | 133 |
| อี-บี 7206เอสยู | 62 | 16 | 21.3 | 13.7 | 13000 | 16000 | — | — | — | — | — | — | 208 | |
| อี-บี 7207 เอสยู | 35 | 72 | 17 | 28.1 | 18.6 | 11000 | 14000 | — | — | — | — | — | — | 295 |
| อี-บี 7007 เอสยู | 62 | 14 | 17.5 | 12.6 | 12000 | 15000 | 1 | 0.6 | 13.5 | 41 | 56 | 1 | 170 | |
| อี-บี 7208เอสยู | 40 | 80 | 18 | 33.6 | 23.3 | 10000 | 12000 | — | — | — | — | — | — | 382 |
| อี-บี 7008เอสยู | 68 | 15 | 18.7 | 14.6 | 11000 | 14000 | 1 | 0.6 | 14.7 | 46 | 62 | 1 | 210 | |
| อี-บี 7209 เอสยู | 45 | 85 | 19 | 37.7 | 26.6 | 9400 | 12000 | — | — | — | — | — | — | 430 |
| อี-บี 7009 เอสยู | 75 | 16 | 22.2 | 17.7 | 10000 | 12000 | 1 | 0.6 | 16 | 51 | 69 | 1 | 260 | |
| อี-บี 7210 เอสยู | 50 | 90 | 20 | 39.4 | 41.3 | 8500 | 11000 | — | — | — | — | — | — | 485 |
| อี-บี 7010 เอสยู | 80 | 16 | 23.6 | 20.1 | 9200 | 11000 | 1 | 0.6 | 16.7 | 56 | 74 | 1 | 290 | |
| อี-บี 7211 เอสยู | 55 | 100 | 21 | 48.7 | 37.1 | 7600 | 9500 | — | — | — | — | — | — | 635 |
| อี-บี 7011 เอสยู | 90 | 18 | 31.1 | 26.3 | 8300 | 10000 | 420 | |||||||
| อี-บี 7212 เอสยู | 60 | 110 | 22 | 58.9 | 45.7 | 6900 | 8600 | 820 | ||||||
| อี-บี 7012 เอสยู | 95 | 18 | 31.9 | 28.1 | 7700 | 9700 | 450 | |||||||
| อี-บี 7213 เอสยู | 65 | 120 | 23 | 67.3 | 54.2 | 6400 | 8000 | 1020 | ||||||
| อี-บี 7013 เอสยู | 100 | 18 | 33.7 | 31.4 | 7200 | 9000 | 470 | |||||||
| อี-บี 7214 เอสยู | 70 | 125 | 24 | 69.8 | 55.6 | 6100 | 7600 | 1120 | ||||||
| อี-บี 7014 เอสยู | 110 | 20 | 42.7 | 39.4 | 6600 | 8300 | 660 | |||||||
| อี-บี 7215เอสยู | 75 | 130 | 25 | 79.2 | 65.2 | 5800 | 7200 | 1023 | ||||||
| อี-บี 7015 เอสยู | 115 | 20 | 43.6 | 41.7 | 6300 | 7800 | 690 | |||||||
| อี-บี 7216เอสยู | 80 | 140 | 26 | 85.3 | 71.5 | 5400 | 6700 | 1500 | ||||||
| อี-บี 7016เอสยู | 125 | 22 | 53.4 | 50.6 | 5800 | 7200 | 930 | |||||||
| อี-บี 7217 เอสยู | 85 | 150 | 28 | 98.6 | 83.6 | 5000 | 6300 | 1870 | ||||||
| อี-บี 7017 เอสยู | 130 | 22 | 54.6 | 53.7 | 5500 | 6800 | 970 | |||||||
| อี-บี 7218เอสยู | 90 | 160 | 30 | 113 | 96.7 | 4700 | 5900 | 2300 | ||||||
| อี-บี 7018เอสยู | 140 | 24 | 65.2 | 63.3 | 5100 | 6400 | 1260 | |||||||
| อี-บี 7219 เอสยู | 95 | 170 | 32 | 122 | 103 | 4400 | 5500 | 2780 | ||||||
| อี-บี 7019 เอสยู | 145 | 24 | 66.6 | 67.1 | 4800 | 6000 | 1320 | |||||||
| อี-บี 7220 เอสยู | 100 | 180 | 34 | 137 | 117 | 4100 | 5200 | 3320 | ||||||
| อี-บี 7020 เอสยู | 150 | 24 | 68.4 | 70.6 | 4700 | 5900 | 1370 | |||||||
ข้อมูลทางเทคนิค
ความเผื่อ ขนาดภายนอก (JIS B 1514 Class 4)
| ง (มม.) | ความเผื่อ ขนาดเส้นผ่านศูนย์กลางรูใน (มม.) | |
| เกิน | หรือน้อยกว่า | |
| 0.6 | 2.5 | 0 |
| -0.004 | ||
| 2.5 | 10 | 0 |
| -0.004 | ||
| 10 | 18 | 0 |
| -0.004 | ||
| 18 | 30 | 0 |
| -0.005 | ||
| 30 | 50 | 0 |
| -0.006 | ||
| 50 | 80 | 0 |
| -0.007 | ||
| ดี (มม.) | ความเผื่อ เส้นผ่านศูนย์กลางภายนอก/O.D. (มม.) | |
| เกิน | หรือน้อยกว่า | |
| 2.5 | 6 | 0 |
| -0.004 | ||
| 6 | 18 | 0 |
| -0.004 | ||
| 18 | 30 | 0 |
| -0.005 | ||
| 30 | 50 | 0 |
| -0.006 | ||
| 50 | 80 | 0 |
| -0.007 | ||
| 80 | 120 | 0 |
| -0.008 | ||
ข้อควรระวัง/ข้อห้าม
* โปรดใช้ เครื่องมือ ติดตั้ง เฉพาะด้าน ต่อไปนี้เพื่อติดตั้งและถอด ตลับลูกปืน

