พร็อกซิมิตี้เซนเซอร์ ขนาดกะทัดรัด, เอาต์พุต NPN

ข้อควรระวัง
- ดาวน์โหลดฟรี! >> Economy Series Catalog ver2023 (TH-EN)_Part 12 คลิกที่นี่
รายละเอียดสินค้า
พร็อกซิมิตี้เซนเซอร์ ขนาดกะทัดรัด, เอาต์พุต NPN
พร็อกซิมิตี้เซนเซอร์เป็นสินค้าราคาประหยัด มีราคาถูกกว่าสินค้ามาตรฐานของ MISUMI มีหลายขนาดให้เลือกใช้งาน
[คุณสมบัติ]
● รูปร่าง : ทรงกระบอกแบบมีเกลียว และ มีชิลด์
● ขนาดหัวตรวจจับ : M4x0.5 และ M5X0.5
● ระยะตรวจจับ (mm.): 0.6 และ 1.0
● รูปแบบเอาต์พุต : NPN
● ความยาวสายไฟ (m.): 2
[การประยุกต์ใช้งาน]
เป็นองค์ประกอบที่สำคัญในระบบอัตโนมัติ ซึ่งหน้าที่หลักคือการตรวจจับวัตถุโดยไม่ต้องมีการสัมผัสทางกายภาพ
สินค้า Economy พร็อกซิมิตี้เซนเซอร์
- รูปทรงกระบอกมีสกรูและโล่ มีให้เลือกหลายขนาด.
- ความสามารถในการตรวจจับที่แม่นยำ มีตัวเลือกระยะการตรวจจับหลายแบบ
- เวลาตอบสนองที่รวดเร็ว สลับความถี่ได้ถึงอัตราที่กำหนด
- ตัวเลือกพาวเวอร์ซัพพลายแบบยืดหยุ่น ทำงานที่แรงดันไฟฟ้า 10 ถึง 30 V DC
- ใช้พลังงานอย่างมีประสิทธิภาพ กระแสไฟฟ้าเมื่อไม่มีโหลด <10 mA, แรงดันตกคร่อม <1.5 V. การทำงานอย่างมีประสิทธิภาพด้านพลังงานช่วยลดต้นทุนการดำเนินงานและยืดอายุการใช้งานของอุปกรณ์

![]()
มาตรฐาน MISUMI
![]()
ราคาถูกกว่า
![]()
ความหลากหลายของผลิตภัณฑ์
![]()
อุปกรณ์รองรับท่อ CAD 3D

| รุ่น | ผลิตภัณฑ์มาตรฐาน MISUMI PSMM4 | Economy Series | ||
| C-C04 | C-C05 | |||
| รูปทรง | ชนิดเกลียว M4 | ชนิดเกลียว M4 | ชนิดเกลียว M5 | |
| ระยะตรวจจับ | 1มม. | 0.6 มม. | 1.0 มม. | |
| รูปแบบเอาต์พุต | NPN N.O. (แบบปกติเปิด) | NPN N.O. (แบบปกติเปิด) | ||
| พาวเวอร์ซัพพลาย | DC 3 สาย | DC 3 สาย | ||
| ช่วง แรงดันไฟเลี้ยง | 10 ถึง 30 V DC | 10 ถึง 30 V DC | ||
| ฮิสเทอรีซิสของสวิตช์ | 10% หรือน้อยกว่าของระยะการตรวจจับที่มีประสิทธิภาพ Sr | 15% หรือต่ำกว่า | ||
| อุณหภูมิแวดล้อมที่ใช้งาน | -25 ถึง +70°C | -25 ถึง +70°C | ||
| ลักษณะอุณหภูมิ | ภายใน± 15% (สำหรับการทำงานที่ +23°C) | ภายใน± 10% (สำหรับการทำงานที่ +25°C) | ||
| ระดับการป้องกัน | IP67 | IP67 | ||
| การสอดคล้องตามมาตรฐาน RoHS 10 | สอดคล้องตามมาตรฐาน | ไม่สอดคล้องตามมาตรฐาน | ||
C-C04-N01
E-C04-P01

ระยะตรวจจับ: 1.0 มม.
C-C05-N01
E-C05-P01
ระยะตรวจจับ: 1.5 มม.
E-MSM05-S15N
E-MSM05-S15P

ระยะตรวจจับ: 0.8 มม.
E-MSM03-S08N
E-MSM03-S08P

ระยะตรวจจับ: 1.5 มม.
E-MSM04-S15N
E-MSM04-S15P

| รหัสสินค้า | ระยะตรวจจับ L1 | รุ่นเอาต์พุต | แรงดันไฟฟ้า ใช้งาน | ระดับการป้องกัน การจัดอันดับ | อุณหภูมิ ใช้งาน | การลัดวงจร การป้องกัน | เกินพิกัด กระแสไฟฟ้า | พื้นผิวตรวจจับ วัสดุ | ความยาว ขดลวด | ||
| C-C04-N01 | 0.6 มม. (M4) | DC 3 สาย (NPN) | มาพร้อมขดลวด 2 เมตร | โหมดการทำงาน (NO) | 10 ถึง 30 V DC | IP67 | -25°C ถึง + 70°C | YES | 100 mA | POM | 2 ม. |
| E-C04-P01 | DC 3 สาย (PNP) | ||||||||||
| C-C05-N01 | 1.0 มม. (M5) | DC 3 สาย (NPN) | 200 mA | ||||||||
| E-C05-P01 | DC 3 สาย (PNP) | ||||||||||
| E-MSM05-S15N | 1.5 มม. (M5) | DC 3 สาย (NPN) | |||||||||
| E-MSM05-S15P | DC 3 สาย (PNP) | ||||||||||
| E-MSM03-S08N | 0.8 มม. (⌀3) | DC 3 สาย (NPN) | 100 mA | ||||||||
| E-MSM03-S08P | DC 3 สาย (PNP) | ||||||||||
| E-MSM04-S15N | 1.5 มม. (⌀4) | DC 3 สาย (NPN) | 220 mA | ||||||||
| E-MSM04-S15P | DC 3 สาย (PNP) | ||||||||||
| โหมดการทำงาน (NO) | ||||||||||||
| รหัสสินค้า | C/E-C04 | C/E-C05 | E-MSM05-S15 | E-MSM03-S08 | E-MSM04-S15 | |||||||
| ระยะการตรวจจับ | 0.6 มม. | 1.0 มม. | 1.5 มม. | 0.8 มม. | 1.5 มม. | |||||||
| แรงดันไฟฟ้าใช้งาน | 10 ถึง 30 V DC | |||||||||||
| แรงดันไฟฟ้า Pulse ที่อนุญาต | < 10% | |||||||||||
| กระแสไฟฟ้าไม่มีโหลด | < 10 mA | |||||||||||
| เกินพิกัด กระแสไฟฟ้า | 100 mA | 200 mA | 100 mA | 200 mA | ||||||||
| กระแสไฟรั่ว | < 0.01 mA | |||||||||||
| แรงดันไฟตก | < 1.5 V | |||||||||||
| ความถี่การสลับ | 2KHZ | |||||||||||
| เวลาตอบสนอง | 0.1 มิลลิวินาที | |||||||||||
| ฮิสเทอรีซิสของสวิตช์ | < 15%(Sr) | |||||||||||
| ความสามารถในการทวนซ้ำ | < 1.0%(Sr) | |||||||||||
| ระดับการป้องกัน | IP67 | |||||||||||
| อุณหภูมิใช้งาน | -25°C ถึง + 70°C | |||||||||||
| การเปลี่ยนแปลงของอุณหภูมิ | < 10%(Sr) | |||||||||||
| อุปกรณ์ป้องกันวงจรไฟฟ้า | YES | |||||||||||
| วัสดุพื้นผิวตรวจจับ | POM | |||||||||||




ZD: ไดโอดซีเนอร์ดูดซับไฟกระชาก
Tr: ทรานซิสเตอร์ Output แบบ NPN
D: ไดโอดป้องกันพาวเวอร์ซัพพลายย้อนกลับ

ZD: ไดโอดซีเนอร์ดูดซับไฟกระชาก
Tr: Output ทรานซิสเตอร์แบบ PNP
D: ไดโอดป้องกันพาวเวอร์ซัพพลายย้อนกลับ



ประเภทมีฉนวนจะรวมฟลักซ์แม่เหล็กไว้ที่ด้านหน้าของเซนเซอร์ โดยช่วงของสนามแม่เหล็กแบบเหนี่ยวนำจะถูกส่งตรงไปข้างหน้าของพร็อกซิมิตี้สวิตช์

ขดลวดชนิดไม่มีการป้องกันสามารถเพิ่มระยะตรวจจับได้ แต่เนื่องจากไม่มีการป้องกันวัตถุ จึงได้รับผลกระทบจากโลหะรอบข้างได้ง่าย
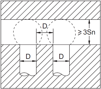
โปรดให้ความสนใจขณะติดตั้ง

เพื่อป้องกันสัญญาณรบกวน ระยะจากผิวหน้าของเซนเซอร์ถึงวัตถุโลหะที่ตรวจจับควรมีค่า ≥ 3Sn (Sn: ระยะตรวจจับของเซนเซอร์) และระยะห่างระหว่างพร็อกซิมิตี้เซนเซอร์ที่อยู่ติดกันควรมีค่า ≥ D (D: เส้นผ่านศูนย์กลางของเซนเซอร์)

ไม่มีอุปกรณ์ป้องกันรอบขดลวดตรวจจับ พื้นผิวตรวจจับต้องรักษาระยะห่าง Y จากพื้นผิวติดตั้ง (M5 ถึง M8, Y=6 มม.; M12, Y=9 มม.).
ระยะห่างระหว่างพื้นผิวตรวจจับกับวัตถุโลหะที่ตรวจพบควรมีค่า ≥ 3Sn และระยะห่างระหว่างพร็อกซิมิตี้เซนเซอร์ที่อยู่ติดกันสองตัวควรมีค่า ≥ 2D (D คือเส้นผ่านศูนย์กลางของเซนเซอร์)

สำหรับเซนเซอร์ที่ติดตั้งตรงข้ามกัน ระยะห่างขั้นต่ำระหว่างพื้นผิวตรวจจับทั้งสองต้องมากกว่าหรือเท่ากับ 6Sn

เหล็ก X=0.2D
โลหะอื่นๆ X=0.1D
*ความหนาของวัตถุที่จะตรวจจับ: 1 มม.

| ขนาด D | ปี (เดือน) | ||||
| M8 | 12 | ||||
| M12 | 15 |


