ตลับลูกปืน พร้อม ตัวเสื้อ ทรงตัว T น้ำหนักเบา กะทัดรัด

ข้อควรระวัง
- ดาวน์โหลดฟรี! >> Economy Series Catalog ver2023 (TH-EN)_Part07 คลิกที่นี่
รายละเอียดสินค้า
ตลับลูกปืนตุ๊กตา รูปตัว T, น้ำหนักเบา, ขนาดกะทัดรัด
ตลับลูกปืนพร้อมตัวเสื้อหรือตลับลูกปืนตุ๊กตารูปตัว T เป็นสินค้าราคาประหยัด มีราคาถูกกว่าสินค้ามาตรฐานของ MISUMI และมีหลายขนาดให้เลือกใช้งาน
[คุณสมบัติ]
● ขนาดเส้นผ่านศูนย์กลางรูในของตลับลูกปืน (mm.) : 8, 10, 12 และ 15
● รหัสสินค้าของตลับลูกปืน : สามารถเลือกได้ตามรายการนี้ 698ZZ, 6900ZZ, 6901ZZ และ 6902ZZ
● ความเร็วรอบในการหมุนที่สามารถใช้งานได้ (รอบต่อนาที): 8000 (ค่าอ้างอิง)
● วัสดุ :
ตลับลูกปืนพร้อมตัวเสื้อ - เหล็ก
โฮลเดอร์ - อะลูมิเนียม
● กระบวนการเตรียมผิว : สำหรับโฮลเดอร์ - เคลียร์อะโนไดซ์
[การประยุกต์ใช้งาน]
ตลับลูกปืนพร้อมตัวเรือน นิยมใช้ในระบบเครื่องจักรอัตโนมัติ
ตลับลูกปืนพร้อมตัวเสื้อแบบประหยัดและกะทัดรัด
- ตัวเสื้อตลับลูกปืนทรงตัว T ช่วยลดขนาดสำหรับการใช้งานในพื้นที่จำกัด
- ออกแบบมาเพื่อให้มีเสถียรภาพด้วยการออกแบบฐานที่หนาขึ้นเพื่อการติดตั้งที่ปลอดภัย
- ตลับลูกปืนทำจากเหล็ก ในขณะที่ด้ามจับทำจากโปรไฟล์อลูมิเนียมดึง
- ตลับลูกปืนประกอบล่วงหน้าเพื่อการรวมเข้ากับระบบอัตโนมัติได้อย่างง่ายดาย
- รองรับความเร็วรอบการหมุนที่สูงที่อนุญาต

![]()
มาตรฐาน MISUMI
![]()
ราคาถูกกว่า
![]()
ความหลากหลายของผลิตภัณฑ์
![]()
อุปกรณ์รองรับท่อ CAD 3D
ภาพรวมผลิตภัณฑ์ตลับลูกปืนพร้อมตัวเสื้อ
สินค้ามาพร้อมตลับลูกปืน ประกอบเป็นชุดพร้อมจัดส่ง ไม่ต้องติดตั้งเอง
เปลือกของผลิตภัณฑ์นี้ใช้โปรไฟล์รีดขึ้นรูป ซึ่งช่วยเพิ่มความคุ้มค่าด้านต้นทุนได้อย่างมาก ในขณะที่ยังคงความแม่นยำตามที่ต้องการ
คุณสมบัติของตลับลูกปืนพร้อมตัวเสื้อ
คุณสมบัติ 2 ของตลับลูกปืนพร้อมตัวเสื้อ: สามารถติดตั้งและใช้งานได้แม้ว่าพื้นที่โดยรอบจะมีขนาดเล็ก
ตลับลูกปืนพร้อมตัวเสื้อ คุณสมบัติที่ 3: รูปทรงโค้งมนไม่จำเป็นต้องลบมุม ช่วยเพิ่มความปลอดภัยและความสวยงาม
คุณสมบัติ 4: ตลับลูกปืนพร้อมตัวเสื้อรุ่นอีโคโนมี่ผลิตด้วยวัสดุดึงขึ้นรูปอลูมิเนียม ซึ่งเหมาะสำหรับการผลิตจำนวนมากและช่วยลดต้นทุน
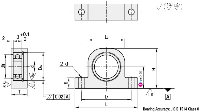
ดรออิ้งบอกขนาดตลับลูกปืนพร้อมตัวเสื้อ


ขนาดใน ( ) ใช้สำหรับอ้างอิงเท่านั้น (อลูมิเนียมโปรไฟล์ได้รับการแปรรูป และค่าพิกัดความเผื่อของขนาดรูปลักษณ์ภายนอกคือ ±0.5 มม.) ขนาดเฉพาะขึ้นอยู่กับสินค้าจริงภาพรวมสเปคตลับลูกปืนพร้อมตัวเสื้อ
■ ตารางสเปคของวัสดุ
| ชนิด | วัสดุ | กระบวนการเตรียมผิว | อุปกรณ์เสริม แหวนล็อค | |
| ตลับลูกปืนตุ๊กตา | โฮลเดอร์ | โฮลเดอร์ | ||
| C-BGHA C-BGHPA | เหล็กกล้า | อลูมิเนียม | เคลียร์อะโนไดซ์ | เหล็กสปริง |
ขณะเลือกใช้งาน โปรดทราบว่ามีระยะห่างตามแนวแกนระหว่างตลับลูกปืนกับแหวนล็อค
ตารางสเปคตลับลูกปืนพร้อมตัวเสื้อ
ถึง 
รหัสรุ่น/ Part number ( ชนิด· หมายเลขตลับลูกปืน) | — | h |
| C-BGHA6901ZZ | — | 20 |
ตารางสเปคมิติ
■ ชนิดรูปตัว T น้ำหนักเบา ขนาดเล็ก
| รหัสสินค้า | hเลือกความสูง | d | DH7 | dh | B | T | (H) | (L) | L1 | (L2) | (S) | (R) | d1 | ||||
ชนิด | รหัสรุ่น/ Part number ตลับลูกปืน/รองลื่น | ค่าพิกัดความเผื่อ | |||||||||||||||
| C-BGHPA | 625ZZ | 15 | 20 | 5 | 16 | +0.018 0 | 13 | 5 | 10 | h+13 | 47 | 35 | 23 | 10 | 10 | 4.5 | |
| 606ZZ | 15 | 20 | 6 | 17 | +0.018 0 | 13 | 6 | 12 | h+13 | 47 | 35 | 23 | 10 | 10 | 5.5 | ||
| 627ZZ | 20 | 25 | 30 | 7 | 22 | +0.021 0 | 18 | 7 | 12 | h+15 | 53 | 41 | 29 | 10 | 11 | 5.5 | |
| 608ZZ | 20 | 25 | 30 | 8 | 22 | +0.021 0 | 18 | 7 | 12 | h+15 | 53 | 41 | 29 | 10 | 11 | 5.5 | |
| 629ZZ | 20 | 30 | 40 | 9 | 26 | +0.021 0 | 22 | 8 | 15 | H+17 | 58 | 46 | 34 | 10 | 13 | 5.5 | |
| 6900ZZ | 20 | 25 | 30 | 10 | 22 | +0.021 0 | 18 | 6 | 12 | h+15 | 53 | 41 | 29 | 10 | 11 | 5.5 | |
| 6901ZZ | 20 | 30 | 40 | 12 | 24 | +0.021 0 | 22 | 6 | 12 | h+17 | 58 | 46 | 34 | 10 | 13 | 5.5 | |
| 6902ZZ | 25 | 30 | 40 | 15 | 28 | +0.021 0 | 24 | 7 | 12 | h+20 | 60 | 48 | 36 | 15 | 16 | 5.5 | |
| 6003ZZ | 30 | 40 | 50 | 17 | 35 | +0.025 0 | 31 | 10 | 16 | h+22 | 70 | 56 | 43 | 15 | 18 | 6.5 | |
| 6904ZZ | 30 | 40 | 50 | 20 | 37 | +0.025 0 | 31 | 9 | 15 | h+22 | 70 | 56 | 43 | 15 | 18 | 6.5 | |
| 6905ZZ | 40 | 50 | 60 | 25 | 42 | +0.025 0 | 36 | 9 | 15 | h+25 | 82 | 66 | 50 | 15 | 21 | 9 | |
| 6906ZZ | 40 | 50 | 60 | 30 | 47 | +0.025 0 | 41 | 9 | 16 | h+28 | 96 | 76 | 56 | 15 | 24 | 11 | |
| 6907ZZ | 50 | 60 | 80 | 35 | 55 | +0.030 0 | 48 | 10 | 16 | h+32 | 104 | 84 | 64 | 20 | 28 | 11 | |
■ ประเภทเคลียร์ราน้ำหนักเบาทรงตัว T
| รหัสสินค้า | hเลือกความสูง | d | DH7 | dh | B | T | (H) | (L) | L1 | (L2) | (S) | (R) | (b) | d1 | ||
ชนิด | รหัสรุ่น/ Part number ตลับลูกปืน/รองลื่น | ค่าพิกัดความเผื่อ | ||||||||||||||
| C-BGHA | 698ZZ | 20 | 8 | 19 | +0.021 0 | 16 | 6 | 11 | h+14 | 49 | 37 | 25 | 8 | 9 | 16 | 5.5 |
| 30 | 10 | |||||||||||||||
| 6900ZZ | 20 | 10 | 22 | +0.021 0 | 19 | 12 | h+15 | 53 | 41 | 29 | 8 | 11 | 18 | |||
| 30 | 10 | |||||||||||||||
| 40 | ||||||||||||||||
| 6901ZZ | 20 | 12 | 24 | +0.021 0 | 21 | h+16 | 56 | 44 | 32 | 8 | 13 | |||||
| 30 | 10 | |||||||||||||||
| 40 | ||||||||||||||||
| 6902ZZ | 30 | 15 | 28 | +0.021 0 | 25 | 7 | h+18 | 60 | 48 | 36 | 12 | 14 | 20 | |||
| 40 | 15 | |||||||||||||||
| 50 | ||||||||||||||||
MISUMI ไม่รับประกันแบรนด์ของตลับลูกปืน
( ) ขนาดใน ( ) ใช้สำหรับอ้างอิงเท่านั้น (อลูมิเนียมโปรไฟล์ได้รับการแปรรูป และค่าพิกัดความเผื่อของขนาดรูปลักษณ์ภายนอกคือ ±0.5 มม.) โปรดดูสินค้าจริงสำหรับการวัดค่าที่แม่นยำข้อควรระวังเกี่ยวกับตลับลูกปืนพร้อมตัวเสื้อ
ทิศทางตามแกน: ทิศทางที่ขนานไปกับแกนกลางการหมุนของกระบอกสูบ ซึ่งเป็นทิศทางเดียวกับแกนกลาง
ทิศทางแนวรัศมี: ตั้งฉากกับทิศทางแกน ซึ่งเป็นทิศทางของรัศมีหรือเส้นผ่านศูนย์กลางของวงกลมที่ปลายกระบอกสูบ
② แหวนล็อคในชุดตัวเสื้อตลับลูกปืนที่มีแหวนล็อคไม่สามารถยึดแนวแกนได้ และมีหน้าที่เพียงป้องกันไม่ให้ตลับลูกปืนหลุดออกเท่านั้น
หากต้องการขันตลับลูกปืนตามแนวแกน แนะนำให้ใช้แหวนล็อค น๊อตตัวเมีย ฯลฯ
เมื่อเลือกใช้แหวนยึด น๊อตตัวเมีย ฯลฯ สำหรับการขันตามแนวแกน กรุณาระมัดระวังไม่ให้ชนกับแหวนล็อค สำหรับมิติของแหวนล็อค โปรดดูที่ พารามิเตอร์ของผลิตภัณฑ์.
③ ตลับลูกปืนเป็นซีรีส์ประหยัด.
④ ตลับลูกปืนพร้อมตัวเสื้อ รุ่นประหยัด จำนวนสั่งซื้อขั้นต่ำ 2 ชิ้น
ตัวอย่างการใช้งานตลับลูกปืนพร้อมตัวเสื้อ

ผลิตภัณฑ์นี้สามารถสร้างกลไกได้อย่างสมบูรณ์โดยใช้พื้นที่เพียงเล็กน้อยมาก
อุตสาหกรรมที่ใช้ตลับลูกปืนพร้อมตัวเสื้อ
| สมาร์ทโฟน | เครื่องใช้ไฟฟ้าและอิเล็กทรอนิกส์ | แบตเตอรี่ลิเธียม | ||
![]() | ![]() | ![]() | ||
| อุตสาหกรรมยานยนต์ | หุ่นยนต์ | ทางการแพทย์ | ||
![]() | ![]() | ![]() |
ผลิตภัณฑ์ที่เกี่ยวข้องกับตลับลูกปืนพร้อมตัวเสื้อ
| ตลับลูกปืนพร้อมตัวเสื้อ รูปตัว T | แผ่นสลิทของปลอกเพลา | ไทม์มิ่งพูลเล่ย์ รุ่น XL | ||
![]() | ![]() | ![]() | ||
| รุ่นทั่วไป: BGHK6000ZZ-20 | รุ่นทั่วไป: SCS8-10 | รุ่นทั่วไป: ATP24XL037-B-N10 |
วัสดุ
กระบวนการเตรียมผิว
อุปกรณ์เสริม แหวนล็อค
หมายเลขตลับลูกปืน)
h
ชนิด
รหัสรุ่น/ Part number ตลับลูกปืน/รองลื่น







