ลูกปืนจับยึดปลายเพลาสำหรับบอลสกรู ชนิดกลม ด้านประคอง

ข้อควรระวัง
- สเปคขนาดใหม่จะได้รับการอัปเดตเร็วๆ นี้
- ดาวน์โหลดฟรี! >> แคตตาล็อกซีรี่ส์ ความคุ้มค่า ver2023 (TH-EN)_Part01 คลิกที่นี่
รายละเอียดสินค้า
· ประเภทผลิตภัณฑ์: อุปกรณ์รองรับท่อ สำหรับบอลสกรู ชนิดกลม ด้าน อุปกรณ์รองรับท่อ ซีรีส์ C-TFF
・ นี่คือสินค้าราคาประหยัด ซึ่งราคาถูกกว่าสินค้ามาตรฐานของ MISUMI
・ เส้นผ่านศูนย์กลางภายนอก/O.D. เพลา ใช้งานได้ [mm]: 6, 8, 10, 15, 20, 25
・ วัสดุ: ทำจาก S45C พร้อมฟิล์มป้องกันเฟอร์โรเฟอริกออกไซด์ (ออกไซด์สีดำ)
・ อุปกรณ์รองรับพิเศษสำหรับลูกสกรูแบบรีด C7 ถึง C10 โดยไม่มีแรงดันเบื้องต้น ผลิตภัณฑ์นี้เชื่อมต่อด้านรองรับ (ไม่มีการเชื่อมต่อมอเตอร์) ของบอลสกรู โดยมีที่ยึดตลับลูกปืน ตลับลูกปืน และตัวล็อคเพื่อการรองรับที่แข็งแรง

| ชนิด | วัสดุ | กระบวนการเตรียมผิว |
| ① | ① | |
| C-TFF | เทียบเท่า S45C | การชุบออกไซด์สีดำ |
| *C-TFFHR | การชุบโครเมี่ยมสีดำที่อุณหภูมิต่ำ |
(*) การชุบโครเมี่ยมสีดำที่อุณหภูมิต่ำที่มีเครื่องหมาย (*) กำลังอยู่ระหว่างการเตรียมการ ขณะนี้สามารถรับคำขอสั่งผลิตพิเศษได้โดยมีเงื่อนไขขั้นต่ำในการสั่งซื้อ (MOQ)| เบอร์ตลับลูกปืน | แรงประเมินสถิตพลวัต (N) | แรงประเมินสถิต (N) |
| 3 | 440 | 150 |
| 4 | 910 | 340 |
| 6 | 1580 | 580 |
| 10 | 2310 | 960 |
| 12 | 3190 | 1380 |
| 15 | 3920 | 1980 |
| 17 | 6690 | 3360 |
| 20 | 8960 | 4620 |
| 25 | 9800 | 5500 |
| 30 | 13650 | 7910 |

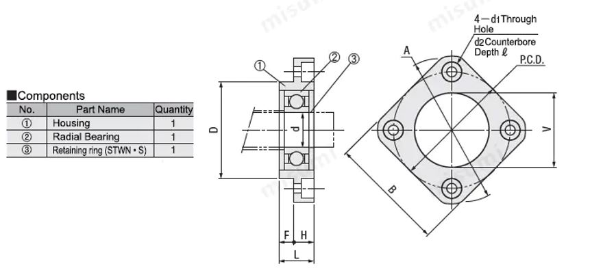
| รหัสรุ่น/ Part number | เส้นผ่านศูนย์กลางแกน d | L | H | F | D | A | พี.ซี.ดี. | B | V | d1 | d2 | ℓ | แหวนล็อค | |
ชนิด | จำนวน | |||||||||||||
| C-TFF (การชุบออกไซด์สีดำ) *C-TFFHR (การชุบโครเมี่ยมสีดำที่อุณหภูมิต่ำ) | 3 | 3 | 10 | 6 | 4 | 18 | 32 | 24 | 25 | 10 | 3.4 | 6.5 | 4 | ความหนา 0.25 |
| 4 | 4 | 13 | ความหนา 0.25 | |||||||||||
| 6 | 6 | 22 | 36 | 28 | 28 | 17 | STWN6 | |||||||
| 10 | 8 | 12 | 7 | 5 | 28 | 43 | 35 | 35 | 22 | STWN8 | ||||
| 12 | 10 | 15 | 8 | 34 | 52 | 42 | 42 | 26 | 4.5 | 8 | STWN10 | |||
| 15 | 15 | 17 | 9 | 40 | 63 | 50 | 52 | 32 | 5.5 | 9.5 | 5.5 | STWN15 | ||
| 17 | 17 | 20 | 11 | 9 | 50 | 77 | 61 | 61 | 40 | 6.6 | 11 | 6.5 | STWN17 | |
| 20 | 20 | 57 | 85 | 70 | 68 | 47 | STWN20 | |||||||
| 25 | 25 | 24 | 14 | 10 | 63 | 98 | 80 | 79 | 52 | 9 | 14 | 8.5 | STWN25 | |
| 30 | 30 | 27 | 18 | 9 | 75 | 117 | 95 | 93 | 62 | 11 | 17.5 | 11 | STWN30 | |
(1), (2) และ (3) เป็นส่วนประกอบแยกกัน กรุณาเก็บรักษาให้ถูกต้อง
(*) การชุบโครเมี่ยมสีดำที่อุณหภูมิต่ำที่มีเครื่องหมาย (*) กำลังอยู่ระหว่างการเตรียมการ ขณะนี้สามารถรับคำขอสั่งผลิตพิเศษได้โดยมีเงื่อนไขขั้นต่ำในการสั่งซื้อ (MOQ)
ประเภทการชุบออกไซด์สีดำมีความคุ้มค่า และสามารถต้านทานการกัดกร่อนได้หากมีการทาน้ำมันป้องกันอย่างสม่ำเสมอ
หากใช้งานในสภาพแวดล้อมที่มีความชื้นสูงหรือจำเป็นต้องการงานซ่อมบำรุงน้อย แนะนำให้ใช้โครเมี่ยมสีดำที่อุณหภูมิต่ำ
| สเปค | การชุบออกไซด์สีดำ | โครเมี่ยมสีดำที่อุณหภูมิต่ำ |
| วิธีการ | การเปลี่ยนแปลงทางเคมีบนผิวเหล็กเพื่อสร้างชั้นการชุบออกไซด์สีดำ | การชุบผิวโครเมี่ยมสีดำด้วยไฟฟ้าที่อุณหภูมิต่ำ โดยปกติจะมีชั้นรองพื้นนิกเกิล |
| คุณภาพพื้นผิว | สีดำด้าน มีแนวโน้มซีดจางเมื่อถูกขัดถู | สีดำเข้ม เรียบเนียน สีทนทาน สวยงามสูง |
| ความหนา การเคลือบผิว | บางมาก ประมาณ 0.5–1.5 µm แทบไม่มีการเปลี่ยนแปลงของมิติ | 0.3–2 µm และจะหนาขึ้นหากมีชั้นรองพื้น Ni |
| ความทนทานต่อการกัดกร่อน | ปานกลาง ขึ้นอยู่กับชั้นน้ำมัน; ไม่เหมาะสำหรับการใช้งานกลางแจ้งระยะยาว | สูงมาก ทนต่อสภาพแวดล้อมที่ชื้น/เค็ม อายุการใช้งานของชั้นเคลือบยาวนาน |
| ข้อดี | ต้นทุนต่ำ รวดเร็ว ไม่มีการเปลี่ยนแปลงมิติ สามารถนำกลับมาแปรรูปได้ง่าย | ความทนทานต่อการกัดกร่อนยอดเยี่ยม แข็ง สีทนทาน มีความสวยงามสูง |
| ข้อเสีย | ความทนทานต่อการกัดกร่อนต่ำหากไม่มีงานซ่อมบำรุง สีซีดจางได้ง่าย | กระบวนการซับซ้อน ต้นทุนสูงกว่า |







ชนิด
จำนวน