ชุดลูกปืนจับยึดปลายเพลาสำหรับบอลสกรู ชนิดกลม ด้านยึดอยู่กับที่

ข้อควรระวัง
- สเปคขนาดใหม่จะได้รับการอัปเดตเร็วๆ นี้
- ดาวน์โหลดฟรี! >> แคตตาล็อกซีรี่ส์ ความคุ้มค่า ver2023 (TH-EN)_Part01 คลิกที่นี่
รายละเอียดสินค้า
· ประเภทผลิตภัณฑ์: อุปกรณ์รองรับท่อสำหรับบอลสกรู ชนิดกลมด้านยึดอยู่กับที่ ซีรีส์ C-TFK
・ นี่คือสินค้าราคาประหยัด ซึ่งราคาถูกกว่าสินค้ามาตรฐานของ MISUMI
・ เส้นผ่านศูนย์กลางภายนอกของเพลาที่ใช้บังคับ [mm]: 6, 8, 10, 12, 15, 20, 25
・ วัสดุ: ทำจาก S45C พร้อมฟิล์มป้องกันเฟอร์โรเฟอริกออกไซด์ (ออกไซด์สีดำ)
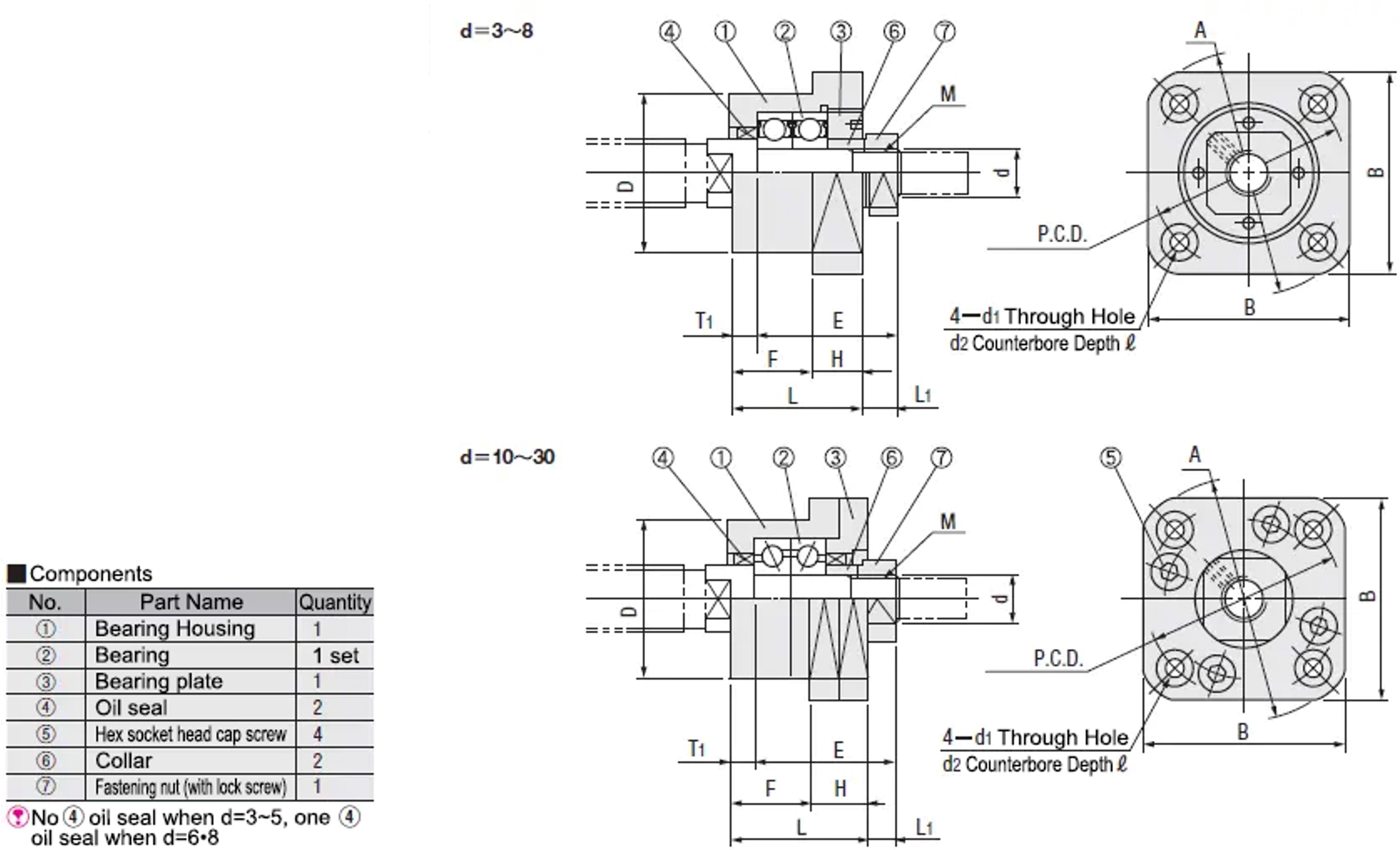
・ อุปกรณ์เสริมสำหรับลูกสกรูแบบรีด C7 ถึง C10 โดยไม่มีแรงดันเบื้องต้น ผลิตภัณฑ์นี้เชื่อมต่อด้านคงที่ (ด้านมอเตอร์) ของบอลสกรู โดยมีองค์ประกอบของตัวยึดตลับลูกปืน ตลับลูกปืน ฝาครอบตลับลูกปืน ซีลน้ำมัน สลักเกลียวเบ้าหกเหลี่ยม ปลอกสวม และน็อตยึด (พร้อมสกรูล็อค)

| ชนิด | วัสดุ | กระบวนการเตรียมผิว | |||
| ①③ | (6) | ⑦ | ①③ | ⑥⑦ | |
| C-TFK | เทียบเท่า S45C | เทียบเท่า SUJ2 | เทียบเท่า S20C | การชุบออกไซด์สีดำ | การชุบออกไซด์สีดำ |
| *C-TFKHR | การชุบโครเมี่ยมสีดำที่อุณหภูมิต่ำ | ||||
(*) การชุบโครเมี่ยมสีดำที่อุณหภูมิต่ำที่มีเครื่องหมาย (*) กำลังอยู่ระหว่างการเตรียมการ ขณะนี้สามารถรับคำขอสั่งผลิตพิเศษได้โดยมีเงื่อนไขขั้นต่ำในการสั่งซื้อ (MOQ)
| เบอร์ตลับลูกปืน | แรงประเมินสถิตพลวัต (N) | แรงประเมินสถิต (N) |
| 3 | 440 | 150 |
| 4 | 910 | 340 |
| 5 | 760 | 300 |
| 6 | 1580 | 580 |
| 8 | 2310 | 960 |
| 10 | 3330 | 1480 |
| 12 | 3640 | 1790 |
| 15 | 4170 | 2280 |
| 17 | 7350 | 3960 |
| 20 | 9800 | 5470 |
| 25 | 11060 | 6920 |
| 30 | 15400 | 9940 |

| รหัสรุ่น/ Part number | ด้านประคองชุด | เส้นผ่านศูนย์กลางแกน d | L | H | F | E | D | A | พี.ซี.ดี. | B | L1 | T1 | d1 | d2 | ℓ | M (เกลียวละเอียด) | ซีลน้ำมัน เส้นผ่านศูนย์กลางที่ใช้ได้ | |
ชนิด | จำนวน | |||||||||||||||||
| C-TFK (การชุบออกไซด์สีดำ) *C-TFKHR (การชุบโครเมี่ยมสีดำที่อุณหภูมิต่ำ) | 3 | ชุด (เฉพาะเมื่อทำการจัดซื้อแบบชุด) | 3 | 15 | 6 | 9 | 17.7 | 18 | 32 | 24 | 25 | 5.5 | 2 | 3.4 | 6.5 | 4 | M3 × 0.5 | — |
| 4 | 4 | 19.7 | M4 × 0.5 | |||||||||||||||
| 5 | 5 | 16.5 | 10.5 | 18.7 | 20 | 34 | 26 | 26 | 2.5 | M5 × 0.5 | ||||||||
| 6 | 6 | 20 | 7 | 13 | 22 | 22 | 35 | 28 | 28 | 3.5 | 2.9 | 5.5 | 3.5 | M6 × 0.75 | 9.5 | |||
| 8S | 8 | 23 | 9 | 14 | 26 | 28 | 43 | 35 | 35 | 7 | 4 | 3.4 | 6.5 | 4 | M8 × 1.0 | 10 | ||
| 8 | 11.5 | |||||||||||||||||
| 10S | 10 | 27 | 10 | 17 | 29.5 | 34 | 52 | 42 | 42 | 7.5 | 5 | 4.5 | 8 | M10 × 1.0 | 12 | |||
| 10 | 14.5 | |||||||||||||||||
| 12 | 12 | 36 | 54 | 44 | 44 | M12 × 1.0 | 15.5 | |||||||||||
| 15 | 15 | 32 | 15 | 36 | 40 | 63 | 50 | 52 | 10 | 6 | 5.5 | 9.5 | 6 | M15 × 1.0 | 20 | |||
| 17 | 17 | 45 | 22 | 23 | 47 | 50 | 77 | 62 | 61 | 11 | 9 | 6.6 | 11 | 10 | M17 × 1.0 | 24.5 | ||
| 20 | 20 | 52 | 30 | 50 | 57 | 85 | 70 | 68 | 8 | 10 | M20 × 1.0 | 25 | ||||||
| 25 | 25 | 57 | 27 | 60 | 63 | 98 | 80 | 79 | 13 | 9 | 15 | 13 | M25 × 1.5 | 31.5 | ||||
| 30 | 30 | 62 | 30 | 32 | 61 | 75 | 117 | 95 | 93 | 11 | 12 | 11 | 17.5 | 15 | M30 × 1.5 | 39.5 | ||
(1), (2), (3), (4) และ (5) เป็นโครงสร้างแบบรวม อย่าถอดแยกชิ้นส่วน
ชุดนี้ประกอบด้วยอุปกรณ์เสริมการเคลื่อนที่ด้านยึดคงที่และอุปกรณ์เสริมการเคลื่อนที่ด้านรองรับ
ชุดนี้มีเฉพาะแบบการชุบออกไซด์สีดำเท่านั้น หากต้องการชุบโครเมียมที่อุณหภูมิต่ำ กรุณาเลือกฝั่งยึดคงที่และฝั่งรองรับแยกกัน
(*) การชุบโครเมี่ยมสีดำที่อุณหภูมิต่ำที่มีเครื่องหมาย (*) กำลังอยู่ระหว่างการเตรียมการ ขณะนี้สามารถรับคำขอสั่งผลิตพิเศษได้โดยมีเงื่อนไขขั้นต่ำในการสั่งซื้อ (MOQ)
| ชนิด | จำนวน | D | V | L |
| C-TFK C-TFKHR | 3 | 6 | 3 | 4.5 |
| 4 | 6 | 4 | 4.5 | |
| 5 | 8 | 5 | 5.5 | |
| 6 | 9.5 | 6 | 5 | |
| 8S | 10 | 8 | 5.5 | |
| 8 | 11.5 | 8 | 5.5 | |
| 10S | 12 | 10 | 5.5 | |
| 10 | 14.5 | 10 | 5.5 | |
| 12 | 15.5 | 12 | 5.5 | |
| 15 | 19.5 | 15 | 10 | |
| 17 | 23.4 | 17 | 10 | |
| 20 | 25 | 20 | 11 | |
| 25 | 31.4 | 25 | 15 | |
| 30 | 36.5 | 30 | 9 |

| ชนิด | จำนวน | M เกลียวละเอียด | B | ม. | d | D | F |
| C-TFK C-TFK-SET C-TFKHR | 3 | M3 × 0.5 | 5.2 | M2.5 | 8 | 11.5 | 10 |
| 4 | M4 × 0.5 | 5.2 | M2.5 | 8 | 11.5 | 10 | |
| 5 | M5 × 0.5 | 5.2 | M3 | 9 | 12.5 | 11 | |
| 6 | M6 × 0.75 | 5 | M3 | 10 | 14.5 | 12 | |
| 8S | M8 × 1.0 | 6.5 | M3 | 13 | 17 | 14 | |
| 8 | |||||||
| 10S | M10 × 1.0 | 8 | M3 | 15 | 20 | 16 | |
| 10 | |||||||
| 12 | M12 × 1.0 | 8 | M4 | 17 | 22 | 19 | |
| 15 | M15 × 1.0 | 8 | M4 | 21 | 25 | 22 | |
| 17 | M17 × 1.0 | 13 | M4 | 21 | 29 | 24 | |
| 20 | M20 × 1.0 | 11 | M4 | 26 | 35 | 30 | |
| 25 | M25 × 1.5 | 15 | M5 | 33 | 43 | 35 | |
| 30 | M30 × 1.5 | 20 | M6 | 39 | 48 | 40 |

เปรียบเทียบกระบวนการเตรียมผิว:
ประเภทการชุบออกไซด์สีดำมีความคุ้มค่า และสามารถต้านทานการกัดกร่อนได้หากมีการทาน้ำมันป้องกันอย่างสม่ำเสมอ
หากใช้งานในสภาพแวดล้อมที่มีความชื้นสูงหรือจำเป็นต้องการงานซ่อมบำรุงน้อย แนะนำให้ใช้โครเมี่ยมสีดำที่อุณหภูมิต่ำ
| สเปค | การชุบออกไซด์สีดำ | โครเมี่ยมสีดำที่อุณหภูมิต่ำ |
| วิธีการ | การเปลี่ยนแปลงทางเคมีบนผิวเหล็กเพื่อสร้างชั้นการชุบออกไซด์สีดำ | การชุบผิวโครเมี่ยมสีดำด้วยไฟฟ้าที่อุณหภูมิต่ำ โดยปกติจะมีชั้นรองพื้นนิกเกิล |
| คุณภาพพื้นผิว | สีดำด้าน มีแนวโน้มซีดจางเมื่อถูกขัดถู | สีดำเข้ม เรียบเนียน สีทนทาน สวยงามสูง |
| ความหนา การเคลือบผิว | บางมาก ประมาณ 0.5–1.5 µm แทบไม่มีการเปลี่ยนแปลงของมิติ | 0.3–2 µm และจะหนาขึ้นหากมีชั้นรองพื้น Ni |
| ความทนทานต่อการกัดกร่อน | ปานกลาง ขึ้นอยู่กับชั้นน้ำมัน; ไม่เหมาะสำหรับการใช้งานกลางแจ้งระยะยาว | สูงมาก ทนต่อสภาพแวดล้อมที่ชื้น/เค็ม อายุการใช้งานของชั้นเคลือบยาวนาน |
| ข้อดี | ต้นทุนต่ำ รวดเร็ว ไม่มีการเปลี่ยนแปลงมิติ สามารถนำกลับมาแปรรูปได้ง่าย | ความทนทานต่อการกัดกร่อนยอดเยี่ยม แข็ง สีทนทาน มีความสวยงามสูง |
| ข้อเสีย | ความทนทานต่อการกัดกร่อนต่ำหากไม่มีงานซ่อมบำรุง สีซีดจางได้ง่าย | กระบวนการซับซ้อน ต้นทุนสูงกว่า |


| รหัสสินค้าของชุดสินค้า SET | ส่วนประกอบของชุดสินค้า SET | |
| รหัสสินค้าของฝั่งยึดอยู่กับที่ | รหัสสินค้าของฝั่งอุปกรณ์รองรับท่อ | |
| C-TFK3-SET | C-TFK3 | C-TFF3 |
| C-TFK4-SETS | C-TFK4 | C-TFF3 |
| C-TFK4-SET | C-TFK4 | C-TFF4 |
| C-TFK5-SET | C-TFK5 | C-TFF4 |
| C-TFK6-SET | C-TFK6 | C-TFF6 |
| C-TFK8-SET | C-TFK8 | C-TFF6 |
| C-TFK8S-SET | C-TFK8S | C-TFF6 |
| C-TFK10-SET | C-TFK10 | C-TFF10 |
| C-TFK10S-SET | C-TFK10S | C-TFF10 |
| C-TFK12-SET | C-TFK12 | C-TFF12 |
| C-TFK15-SET | C-TFK15 | C-TFF15 |
| C-TFK17-SET | C-TFK17 | C-TFF17 |
| C-TFK20-SET | C-TFK20 | C-TFF20 |
| C-TFK25-SET | C-TFK25 | C-TFF25 |
| C-TFK30-SET | C-TFK30 | C-TFF30 |




ด้านประคอง
ชนิด
จำนวน