ชุดลูกปืนจับยึดปลายเพลาสำหรับบอลสกรู ชนิดสี่เหลี่ยมด้านประคอง

ข้อควรระวัง
- สเปคขนาดใหม่จะได้รับการอัปเดตเร็วๆ นี้
- ดาวน์โหลดฟรี! >> แคตตาล็อกซีรี่ส์ ความคุ้มค่า ver2023 (TH-EN)_Part01 คลิกที่นี่
รายละเอียดสินค้า
・ ประเภทผลิตภัณฑ์: อุปกรณ์รองรับท่อสำหรับบอลสกรู ชนิดสี่เหลี่ยม อุปกรณ์รองรับท่อ ซีรีส์ C-TEF
・ นี่คือสินค้าราคาประหยัด ซึ่งราคาถูกกว่าสินค้ามาตรฐานของ MISUMI
・ เส้นผ่านศูนย์กลางภายนอก/O.D. เพลา ใช้บังคับ [mm]:6, 8, 10, 15, 20
・ ความสูงในการติดตั้งเพลา [mm]: 13, 17, 25, 30
・ วัสดุ: ทำจาก S45C พร้อมฟิล์มป้องกันเฟอร์โรเฟอริกออกไซด์ (ออกไซด์สีดำ)
・ อุปกรณ์รองรับพิเศษสำหรับลูกสกรูแบบรีด C7 ถึง C10 โดยไม่มีแรงดันเบื้องต้น ผลิตภัณฑ์นี้เชื่อมต่อด้านรองรับ (ไม่มีการเชื่อมต่อมอเตอร์) ของบอลสกรู โดยมีที่ยึดตลับลูกปืน ตลับลูกปืน และตัวล็อคเพื่อการรองรับที่แข็งแรง

| ชนิด | วัสดุ | กระบวนการเตรียมผิว |
| ① | ① | |
| C-TEF | เทียบเท่า S45C | การชุบออกไซด์สีดำ |
| *C-TEFHR | การชุบโครเมี่ยมสีดำที่อุณหภูมิต่ำ |
(*) การชุบโครเมี่ยมสีดำที่อุณหภูมิต่ำที่มีเครื่องหมาย (*) กำลังอยู่ระหว่างการเตรียมการ ขณะนี้สามารถรับคำขอสั่งผลิตพิเศษได้โดยมีเงื่อนไขขั้นต่ำในการสั่งซื้อ (MOQ)
| เบอร์ตลับลูกปืน | แรงประเมินสถิตพลวัต (N) | แรงประเมินสถิต (N) |
| 3 | 440 | 150 |
| 4 | 910 | 340 |
| 5 | 910 | 340 |
| 6 | 1580 | 580 |
| 8 | 1580 | 580 |
| 10 | 2310 | 960 |
| 12 | 3190 | 1380 |
| 15 | 3920 | 1980 |
| 20 | 8960 | 4620 |
| 25 | 9800 | 5500 |

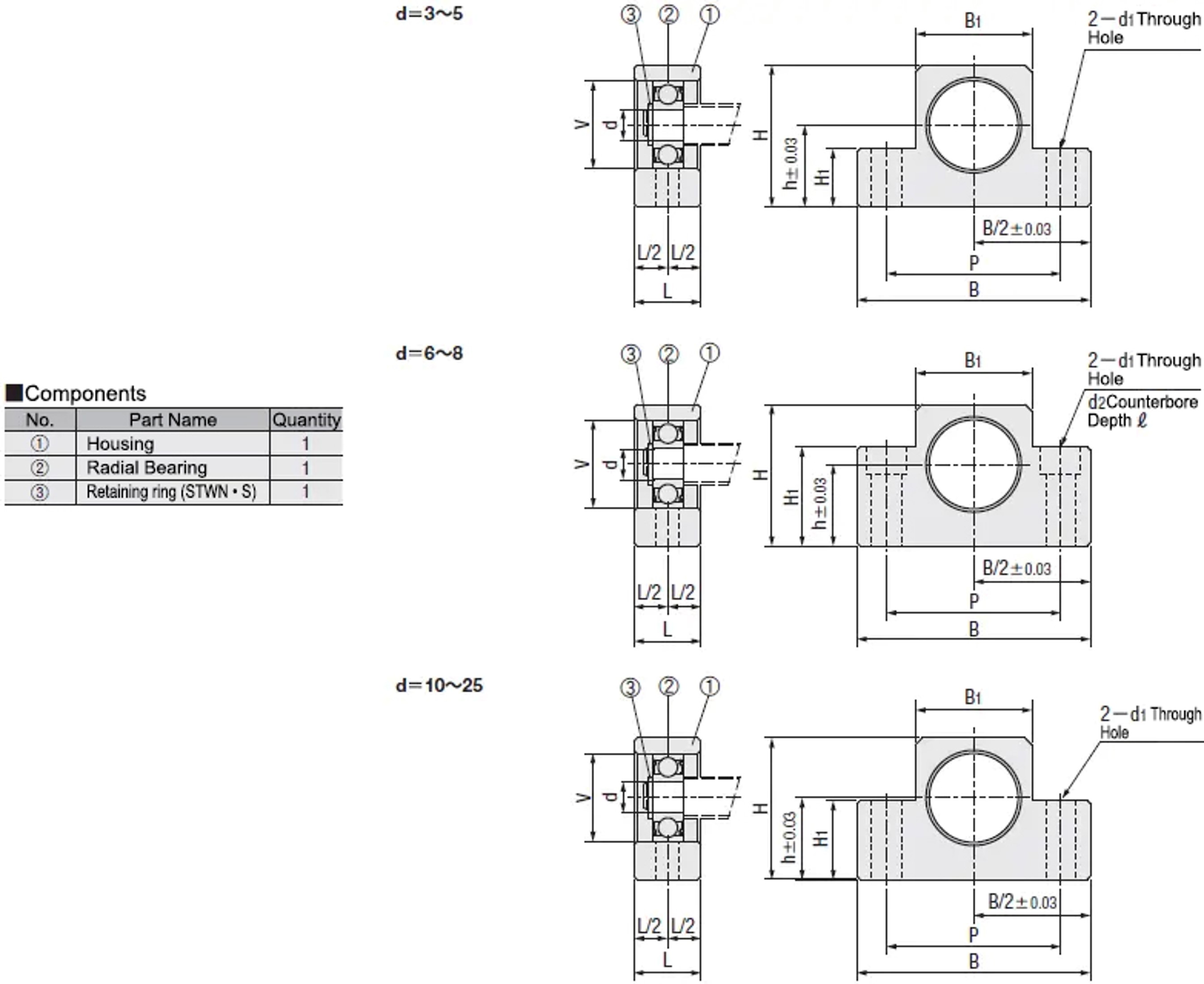
| รหัสรุ่น/ Part number | เส้นผ่านศูนย์กลางแกน d | L | B | H | ความสูงของเพลา h | B1 | H1 | P | V | d1 | d2 | ℓ | แหวนล็อค | |
ชนิด | จำนวน | |||||||||||||
| C-TEF (การชุบออกไซด์สีดำ) *C-TEFHR (การชุบโครเมี่ยมสีดำที่อุณหภูมิต่ำ) | 3 | 3 | 10 | 34 | 19 | 10 | 18 | 7 | 26 | 10 | 4.5 | — | — | ความหนา 0.25 |
| 4 | 4 | 13 | ความหนา 0.25 | |||||||||||
| 5 | 36 | 21 | 11 | 20 | 8 | 28 | ||||||||
| 6 | 6 | 12 | 42 | 25 | 13 | 18 | 20 | 30 | 17 | 5.5 | 9.5 | 11 | STWN6 | |
| 8 | 14 | 52 | 32 | 17 | 25 | 26 | 38 | 6.6 | 11 | 12 | ||||
| 10 | 8 | 20 | 70 | 43 | 25 | 36 | 24 | 52 | 22 | 9 | — | — | STWN8 | |
| 12 | 10 | 26 | STWN10 | |||||||||||
| 15 | 15 | 80 | 49 | 30 | 41 | 25 | 60 | 32 | STWN15 | |||||
| 20 | 20 | 26 | 95 | 58 | 56 | 75 | 47 | 11 | STWN20 | |||||
(1), (2) และ (3) เป็นส่วนประกอบแยกกัน กรุณาเก็บรักษาให้ถูกต้อง
(*) การชุบโครเมี่ยมสีดำที่อุณหภูมิต่ำที่มีเครื่องหมาย (*) กำลังอยู่ระหว่างการเตรียมการ ขณะนี้สามารถรับคำขอสั่งผลิตพิเศษได้โดยมีเงื่อนไขขั้นต่ำในการสั่งซื้อ (MOQ)

ประเภทการชุบออกไซด์สีดำมีความคุ้มค่า และสามารถต้านทานการกัดกร่อนได้หากมีการทาน้ำมันป้องกันอย่างสม่ำเสมอ
หากใช้งานในสภาพแวดล้อมที่มีความชื้นสูงหรือจำเป็นต้องการงานซ่อมบำรุงน้อย แนะนำให้ใช้โครเมี่ยมสีดำที่อุณหภูมิต่ำ
| สเปค | การชุบออกไซด์สีดำ | โครเมี่ยมสีดำที่อุณหภูมิต่ำ |
| วิธีการ | การเปลี่ยนแปลงทางเคมีบนผิวเหล็กเพื่อสร้างชั้นการชุบออกไซด์สีดำ | การชุบผิวโครเมี่ยมสีดำด้วยไฟฟ้าที่อุณหภูมิต่ำ โดยปกติจะมีชั้นรองพื้นนิกเกิล |
| คุณภาพพื้นผิว | สีดำด้าน มีแนวโน้มซีดจางเมื่อถูกขัดถู | สีดำเข้ม เรียบเนียน สีทนทาน สวยงามสูง |
| ความหนา การเคลือบผิว | บางมาก ประมาณ 0.5–1.5 µm แทบไม่มีการเปลี่ยนแปลงของมิติ | 0.3–2 µm และจะหนาขึ้นหากมีชั้นรองพื้น Ni |
| ความทนทานต่อการกัดกร่อน | ปานกลาง ขึ้นอยู่กับชั้นน้ำมัน; ไม่เหมาะสำหรับการใช้งานกลางแจ้งระยะยาว | สูงมาก ทนต่อสภาพแวดล้อมที่ชื้น/เค็ม อายุการใช้งานของชั้นเคลือบยาวนาน |
| ข้อดี | ต้นทุนต่ำ รวดเร็ว ไม่มีการเปลี่ยนแปลงมิติ สามารถนำกลับมาแปรรูปได้ง่าย | ความทนทานต่อการกัดกร่อนยอดเยี่ยม แข็ง สีทนทาน มีความสวยงามสูง |
| ข้อเสีย | ความทนทานต่อการกัดกร่อนต่ำหากไม่มีงานซ่อมบำรุง สีซีดจางได้ง่าย | กระบวนการซับซ้อน ต้นทุนสูงกว่า |







ชนิด
จำนวน