อลูมิเนียมโปรไฟล์ซีรีส์ 8-50 ขนาด 50x100 มม. ร่องกว้าง 10 มม.

ข้อควรระวัง
- จะมีการเพิ่มค่าขนส่งและค่าจัดส่ง สำหรับสินค้าที่ยาวเกิน 2,000.5 มม
- เนื่องจากข้อจำกัดในการขนส่งทางอากาศ ความยาวสูงสุดของสินค้าที่อนุญาตให้ขนส่งได้ต้องไม่เกิน 2,600 มม. หากวัตถุมีความยาวเกิน 2600 มม. ระยะเวลาการจัดส่งจะประมาณ 1.5 เดือน โปรดติดต่อ MISUMI สำหรับข้อมูลเพิ่มเติม
- สำหรับอลูมิเนียมเฟรม ซีรี่ส์ N กรุณาคลิกที่นี่ (อลูมิเนียมเฟรม ซีรี่ส์ N)
- ดาวน์โหลดฟรี! >> แค็ตตาลอกซีรีส์ Economy (TH-EN-FY25) คลิกที่นี่
รายละเอียดสินค้า
อลูมิเนียมโปรไฟล์ซีรีส์ 8-50/ร่องกว้าง 10/ขนาด 50 × 100 มม.
อลูมิเนียมโปรไฟล์เป็นอุปกรณ์สำหรับใช้สร้างโครงสร้างเครื่องจักรต่างๆ มีหลากหลายขนาด รูปทรงหน้าตัด รวมถึงกระบวนการเตรียมผิวต่างๆ ให้เลือกใช้
[คุณสมบัติ]
● รูปทรง: สี่เหลี่ยมผืนผ้า
● ความกว้างร่อง: 8 มม.
● หน้าตัด: 50 มม. x 100 มม.
จำนวนร่องด้านกว้าง = 1 ร่อง
จำนวนร่องด้านยาว = 2 ร่อง
● ความยาวรวม: สามารถกำหนดขนาดได้ตั้งแต่ 50 มม. ถึง 4000 มม. สามารถเพิ่มความยาวได้ต่ำสุดทีละ 0.5 มม.
● วัสดุ: อะลูมิเนียมเกรด A6N01SS-T5, เทียบเท่า A6061SS-T6, A6063S-T5 และ A6063S-T6
● กระบวนการเตรียมผิว: ชุบอโนไดซ์แบบไม่ย้อมสี และชุบอโนไดซ์สีดำ
[การใช้งาน]
ใช้สำหรับโครงสร้างเครื่องจักรอัตโนมัติในอุตสาหกรรมต่างๆ เช่น อุตสาหกรรมยานยนต์ อุตสาหกรรมอิเล็กทรอนิกส์ ฯลฯ
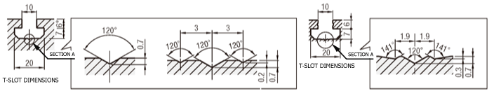
ดรออิ้งบอกขนาดของอลูมิเนียมโปรไฟล์
| EFS (รุ่นมาตรฐาน) | HFS (รุ่นมาตรฐาน) | GFS (ชนิดความแข็งเกร็งสูง) | ||
![]() | ![]() | ![]() |
![]() | อลูมิเนียมโปรไฟล์ซีรีส์ 8-45 | |
![]() | ||
| *ไม่มีข้อกำหนดความเผื่อสำหรับเฟรมความยาวคงที่ | ||

[ ! ]พื้นผิวที่ตัดและบริเวณที่มีการกลึงเพิ่มเติมจะไม่ได้รับการปรับสภาพผิว
[ ! ]อลูมิเนียมโปรไฟล์ หากคุณต้องการเพิ่มรูเกลียวเพิ่มเติม จะมีการดำเนินการในบริเวณที่วงกลมสีแดงบนแบบร่างโครงร่างอลูมิเนียมเฟรม
ตารางสเปคอลูมิเนียมโปรไฟล์ความยาวที่กำหนด (สามารถเพิ่มกระบวนการเพิ่มเติมได้)
| อลูมิเนียมโปรไฟล์รุ่นต่างๆ | — | L | |
| HFS8-50100 | — | 800 |
| ชนิด | วัสดุ | กระบวนการชุบผิว | รุ่น | L ระบุเพิ่มขึ้นครั้งละ 0.5 มม. (ความเผื่อ ±0.5 มม.) | น้ำหนัก กก./ ม. | พื้นที่หน้าตัด mm 2 | โมเมนต์ความเฉื่อย mm 4 | |
| ℓx | ℓy | |||||||
| HFS | A6005CSS-T5 | อลูมิเนียม อโนไดซ์สีขาว | HFS8-50100 | 5 0 ถึง 4 0 0 0 | 5.96 | 2206 | 51.67× 104 | 211.19× 104 |
| HFS | A6005CSS-T5 | อลูมิเนียมอโนไดซ์สีดำ | HFSB8-50100 | 5 0 ถึง 4 0 0 0 | 5.96 | 2206 | 51.67× 104 | 211.19× 104 |
| EFS | A6005CSS-T5 | อลูมิเนียม อโนไดซ์สีขาว | E F S 8 —5 0 1 0 0 | 5 0 ถึง 4 0 0 0 | 5.39 | 1996 | 53.0× 104 | 211.21× 104 |
| EFS | A6005CSS-T5 | อลูมิเนียมอโนไดซ์สีดำ | E F S B 8 —5 0 1 0 0 | 5 0 ถึง 4 0 0 0 | 5.39 | 1996 | 53.0× 104 | 211.21× 104 |
| GFS | เทียบเท่า A6061SS-T6 | อลูมิเนียม อโนไดซ์สีขาว | G F S 8 —5 0 1 0 0 | 5 0 ถึง 4 0 0 0 | 7 | 2593 | 68.08× 104 | 273.12× 104 |
ตารางสเปคอลูมิเนียมโปรไฟล์แบบความยาวคงที่ (ความยาวประสิทธิผล 4000 มม.)
| รุ่น | — | L | |
| KHFS8-50100 | — | 4000 |
| ชนิด | วัสดุ | กระบวนการชุบผิว | รุ่น | Lมม (ไม่ได้ระบุความเผื่อ) | พื้นที่หน้าตัด mm 2 | โมเมนต์ความเฉื่อย mm 4 | |
| ℓx | ℓy | ||||||
| HFS | A6005CSS-T5 | อลูมิเนียม อโนไดซ์สีขาว | K H F S 8 —5 0 1 0 0 | 4 0 0 0 | 2206 | 51.67× 104 | 211.19× 104 |
| HFS | A6005CSS-T5 | อลูมิเนียมอโนไดซ์สีดำ | K H F S B 8 —5 0 1 0 0 | 4 0 0 0 | 2206 | 51.67× 104 | 211.19× 104 |
| EFS | A6005CSS-T5 | อลูมิเนียม อโนไดซ์สีขาว | K E F S 8 —5 0 1 0 0 | 4 0 0 0 | 1996 | 53.0× 104 | 211.21× 104 |
| EFS | A6005CSS-T5 | อลูมิเนียมอโนไดซ์สีดำ | K E F S B 8 —5 0 1 0 0 | 4 0 0 0 | 1996 | 53.0× 104 | 211.21× 104 |
| GFS | เทียบเท่า A6061SS-T6 | อลูมิเนียม อโนไดซ์สีขาว | K G F S 8 —5 0 1 0 0 | 4 0 0 0 | 2593 | 68.08× 104 | 273.12× 104 |
ขนาดจริงรวมเผื่อสำหรับตัวจับชิ้นงานจะมีความยาว 4000 มม. ขึ้นไป (จะยาวกว่านี้อีกหลายสิบมิลลิเมตร)
อลูมิเนียมโปรไฟล์ เฟรมความยาวคงที่เป็นเฟรมที่ลูกค้าตัดเองตามการใช้งาน จึงไม่สามารถระบุความยาวที่แน่นอนได้
[ ! ]อลูมิเนียมโปรไฟล์ แนะนำให้ใช้งานที่อุณหภูมิทนความร้อนได้ไม่เกิน 70°C การคงอุณหภูมิไว้เหนือ 100°C อย่างต่อเนื่องจะทำให้เกิดการโก่งตัวเนื่องจากโหลดไฟฟ้า
อย่างไรก็ตาม อุณหภูมิสูงชั่วคราว เช่น ไอน้ำ สามารถทนได้ถึง 100°C
การปรับแต่งอลูมิเนียมโปรไฟล์ (เฉพาะความยาวที่กำหนด ไม่สามารถใช้กับความยาวคงที่)
เฟรมบางรุ่นไม่สามารถใช้งานได้ ขึ้นอยู่กับชนิดและขนาด กรุณาตรวจสอบรายการราคาบนแต่ละหน้าการปรับแต่งเพิ่มเติมเพื่อดูว่าสามารถใช้งานได้หรือไม่
อลูมิเนียมโปรไฟล์ วัตถุที่มีเครื่องหมาย " - " ในรายการราคาไม่สามารถใช้งานได้
| การจัดหมวดหมู่ | ชื่อรายการงานเพิ่มเติม | ตัวอย่างรหัสการปรับแต่งเพิ่มเติม | วิธีใช้ | คำอธิบาย |
|---|---|---|---|---|
| ต๊าปรูเกลียวหน้าส่วนปลาย | ต๊าปรูเกลียวหน้าส่วนปลาย (รูตรงกลาง) | LTP/RTP/TPW LHP/RHP/HPW | ![]() | เฟรมเป็นชนิดมีรูต๊าปเกลียว ■ชนิด HFS/EFS LTP/RTP/TPW: M12 ลึก 18 มม. (ใส่เฮลิเซิร์ต) LHP/RHP/HPW: M10 ลึก 18 มม. (ใส่เฮลิเซิร์ต) ■ชนิด GFSK LTP/RTP/TPW: M12 ลึก 36 มม. LHP/RHP/HPW: M8 ลึก 15 มม. (ใส่ helisert) ข้อต่อแบบปิด (ข้อต่อแบบขันสกรู / ข้อต่อแบบธรรมดา) ที่ต้องมีการทำงานนี้ |
| เปลี่ยนวิธีการตัด | การตัดงานละเอียด | SC | ![]() | อลูมิเนียมโปรไฟล์ ความเผื่อของความยาวรวม L ได้เปลี่ยนจาก L±0.5 เป็น L±0.2 เพื่อให้สามารถตัดงานละเอียดได้ * ใช้ได้กับ L≦1500 เท่านั้น |
| ตัด 45 องศา | L□T45 R□T45 | ![]() | อลูมิเนียมโปรไฟล์ จะทำการตัดที่มุม 45 องศา ไม่สามารถระบุการตัด 45 องศาในทิศทางเดียวกันร่วมกับการปรับแต่งเพิ่มเติมอื่นได้ ตัวอย่าง: HFS6-3030-500- L TP- LAT45 ⇒ ✖ (การปรับแต่งเพิ่มเติมในทิศทางเดียวกัน (ซ้าย)) HFS6-3030-500- L TP- RAT45 ⇒ ○ (การปรับแต่งเพิ่มเติมแยกซ้ายและขวา) [ ! ]อลูมิเนียมโปรไฟล์ หากต้องการตัดที่มุมอื่นนอกเหนือจาก 45 องศา กรุณาติดต่อบริการสินค้านอกมาตรฐานจากแคตตาล็อกของเรา. | |
| การขุดเจาะรูขันประแจ | รูขันประแจตำแหน่งคงที่ | LCH/LCV/LCP RCH/RCV/RCP | ![]() | อลูมิเนียมโปรไฟล์ จำเป็นต้องมีการ加工เพิ่มเติมนี้เพื่อเจาะรูขันประแจ (⌀8) ให้ตรงกับตำแหน่งของรูต๊าปที่ปลายหน้าของเฟรมที่ประกบกัน เมื่อทำการยึดข้อต่อแบบบลายด์ที่ใช้ประกอบเฟรมให้เป็นรูปตัว L ข้อต่อแบบบลายด์ที่ต้องมีการ加工นี้ (ข้อต่อแบบสกรู / ข้อต่อเดี่ยว / ข้อต่อแบบต๊าปเกลียว) |
ตำแหน่งรูถูกเลื่อนโดยความหนาของ เฟรมแคป | FL FR | ![]() | อลูมิเนียมโปรไฟล์ ตำแหน่งรูสำหรับรูขันประแจตำแหน่งคงที่เพิ่มเติมจะถูกเลื่อนโดยความหนาของฝาปิดเฟรม (3 มม.) สิ่งนี้ช่วยป้องกันไม่ให้ฝาครอบเฟรมยื่นออกมาเมื่อประกอบที่มุม | |
| รูขันประแจในตำแหน่งที่ระบุ | AH/BH/CH/DH/EH AV/BV/CV/DV/EV AP/BP/CP/DP/EP | ![]() | อลูมิเนียมโปรไฟล์ นี่คือกระบวนการเพิ่มเติมสำหรับการเจาะรูขันประแจ (⌀8) ในตำแหน่งใดก็ได้ สามารถใช้ได้เมื่อต้องการขันยึดข้อต่อแบบบลายด์ในตำแหน่งอื่นที่ไม่ใช่ปลายเฟรม · สามารถเจาะรูได้สูงสุดห้ารูในแต่ละทิศทาง ได้แก่ แนวนอน แนวตั้ง และแนวขวาง [ ! ] หากต้องการรูขันประแจหกตำแหน่งขึ้นไป กรุณาติดต่อ บริการสินค้านอกมาตรฐานของตู้เก็บแคตาลอคของเรา | |
| การเจาะรูคว้าน | แบบรูคว้านตำแหน่งที่ระบุ | Z8-XA○○ Z12-YA○○ | ![]() | อลูมิเนียมโปรไฟล์ นี่คือกระบวนการเพิ่มเติมสำหรับการเจาะรูคว้าน (เลือกจาก Z6, Z8 หรือ Z12) ได้ในตำแหน่งใดก็ได้ Z6: รูทะลุ ⌀6.5, รูคว้าน ⌀11, Z8: รูทะลุ ⌀9, รูคว้าน ⌀14, Z12: รูทะลุ ⌀13, รูคว้าน ⌀19 . สามารถเจาะรูได้สูงสุดห้ารูในทิศทางเดียว สำหรับโปรไฟล์ที่มีร่องหลายแถวในผิวหน้าด้านเดียว จะทำการเจาะรูคว้านในทุกร่อง [ ! ]อลูมิเนียมโปรไฟล์ หากคุณต้องการรูคว้านมากกว่าหกตำแหน่งหรือเปลี่ยนทิศทางของรูคว้าน กรุณาติดต่อบริการผลิตภัณฑ์นอกมาตรฐานของเรา |
| เจาะรูโดยเฉพาะสำหรับ ข้อต่อซ่อน | รู D | LDH RDH | ![]() | เจาะรูที่จำเป็นสำหรับการยึดข้อต่อเดี่ยว (ข้อต่อเดี่ยว) |
| รูตัว S | LSH/LSV RSH/RSV | ![]() | เจาะรูที่จำเป็นสำหรับยึดข้อต่อคู่ที่ติดตั้งเป็นอันดับแรก (ข้อต่อคู่ที่ติดตั้งเป็นอันดับแรก). | |
| รู M | LMH/LMV RMH/RMV | ![]() | เจาะรูที่จำเป็นสำหรับเชื่อมต่อข้อต่อคู่หลังประกอบและข้อต่อกลาง (ข้อต่อคู่หลังประกอบเสา / ข้อต่อกลาง) | |
| การประมวลผลอื่น ๆ | GFS series ต๊าปเกลียวที่ปลายหน้า | LTS/RTS/TSW | ![]() | อลูมิเนียมโปรไฟล์ เราทำการต๊าปเกลียวที่จำเป็นสำหรับติดตั้งแผ่นปิดปลายโดยเฉพาะสำหรับเฟรมที่มีความแข็งแรงสูง (แผ่นเพลทชนิดแข็ง) |
| ปลายลบมุมแบบ C | CW | ![]() | อลูมิเนียมโปรไฟล์ ส่วนรอบนอกของหน้าตัดปลายเฟรมจะถูกลบมุม | |
| การติดสติ๊กเกอร์ | ZZZ | ![]() | สติ๊กเกอร์ที่พิมพ์หมายเลข catalog ฯลฯ จะถูกติดไว้ที่อลูมิเนียมโปรไฟล์ อลูมิเนียมโปรไฟล์ มีข้อจำกัดเกี่ยวกับจำนวนตัวอักษร เป็นต้น แต่ยังสามารถพิมพ์หมายเลขซีเรียลของลูกค้าและหมายเลขหน่วยได้ด้วย |
ชิ้นส่วนที่เกี่ยวข้องกับอลูมิเนียมโปรไฟล์ซีรีส์ 8-45
■ อุปกรณ์เสริมอลูมิเนียมโปรไฟล์
| ชื่อผลิตภัณฑ์ | เหล็กยึด | ข้อต่อซ่อนมุม | น๊อตตัวเมีย | ฝาครอบเฟรม | ฝาปิดร่อง |
|---|---|---|---|---|---|
| ภาพถ่าย | ![]() | ![]() | ![]() | ![]() | ![]() |
| หน้าผลิตภัณฑ์ | ที่นี่ | ที่นี่ | ที่นี่ | ที่นี่ | ที่นี่ |
■ อลูมิเนียมโปรไฟล์ รายการเฟรมแคปรองรับการใช้งาน
| หมายเลขรุ่นเฟรม | เฟรมแคปรองรับการใช้งาน | |||||
| ประเภทสินค้า | สี | ความหนา | รหัสรุ่นสินค้า | จำนวนครั้งที่ใช้ | ||
| HFS8-50100 HFSB8-50100 EFS8-50100 EFSB8-50100 เฟรมความยาวคงที่ (รหัสรุ่นสินค้าที่ขึ้นต้นด้วย K) ก็เหมือนกันเช่นกัน | ![]() | ฝาครอบสต๊อปเปอร์ | สีดำ | 3 | HFC8-50100-B | 1 |
| สีเทาอ่อน | 3 | HFC8-50100-S | 1 | |||
ข้อมูลช่วยในการเลือกของอลูมิเนียมโปรไฟล์
วิธีการเชื่อมต่อสามารถแบ่งออกได้เป็น 2 ประเภทหลักดังนี้
เหล็กยึด | ข้อต่อซ่อนมุม | ||
ตัวอย่างการเชื่อมต่อ | ![]() | ![]() | |
คุณสมบัติ | - เชื่อมต่อด้านนอกของเฟรม - สามารถย้ายไปยังตำแหน่งใดก็ได้ - ไม่สวยงาม | · เชื่อมต่อภายในเฟรม · สวยงาม · ต้องมีการแปรรูปกรอบ |
[ ! ]สำหรับอลูมิเนียมโปรไฟล์ น้ำหนักบรรทุกที่ยอมให้ตามแนวทางคือโหลดไฟฟ้าที่ทำให้โปรไฟล์เกิดระยะโก่งไม่เกิน 1 มม. ต่อความยาว 1000 มม.
ระยะโก่งที่เกินกว่านี้จะไม่ทำให้เกิดความเสียหาย แต่ควรถือว่าเป็นความโก่งสูงสุดที่ใช้งานได้จริง (ความโก่งที่ยอมรับได้ตามแนวทางจะเป็นสัดส่วนกับความยาว) ตัวอย่างเช่น 500 มม. = 0.5 มม., 2000 มม. = 2 มม.) กรุณาอ้างอิง
ตารางแนวทางความแข็งแรงของอลูมิเนียมโปรไฟล์ หรือ ตารางคำนวณระยะโก่ง/สูตรคำนวณระยะโก่งแบบง่าย เพื่อใช้อ้างอิง


























