อลูมิเนียมโปรไฟล์ซีรีส์ 8 รูปตัว R ขนาด 80x80x40 มม.

ข้อควรระวัง
- จะมีการเพิ่มค่าขนส่งและค่าจัดส่ง สำหรับสินค้าที่ยาวเกิน 2,000.5 มม
- เนื่องจากข้อจำกัดในการขนส่งทางอากาศ ความยาวสูงสุดของสินค้าที่อนุญาตให้ขนส่งได้ต้องไม่เกิน 2,600 มม. หากวัตถุมีความยาวเกิน 2600 มม. ระยะเวลาการจัดส่งจะประมาณ 1.5 เดือน โปรดติดต่อ MISUMI สำหรับข้อมูลเพิ่มเติม
- สำหรับอลูมิเนียมเฟรม ซีรี่ส์ N กรุณาคลิกที่นี่ (อลูมิเนียมเฟรม ซีรี่ส์ N)
- ดาวน์โหลดฟรี! >> แค็ตตาลอกซีรีส์ Economy (TH-EN-FY25) คลิกที่นี่
รายละเอียดสินค้า
อลูมิเนียมโปรไฟล์ ซีรีส์ 8 / ร่องกว้าง 10 / ขนาด 80 × 80 × 40 มม.
อลูมิเนียมโปรไฟล์เป็นอุปกรณ์สำหรับใช้สร้างโครงสร้างเครื่องจักร โดยใช้สำหรับสร้างมุมของโครงสร้างเครื่องจักร มีให้เลือกหลากหลายทั้งขนาด รูปทรงหน้าตัด และกระบวนการเตรียมผิวต่างๆ
[คุณสมบัติ]
● รูปทรง: มุมเหลี่ยมมีฟิลเลต
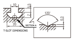
● ความกว้างร่อง: 10 มม. / มีร่องเพียง 2 ด้าน อีก 2 ด้านเป็นแบบปิด
● หน้าตัด: ขนาดรวม 80 มม. x 80 มม., ขนาดอลูมิเนียมโปรไฟล์ 40 × 40 มม.
● ความยาวรวม: สามารถกำหนดขนาดได้ตั้งแต่ 50 มม. ถึง 4000 มม. สามารถเพิ่มความยาวได้ต่ำสุดทีละ 0.5 มม.
● วัสดุ: อะลูมิเนียมเกรด A6N01SS-T5 และ A6063S-T5
● กระบวนการเตรียมผิว: อโนไดซ์ใส
[การใช้งาน]
ใช้สำหรับโครงสร้างเครื่องจักรอัตโนมัติในอุตสาหกรรมต่างๆ เช่น อุตสาหกรรมยานยนต์ อุตสาหกรรมอิเล็กทรอนิกส์ ฯลฯ
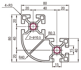
ดรออิ้งบอกขนาดของอลูมิเนียมโปรไฟล์


| อลูมิเนียมโปรไฟล์ซีรีส์ 8 |
![]() |

[ ! ]อลูมิเนียมโปรไฟล์ พื้นผิวที่ตัดและบริเวณที่มีการกลึงเพิ่มเติมจะไม่ได้รับการปรับพื้นผิว
[ ! ]หากคุณร้องขอรูต๊าปเกลียวเพิ่มเติม จะมีการดำเนินการในบริเวณที่วงกลมสีแดงในภาพวาดโครงร่างอลูมิเนียมโปรไฟล์
[ ! ]อลูมิเนียมโปรไฟล์, เฟรมแคปไม่สามารถใช้ได้กับสินค้านี้ เราไม่ให้บริการนอกเหนือจากสเปคที่ระบุไว้ในแคตตาล็อก
ตารางสเปคอลูมิเนียมโปรไฟล์ความยาวที่กำหนด (สามารถเพิ่มกระบวนการเพิ่มเติมได้)
| อลูมิเนียมโปรไฟล์รุ่นต่างๆ | — | L |
| HFSR8-808040 | — | 800 |
| ชนิด | วัสดุ | กระบวนการชุบผิว | รุ่น | L ระบุเพิ่มขึ้นครั้งละ 0.5 มม. (ความเผื่อ ±0.5 มม.) | น้ำหนัก กก./ ม. | พื้นที่หน้าตัด mm 2 | โมเมนต์ความเฉื่อย mm 4 | |
| ℓx | ℓy | |||||||
| HFS | A6005CSS-T5 | อลูมิเนียม อโนไดซ์สีขาว | HFSR 8-808040 | 5 0 ถึง 4 0 0 0 | 3.61 | 1339 | 80.99× 104 | 80.99× 104 |
การปรับแต่งอลูมิเนียมโปรไฟล์ (เฉพาะความยาวที่กำหนด ไม่สามารถใช้กับความยาวคงที่)
[ ! ]อลูมิเนียมโปรไฟล์ โดยการใช้การปรับแต่งต่าง ๆ ที่ระบุไว้ด้านล่างนี้ อลูมิเนียมโปรไฟล์ความยาวที่กำหนดของ MISUMI สามารถประกอบได้อย่างยืดหยุ่นมากขึ้นเฟรมบางรุ่นไม่สามารถใช้งานได้ ขึ้นอยู่กับชนิดและขนาด กรุณาตรวจสอบรายการราคาบนแต่ละหน้าการปรับแต่งเพิ่มเติมเพื่อดูว่าสามารถใช้งานได้หรือไม่
อลูมิเนียมโปรไฟล์ วัตถุที่มีเครื่องหมาย " - " ในรายการราคาไม่สามารถใช้งานได้
| การจัดหมวดหมู่ | ชื่อรายการงานเพิ่มเติม | ตัวอย่างรหัสการปรับแต่งเพิ่มเติม | วิธีใช้ | คำอธิบาย |
|---|---|---|---|---|
| ต๊าปรูเกลียวหน้าส่วนปลาย | ต๊าปรูเกลียวหน้าส่วนปลาย (รูตรงกลาง) | LTP/RTP/TPW LHP/RHP/HPW | ![]() | เฟรมเป็นชนิดมีรูต๊าปเกลียว LTP/RTP/TPW: M12 ลึก 36 มม. LHP/RHP/HPW: M8 ลึก 15 มม. (ใส่เฮลิคอลอินเสิร์ตแล้ว) อลูมิเนียมโปรไฟล์ การแปรรูปนี้จำเป็นสำหรับข้อต่อแบบบอด (ข้อต่อแบบสกรู / ข้อต่อแบบธรรมดา). |
| เปลี่ยนวิธีการตัด | การตัดงานละเอียด | SC | ![]() | อลูมิเนียมโปรไฟล์ ความเผื่อของความยาวรวม L ได้เปลี่ยนจาก L±0.5 เป็น L±0.2 เพื่อให้สามารถตัดงานละเอียดได้ * ใช้ได้กับ L≦1500 เท่านั้น |
| เจาะรูโดยเฉพาะสำหรับ ข้อต่อซ่อน | รู L | JLP○○-H△ KLP○○-H△ | ![]() | เจาะรูที่จำเป็นสำหรับเชื่อมต่อข้อต่อขนาน (ข้อต่อแบบขนาน) |
| การประมวลผลอื่น ๆ | ปลายลบมุมแบบ C | CW | ![]() | อลูมิเนียมโปรไฟล์ ส่วนรอบนอกของหน้าตัดปลายเฟรมจะถูกลบมุม |
| การติดสติ๊กเกอร์ | ZZZ | ![]() | สติ๊กเกอร์ที่พิมพ์หมายเลข catalog ฯลฯ จะถูกติดไว้ที่อลูมิเนียมโปรไฟล์ อลูมิเนียมโปรไฟล์ มีข้อจำกัดเกี่ยวกับจำนวนตัวอักษร เป็นต้น แต่ยังสามารถพิมพ์หมายเลขซีเรียลของลูกค้าและหมายเลขหน่วยได้ด้วย |
ชิ้นส่วนที่เกี่ยวข้องกับอลูมิเนียมโปรไฟล์ซีรีส์ 8
■ อุปกรณ์เสริมอลูมิเนียมโปรไฟล์
| ชื่อผลิตภัณฑ์ | เหล็กยึด | ข้อต่อซ่อนมุม | น๊อตตัวเมีย | ฝาครอบเฟรม | ฝาปิดร่อง |
|---|---|---|---|---|---|
| ภาพถ่ายอลูมิเนียมโปรไฟล์ | ![]() | ![]() | ![]() | ![]() | ![]() |
| หน้าผลิตภัณฑ์ | ที่นี่ | ที่นี่ | ที่นี่ | ที่นี่ | ที่นี่ |










