อลูมิเนียมโปรไฟล์ซีรีส์ 8 ขนาด 80x160 มม. ร่องกว้าง 10 มม.

ข้อควรระวัง
- จะมีการเพิ่มค่าขนส่งและค่าจัดส่ง สำหรับสินค้าที่ยาวเกิน 2,000.5 มม
- เนื่องจากข้อจำกัดในการขนส่งทางอากาศ ความยาวสูงสุดของสินค้าที่อนุญาตให้ขนส่งได้ต้องไม่เกิน 2,600 มม. หากวัตถุมีความยาวเกิน 2600 มม. ระยะเวลาการจัดส่งจะประมาณ 1.5 เดือน โปรดติดต่อ MISUMI สำหรับข้อมูลเพิ่มเติม
- สำหรับอลูมิเนียมเฟรม ซีรี่ส์ N กรุณาคลิกที่นี่ (อลูมิเนียมเฟรม ซีรี่ส์ N)
รายละเอียดสินค้า
อลูมิเนียมโปรไฟล์ ซีรีส์ 8 / ร่องกว้าง 10 / ขนาด 80 × 160 มม.
อลูมิเนียมเฟรมเป็นอุปกรณ์สำหรับใช้สร้างโครงสร้างเครื่องจักรต่างๆ มีหลากหลายขนาด รูปทรงหน้าตัด รวมถึงกระบวนการชุบผิวต่างๆ ให้เลือกใช้
[คุณสมบัติ]
● รูปทรง: สี่เหลี่ยมผืนผ้า
● ร่องกว้าง: 10 มม.
● หน้าตัดสี่เหลี่ยมผืนผ้า: 80 x 160 มม.
จำนวนร่องกว้าง x ความยาว = 2 x 4 ร่อง
จำนวนด้านที่มีร่อง = 4 ด้าน
● ความยาวรวม: สามารถกำหนดขนาดได้ตั้งแต่ 50 ถึง 4000 มม. และเพิ่มความยาวขั้นต่ำได้ครั้งละ 0.5 มม.
● วัสดุ: อะลูมิเนียมเกรด A6N01SS-T5 และ A6063S-T5
● กระบวนการเตรียมผิว: ชุบอโนไดซ์แบบไม่ย้อมสี และชุบอโนไดซ์สีดำ
[การใช้งาน]
ใช้สำหรับโครงสร้างเครื่องจักรอัตโนมัติในอุตสาหกรรมต่างๆ เช่น อุตสาหกรรมยานยนต์ อุตสาหกรรมอิเล็กทรอนิกส์ ฯลฯ
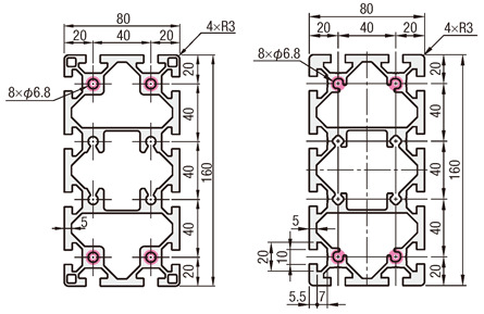
ดรออิ้งบอกขนาดของอลูมิเนียมโปรไฟล์

![]() | อลูมิเนียมโปรไฟล์ซีรีส์ 8 | |
![]() |

[ ! ]อลูมิเนียมโปรไฟล์ หากคุณระบุรูต๊าปเกลียวเพิ่มเติม จะมีการดำเนินการที่บริเวณที่วงกลมสีแดงไว้ในภาพวาดโครงร่างอลูมิเนียมโปรไฟล์
ตารางสเปคอลูมิเนียมโปรไฟล์ความยาวที่กำหนด (สามารถเพิ่มกระบวนการเพิ่มเติมได้)
| อลูมิเนียมโปรไฟล์รุ่นต่างๆ | — | L |
| HFS8-80160 | — | 800 |
| ชนิด | วัสดุ | กระบวนการชุบผิว | รุ่น | L ระบุเพิ่มขึ้นครั้งละ 0.5 มม. (ความเผื่อ ±0.5 มม.) | น้ำหนัก กก./ ม. | พื้นที่หน้าตัด mm 2 | โมเมนต์ความเฉื่อย mm 4 | |
| ℓx | ℓy | |||||||
| HFS | A6005CSS-T5 | อลูมิเนียม อโนไดซ์สีขาว | HFS8-80160 | 5 0 ถึง 4 0 0 0 | 10.51 | 3891 | 295× 104 | 1001× 104 |
| HFS | A6005CSS-T5 | อลูมิเนียมอโนไดซ์สีดำ | HFSB8-80160 | 5 0 ถึง 4 0 0 0 | 10.51 | 3891 | 295× 104 | 1001× 104 |
| EFS | A6005CSS-T5 | อลูมิเนียม อโนไดซ์สีขาว | E F S 8 —8 0 1 6 0 | 5 0 ถึง 4 0 0 0 | 9.83 | 3643 | 304.4× 104 | 1007× 104 |
ตารางสเปคอลูมิเนียมโปรไฟล์แบบความยาวคงที่ (ความยาวประสิทธิผล 4000 มม.)
| อลูมิเนียมโปรไฟล์รุ่นต่างๆ | — | L |
| KHFS8-80160 | — | 4000 |
| ชนิด | วัสดุ | กระบวนการชุบผิว | รุ่น | L มม. (ไม่ได้ระบุความเผื่อ) *1 | พื้นที่หน้าตัด mm 2 | โมเมนต์ความเฉื่อย mm 4 | |
| ℓx | ℓy | ||||||
| HFS | A6005CSS-T5 | อลูมิเนียม อโนไดซ์สีขาว | K H F S 8 —8 0 1 6 0 | 4 0 0 0 | 3891 | 295× 104 | 1001× 104 |
| HFS | A6005CSS-T5 | อลูมิเนียมอโนไดซ์สีดำ | K H F S B 8 —8 0 1 6 0 | 4 0 0 0 | 3891 | 295× 104 | 1001× 104 |
| EFS | A6005CSS-T5 | อลูมิเนียม อโนไดซ์สีขาว | K E F S 8 —8 0 1 6 0 | 4 0 0 0 | 3643 | 304.4× 104 | 1006× 104 |
ขนาดจริงรวมระยะเผื่อสำหรับตัวจับชิ้นงานจะมีความยาว 4000 มม. ขึ้นไป (จะยาวกว่านี้อีกหลายสิบมิลลิเมตร)
เฟรมแบบความยาวคงที่จะต้องถูกตัดโดยลูกค้า จึงไม่สามารถระบุความยาวที่แน่นอนได้
การปรับแต่งอลูมิเนียมโปรไฟล์ (เฉพาะความยาวที่กำหนด ไม่สามารถใช้กับความยาวคงที่)
เฟรมบางรุ่นไม่สามารถใช้งานได้ ขึ้นอยู่กับชนิดและขนาด กรุณาตรวจสอบรายการราคาบนแต่ละหน้าการปรับแต่งเพิ่มเติมเพื่อดูว่าสามารถใช้งานได้หรือไม่
อลูมิเนียมโปรไฟล์ วัตถุที่มีเครื่องหมาย " - " ในรายการราคาไม่สามารถใช้งานได้
| การจัดหมวดหมู่ | ชื่อรายการงานเพิ่มเติม | ตัวอย่างรหัสการปรับแต่งเพิ่มเติม | วิธีใช้ | คำอธิบาย |
|---|---|---|---|---|
| ต๊าปรูเกลียวหน้าส่วนปลาย | ต๊าปรูเกลียวหน้าส่วนปลาย (รูตรงกลาง) | LTP/RTP/TPW LHP/RHP/HPW | ![]() | เฟรมเป็นชนิดมีรูต๊าปเกลียว LTP/RTP/TPW: M8 ลึก 24 มม. LHP/RHP/HPW: M5 ลึก 10 มม. (ใส่เฮลิคอลอินเสิร์ตแล้ว) อลูมิเนียมโปรไฟล์ การแปรรูปนี้จำเป็นสำหรับข้อต่อแบบบอด (ข้อต่อแบบสกรู / ข้อต่อแบบธรรมดา). |
| เปลี่ยนวิธีการตัด | การตัดงานละเอียด | SC | ![]() | อลูมิเนียมโปรไฟล์ ความเผื่อของความยาวรวม L ได้เปลี่ยนจาก L±0.5 เป็น L±0.2 เพื่อรองรับการตัดที่มีความแม่นยำสูง * ใช้ได้กับ L≦1500 เท่านั้น |
| ตัด 45 องศา | L□T45 R□T45 | ![]() | ตัดที่มุม 45 องศา ไม่สามารถระบุการตัด 45 องศาในทิศทางเดียวกันร่วมกับการปรับแต่งเพิ่มเติมอื่นได้ ตัวอย่าง: HFS6-3030-500- L TP- LAT45 ⇒ ✖ (การปรับแต่งเพิ่มเติมในทิศทางเดียวกัน (ซ้าย)) HFS6-3030-500- L TP- RAT45 ⇒ ○ (การปรับแต่งเพิ่มเติมแยกซ้ายและขวา) [ ! ]อลูมิเนียมโปรไฟล์ หากต้องการตัดที่มุมอื่นนอกเหนือจาก 45 องศา กรุณาติดต่อบริการสินค้านอกมาตรฐานจากแคตตาล็อกของเรา. | |
| การขุดเจาะรูขันประแจ | รูขันประแจตำแหน่งคงที่ | LCH/LCV/LCP RCH/RCV/RCP | ![]() | อลูมิเนียมโปรไฟล์ จำเป็นต้องมีการ加工เพิ่มเติมนี้เพื่อเจาะรูขันประแจ (⌀8) ให้ตรงกับตำแหน่งของเทปที่ปลายหน้าของเฟรมที่ประกบกัน เมื่อทำการยึดข้อต่อแบบบลายด์ที่ใช้ประกอบเฟรมให้เป็นรูปตัว L ข้อต่อแบบบลายด์ที่ต้องมีการ加工นี้ (ข้อต่อแบบสกรู / ข้อต่อเดี่ยว / ข้อต่อแบบต๊าปเกลียว) |
ตำแหน่งรูถูกเลื่อนโดยความหนาของ เฟรมแคป | FL FR | ![]() | อลูมิเนียมโปรไฟล์ ตำแหน่งรูสำหรับรูขันประแจตำแหน่งคงที่เพิ่มเติมจะถูกเลื่อนโดยความหนาของฝาปิดเฟรม (3 มม.) สิ่งนี้ช่วยป้องกันไม่ให้ฝาครอบเฟรมยื่นออกมาเมื่อประกอบที่มุม | |
| รูขันประแจในตำแหน่งที่ระบุ | Ah/bh/ch/dh/eh | ![]() | อลูมิเนียมโปรไฟล์ นี่คือกระบวนการเพิ่มเติมสำหรับการเจาะรูขันประแจ (⌀8) ในตำแหน่งใดก็ได้ สามารถใช้ได้เมื่อต้องการขันยึดข้อต่อแบบบลายด์ในตำแหน่งอื่นที่ไม่ใช่ปลายเฟรม · สามารถเจาะรูได้สูงสุดห้ารูในแต่ละทิศทาง ได้แก่ แนวนอน แนวตั้ง และแนวขวาง [ ! ] หากต้องการรูขันประแจหกตำแหน่งขึ้นไป กรุณาติดต่อ บริการสินค้านอกมาตรฐานของตู้เก็บแคตาลอคของเรา | |
| การเจาะรูคว้าน | แบบรูคว้านตำแหน่งที่ระบุ | Z12-YA○○ | ![]() | อลูมิเนียมโปรไฟล์ นี่คือกระบวนการเพิ่มเติมสำหรับการเจาะรูคว้าน (เลือกจาก Z6, Z8 หรือ Z12) ได้ในตำแหน่งใดก็ได้ Z6: รูทะลุ ⌀6.5, รูคว้าน ⌀11, Z8: รูทะลุ ⌀9, รูคว้าน ⌀14, Z12: รูทะลุ ⌀13, รูคว้าน ⌀19 . สามารถเจาะรูได้สูงสุดห้ารูในทิศทางเดียว อลูมิเนียมโปรไฟล์ สำหรับโปรไฟล์ที่มีร่องหลายแถวบนผิวด้านเดียวกัน จะทำการเจาะรูคว้านในทุกร่อง [ ! ]หากคุณต้องการรูคว้านมากกว่าหกตำแหน่ง หรือเปลี่ยนทิศทางของรูคว้าน กรุณาติดต่อฝ่ายบริการผลิตภัณฑ์นอกมาตรฐานของเรา. |
| เจาะรูโดยเฉพาะสำหรับ ข้อต่อซ่อน | รู D | LDH RDH | ![]() | เจาะรูที่จำเป็นสำหรับการยึดข้อต่อเดี่ยว (ข้อต่อเดี่ยว) |
| รูตัว S | LSH RSH | ![]() | เจาะรูที่จำเป็นสำหรับยึดข้อต่อคู่ที่ติดตั้งเป็นอันดับแรก (ข้อต่อคู่ที่ติดตั้งเป็นอันดับแรก). | |
| รู M | LMH RMH | ![]() | เจาะรูที่จำเป็นสำหรับเชื่อมต่อข้อต่อคู่หลังประกอบและข้อต่อกลาง (ข้อต่อคู่หลังประกอบเสา / ข้อต่อกลาง) | |
| รู L | JLP○○-H△ KLP○○-H△ | ![]() | เจาะรูที่จำเป็นสำหรับเชื่อมต่อข้อต่อขนาน (ข้อต่อแบบขนาน) | |
| การประมวลผลอื่น ๆ | ปลายลบมุมแบบ C | CW | ![]() | อลูมิเนียมโปรไฟล์ ส่วนรอบนอกของหน้าตัดปลายเฟรมจะถูกลบมุม |
| การติดสติ๊กเกอร์ | ZZZ | ![]() | อลูมิเนียมโปรไฟล์ มีการติดสติ๊กเกอร์ที่พิมพ์หมายเลขแคตตาล็อก ฯลฯ ลงบนอลูมิเนียมโปรไฟล์ มีข้อจำกัดเกี่ยวกับจำนวนตัวอักษร เป็นต้น แต่ก็สามารถพิมพ์หมายเลขซีเรียลและหมายเลขหน่วยของลูกค้าได้เช่นกัน |
ชิ้นส่วนที่เกี่ยวข้องกับอลูมิเนียมโปรไฟล์ซีรีส์ 8
■ อุปกรณ์เสริมอลูมิเนียมโปรไฟล์
| ชื่อผลิตภัณฑ์ | เหล็กยึด | ข้อต่อซ่อนมุม | น๊อตตัวเมีย | ฝาครอบเฟรม | ฝาปิดร่อง |
|---|---|---|---|---|---|
| ภาพถ่าย | ![]() | ![]() | ![]() | ![]() | ![]() |
| หน้าผลิตภัณฑ์ | ที่นี่ | ที่นี่ | ที่นี่ | ที่นี่ | ที่นี่ |
■ อลูมิเนียมโปรไฟล์ รายการเฟรมแคปรองรับการใช้งาน
หมายเลขรุ่นเฟรม | เฟรมแคปรองรับการใช้งาน | |||||
ประเภทสินค้า | สี | ความหนา | รหัสรุ่นสินค้า | จำนวนครั้งที่ใช้ | ||
| HFS8-80160 HFSB8-80160 EFS8-80160 อลูมิเนียมโปรไฟล์, เฟรมความยาวคงที่ (รหัสรุ่นสินค้าที่ขึ้นต้นด้วย K) ก็เหมือนกัน | ![]() | ฝาครอบสต๊อปเปอร์ | สีดำ | 3 | 2 | |
สีเทาอ่อน | 3 | 2 | ||||
![]() | ยึดด้วยสลักเกลียว | สีดำ | 3 | 2 | ||
สีเทาอ่อน | 3 | 2 | ||||
สีเหลือง | 3 | 2 | ||||
ข้อมูลช่วยในการเลือกของอลูมิเนียมโปรไฟล์
วิธีการเชื่อมต่อสามารถแบ่งออกได้เป็น 2 ประเภทหลักดังนี้
เหล็กยึด | ข้อต่อซ่อนมุม | ||
ตัวอย่างการเชื่อมต่อ | ![]() | ![]() | |
คุณสมบัติ | - เชื่อมต่อด้านนอกของเฟรม - สามารถย้ายไปยังตำแหน่งใดก็ได้ - ไม่สวยงาม | · เชื่อมต่อภายในเฟรม · สวยงาม · ต้องมีการแปรรูปกรอบ |
[ ! ]สำหรับอลูมิเนียมโปรไฟล์ น้ำหนักบรรทุกที่ยอมให้ตามแนวทางคือโหลดไฟฟ้าที่ทำให้โปรไฟล์เกิดระยะโก่งไม่เกิน 1 มม. ต่อความยาว 1000 มม.
ระยะโก่งที่เกินกว่านี้จะไม่ทำให้เกิดความเสียหาย แต่ควรถือว่าเป็นความโก่งสูงสุดที่ใช้งานได้จริง (ความโก่งที่ยอมรับได้ตามแนวทางจะเป็นสัดส่วนกับความยาว) ตัวอย่างเช่น 500 มม. = 0.5 มม., 2000 มม. = 2 มม.) กรุณาอ้างอิง
ตารางแนวทางความแข็งแรงของโครงอะลูมิเนียม หรือ ตารางคำนวณระยะโก่งแบบง่าย/สูตรคำนวณระยะโก่ง เพื่อใช้อ้างอิง

ภาพรวมประเภทของอลูมิเนียมโปรไฟล์
| อลูมิเนียมโปรไฟล์มาตรฐาน | อลูมิเนียมโปรไฟล์น้ำหนักเบา | อลูมิเนียมโปรไฟล์ความแข็งเกร็งสูง | ||||||
| ชนิด HFS | ชนิด EFS | NFS (NEFS) ชนิด | ประเภท HFSL | ประเภท NFSL | ประเภท GFS | ประเภท GNFS | ||
| ภาพถ่ายหน้าตัด | ![]() | ![]() | ![]() | ![]() | ![]() | ![]() | ![]() | |
| วัสดุ | A6005CSS-T5 | A6005CSS-T5 | A6063S-T5 | A6005CSS-T5 | A6063S-T5 | เทียบเท่า A6061SS-T6 | เทียบเท่า A6063S-T6 | |
| คุณสมบัติ | รูปทรงพื้นที่หน้าตัดมาตรฐาน | อลูมิเนียมโปรไฟล์ เฟรมนี้ยังคงความแข็งแรงเทียบเท่ากับซีรีส์ HFS ในขณะที่มีน้ำหนักเบากว่าและต้นทุนต่ำกว่า | สามารถลดราคาลงได้อย่างมากโดยการเปลี่ยนวัสดุ ความแข็งแรง (*) เทียบเท่ากับซีรีส์ HFS และ EFS | อลูมิเนียมโปรไฟล์ เฟรมนี้ออกแบบมาให้มีน้ำหนักเบาและราคาประหยัด เหมาะสำหรับสถานการณ์ที่ให้ความสำคัญกับน้ำหนักเบาและราคาไม่แพงมากกว่าความแข็งแรง | โดยการเปลี่ยนวัสดุจาก HFSL เราสามารถลดราคาลงได้อีก ความแข็งแรง (*) เทียบเท่ากับซีรีส์ HFSL | อลูมิเนียมโปรไฟล์ เป็นกรอบหนาที่ออกแบบมาเพื่อความแข็งแรงสูง เหมาะสำหรับตู้หรือโครงสร้างที่ต้องรับโหลดไฟฟ้าสูง | สามารถลดราคาลงได้อย่างมากโดยการเปลี่ยนวัสดุของโครงรับน้ำหนักและโครงที่มีความแข็งแรง โดยความแข็งแรง (*) เทียบเท่ากับซีรีส์ GFS | |
| กระบวนการ เตรียมผิว | อะลูมิเนียมอโนไดซ์สีขาว , อะลูมิเนียมอโนไดซ์สีดำ , เคลือบใส , กระบวนการอบสี (สีเหลือง) | อลูมิเนียม อโนไดซ์สีขาว อลูมิเนียม อโนไดซ์สีดำ | อลูมิเนียม อโนไดซ์สีขาว อลูมิเนียม อโนไดซ์สีดำ | อลูมิเนียม อโนไดซ์สีขาว อลูมิเนียม อโนไดซ์สีดำ | อลูมิเนียม อโนไดซ์สีขาว | อลูมิเนียม อโนไดซ์สีขาว | อลูมิเนียม อโนไดซ์สีขาว | |
| รองรับการใช้งาน ซีรีส์ | 5 | ○ | — | ○ | — | — | — | — |
| 6 | ○ | ○ | ○ | ○ | ○ | |||
| 8 | ||||||||
| 8-45 | ||||||||






























