อลูมิเนียมโปรไฟล์ซีรีส์ 8 สี่เหลี่ยม 40x40 มม. 2 ด้าน อลูมิเนียม A6N01SS-T5

ข้อควรระวัง
- จะมีการเพิ่มค่าขนส่งและค่าจัดส่ง สำหรับสินค้าที่ยาวเกิน 2,000.5 มม
- เนื่องจากข้อจำกัดในการขนส่งทางอากาศ ความยาวสูงสุดของสินค้าที่อนุญาตให้ขนส่งได้ต้องไม่เกิน 2,600 มม. หากวัตถุมีความยาวเกิน 2600 มม. ระยะเวลาการจัดส่งจะประมาณ 1.5 เดือน โปรดติดต่อ MISUMI สำหรับข้อมูลเพิ่มเติม
- สำหรับอลูมิเนียมเฟรม ซีรี่ส์ N กรุณาคลิกที่นี่ (อลูมิเนียมเฟรม ซีรี่ส์ N)
- ดาวน์โหลดฟรี! >> แค็ตตาลอกซีรีส์ Economy (TH-EN-FY25) คลิกที่นี่
รายละเอียดสินค้า
อลูมิเนียมโปรไฟล์ ซีรีส์ 8 / ร่องกว้าง 10 / ขนาด 40 × 40 มม.
อลูมิเนียมโปรไฟล์เป็นอุปกรณ์สำหรับใช้สร้างโครงสร้างเครื่องจักร โดยใช้สำหรับสร้างมุมของโครงสร้างเครื่องจักร มีให้เลือกหลากหลายทั้งขนาด รูปทรงหน้าตัด และกระบวนการเตรียมผิวต่างๆ
[คุณสมบัติ]
● รูปร่าง: สี่เหลี่ยม
● ความกว้างร่อง: 10 มม.
● พื้นที่หน้าตัด: 40 × 40 มม.
จำนวนความกว้างร่อง x ความยาว = 1 X 1 ร่อง
จำนวนด้านที่มีร่อง = 2 ด้าน
● ความยาวรวม: สามารถกำหนดขนาดได้ตั้งแต่ 50 มม. ถึง 4000 มม. สามารถเพิ่มความยาวได้ต่ำสุดทีละ 0.5 มม.
● วัสดุ: อะลูมิเนียมเกรด A6N01SS-T5, เทียบเท่า A6061SS-T6 และ A6063S-T5
● กระบวนการเตรียมผิว: ชุบอโนไดซ์แบบไม่ย้อมสี และชุบอโนไดซ์สีดำ
[การใช้งาน]
ใช้สำหรับโครงสร้างเครื่องจักรอัตโนมัติในอุตสาหกรรมต่างๆ เช่น อุตสาหกรรมยานยนต์ อุตสาหกรรมอิเล็กทรอนิกส์ ฯลฯ
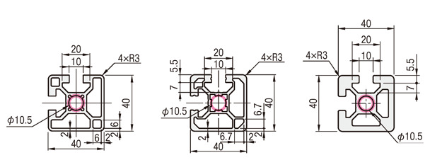
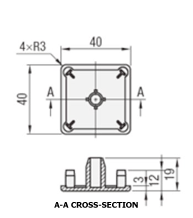
ดรออิ้งบอกขนาดของอลูมิเนียมโปรไฟล์

![]() | อลูมิเนียมโปรไฟล์ซีรีส์ 8 | |
![]() | ||
| *ไม่มีข้อกำหนดความเผื่อสำหรับเฟรมความยาวคงที่ | ||

[ ! ]อลูมิเนียมโปรไฟล์ พื้นผิวที่ตัดและบริเวณที่มีการกลึงเพิ่มเติมจะไม่ได้รับการปรับพื้นผิว
[ ! ]หากคุณร้องขอรูต๊าปเกลียวเพิ่มเติม จะมีการดำเนินการในบริเวณที่วงกลมสีแดงบนภาพวาดโครงร่างอลูมิเนียมโปรไฟล์
ตารางสเปคอลูมิเนียมโปรไฟล์ความยาวที่กำหนด (สามารถเพิ่มกระบวนการเพิ่มเติมได้)
| อลูมิเนียมโปรไฟล์รุ่นต่างๆ | — | L |
| HFST8 -4040 | — | 800 |
| ชนิด | วัสดุ | กระบวนการชุบผิว | รุ่น | L ระบุเพิ่มขึ้นครั้งละ 0.5 มม. (ความเผื่อ ±0.5 มม.) | น้ำหนัก กก./ ม. | พื้นที่หน้าตัด mm 2 | โมเมนต์ความเฉื่อย mm 4 | |
| ℓx | ℓy | |||||||
| HFS | A6005CSS-T5 | อลูมิเนียม อโนไดซ์สีขาว | H F S T 8 —4 0 4 0 | 5 0 ถึง 4 0 0 0 | 1.61 | 596 | 9.86× 104 | 9.82× 104 |
| HFS | A6005CSS-T5 | อลูมิเนียมอโนไดซ์สีดำ | H F S T B 8 —4 0 4 0 | 5 0 ถึง 4 0 0 0 | 1.61 | 596 | 9.86× 104 | 9.82× 104 |
| EFS | A6005CSS-T5 | อลูมิเนียม อโนไดซ์สีขาว | E F S T 8 —4 0 4 0 | 5 0 ถึง 4 0 0 0 | 1.51 | 558 | 9.92 × 104 | 9.92 × 104 |
| EFS | A6005CSS-T5 | อลูมิเนียมอโนไดซ์สีดำ | E F S T B 8 —4 0 4 0 | 5 0 ถึง 4 0 0 0 | 1.51 | 558 | 9.92 × 104 | 9.92 × 104 |
| GFS | เทียบเท่า A6061SS-T6 | อลูมิเนียม อโนไดซ์สีขาว | G F S T 8 —4 0 4 0 | 5 0 ถึง 4 0 0 0 | 2.28 | 846 | 14.57× 104 | 14.57× 104 |
ตารางสเปคอลูมิเนียมโปรไฟล์แบบความยาวคงที่ (ความยาวประสิทธิผล 4000 มม.)
| อลูมิเนียมโปรไฟล์รุ่นต่างๆ | — | L |
| KHFST8-4040 | — | 4000 |
| ชนิด | วัสดุ | กระบวนการชุบผิว | รุ่น | Lมม (ไม่ได้ระบุความเผื่อ) *1 | พื้นที่หน้าตัด mm 2 | โมเมนต์ความเฉื่อย mm 4 | |
| ℓx | ℓy | ||||||
| HFS | A6005CSS-T5 | อลูมิเนียม อโนไดซ์สีขาว | K H F S T 8 —4 0 4 0 | 4 0 0 0 | 596 | 9.86× 104 | 9.82× 104 |
| HFS | A6005CSS-T5 | อลูมิเนียมอโนไดซ์สีดำ | K H F S T B 8 —4 0 4 0 | 4 0 0 0 | 596 | 9.86× 104 | 9.82× 104 |
| EFS | A6005CSS-T5 | อลูมิเนียม อโนไดซ์สีขาว | K E F S T 8 —4 0 4 0 | 4 0 0 0 | 558 | 9.92 × 104 | 9.92 × 104 |
| EFS | A6005CSS-T5 | อลูมิเนียมอโนไดซ์สีดำ | K E F S T B 8 —4 0 4 0 | 4 0 0 0 | 558 | 9.92 × 104 | 9.92 × 104 |
| GFS | เทียบเท่า A6061SS-T6 | อลูมิเนียม อโนไดซ์สีขาว | K G F S T 8 —4 0 4 0 | 4 0 0 0 | 846 | 14.57× 104 | 14.57× 104 |
ขนาดจริงรวมระยะเผื่อสำหรับตัวจับชิ้นงานจะมีความยาว 4000 มม. ขึ้นไป (จะยาวกว่านี้อีกหลายสิบมิลลิเมตร)
อลูมิเนียมโปรไฟล์แบบความยาวคงที่จะต้องตัดโดยลูกค้าเอง จึงไม่สามารถระบุความยาวที่แน่นอนได้
การปรับแต่งอลูมิเนียมโปรไฟล์ (เฉพาะความยาวที่กำหนด ไม่สามารถใช้กับความยาวคงที่)
[ ! ]อลูมิเนียมโปรไฟล์ โดยการใช้การปรับแต่งต่าง ๆ ที่ระบุไว้ด้านล่างนี้ อลูมิเนียมโปรไฟล์ความยาวที่กำหนดของ MISUMI สามารถประกอบได้อย่างยืดหยุ่นมากขึ้นเฟรมบางรุ่นไม่สามารถใช้งานได้ ขึ้นอยู่กับชนิดและขนาด กรุณาตรวจสอบรายการราคาบนแต่ละหน้าการปรับแต่งเพิ่มเติมเพื่อดูว่าสามารถใช้งานได้หรือไม่
อลูมิเนียมโปรไฟล์ วัตถุที่มีเครื่องหมาย " - " ในรายการราคาไม่สามารถใช้งานได้
| การจัดหมวดหมู่ | ชื่อรายการงานเพิ่มเติม | ตัวอย่างรหัสการปรับแต่งเพิ่มเติม | วิธีใช้ | คำอธิบาย |
|---|---|---|---|---|
| ต๊าปรูเกลียวหน้าส่วนปลาย | ต๊าปรูเกลียวหน้าส่วนปลาย (รูตรงกลาง) | LTP/RTP/TPW LHP/RHP/HPW | ![]() | เฟรมเป็นชนิดมีรูต๊าปเกลียว LTP/RTP/TPW: M12 ลึก 36 มม. LHP/RHP/HPW: M8 ลึก 15 มม. (ใส่เฮลิคอลอินเสิร์ตแล้ว) การทำงานนี้จำเป็นสำหรับข้อต่อแบบปิดตาย (ข้อต่อแบบสกรู / ข้อต่อแบบธรรมดา). |
| เปลี่ยนวิธีการตัด | การตัดงานละเอียด | SC | ![]() | อลูมิเนียมโปรไฟล์ ความเผื่อของความยาวรวม L ได้เปลี่ยนจาก L±0.5 เป็น L±0.2 เพื่อให้สามารถตัดงานละเอียดได้ * ใช้ได้กับ L≦1500 เท่านั้น |
| ตัด 45 องศา | L□T45 R□T45 | ![]() | อลูมิเนียมโปรไฟล์ จะทำการตัดที่มุม 45 องศา ไม่สามารถระบุการตัด 45 องศาในทิศทางเดียวกันร่วมกับการปรับแต่งเพิ่มเติมอื่นได้ ตัวอย่าง: HFS6-3030-500- L TP- LAT45 ⇒ ✖ (การปรับแต่งเพิ่มเติมในทิศทางเดียวกัน (ซ้าย)) HFS6-3030-500- L TP- RAT45 ⇒ ○ (การปรับแต่งเพิ่มเติมแยกซ้ายและขวา) [ ! ]หากต้องการตัดในมุมอื่นที่ไม่ใช่ 45 องศา กรุณาติดต่อบริการ ผลิตภัณฑ์นอกมาตรฐานจากแคตตาล็อกของเรา | |
| การขุดเจาะรูขันประแจ | รูขันประแจตำแหน่งคงที่ | LCH/LCV/LCP RCH/RCV/RCP | ![]() | อลูมิเนียมโปรไฟล์ จำเป็นต้องมีการ加工เพิ่มเติมนี้เพื่อเจาะรูขันประแจ (⌀8) ให้ตรงกับตำแหน่งของรูต๊าปที่ปลายหน้าของเฟรมที่ประกบกัน เมื่อทำการยึดข้อต่อแบบบลายด์ที่ใช้ประกอบเฟรมให้เป็นรูปตัว L ข้อต่อแบบบลายด์ที่ต้องมีการ加工นี้ (ข้อต่อแบบสกรู / ข้อต่อเดี่ยว / ข้อต่อแบบต๊าปเกลียว) |
ตำแหน่งรูถูกเลื่อนโดยความหนาของ เฟรมแคป | FL FR | ![]() | อลูมิเนียมโปรไฟล์ รูขันประแจในตำแหน่งที่กำหนดจะถูกเลื่อนโดยความหนาของเฟรมแคป (3 มม.) สิ่งนี้ช่วยป้องกันไม่ให้เฟรมแคปยื่นออกมาเมื่อประกอบเข้ามุม | |
| รูขันประแจในตำแหน่งที่ระบุ | AH/BH/CH/DH/EH AV/BV/CV/DV/EV AP/BP/CP/DP/EP | ![]() | อลูมิเนียมโปรไฟล์ นี่คือกระบวนการเพิ่มเติมสำหรับการเจาะรูขันประแจ (⌀8) ในตำแหน่งใดก็ได้ สามารถใช้ได้เมื่อต้องการขันยึดข้อต่อแบบบลายด์ในตำแหน่งอื่นที่ไม่ใช่ปลายเฟรม · สามารถเจาะรูได้สูงสุดห้ารูในแต่ละทิศทาง ได้แก่ แนวนอน แนวตั้ง และแนวขวาง [ ! ] หากต้องการรูขันประแจหกตำแหน่งขึ้นไป กรุณาติดต่อ บริการสินค้านอกมาตรฐานของตู้เก็บแคตาลอคของเรา | |
| การเจาะรูคว้าน | แบบรูคว้านตำแหน่งที่ระบุ | Z8-XA○○ | ![]() | อลูมิเนียมโปรไฟล์ นี่คือกระบวนการเพิ่มเติมสำหรับการเจาะรูคว้าน (เลือกจาก Z6, Z8 หรือ Z12) ได้ในตำแหน่งใดก็ได้ Z6: รูทะลุ ⌀6.5, รูคว้าน ⌀11, Z8: รูทะลุ ⌀9, รูคว้าน ⌀14, Z12: รูทะลุ ⌀13, รูคว้าน ⌀19 . สามารถเจาะรูได้สูงสุดห้ารูในทิศทางเดียว สำหรับโปรไฟล์ที่มีร่องหลายแถวในผิวหน้าด้านเดียว จะทำการเจาะรูคว้านในทุกร่อง [ ! ]อลูมิเนียมโปรไฟล์ หากคุณต้องการรูคว้านมากกว่าหกตำแหน่งหรือเปลี่ยนทิศทางของรูคว้าน กรุณาติดต่อบริการผลิตภัณฑ์นอกมาตรฐานของเรา |
| เจาะรูโดยเฉพาะสำหรับ ข้อต่อซ่อน | รู D | LDH/LDV RDH/RDV | ![]() | เจาะรูที่จำเป็นสำหรับการยึดข้อต่อเดี่ยว (ข้อต่อเดี่ยว) |
| รู M | LMH/LMV RMH/RMV | ![]() | เจาะรูที่จำเป็นสำหรับเชื่อมต่อข้อต่อคู่หลังประกอบและข้อต่อกลาง (ข้อต่อคู่หลังประกอบเสา / ข้อต่อกลาง) | |
| รู L | JLP○○-H△ | ![]() | เจาะรูที่จำเป็นสำหรับเชื่อมต่อข้อต่อขนาน (ข้อต่อแบบขนาน) | |
| การประมวลผลอื่น ๆ | GFS series ต๊าปเกลียวที่ปลายหน้า | LTS/RTS/TSW | ![]() | อลูมิเนียมโปรไฟล์ เราทำการต๊าปเกลียวที่จำเป็นสำหรับติดตั้งแผ่นปิดปลายโดยเฉพาะสำหรับเฟรมที่มีความแข็งแรงสูง (แผ่นเพลทชนิดแข็ง) |
| ปลายลบมุมแบบ C | CW | ![]() | บริเวณรอบนอกของปลายกรอบถูกทำการทําแชมเฟอร์ | |
| การติดสติ๊กเกอร์ | ZZZ | ![]() | อลูมิเนียมโปรไฟล์ มีการติดสติ๊กเกอร์ที่พิมพ์หมายเลขแคตตาล็อก ฯลฯ ลงบนอลูมิเนียมโปรไฟล์ มีข้อจำกัดเกี่ยวกับจำนวนตัวอักษร เป็นต้น แต่ก็สามารถพิมพ์หมายเลขซีเรียลและหมายเลขหน่วยของลูกค้าได้เช่นกัน |
ชิ้นส่วนที่เกี่ยวข้องกับอลูมิเนียมโปรไฟล์ซีรีส์ 8
■ อุปกรณ์เสริมอลูมิเนียมโปรไฟล์
| ชื่อผลิตภัณฑ์ | เหล็กยึด | ข้อต่อซ่อนมุม | น๊อตตัวเมีย | ฝาครอบเฟรม | ฝาปิดร่อง |
|---|---|---|---|---|---|
| ภาพถ่าย | ![]() | ![]() | ![]() | ![]() | ![]() |
| หน้าผลิตภัณฑ์ | ที่นี่ | ที่นี่ | ที่นี่ | ที่นี่ | ที่นี่ |
■ อลูมิเนียมโปรไฟล์ รายการเฟรมแคปรองรับการใช้งาน
| หมายเลขรุ่นเฟรม | เฟรมแคปรองรับการใช้งาน | |||||
| ประเภทสินค้า | สี | ความหนา | รหัสรุ่นสินค้า | จำนวนครั้งที่ใช้ | ||
| HFST8-4040 HFSTB8-4040 EFST8-4040 EFSTB8-4040 เฟรมความยาวคงที่ (รหัสรุ่นสินค้าที่ขึ้นต้นด้วย K) ก็เหมือนกัน | ![]() | ฝาครอบสต๊อปเปอร์ | สีดำ | 3 | HFC8-4040-B | 1 |
| สีเทาอ่อน | 3 | HFC8-4040-S | 1 | |||
![]() | ฝาครอบสต๊อปเปอร์ (ชนิดขายาว) | สีดำ | 3 | HFCL8-4040-B | 1 | |
| สีเทาอ่อน | 3 | HFCL8-4040-S | 1 | |||
![]() | ยึดด้วยสลักเกลียว | สีดำ | 3 | HFCB8-4040-B | 1 | |
| สีเทาอ่อน | 3 | HFCB8-4040-S | 1 | |||
| สีเหลือง | 3 | HFCB8-4040-Y | 1 | |||
ข้อมูลช่วยในการเลือกของอลูมิเนียมโปรไฟล์
วิธีการเชื่อมต่อเฟรมสามารถแบ่งออกได้เป็น 2 ประเภทหลักดังนี้
เหล็กยึด | ข้อต่อซ่อนมุม | ||
ตัวอย่างการเชื่อมต่อ | ![]() | ![]() | |
คุณสมบัติ | - เชื่อมต่อด้านนอกของเฟรม - สามารถย้ายไปยังตำแหน่งใดก็ได้ - ไม่สวยงาม | · เชื่อมต่อภายในเฟรม · สวยงาม · ต้องมีการแปรรูปกรอบ |
[ ! ]สำหรับอลูมิเนียมโปรไฟล์ น้ำหนักบรรทุกที่ยอมให้ตามแนวทางคือโหลดไฟฟ้าที่ทำให้โปรไฟล์เกิดระยะโก่งไม่เกิน 1 มม. ต่อความยาว 1000 มม.
ระยะโก่งที่เกินกว่านี้จะไม่ทำให้เกิดความเสียหาย แต่ควรถือว่าเป็นความโก่งสูงสุดที่เหมาะสมในการใช้งาน (ความโก่งที่ยอมรับได้ตามแนวทางจะเป็นสัดส่วนกับความยาว) ตัวอย่างเช่น 500 มม. = 0.5 มม., 2000 มม. = 2 มม.) กรุณาอ้างอิง
ตารางแนวทางความแข็งแรงของอลูมิเนียมโปรไฟล์ หรือ ตารางคำนวณระยะโก่งแบบง่าย/สูตรคำนวณระยะโก่ง เพื่อใช้อ้างอิง

ภาพรวมประเภทของอลูมิเนียมโปรไฟล์
| อลูมิเนียมโปรไฟล์มาตรฐาน | อลูมิเนียมโปรไฟล์น้ำหนักเบา | อลูมิเนียมโปรไฟล์ความแข็งเกร็งสูง | ||||||
| ชนิด HFS | ชนิด EFS | NFS (NEFS) ชนิด | ประเภท HFSL | ประเภท NFSL | ประเภท GFS | ประเภท GNFS | ||
| ภาพถ่ายหน้าตัด | ![]() | ![]() | ![]() | ![]() | ![]() | ![]() | ![]() | |
| วัสดุ | A6005CSS-T5 | A6005CSS-T5 | A6063S-T5 | A6005CSS-T5 | A6063S-T5 | เทียบเท่า A6061SS-T6 | เทียบเท่า A6063S-T6 | |
| คุณสมบัติ | รูปทรงพื้นที่หน้าตัดมาตรฐาน | อลูมิเนียมโปรไฟล์ เฟรมนี้ยังคงความแข็งแรงเทียบเท่ากับซีรีส์ HFS ในขณะที่มีน้ำหนักเบากว่าและต้นทุนต่ำกว่า | สามารถลดราคาลงได้อย่างมากโดยการเปลี่ยนวัสดุ ความแข็งแรง (*) เทียบเท่ากับซีรีส์ HFS และ EFS | อลูมิเนียมโปรไฟล์ เฟรมนี้ออกแบบมาให้มีน้ำหนักเบาและราคาประหยัด เหมาะสำหรับสถานการณ์ที่ให้ความสำคัญกับน้ำหนักเบาและราคาไม่แพงมากกว่าความแข็งแรง | โดยการเปลี่ยนวัสดุจาก HFSL เราสามารถลดราคาลงได้อีก ความแข็งแรง (*) เทียบเท่ากับซีรีส์ HFSL | อลูมิเนียมโปรไฟล์ โครงที่มีความหนา ออกแบบมาเพื่อความแข็งแรงสูง เหมาะสำหรับงานที่ต้องรับโหลดไฟฟ้าสูง | สามารถลดราคาลงได้อย่างมากโดยการเปลี่ยนวัสดุของโครงรับน้ำหนักและโครงที่มีความแข็งแรง โดยความแข็งแรง (*) เทียบเท่ากับซีรีส์ GFS | |
| กระบวนการ เตรียมผิว | อะลูมิเนียมอโนไดซ์สีขาว , อะลูมิเนียมอโนไดซ์สีดำ , เคลือบใส , กระบวนการอบสี (สีเหลือง) | อลูมิเนียม อโนไดซ์สีขาว อลูมิเนียม อโนไดซ์สีดำ | อลูมิเนียม อโนไดซ์สีขาว อลูมิเนียม อโนไดซ์สีดำ | อลูมิเนียม อโนไดซ์สีขาว อลูมิเนียม อโนไดซ์สีดำ | อลูมิเนียม อโนไดซ์สีขาว | อลูมิเนียม อโนไดซ์สีขาว | อลูมิเนียม อโนไดซ์สีขาว | |
| รองรับการใช้งาน ซีรีส์ | 5 | ○ | — | ○ | — | — | — | — |
| 6 | ○ | ○ | ○ | ○ | ○ | |||
| 8 | ||||||||
| 8-45 | ||||||||































