อลูมิเนียมโปรไฟล์ซีรีส์ 8 สี่เหลี่ยม 40x40 มม. 4 ด้าน อลูมิเนียม A6N01SS-T5

ข้อควรระวัง
- สีของผลิตภัณฑ์และบรรจุภัณฑ์มีการเปลี่ยนแปลง ดูรายละเอียดเพิ่มเติมได้ที่ >> คลิกที่นี่
- จะมีการเพิ่มค่าขนส่งและค่าจัดส่ง สำหรับสินค้าที่ยาวเกิน 2,000.5 มม
- เนื่องจากข้อจำกัดในการขนส่งทางอากาศ ความยาวสูงสุดของสินค้าที่อนุญาตให้ขนส่งได้ต้องไม่เกิน 2,600 มม. หากวัตถุมีความยาวเกิน 2600 มม. ระยะเวลาการจัดส่งจะประมาณ 1.5 เดือน โปรดติดต่อ MISUMI สำหรับข้อมูลเพิ่มเติม
- สำหรับอลูมิเนียมเฟรม ซีรี่ส์ N กรุณาคลิกที่นี่ (อลูมิเนียมเฟรม ซีรี่ส์ N)
- ดาวน์โหลดฟรี! >> แค็ตตาลอกซีรีส์ Economy (TH-EN-FY25) คลิกที่นี่
รายละเอียดสินค้า
อลูมิเนียมโปรไฟล์ ซีรีส์ 8 / ร่องกว้าง 10 / ขนาด 40 × 40 มม.
อลูมิเนียมเฟรมเป็นอุปกรณ์ใช้สำหรับสร้างโครงสร้างเครื่องจักร มีให้เลือกหลากหลายทั้งขนาด รูปทรงหน้าตัด และกระบวนการชุบผิวต่างๆ
[คุณสมบัติ]
● รูปทรง: แบบเหลี่ยม.
● ความกว้างร่อง: 10 มม. /1 ร่อง
● พื้นที่ตัดขวาง: 40 มม. X 40 มม.
● ความยาวรวม: สามารถกำหนดขนาดได้ตั้งแต่ 50 มม. ถึง 4000 มม. สามารถเพิ่มความยาวได้ต่ำสุดทีละ 0.5 มม.
● วัสดุ: อะลูมิเนียมเกรด A6N01SS-T5, เทียบเท่า A6061SS-T6, A6063S-T5 และเทียบเท่า A6063S-T6
● กระบวนการเตรียมผิว: อโนไดซ์ใส/ดำ, เคลือบใส
[การใช้งาน]
ใช้สำหรับโครงสร้างเครื่องจักรอัตโนมัติในอุตสาหกรรมต่างๆ เช่น อุตสาหกรรมยานยนต์ อุตสาหกรรมอิเล็กทรอนิกส์ ฯลฯ
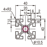
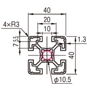
ดรออิ้งบอกขนาดของอลูมิเนียมโปรไฟล์
| HFS (รุ่นมาตรฐาน) | EFS (รุ่นมาตรฐาน) | HFSL (รุ่นน้ำหนักเบา) | GFS (ชนิดความแข็งเกร็งสูง) | |||
![]() | ![]() | ![]() | ![]() |

| อลูมิเนียมโปรไฟล์ซีรีส์ 8 |
![]() |

)
ชนิด)
)
[ ! ]อลูมิเนียมโปรไฟล์ พื้นผิวที่ตัดและบริเวณที่มีการตัดแต่งเพิ่มเติมจะไม่ได้รับการปรับพื้นผิว
[ ! ]หากมีการระบุการต๊าปเกลียวปลาย จะมีการตัดแต่งขึ้นรูปด้วยเครื่องจักรในบริเวณที่วงกลมสีแดงไว้
อลูมิเนียมโปรไฟล์ความยาวที่กำหนด (สามารถตัดแต่งขึ้นรูปด้วยเครื่องจักรเพิ่มเติมได้)
| อลูมิเนียมโปรไฟล์รุ่นต่างๆ | L | ||
| HFS8-4040 | — | 800 |
| ชนิด | วัสดุ | กระบวนการชุบผิว | รุ่น | L ระบุเพิ่มขึ้นครั้งละ 0.5 มม. (ความเผื่อ ±0.5 มม.) | น้ำหนัก กก./ ม. | พื้นที่หน้าตัด mm 2 | โมเมนต์ความเฉื่อย mm 4 | |
| ℓx | ℓy | |||||||
| HFS | A6005CSS-T5 | อลูมิเนียม อโนไดซ์สีขาว | HFS8-4040 | 5 0 ถึง 4 0 0 0 | 1.73 | 640 | 10.4× 104 | 10.4× 104 |
| HFS | A6005CSS-T5 | อลูมิเนียมอโนไดซ์สีดำ | HFSB8-4040 | 5 0 ถึง 4 0 0 0 | 1.73 | 640 | 10.4× 104 | 10.4× 104 |
| HFS | A6005CSS-T5 | เคลือบใส | C A F 8 —4 0 4 0 | 5 0 ถึง 4 0 0 0 | 1.73 | 640 | 10.4× 104 | 10.4× 104 |
| HFS | A6005CSS-T5 | กระบวนการอบสี (เหลือง) *1 | H F S Y 8 —4 0 4 0 | 5 0 ถึง 4 0 0 0 | 1.73 | 640 | 10.4× 104 | 10.4× 104 |
| HFSL | A6005CSS-T5 | อลูมิเนียม อโนไดซ์สีขาว | H F S L 8 —4 0 4 0 | 5 0 ถึง 4 0 0 0 | 1.27 | 478 | 7.54× 104 | 7.54× 104 |
| HFSL | A6005CSS-T5 | อลูมิเนียมอโนไดซ์สีดำ | H F S L B 8 —4 0 4 0 | 5 0 ถึง 4 0 0 0 | 1.27 | 478 | 7.54× 104 | 7.54× 104 |
| EFS | A6005CSS-T5 | อลูมิเนียม อโนไดซ์สีขาว | EFS8-4040 | 5 0 ถึง 4 0 0 0 | 1.61 | 596 | 10.5× 104 | 10.5× 104 |
| EFS | A6005CSS-T5 | อลูมิเนียมอโนไดซ์สีดำ | E F S B 8 —4 0 4 0 | 5 0 ถึง 4 0 0 0 | 1.61 | 596 | 10.5× 104 | 10.5× 104 |
| GFS | เทียบเท่า A6061SS-T6 | อลูมิเนียม อโนไดซ์สีขาว | GFS8-4040 | 5 0 ถึง 4 0 0 0 | 2.17 | 806 | 13.76× 104 | 13.76× 104 |
[ ! ]อลูมิเนียมโปรไฟล์ หากต้องการความยาว 6000 มม. โดยไม่ผ่านกระบวนการอโนไดซิ่ง
ตารางสเปคอลูมิเนียมโปรไฟล์แบบความยาวคงที่ (ความยาว 4000/1000 มม.)
| อลูมิเนียมโปรไฟล์รุ่นต่างๆ | L | ||
| KHFS8-4040 | — | 1000 | |
| KGFS8-4040 | — | 4000 |
| ชนิด | วัสดุ | กระบวนการชุบผิว | รุ่น | L มม. (ไม่ได้ระบุความเผื่อ) *2 | พื้นที่หน้าตัด mm 2 | โมเมนต์ความเฉื่อย mm 4 | |
| ℓx | ℓy | ||||||
| HFS | A6005CSS-T5 | อลูมิเนียม อโนไดซ์สีขาว | K H F S 8 —4 0 4 0 | 4 0 0 0 | 640 | 10.4× 104 | 10.4× 104 |
| HFS | A6005CSS-T5 | อลูมิเนียม อโนไดซ์สีขาว | K H F S 8 —4 0 4 0 | 1 0 0 0 | 640 | 10.4× 104 | 10.4× 104 |
| HFS | A6005CSS-T5 | อลูมิเนียมอโนไดซ์สีดำ | K H F S B 8 —4 0 4 0 | 4 0 0 0 | 640 | 10.4× 104 | 10.4× 104 |
| HFS | A6005CSS-T5 | เคลือบใส | K C A F 8 —4 0 4 0 | 4 0 0 0 | 640 | 10.4× 104 | 10.4× 104 |
| HFS | A6005CSS-T5 | กระบวนการอบสี (เหลือง) *1 | K H F S Y 8 —4 0 4 0 | 4 0 0 0 | 640 | 10.4× 104 | 10.4× 104 |
| HFSL | A6005CSS-T5 | อลูมิเนียม อโนไดซ์สีขาว | K H F S L 8 —4 0 4 0 | 4 0 0 0 | 478 | 7.54× 104 | 7.54× 104 |
| HFSL | A6005CSS-T5 | อลูมิเนียมอโนไดซ์สีดำ | K H F S L B 8 —4 0 4 0 | 4 0 0 0 | 478 | 7.54× 104 | 7.54× 104 |
| EFS | A6005CSS-T5 | อลูมิเนียม อโนไดซ์สีขาว | K E F S 8 —4 0 4 0 | 4 0 0 0 | 596 | 10.5× 104 | 10.5× 104 |
| EFS | A6005CSS-T5 | อลูมิเนียมอโนไดซ์สีดำ | K E F S B 8 —4 0 4 0 | 4 0 0 0 | 596 | 10.5× 104 | 10.5× 104 |
| GFS | เทียบเท่า A6061SS-T6 | อลูมิเนียม อโนไดซ์สีขาว | K G F S 8 —4 0 4 0 | 4 0 0 0 | 806 | 13.76× 104 | 13.76× 104 |
[ ! ] *2อลูมิเนียมโปรไฟล์ ความยาวที่มีประสิทธิภาพ 4,000 มม. หมายถึงเฟรมที่มีความยาวที่มีประสิทธิภาพ 4,000 มม. หรือมากกว่าที่สามารถใช้งานได้จริง
ความยาวจริงรวมถึงพื้นที่ตัวจับชิ้นงานจะมีขนาด 4,000 มม. หรือมากกว่า (จะยาวกว่านี้อีกหลายสิบมม.)
อลูมิเนียมโปรไฟล์ เฟรมความยาวคงที่เป็นเฟรมที่ลูกค้าตัดให้ได้ขนาดตามต้องการเอง ดังนั้นจึงไม่สามารถระบุความยาวที่แน่นอนได้
[ ! ]อลูมิเนียมโปรไฟล์ อุณหภูมิทนความร้อนที่แนะนำคือ 70°C การสัมผัสกับอุณหภูมิที่สูงกว่า 100°C อย่างต่อเนื่องจะทำให้เกิดการโก่งตัวเนื่องจากโหลดไฟฟ้า
อย่างไรก็ตาม อุณหภูมิสูงชั่วคราว เช่น ไอน้ำ สามารถทนได้ถึง 100°C
การปรับแต่งอลูมิเนียมโปรไฟล์ (เฉพาะความยาวที่กำหนด ไม่สามารถใช้กับความยาวคงที่)
เฟรมบางรุ่นไม่สามารถใช้งานได้ ขึ้นอยู่กับชนิดและขนาด กรุณาตรวจสอบรายการราคาบนแต่ละหน้าการปรับแต่งเพิ่มเติมเพื่อดูว่าสามารถใช้งานได้หรือไม่
อลูมิเนียมโปรไฟล์ วัตถุที่มีเครื่องหมาย " - " ในรายการราคาไม่สามารถใช้งานได้
| การจัดหมวดหมู่ | ชื่อรายการงานเพิ่มเติม | ตัวอย่างรหัสการปรับแต่งเพิ่มเติม | วิธีใช้ | คำอธิบาย |
|---|---|---|---|---|
| ต๊าปรูเกลียวหน้าส่วนปลาย | ต๊าปรูเกลียวหน้าส่วนปลาย (รูตรงกลาง) | LTP/RTP/TPW LHP/RHP/HPW | ![]() | เฟรมเป็นชนิดมีรูต๊าปเกลียว LTP/RTP/TPW: M12 ลึก 36 มม. LHP/RHP/HPW: M8 ลึก 15 มม. (ใส่เฮลิคอลอินเสิร์ตแล้ว) การทำงานนี้จำเป็นสำหรับข้อต่อแบบปิดตาย (ข้อต่อแบบสกรู / ข้อต่อแบบธรรมดา). |
| เปลี่ยนวิธีการตัด | การตัดงานละเอียด | SC | ![]() | อลูมิเนียมโปรไฟล์ ความเผื่อของความยาวรวม L ได้เปลี่ยนจาก L±0.5 เป็น L±0.2 เพื่อรองรับการตัดที่มีความแม่นยำสูง * ใช้ได้กับ L≦1500 เท่านั้น |
| ตัด 45 องศา | L□T45 R□T45 | ![]() | ตัดที่มุม 45 องศา ไม่สามารถระบุการตัด 45 องศาในทิศทางเดียวกันร่วมกับการปรับแต่งเพิ่มเติมอื่นได้ ตัวอย่าง: HFS6-3030-500- L TP- LAT45 ⇒ ✖ (การปรับแต่งเพิ่มเติมในทิศทางเดียวกัน (ซ้าย)) HFS6-3030-500- L TP- RAT45 ⇒ ○ (การปรับแต่งเพิ่มเติมแยกซ้ายและขวา) [ ! ]หากต้องการตัดในมุมอื่นที่ไม่ใช่ 45 องศา กรุณาติดต่อบริการ ผลิตภัณฑ์นอกมาตรฐานจากแคตตาล็อกของเรา | |
| การขุดเจาะรูขันประแจ | รูขันประแจตำแหน่งคงที่ | LCH/LCV/LCP RCH/RCV/RCP | ![]() | อลูมิเนียมโปรไฟล์ จำเป็นต้องมีการ加工เพิ่มเติมนี้เพื่อเจาะรูขันประแจ (⌀8) ให้ตรงกับตำแหน่งของเทปที่ปลายหน้าของเฟรมที่ประกบกัน เมื่อทำการยึดข้อต่อแบบบลายด์ที่ใช้ประกอบเฟรมให้เป็นรูปตัว L ข้อต่อแบบบลายด์ที่ต้องมีการ加工นี้ (ข้อต่อแบบสกรู / ข้อต่อเดี่ยว / ข้อต่อแบบต๊าปเกลียว) |
ตำแหน่งรูถูกเลื่อนโดยความหนาของ เฟรมแคป | FL FR | ![]() | อลูมิเนียมโปรไฟล์ รูขันประแจในตำแหน่งที่กำหนดจะถูกเลื่อนโดยความหนาของเฟรมแคป (3 มม.) สิ่งนี้ช่วยป้องกันไม่ให้เฟรมแคปยื่นออกมาเมื่อประกอบเข้ามุม | |
| รูขันประแจในตำแหน่งที่ระบุ | AH/BH/CH/DH/EH AV/BV/CV/DV/EV AP/BP/CP/DP/EP | ![]() | อลูมิเนียมโปรไฟล์ นี่คือกระบวนการเพิ่มเติมสำหรับการเจาะรูขันประแจ (⌀8) ในตำแหน่งใดก็ได้ สามารถใช้ได้เมื่อต้องการยึดข้อต่อแบบซ่อนในตำแหน่งอื่นที่ไม่ใช่ปลายเฟรม · สามารถเจาะรูได้สูงสุดห้ารูในแต่ละทิศทาง ได้แก่ แนวนอน แนวตั้ง และแนวขวาง [ ! ] หากต้องการรูขันประแจหกตำแหน่งขึ้นไป กรุณาติดต่อ บริการสินค้านอกมาตรฐานของตู้เก็บแคตาลอคของเรา | |
| การเจาะรูคว้าน | แบบรูคว้านตำแหน่งที่ระบุ | Z8-XA○○ Z12-YA○○ | ![]() | อลูมิเนียมโปรไฟล์ นี่คือกระบวนการเพิ่มเติมสำหรับการเจาะรูคว้าน (เลือกจาก Z6, Z8 หรือ Z12) ได้ในตำแหน่งใดก็ได้ Z6: รูทะลุ ⌀6.5, รูคว้าน ⌀11, Z8: รูทะลุ ⌀9, รูคว้าน ⌀14, Z12: รูทะลุ ⌀13, รูคว้าน ⌀19 . สามารถเจาะรูได้สูงสุดห้ารูในทิศทางเดียว สำหรับโปรไฟล์ที่มีร่องหลายแถวในผิวหน้าด้านเดียว จะทำการเจาะรูคว้านในทุกร่อง [ ! ]อลูมิเนียมโปรไฟล์ หากคุณต้องการรูคว้านมากกว่าหกตำแหน่งหรือเปลี่ยนทิศทางของรูคว้าน กรุณาติดต่อบริการผลิตภัณฑ์นอกมาตรฐานของเรา |
| เจาะรูโดยเฉพาะสำหรับ ข้อต่อซ่อน | รู D | LDH/LDV RDH/RDV | ![]() | เจาะรูที่จำเป็นสำหรับการยึดข้อต่อเดี่ยว (ข้อต่อเดี่ยว) |
| รูตัว S | LSH/LSV RSH/RSV | ![]() | เจาะรูที่จำเป็นสำหรับยึดข้อต่อคู่ที่ติดตั้งเป็นอันดับแรก (ข้อต่อคู่ที่ติดตั้งเป็นอันดับแรก). | |
| รู M | LMH/LMV RMH/RMV | ![]() | เจาะรูที่จำเป็นสำหรับเชื่อมต่อข้อต่อคู่หลังประกอบและข้อต่อกลาง (ข้อต่อคู่หลังประกอบเสา / ข้อต่อกลาง) | |
| รู L | JLP○○-H△ | ![]() | เจาะรูที่จำเป็นสำหรับเชื่อมต่อข้อต่อขนาน (ข้อต่อแบบขนาน) | |
| การประมวลผลอื่น ๆ | GFS series ต๊าปเกลียวที่ปลายหน้า | LTS/RTS/TSW | ![]() | อลูมิเนียมโปรไฟล์ เราทำการต๊าปเกลียวที่จำเป็นสำหรับติดตั้งแผ่นปิดปลายโดยเฉพาะสำหรับเฟรมที่มีความแข็งแรงสูง (แผ่นเพลทชนิดแข็ง) |
| ปลายลบมุมแบบ C | CW | ![]() | อลูมิเนียมโปรไฟล์ ส่วนรอบนอกของหน้าตัดปลายเฟรมจะถูกลบมุม | |
| การติดสติ๊กเกอร์ | ZZZ | ![]() | สติ๊กเกอร์ที่พิมพ์หมายเลข catalog ฯลฯ จะถูกติดไว้ที่อลูมิเนียมโปรไฟล์ มีข้อจำกัดเกี่ยวกับจำนวนตัวอักษร ฯลฯ แต่ก็สามารถพิมพ์หมายเลขซีเรียลของลูกค้าและหมายเลขหน่วยได้เช่นกัน |
ชิ้นส่วนที่เกี่ยวข้องกับอลูมิเนียมโปรไฟล์ซีรีส์ 8
■ อุปกรณ์เสริมอลูมิเนียมโปรไฟล์
| ชื่อผลิตภัณฑ์ | เหล็กยึด | ข้อต่อซ่อนมุม | น๊อตตัวเมีย | ฝาครอบเฟรม | ฝาปิดร่อง | แหวนรองนำไฟฟ้า |
|---|---|---|---|---|---|---|
| ภาพถ่าย | ![]() | ![]() | ![]() | ![]() | ![]() | ![]() |
| หน้าผลิตภัณฑ์ | ที่นี่ | ที่นี่ | ที่นี่ | ที่นี่ | ที่นี่ | ที่นี่ |
■ อลูมิเนียมโปรไฟล์ รายการเฟรมแคปรองรับการใช้งาน
หมายเลขรุ่นเฟรม | เฟรมแคปรองรับการใช้งาน | |||||
ประเภทสินค้า | สี | ความหนา | รหัสรุ่นสินค้า | จำนวนครั้งที่ใช้ | ||
| HFS8-4040 HFSB8-4040 CAF8-4040 HFSY8-4040 HFSL8-4040 HFSLB8-4040 EFS8-4040 EFSB8-4040 เฟรมความยาวคงที่ (รหัสรุ่นสินค้าที่ขึ้นต้นด้วย K) ก็เหมือนกัน | ![]() | ฝาครอบสต๊อปเปอร์ | สีดำ | 3 | 1 | |
สีเทาอ่อน | 3 | 1 | ||||
![]() | ฝาครอบสต๊อปเปอร์ (ชนิดขายาว) | สีดำ | 3 | 1 | ||
สีเทาอ่อน | 3 | 1 | ||||
![]() | ยึดด้วยสลักเกลียว | สีดำ | 3 | 1 | ||
สีเทาอ่อน | 3 | 1 | ||||
สีเหลือง | 3 | 1 | ||||
| ใช้กับ GFS8-4040 เช่นเดียวกัน อลูมิเนียมโปรไฟล์, เฟรมความยาวคงที่ (รหัสรุ่นสินค้าที่ขึ้นต้นด้วย K) | ![]() | ฝาครอบสต๊อปเปอร์ (สำหรับความแข็งเกร็งสูง) | สีดำ | 3 | 1 | |
สีเทาอ่อน | 3 | 1 | ||||
![]() | การติดตั้งด้วยสลักเกลียว (ชนิดแผ่นที่มีความแข็งเกร็งสูง) ต้องผ่านกระบวนการเพิ่มเติมแบบพิเศษ | สีเงิน | 2 | 1 | ||
ข้อมูลช่วยในการเลือกของอลูมิเนียมโปรไฟล์
วิธีการเชื่อมต่อเฟรมสามารถแบ่งออกได้เป็น 2 ประเภทหลักดังนี้
เหล็กยึด | ข้อต่อซ่อนมุม | ||
ตัวอย่างการเชื่อมต่อ | ![]() | ![]() | |
คุณสมบัติ | - เชื่อมต่อด้านนอกของเฟรม - สามารถย้ายไปยังตำแหน่งใดก็ได้ - ไม่สวยงาม | · เชื่อมต่อภายในเฟรม · สวยงาม · ต้องมีการแปรรูปกรอบ |
ส่วนตรงกลาง (ไม่มีส่วนมุม)
ขนาดและตำแหน่ง | ซ้าย | ด้านขวา | ทั้งสองด้าน | ภาพตัดขวาง | |
M12 ลึก 36 | LTP | RTP | TPW | ||
M8 ลึก 15 (ใส่เฮลิเซิร์ทแล้ว) | LHP | RHP | HPW | ||
ตำแหน่ง Tap | ![]() | ![]() | ![]() | ![]() |
[ ! ]น้ำหนักบรรทุกที่ยอมให้ คือ น้ำหนักที่ทำให้เฟรมเกิดระยะโก่งไม่เกิน 1 มม. ต่อความยาว 1000 มม.
ระยะโก่งที่เกินกว่านี้จะไม่ทำให้เกิดความเสียหาย แต่ควรถือว่าเป็นความโก่งสูงสุดที่ใช้งานได้จริง (ความโก่งที่ยอมรับได้ตามแนวทางจะเป็นสัดส่วนกับความยาว) ตัวอย่างเช่น 500 มม. = 0.5 มม., 2000 มม. = 2 มม.) กรุณาอ้างอิง
ตารางแนวทางความแข็งแรงของอลูมิเนียมโปรไฟล์ หรือ ตารางคำนวณระยะโก่ง/สูตรคำนวณระยะโก่งแบบง่าย เพื่อใช้อ้างอิง

ภาพรวมประเภทของอลูมิเนียมโปรไฟล์
| อลูมิเนียมโปรไฟล์มาตรฐาน | อลูมิเนียมโปรไฟล์น้ำหนักเบา | อลูมิเนียมโปรไฟล์ความแข็งเกร็งสูง | ||||||
| ชนิด HFS | ชนิด EFS | NFS (NEFS) ชนิด | ประเภท HFSL | ประเภท NFSL | ประเภท GFS | ประเภท GNFS | ||
| ภาพถ่ายหน้าตัด | ![]() | ![]() | ![]() | ![]() | ![]() | ![]() | ![]() | |
| วัสดุ | A6005CSS-T5 | A6005CSS-T5 | A6063S-T5 | A6005CSS-T5 | A6063S-T5 | เทียบเท่า A6061SS-T6 | เทียบเท่า A6063S-T6 | |
| คุณสมบัติ | รูปทรงพื้นที่หน้าตัดมาตรฐาน | อลูมิเนียมโปรไฟล์ เฟรมนี้ยังคงความแข็งแรงเทียบเท่ากับซีรีส์ HFS ในขณะที่มีน้ำหนักเบากว่าและต้นทุนต่ำกว่า | สามารถลดราคาลงได้อย่างมากโดยการเปลี่ยนวัสดุ ความแข็งแรง (*) เทียบเท่ากับซีรีส์ HFS และ EFS | อลูมิเนียมโปรไฟล์ เฟรมนี้ออกแบบมาให้มีน้ำหนักเบาและราคาประหยัด เหมาะสำหรับสถานการณ์ที่ให้ความสำคัญกับน้ำหนักเบาและราคาไม่แพงมากกว่าความแข็งแรง | โดยการเปลี่ยนวัสดุจาก HFSL เราสามารถลดราคาลงได้อีก ความแข็งแรง (*) เทียบเท่ากับซีรีส์ HFSL | อลูมิเนียมโปรไฟล์ เป็นกรอบหนาที่ออกแบบมาเพื่อความแข็งแรงสูง เหมาะสำหรับตู้หรือโครงสร้างที่ต้องรับโหลดไฟฟ้าสูง | สามารถลดราคาลงได้อย่างมากโดยการเปลี่ยนวัสดุของโครงรับน้ำหนักและโครงที่มีความแข็งแรง โดยความแข็งแรง (*) เทียบเท่ากับซีรีส์ GFS | |
| กระบวนการ เตรียมผิว | อะลูมิเนียมอโนไดซ์สีขาว , อะลูมิเนียมอโนไดซ์สีดำ , เคลือบใส , กระบวนการอบสี (สีเหลือง) | อลูมิเนียม อโนไดซ์สีขาว อลูมิเนียม อโนไดซ์สีดำ | อลูมิเนียม อโนไดซ์สีขาว อลูมิเนียม อโนไดซ์สีดำ | อลูมิเนียม อโนไดซ์สีขาว อลูมิเนียม อโนไดซ์สีดำ | อลูมิเนียม อโนไดซ์สีขาว | อลูมิเนียม อโนไดซ์สีขาว | อลูมิเนียม อโนไดซ์สีขาว | |
| รองรับการใช้งาน ซีรีส์ | 5 | ○ | — | ○ | — | — | — | — |
| 6 | ○ | ○ | ○ | ○ | ○ | |||
| 8 | ||||||||
| 8-45 | ||||||||
ภาพสีของอลูมิเนียมโปรไฟล์
อลูมิเนียมโปรไฟล์อโนไดซ์สีขาว | การเคลือบผิวใส (มันวาว) | อลูมิเนียมอโนไดซ์สีดำ | กระบวนการอบสี (เหลือง) | |
ภาพถ่ายหน้าเรียบ | ![]() | ![]() | ![]() | ![]() |
[ ! ] ไม่มีการทำกระบวนการอโนไดซิ่งหรือการทำสีที่ปลายทั้งสองด้าน
[ ! ]อลูมิเนียมโปรไฟล์ การเคลือบผิวแบบใสคือการเคลือบผิวโปร่งแสงที่เคลือบอยู่บนชุบอโนไดซ์แบบไม่ย้อมสี พื้นผิวมีความมันวาว
[ ! ]ไม่มีหมายเลขสีหรือมาตรฐานสีสำหรับกระบวนการอโนไดซิ่งสีดำและกระบวนการอโนไดซิ่งสีขาว
สินค้าที่เกี่ยวข้องของอลูมิเนียมโปรไฟล์
| ชื่อผลิตภัณฑ์ | เซนเซอร์ตรวจจับพื้นที่เอนกประสงค์ | เซนเซอร์ตรวจจับพื้นที่แบบบางเฉียบ |
|---|---|---|
| ภาพถ่ายอลูมิเนียมโปรไฟล์ | ![]() | ![]() |
| หน้าผลิตภัณฑ์ | ที่นี่ | ที่นี่ |
| หน้าข้อมูลทั่วไป | หน้ารายละเอียด | หน้ารายละเอียด |















































