อลูมิเนียมโปรไฟล์ซีรีส์ 6 รูปตัว L ขนาด 60x60x30 มม.

แบรนด์ :
MISUMI
ข้อควรระวัง
- จะมีการเพิ่มค่าขนส่งและค่าจัดส่ง สำหรับสินค้าที่ยาวเกิน 2,000.5 มม
- เนื่องจากข้อจำกัดในการขนส่งทางอากาศ ความยาวสูงสุดของสินค้าที่อนุญาตให้ขนส่งได้ต้องไม่เกิน 2,600 มม. หากวัตถุมีความยาวเกิน 2600 มม. ระยะเวลาการจัดส่งจะประมาณ 1.5 เดือน โปรดติดต่อ MISUMI สำหรับข้อมูลเพิ่มเติม
- สำหรับอลูมิเนียมเฟรม ซีรี่ส์ N กรุณาคลิกที่นี่ (อลูมิเนียมเฟรม ซีรี่ส์ N)
- ดาวน์โหลดฟรี! >> แค็ตตาลอกซีรีส์ Economy (TH-EN-FY25) คลิกที่นี่
รายละเอียดสินค้า
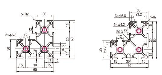
อลูมิเนียมโปรไฟล์ซีรีส์ 6 รูปตัว L ขนาด 60 × 60 × 30 มม.
กระบวนการเตรียมผิวจะไม่ถูกนำไปใช้กับพื้นผิวที่ตัดและชิ้นส่วนที่มีการทำงานอลูมิเนียมเพิ่มเติม
ดรออิ้งบอกขนาดของอลูมิเนียมโปรไฟล์
EFS (รุ่นมาตรฐาน)HFS (รุ่นมาตรฐาน)


*ไม่มีข้อกำหนดความเผื่อสำหรับเฟรมความยาวคงที่
| ซีรี่ส์ 6 |
![]() |
อลูมิเนียมโปรไฟล์ สำหรับข้อมูลอื่น ๆ ที่เกี่ยวข้องกับความเผื่อขนาด
รายละเอียดร่อง
(ใช้ร่วมกันทุกซีรีส์)รายละเอียดก้นร่อง
(ประเภท HFS/CAF)(ประเภท GFS)(ประเภท EFS)ขนาดร่องตัว Tภาพขยายส่วน Aภาพขยายส่วน Aภาพขยายส่วน A
(ใช้ร่วมกันทุกซีรีส์)รายละเอียดก้นร่อง
(ประเภท HFS/CAF)(ประเภท GFS)(ประเภท EFS)ขนาดร่องตัว Tภาพขยายส่วน Aภาพขยายส่วน Aภาพขยายส่วน A

■ อลูมิเนียมโปรไฟล์ ซีรี่ส์ 6 เป็นอลูมิเนียมเฟรมที่มีความกว้างของร่อง 8±0.36 มม. เหมาะสำหรับโบลท์ M6
[ ! ]พื้นผิวที่ตัดและบริเวณที่มีการกลึงเพิ่มเติมจะไม่ได้รับการปรับสภาพผิว
[ ! ]อลูมิเนียมโปรไฟล์ หากคุณต้องการเพิ่มรูเกลียวเพิ่มเติม จะมีการดำเนินการในบริเวณที่วงกลมสีแดงบนแบบร่างโครงร่างอลูมิเนียมเฟรม
[ ! ]พื้นผิวที่ตัดและบริเวณที่มีการกลึงเพิ่มเติมจะไม่ได้รับการปรับสภาพผิว
[ ! ]อลูมิเนียมโปรไฟล์ หากคุณต้องการเพิ่มรูเกลียวเพิ่มเติม จะมีการดำเนินการในบริเวณที่วงกลมสีแดงบนแบบร่างโครงร่างอลูมิเนียมเฟรม
ตารางสเปคอลูมิเนียมโปรไฟล์ความยาวที่กำหนด (สามารถเพิ่มกระบวนการเพิ่มเติมได้)
| อลูมิเนียมโปรไฟล์รุ่นต่างๆ | — | L |
| HFS6-606030 | — | 800 |
| ชนิด | วัสดุ | กระบวนการชุบผิว | รุ่น | L ระบุเพิ่มขึ้นครั้งละ 0.5 มม. (ความเผื่อ ±0.5 มม.) | น้ำหนัก กก./ ม. | พื้นที่หน้าตัด mm 2 | โมเมนต์ความเฉื่อย mm 4 | |
| ℓx | ℓy | |||||||
| HFS | A6005CSS-T5 | อลูมิเนียม อโนไดซ์สีขาว | HFS6-6 06030 | 50 ถึง 4000 | 2.33 | 864 | 27.3× 104 | 27.3× 104 |
| EFS | A6005CSS-T5 | อลูมิเนียม อโนไดซ์สีขาว | EF S6-606030 | 50 ถึง 4000 | 2.21 | 819 | 27.38× 104 | 27.38× 104 |
ตารางสเปคอลูมิเนียมโปรไฟล์แบบความยาวคงที่ (ความยาวประสิทธิผล 4000 มม.)
[ ! ]อลูมิเนียมโปรไฟล์ แบบความยาวคงที่ จะมีรูปแบบที่ขึ้นต้นรหัสด้วย K สำหรับแต่ละเฟรม| อลูมิเนียมโปรไฟล์รุ่นต่างๆ | — | L |
| KEFS6-606030 | — | 4000 |
| ชนิด | วัสดุ | กระบวนการชุบผิว | รุ่น | Lมม (ไม่ได้ระบุความเผื่อ) | พื้นที่หน้าตัด mm 2 | โมเมนต์ความเฉื่อย mm 4 | |
| ℓx | ℓy | ||||||
| HFS | A6005CSS-T5 | อลูมิเนียม อโนไดซ์สีขาว | KHF S6-606030 | 4000 | 864 | 27.3× 104 | 27.3× 104 |
| EFS | A6005CSS-T5 | อลูมิเนียม อโนไดซ์สีขาว | KEFS6-606030 | 4000 | 819 | 27.38× 104 | 27.38× 104 |
ความยาวจริงรวมระยะเผื่อสำหรับตัวจับชิ้นงานจะเป็น 4000 มม. หรือมากกว่า (จะยาวกว่านี้อีกหลายสิบมิลลิเมตร)
เฟรมแบบความยาวคงที่เป็นเฟรมที่ต้องตัดโดยลูกค้า จึงไม่สามารถระบุความยาวที่แน่นอนได้
การปรับแต่งอลูมิเนียมโปรไฟล์ (เฉพาะความยาวที่กำหนด ไม่สามารถใช้กับความยาวคงที่)
[ ! ]อลูมิเนียมโปรไฟล์ โดยการใช้การปรับแต่งต่าง ๆ ที่ระบุไว้ด้านล่างนี้ อลูมิเนียมโปรไฟล์ความยาวที่กำหนดของ MISUMI สามารถประกอบได้อย่างยืดหยุ่นมากขึ้น
เฟรมบางรุ่นไม่สามารถใช้งานได้ ขึ้นอยู่กับชนิดและขนาด กรุณาตรวจสอบรายการราคาบนแต่ละหน้าการปรับแต่งเพิ่มเติมเพื่อดูว่าสามารถใช้งานได้หรือไม่
อลูมิเนียมโปรไฟล์ วัตถุที่มีเครื่องหมาย " - " ในรายการราคาไม่สามารถใช้งานได้
เฟรมบางรุ่นไม่สามารถใช้งานได้ ขึ้นอยู่กับชนิดและขนาด กรุณาตรวจสอบรายการราคาบนแต่ละหน้าการปรับแต่งเพิ่มเติมเพื่อดูว่าสามารถใช้งานได้หรือไม่
อลูมิเนียมโปรไฟล์ วัตถุที่มีเครื่องหมาย " - " ในรายการราคาไม่สามารถใช้งานได้
| การจัดหมวดหมู่ | ชื่อรายการงานเพิ่มเติม | ตัวอย่างรหัสการปรับแต่งเพิ่มเติม | วิธีใช้ | คำอธิบาย |
|---|---|---|---|---|
| ต๊าปรูเกลียวหน้าส่วนปลาย | ต๊าปรูเกลียวหน้าส่วนปลาย (รูตรงกลาง) | LTP/RTP/TPW LHP/RHP/HPW | ![]() | เฟรมเป็นชนิดมีรูต๊าปเกลียว LTP/RTP/TPW: M8 ลึก 24 มม. LHP/RHP/HPW: M5 ลึก 10 มม. (ใส่เฮลิคอลอินเสิร์ตแล้ว) การแปรรูปนี้จำเป็นสำหรับข้อต่อแบบปิดตาย (ข้อต่อแบบสกรู / ข้อต่อแบบธรรมดา). |
| ต๊าปรูเกลียวหน้าส่วนปลาย (รูสี่เหลี่ยม) | LSP/RSP/SPW | ![]() | อลูมิเนียมโปรไฟล์ รูที่หน้าส่วนปลายและมุมของเฟรมจะถูกต๊าปรูเกลียว (M5 ลึก 10 มม.) | |
| เปลี่ยนวิธีการตัด | การตัดงานละเอียด | SC | ![]() | อลูมิเนียมโปรไฟล์ ความเผื่อของความยาวรวม L ได้เปลี่ยนจาก L±0.5 เป็น L±0.2 เพื่อรองรับการตัดที่มีความแม่นยำสูง * ใช้ได้กับ L≦1500 เท่านั้น |
| ตัด 45 องศา | L□T45 R□T45 | ![]() | ตัดที่มุม 45 องศา ไม่สามารถระบุการตัด 45 องศาในทิศทางเดียวกันร่วมกับการปรับแต่งเพิ่มเติมอื่นได้ ตัวอย่าง: HFS6-3030-500- L TP- LAT45 ⇒ ✖ (การปรับแต่งเพิ่มเติมในทิศทางเดียวกัน (ซ้าย)) HFS6-3030-500- L TP- RAT45 ⇒ ○ (การปรับแต่งเพิ่มเติมแยกซ้ายและขวา) [ ! ]หากต้องการตัดในมุมอื่นที่ไม่ใช่ 45 องศา กรุณาติดต่อบริการ ผลิตภัณฑ์นอกมาตรฐานจากแคตตาล็อกของเรา | |
| การขุดเจาะรูขันประแจ | รูขันประแจตำแหน่งคงที่ | LCH/LCV/LCP RCH/RCV/RCP | ![]() | อลูมิเนียมโปรไฟล์ กระบวนการเพิ่มเติมนี้คือการเจาะรูขันประแจให้ตรงกับตำแหน่งของการต๊าปเกลียวที่ปลายหน้าของเฟรมที่ประกบกัน เมื่อทำการยึดข้อต่อแบบบลายด์ที่ใช้ประกอบเฟรมให้เป็นรูปตัว L · สามารถเลือกมิติ d ของรูขันประแจได้จาก X5 หรือ X8. หากไม่มีการระบุ มิติ d จะเป็น 8 ข้อต่อแบบบลายด์ที่ต้องใช้กระบวนการนี้ (ข้อต่อแบบขันสกรู / ข้อต่อเดี่ยว / ข้อต่อแบบต๊าปเกลียว) |
ตำแหน่งรูถูกเลื่อนโดยความหนาของ เฟรมแคป | FL FR | ![]() | อลูมิเนียมโปรไฟล์ ตำแหน่งรูสำหรับรูขันประแจตำแหน่งคงที่เพิ่มเติมจะถูกเลื่อนโดยความหนาของฝาปิดเฟรม (3 มม.) สิ่งนี้ช่วยป้องกันไม่ให้ฝาครอบเฟรมยื่นออกมาเมื่อประกอบที่มุม | |
| รูขันประแจในตำแหน่งที่ระบุ | AH/BH/CH/DH/EH AV/BV/CV/DV/EV AP/BP/CP/DP/EP | ![]() | อลูมิเนียมโปรไฟล์ นี่คือกระบวนการเพิ่มเติมที่ช่วยให้สามารถเจาะรูขันประแจในตำแหน่งที่ต้องการได้ สามารถใช้ได้เมื่อต้องการขันข้อต่อแบบซ่อนที่ไม่ใช่บริเวณปลายเฟรม · สามารถเลือกมิติ d ของรูขันประแจได้จาก X5 หรือ X8. หากไม่ได้ระบุสเปค มิติ d จะเป็น 8 · สามารถเจาะรูได้สูงสุดห้ารูในแต่ละทิศทาง ได้แก่ แนวนอน แนวตั้ง และแนวขวาง [ ! ] หากต้องการรูขันประแจหกรูขึ้นไป กรุณาติดต่อ บริการสินค้านอกมาตรฐานของตู้เก็บแคตาลอคของเรา | |
| เจาะรูโดยเฉพาะสำหรับ ข้อต่อซ่อน | รู L | JLP○○-H△ KLP○○-H△ | ![]() | เจาะรูที่จำเป็นสำหรับเชื่อมต่อข้อต่อขนาน (ข้อต่อแบบขนาน) |
| การประมวลผลอื่น ๆ | ปลายลบมุมแบบ C | CW | ![]() | อลูมิเนียมโปรไฟล์ ส่วนรอบนอกของหน้าตัดปลายเฟรมจะถูกลบมุม |
| การติดสติ๊กเกอร์ | ZZZ | ![]() | สติ๊กเกอร์ที่พิมพ์หมายเลข catalog ฯลฯ จะถูกติดไว้ที่อลูมิเนียมโปรไฟล์ อลูมิเนียมโปรไฟล์ มีข้อจำกัดเกี่ยวกับจำนวนตัวอักษร เป็นต้น แต่ยังสามารถพิมพ์หมายเลขซีเรียลของลูกค้าและหมายเลขหน่วยได้ด้วย |
ชิ้นส่วนที่เกี่ยวข้องกับอลูมิเนียมโปรไฟล์ซีรีส์ 6
■ อุปกรณ์เสริมอลูมิเนียมโปรไฟล์
| ชื่อผลิตภัณฑ์ | เหล็กยึด | ข้อต่อซ่อนมุม | น๊อตตัวเมีย | ฝาครอบเฟรม | ฝาปิดร่อง |
|---|---|---|---|---|---|
| ภาพถ่าย | ![]() | ![]() | ![]() | ![]() | ![]() |
| หน้าผลิตภัณฑ์ | ที่นี่ | ที่นี่ | ที่นี่ | ที่นี่ | ที่นี่ |
■ เฟรมแคปรองรับการใช้งานของอลูมิเนียมโปรไฟล์
| หมายเลขรุ่นเฟรม | เฟรมแคปรองรับการใช้งาน | |||||
| ประเภทสินค้า | สี | ความหนา | รหัสรุ่นสินค้า | จำนวนครั้งที่ใช้ | ||
ใช้กับ HFS6-606030 และ EFS6-606030 เช่นเดียวกัน อลูมิเนียมโปรไฟล์, เฟรมความยาวคงที่ (รหัสรุ่นสินค้าที่ขึ้นต้นด้วย K) | ![]() | ฝาครอบสต๊อปเปอร์ | สีดำ | 3 | HFC6-606030-B | 1 |
| สีเทาอ่อน | 3 | HFC6-606030-S | 1 | |||
ข้อมูลช่วยในการเลือกของอลูมิเนียมโปรไฟล์
■ วิธีการเชื่อมต่อเฟรมของอลูมิเนียมโปรไฟล์
วิธีการเชื่อมต่อเฟรมสามารถแบ่งออกได้เป็น 2 ประเภทหลักดังนี้
วิธีการเชื่อมต่อเฟรมสามารถแบ่งออกได้เป็น 2 ประเภทหลักดังนี้
เหล็กยึด | ข้อต่อซ่อนมุม | ||
ตัวอย่างการเชื่อมต่อ | ![]() | ![]() | |
คุณสมบัติ | - เชื่อมต่อด้านนอกของเฟรม - สามารถย้ายไปยังตำแหน่งใดก็ได้ - ไม่สวยงาม | · เชื่อมต่อภายในเฟรม · สวยงาม · ต้องมีการแปรรูปกรอบ |
■ วิธีการพิจารณาน้ำหนักบรรทุกที่ยอมให้ (ระยะโก่ง) สำหรับอลูมิเนียมโปรไฟล์
[ ! ]น้ำหนักบรรทุกที่ยอมให้ คือ น้ำหนักที่ทำให้เฟรมเกิดระยะโก่งไม่เกิน 1 มม. ต่อความยาว 1000 มม.
ระยะโก่งที่เกินกว่านี้จะไม่ทำให้เกิดความเสียหาย แต่ควรถือว่าเป็นความโก่งสูงสุดที่เหมาะสมในการใช้งาน (ความโก่งที่ยอมรับได้ตามแนวทางจะเป็นสัดส่วนกับความยาว) ตัวอย่างเช่น 500 มม. = 0.5 มม., 2000 มม. = 2 มม.) กรุณาดูที่
หรือ เพื่อใช้อ้างอิง

[ ! ]น้ำหนักบรรทุกที่ยอมให้ คือ น้ำหนักที่ทำให้เฟรมเกิดระยะโก่งไม่เกิน 1 มม. ต่อความยาว 1000 มม.
ระยะโก่งที่เกินกว่านี้จะไม่ทำให้เกิดความเสียหาย แต่ควรถือว่าเป็นความโก่งสูงสุดที่เหมาะสมในการใช้งาน (ความโก่งที่ยอมรับได้ตามแนวทางจะเป็นสัดส่วนกับความยาว) ตัวอย่างเช่น 500 มม. = 0.5 มม., 2000 มม. = 2 มม.) กรุณาดูที่
หรือ เพื่อใช้อ้างอิง

ภาพรวมประเภทของอลูมิเนียมโปรไฟล์
| อลูมิเนียมโปรไฟล์มาตรฐาน | อลูมิเนียมโปรไฟล์น้ำหนักเบา | อลูมิเนียมโปรไฟล์ความแข็งเกร็งสูง | ||||||
| ชนิด HFS | ชนิด EFS | NFS (NEFS) ชนิด | ประเภท HFSL | ประเภท NFSL | ประเภท GFS | ประเภท GNFS | ||
| ภาพถ่ายหน้าตัด | ![]() | ![]() | ![]() | ![]() | ![]() | ![]() | ![]() | |
| วัสดุ | A6005CSS-T5 | A6005CSS-T5 | A6063S-T5 | A6005CSS-T5 | A6063S-T5 | เทียบเท่า A6061SS-T6 | เทียบเท่า A6063S-T6 | |
| คุณสมบัติ | รูปทรงพื้นที่หน้าตัดมาตรฐาน | อลูมิเนียมโปรไฟล์ เฟรมนี้ยังคงความแข็งแรงเทียบเท่ากับซีรีส์ HFS ในขณะที่มีน้ำหนักเบากว่าและต้นทุนต่ำกว่า | สามารถลดราคาลงได้อย่างมากโดยการเปลี่ยนวัสดุ ความแข็งแรง (*) เทียบเท่ากับซีรีส์ HFS และ EFS | โครงนี้ถูกออกแบบมาให้มีน้ำหนักเบาและราคาไม่แพง เหมาะสำหรับสถานการณ์ที่ให้ความสำคัญกับน้ำหนักเบาและราคาไม่แพงมากกว่าความแข็งแรง | อลูมิเนียมโปรไฟล์ โดยการเปลี่ยนวัสดุจาก HFSL เราสามารถลดราคาลงได้อีก ความแข็งแรง (*) เทียบเท่ากับซีรีส์ HFSL | เฟรมหนาที่ออกแบบมาเพื่อความแข็งเกร็งสูง เหมาะสำหรับตู้หรือโครงสร้างที่ต้องรับโหลดไฟฟ้าสูง | อลูมิเนียมโปรไฟล์ มีการลดราคาลงอย่างมากโดยการเปลี่ยนวัสดุของเฟรมที่รับโหลดไฟฟ้าและมีความแข็งเกร็ง ความแข็งแรง (*) เทียบเท่ากับซีรีส์ GFS | |
| กระบวนการชุบผิว | อะลูมิเนียมอโนไดซ์สีขาว , อะลูมิเนียมอโนไดซ์สีดำ , เคลือบใส , กระบวนการอบสี (สีเหลือง) | อลูมิเนียม อโนไดซ์สีขาว อลูมิเนียม อโนไดซ์สีดำ | อลูมิเนียม อโนไดซ์สีขาว อลูมิเนียม อโนไดซ์สีดำ | อลูมิเนียม อโนไดซ์สีขาว อลูมิเนียม อโนไดซ์สีดำ | อลูมิเนียม อโนไดซ์สีขาว | อลูมิเนียม อโนไดซ์สีขาว | อลูมิเนียม อโนไดซ์สีขาว | |
| รองรับการใช้งาน ซีรีส์ | 5 | ○ | — | ○ | — | — | — | — |
| 6 | ○ | ○ | ○ | ○ | ○ | |||
| 8 | ||||||||
| 8-45 | ||||||||

























