อลูมิเนียมโปรไฟล์ซีรีส์ 6 สี่เหลี่ยม 60x60 มม. 3 ด้าน อลูมิเนียม A6N01SS-T5

ข้อควรระวัง
- จะมีการเพิ่มค่าขนส่งและค่าจัดส่ง สำหรับสินค้าที่ยาวเกิน 2,000.5 มม
- เนื่องจากข้อจำกัดในการขนส่งทางอากาศ ความยาวสูงสุดของสินค้าที่อนุญาตให้ขนส่งได้ต้องไม่เกิน 2,600 มม. หากวัตถุมีความยาวเกิน 2600 มม. ระยะเวลาการจัดส่งจะประมาณ 1.5 เดือน โปรดติดต่อ MISUMI สำหรับข้อมูลเพิ่มเติม
- สำหรับอลูมิเนียมเฟรม ซีรี่ส์ N กรุณาคลิกที่นี่ (อลูมิเนียมเฟรม ซีรี่ส์ N)
- ดาวน์โหลดฟรี! >> แค็ตตาลอกซีรีส์ Economy (TH-EN-FY25) คลิกที่นี่
รายละเอียดสินค้า
อลูมิเนียมโปรไฟล์ ซีรีส์ 6 / ร่องกว้าง 8 / ขนาด 60 × 60 มม.
อลูมิเนียมเฟรมเป็นอุปกรณ์ใช้สำหรับสร้างโครงสร้างเครื่องจักร มีให้เลือกหลากหลายทั้งขนาด รูปทรงหน้าตัด และรูปทรงต่างๆ
[คุณสมบัติ]
● รูปร่าง: แบบเหลี่ยม
● ความกว้างร่อง: 8 มม. / 2 ร่องต่อด้าน
● พื้นที่ตัดขวาง: 60 มม. X 60 มม.
● ความยาวรวม: สามารถกำหนดขนาดได้ตั้งแต่ 50 มม. ถึง 4000 มม. สามารถเพิ่มความยาวได้ต่ำสุดทีละ 0.5 มม.
● วัสดุ: อะลูมิเนียมเกรด A6N01SS-T5 และ A6063S-T5
● กระบวนการเตรียมผิว: อโนไดซ์ใส
[การใช้งาน]
ใช้สำหรับโครงสร้างเครื่องจักรอัตโนมัติในอุตสาหกรรมต่างๆ เช่น อุตสาหกรรมยานยนต์ อุตสาหกรรมอิเล็กทรอนิกส์ ฯลฯ
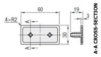
ดรออิ้งบอกขนาดของอลูมิเนียมโปรไฟล์


| อลูมิเนียมโปรไฟล์ซีรีส์ 6 |
![]() |
(ใช้ร่วมกันทุกซีรีส์)รายละเอียดก้นร่อง
(ประเภท HFS/CAF)(ประเภท GFS)(ประเภท EFS)ขนาดร่องตัว Tภาพขยายส่วน Aภาพขยายส่วน Aภาพขยายส่วน A

[ ! ]อลูมิเนียมโปรไฟล์ พื้นผิวที่ตัดและบริเวณที่มีการกลึงเพิ่มเติมจะไม่ได้รับการปรับพื้นผิว
[ ! ]หากคุณร้องขอรูต๊าปเกลียวเพิ่มเติม จะมีการดำเนินการในบริเวณที่วงกลมสีแดงบนภาพวาดโครงร่างอลูมิเนียมโปรไฟล์
ตารางสเปคอลูมิเนียมโปรไฟล์ความยาวที่กำหนด (สามารถเพิ่มกระบวนการเพิ่มเติมได้)
| อลูมิเนียมโปรไฟล์รุ่นต่างๆ | — | L |
| HFSF6-6060 | — | 800 |
| ชนิด | วัสดุ | กระบวนการชุบผิว | รุ่น | L ระบุเพิ่มขึ้นครั้งละ 0.5 มม. | น้ำหนัก กก./ ม. | พื้นที่หน้าตัด mm 2 | โมเมนต์ความเฉื่อย mm 4 | |
| ℓx | ℓy | |||||||
| HFS | A6005CSS-T5 | อลูมิเนียม อโนไดซ์สีขาว | HFSF6-6060 | 50 ถึง 4000 | 2.9 | 1072 | 45.4× 104 | 43.3× 104 |
ตารางสเปคอลูมิเนียมโปรไฟล์แบบความยาวคงที่ (ความยาวประสิทธิผล 4000 มม.)
[ ! ]อลูมิเนียมโปรไฟล์ แบบความยาวคงที่ จะมีรูปแบบที่ขึ้นต้นรหัสด้วย K สำหรับแต่ละเฟรม| อลูมิเนียมโปรไฟล์รุ่นต่างๆ | — | L |
| KHFSF6-6060 | — | 4000 |
| ชนิด | วัสดุ | กระบวนการชุบผิว | รุ่น | LMM | พื้นที่หน้าตัด mm 2 | โมเมนต์ความเฉื่อย mm 4 | |
| ℓx | ℓy | ||||||
| HFS | A6005CSS-T5 | อลูมิเนียม อโนไดซ์สีขาว | KHF SF6-6060 | 4000 | 1072 | 45.4× 104 | 43.3× 104 |
ความยาวจริงรวมระยะเผื่อสำหรับตัวจับชิ้นงานจะเป็น 4000 มม. หรือมากกว่า (จะยาวกว่านี้อีกหลายสิบมิลลิเมตร)
อลูมิเนียมโปรไฟล์ เนื่องจากเฟรมแบบความยาวคงที่จะต้องตัดโดยลูกค้า จึงไม่สามารถระบุความยาวที่แน่นอนได้
การปรับแต่งอลูมิเนียมโปรไฟล์ (เฉพาะความยาวที่กำหนด ไม่สามารถใช้กับความยาวคงที่)
[ ! ]อลูมิเนียมโปรไฟล์ โดยการใช้การปรับแต่งต่าง ๆ ที่ระบุไว้ด้านล่างนี้ อลูมิเนียมโปรไฟล์ความยาวที่กำหนดของ MISUMI สามารถประกอบได้อย่างยืดหยุ่นมากขึ้นเฟรมบางรุ่นไม่สามารถใช้งานได้ ขึ้นอยู่กับชนิดและขนาด กรุณาตรวจสอบรายการราคาบนแต่ละหน้าการปรับแต่งเพิ่มเติมเพื่อดูว่าสามารถใช้งานได้หรือไม่
วัตถุที่มีเครื่องหมาย " - " ในรายการราคาไม่สามารถนำไปใช้ได้
| การจัดหมวดหมู่ | ชื่อรายการงานเพิ่มเติม | ตัวอย่างรหัสการปรับแต่งเพิ่มเติม | วิธีใช้ | คำอธิบาย |
|---|---|---|---|---|
| ต๊าปรูเกลียวหน้าส่วนปลาย | ต๊าปรูเกลียวหน้าส่วนปลาย (รูตรงกลาง) | LTP/RTP/TPW LHP/RHP/HPW | ![]() | Tapping is performed on the frame. จำเป็นต้องมีการ加工นี้สำหรับข้อต่อแบบปิดตาย (ข้อต่อแบบสกรู / ข้อต่อแบบธรรมดา). |
| เปลี่ยนวิธีการตัด | การตัดงานละเอียด | SC | ![]() | อลูมิเนียมโปรไฟล์ ความเผื่อของความยาวรวม L ได้เปลี่ยนจาก L±0.5 เป็น L±0.2 เพื่อให้สามารถตัดงานละเอียดได้ * ใช้ได้กับ L≦1500 เท่านั้น |
| ตัด 45 องศา | L□T45 R□T45 | ![]() | ตัดที่มุม 45 องศา ไม่สามารถระบุการตัด 45 องศาในทิศทางเดียวกันร่วมกับการปรับแต่งเพิ่มเติมอื่นได้ ตัวอย่าง: HFS6-3030-500- L TP- LAT45 ⇒ ✖ (การปรับแต่งเพิ่มเติมในทิศทางเดียวกัน (ซ้าย)) HFS6-3030-500- L TP- RAT45 ⇒ ○ (การปรับแต่งเพิ่มเติมแยกซ้ายและขวา) [ ! ]อลูมิเนียมโปรไฟล์ หากต้องการตัดที่มุมอื่นนอกเหนือจาก 45 องศา กรุณาติดต่อบริการสินค้านอกมาตรฐานจากแคตตาล็อกของเรา. | |
| การขุดเจาะรูขันประแจ | รูขันประแจตำแหน่งคงที่ | LCH/LCV/LCP RCH/RCV/RCP | ![]() | อลูมิเนียมโปรไฟล์ กระบวนการเพิ่มเติมนี้คือการเจาะรูขันประแจให้ตรงกับตำแหน่งของการต๊าปเกลียวที่ปลายหน้าของเฟรมที่ประกบกัน เมื่อทำการยึดข้อต่อแบบบลายด์ที่ใช้ประกอบเฟรมให้เป็นรูปตัว L · สามารถเลือกมิติ d ของรูขันประแจได้จาก X5 หรือ X8. หากไม่มีการระบุ มิติ d จะเป็น 8 ข้อต่อแบบบลายด์ที่ต้องใช้กระบวนการนี้ (ข้อต่อแบบขันสกรู / ข้อต่อเดี่ยว / ข้อต่อแบบต๊าปเกลียว) |
ตำแหน่งรูถูกเลื่อนโดยความหนาของ เฟรมแคป | FL FR | ![]() | อลูมิเนียมโปรไฟล์ ตำแหน่งรูสำหรับรูขันประแจตำแหน่งคงที่เพิ่มเติมจะถูกเลื่อนโดยความหนาของฝาปิดเฟรม (3 มม.) สิ่งนี้ช่วยป้องกันไม่ให้ฝาครอบเฟรมยื่นออกมาเมื่อประกอบที่มุม | |
| รูขันประแจในตำแหน่งที่ระบุ | AH/BH/CH/DH/EH AV/BV/CV/DV/EV AP/BP/CP/DP/EP | ![]() | อลูมิเนียมโปรไฟล์ นี่คือกระบวนการเพิ่มเติมที่ช่วยให้สามารถเจาะรูขันประแจในตำแหน่งที่ต้องการได้ สามารถใช้ได้เมื่อต้องการขันข้อต่อแบบบลายด์ในตำแหน่งอื่นที่ไม่ใช่ปลายเฟรม · สามารถเลือกมิติ d ของรูขันประแจได้จาก X5 หรือ X8. หากไม่ได้ระบุสเปค มิติ d จะเป็น 8 · สามารถเจาะรูได้สูงสุดห้ารูในแต่ละทิศทาง ได้แก่ แนวนอน แนวตั้ง และแนวขวาง [ ! ] หากต้องการรูขันประแจหกรูขึ้นไป กรุณาติดต่อ บริการสินค้านอกมาตรฐานของตู้เก็บแคตาลอคของเรา | |
| การเจาะรูคว้าน | แบบรูคว้านตำแหน่งที่ระบุ | Z6-XA○○ Z8-YA○○ | ![]() | อลูมิเนียมโปรไฟล์ นี่คือกระบวนการเพิ่มเติมสำหรับการเจาะรูคว้าน (เลือกได้ระหว่าง Z6 หรือ Z8) ในตำแหน่งใดก็ได้ · Z6: รูทะลุ ⌀6.5, รูคว้าน ⌀11, Z8: รูทะลุ ⌀9, รูคว้าน ⌀14 · สามารถเจาะรูได้สูงสุดห้ารูในทิศทางเดียว · สำหรับเฟรมที่มีร่องหลายแถวบนผิวเดียวกัน จะทำการคว้านรูในทุกร่อง [ ! ]หากคุณต้องการรูคว้านมากกว่าหกตำแหน่ง หรือเปลี่ยนทิศทางของรูคว้าน กรุณาติดต่อฝ่ายบริการผลิตภัณฑ์นอกมาตรฐานของเรา. |
| เจาะรูโดยเฉพาะสำหรับ ข้อต่อซ่อน | รู D | LDH/LDV RDH/RDV | ![]() | เจาะรูที่จำเป็นสำหรับการยึดข้อต่อเดี่ยว (ข้อต่อเดี่ยว) |
| รูตัว S | LSH RSH | ![]() | เจาะรูที่จำเป็นสำหรับยึดข้อต่อคู่ที่ติดตั้งเป็นอันดับแรก (ข้อต่อคู่ที่ติดตั้งเป็นอันดับแรก). | |
| รู M | LMH/LMV RMH/RMV | ![]() | เจาะรูที่จำเป็นสำหรับเชื่อมต่อข้อต่อคู่หลังประกอบและข้อต่อกลาง (ข้อต่อคู่หลังประกอบเสา / ข้อต่อกลาง) | |
| รู L | JLP○○-H△ | ![]() | เจาะรูที่จำเป็นสำหรับเชื่อมต่อข้อต่อขนาน (ข้อต่อแบบขนาน) | |
| การประมวลผลอื่น ๆ | ปลายลบมุมแบบ C | CW | ![]() | บริเวณรอบนอกของปลายกรอบถูกทำการทําแชมเฟอร์ |
| การติดสติ๊กเกอร์ | ZZZ | ![]() | อลูมิเนียมโปรไฟล์ มีการติดสติ๊กเกอร์ที่พิมพ์หมายเลขแคตตาล็อก ฯลฯ ลงบนอลูมิเนียมโปรไฟล์ มีข้อจำกัดเกี่ยวกับจำนวนตัวอักษร เป็นต้น แต่ก็สามารถพิมพ์หมายเลขซีเรียลและหมายเลขหน่วยของลูกค้าได้เช่นกัน |
ชิ้นส่วนที่เกี่ยวข้องกับอลูมิเนียมโปรไฟล์ซีรีส์ 6
■ อุปกรณ์เสริมอลูมิเนียมโปรไฟล์
| ชื่อผลิตภัณฑ์ | เหล็กยึด | ข้อต่อซ่อนมุม | น๊อตตัวเมีย | ฝาครอบเฟรม | ฝาปิดร่อง |
|---|---|---|---|---|---|
| ภาพถ่าย | ![]() | ![]() | ![]() | ![]() | ![]() |
| หน้าผลิตภัณฑ์ | ที่นี่ | ที่นี่ | ที่นี่ | ที่นี่ | ที่นี่ |
■ อลูมิเนียมโปรไฟล์ รายการเฟรมแคปรองรับการใช้งาน
หมายเลขรุ่นเฟรม | เฟรมแคปรองรับการใช้งาน | |||||
ประเภทสินค้า | สี | ความหนา | รหัสรุ่นสินค้า | จำนวนครั้งที่ใช้ | ||
| เช่นเดียวกันกับ HFSF6-6060 อลูมิเนียมโปรไฟล์, เฟรมความยาวคงที่ (รหัสรุ่นสินค้าที่ขึ้นต้นด้วย K) | ![]() | ฝาครอบสต๊อปเปอร์ | สีดำ | 3 | 1 | |
สีเทาอ่อน | 3 | 1 | ||||
![]() | ฝาครอบสต๊อปเปอร์ (ชนิดขายาว) | สีดำ | 3 | 2 | ||
สีเทาอ่อน | 3 | 2 | ||||
![]() | ยึดด้วยสลักเกลียว | สีดำ | 3 | 1 | ||
สีเทาอ่อน | 3 | 1 | ||||
สีเหลือง | 3 | 1 | ||||





















