แม่เหล็ก - รูคว้านเทเปอร์พร้อมตัวจับ - แบบกลม

แบรนด์ :
MISUMI
ข้อควรระวัง
รายละเอียดสินค้า
การรวมกันของ แม่เหล็ก และ โฮลเดอร์ ช่วยปกป้อง แม่เหล็ก
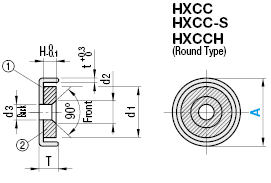
ดรออิ้งบอกขนาด
HXCC
HXCC-S
HXCCH
(แบบกลม)
HXCC-S
HXCCH
(แบบกลม)

ชนิด | (1) | (2) | อุณหภูมิทนความร้อน | ขั้วกระแสไฟฟ้า | |||
[M] วัสดุ | [ S ] กระบวนการเตรียมผิว | [M] วัสดุ | [ S ] กระบวนการเตรียมผิว | ด้านหน้า | กลับ | ||
| HXCC | เทียบเท่า SS400 | ชุบผิวนิกเกิล | แม่เหล็กนีโอไดเมียม | ชุบผิวนิกเกิล | 80°C | N | S |
| HXCC−S | S | N | |||||
| HXCCH | แม่เหล็กนีโอดิเมียมทนความร้อน | 150°C | N | S | |||