ลูกกลิ้งไกด์-แบน

แบรนด์ :
MISUMI
ข้อควรระวัง
รายละเอียดสินค้า
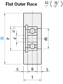
ลูกกลิ้งนำทาง พร้อม ตลับลูกปืน/รองลื่น แบบฝัง ที่สามารถใช้เพื่อ ไกด์ รางและชิ้นงานต่างๆ
ส่วน เส้นผ่านศูนย์กลางภายนอก/O.D.. เป็น ชนิดแบน
สามารถเลือก วัสดุ ได้จาก เหล็กกล้า (เทียบเท่า S45C) อะลูมิเนียมอัลลอย และ โพลิอะซีทัล (Polyacetal)

[ ! ] ดูขนาดตลับลูกปืนโดยละเอียดในหน้า 989
| ชนิด | [M] วัสดุตัวผลิตภัณฑ์ | [ S ] กระบวนการชุบผิว | [ M ] วัสดุ | |
| รางกลิ้งเรียบด้านนอก | แหวนล็อค | ตลับลูกปืน | ||
| FTMRN | เทียบเท่า S45C | — | เหล็กสปริง | เหล็กกล้า |
| FTMRB | รมดำ Black Oxide | |||
| FTMRG | ชุบนิกเกิลแบบไม่ใช้ไฟฟ้า | สแตนเลส | ||
| FTMRA | อะลูมิเนียมอัลลอย | เคลียร์อโนไดซ์ | ||
| FTMRP | โพลีอะซีทัล | — | ||
[ ! ]ตลับลูกปืนถูกสวมอัด
ตัวอย่าง
