สไลเดอร์ประตูสำหรับรางม่าน ใช้กับอลูมิเนียมโปรไฟล์

แบรนด์ :
MISUMI
ข้อควรระวัง
รายละเอียดสินค้า
[คุณสมบัติ]·สามารถใช้งานร่วมกับม่าน HPEFC และ HPEDC ได้
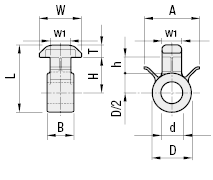
Drawing ระบุขนาดของรางเลื่อนประตู
รางเลื่อนประตู HCRS5
รางเลื่อนประตู HCRS6
รางเลื่อนประตู HCRS8
![ตัวเลื่อนรางม่าน (บรรจุ 50 ชิ้นต่อแพ็ค) [50 ชิ้น]: รูปภาพที่เกี่ยวข้อง](//th.misumi-ec.com/th/linked/item/10302375130/img/drw_20.gif)
รางเลื่อนประตู HCRS6
รางเลื่อนประตู HCRS8
![ตัวเลื่อนรางม่าน (บรรจุ 50 ชิ้นต่อแพ็ค) [50 ชิ้น]: รูปภาพที่เกี่ยวข้อง](http://th.misumi-ec.com/th/linked/item/10302375130/img/drw_20.gif)
*รางเลื่อนประตู HCRS8 สามารถใช้ร่วมกับซีรีส์ 8-45 ได้
[ ! ]ไม่สามารถใช้ร่วมกับม่าน (HFCFC) ได้
[ ! ]โปรดใช้งานร่วมกับตะขอ S ที่มีจำหน่ายทั่วไป เป็นต้น
[M] วัสดุของ รางเลื่อนประตู: PA6 Polyamide
ตารางข้อมูลจำเพาะของรางเลื่อนประตู
| รุ่นของ รางเลื่อนประตู |
| HCRS5 |
・รายการราคาด้านล่างเป็นข้อมูลล่าสุดณ เดือนเมษายน ปี 2011
・หากต้องการตรวจสอบราคาล่าสุด โปรดคลิกปุ่ม "ตรวจสอบราคา" หลังจากยืนยันหมายเลขรุ่นแล้ว
・หากต้องการตรวจสอบราคาล่าสุด โปรดคลิกปุ่ม "ตรวจสอบราคา" หลังจากยืนยันหมายเลขรุ่นแล้ว
| รุ่นของ รางเลื่อนประตู | W | h | L | w1 | d | D | A | T | B | |||
| ประเภทของ รางเลื่อนประตู | หมายเลข | |||||||||||
| HCRS | 5 | 11 | 3.5 | 18.5 | 5 | 6 | 12 | 18 | 3 | 7 | ||
| 6 | 15 | 4 | 24 | 7 | 7 | 14 | 19 | 6 | 9 | |||
| 8 | 19 | 7.5 | 31.5 | 9 | 10 | 18 | 25 | 6 | 12 | |||
| [ ! ]หากปริมาณที่ต้องการมากกว่าที่แสดงไว้ กรุณาตรวจสอบกับระบบ WOS | ||||||||||||