แผ่นเพลทเสริม

แบรนด์ :
MISUMI
ข้อควรระวัง
รายละเอียดสินค้า
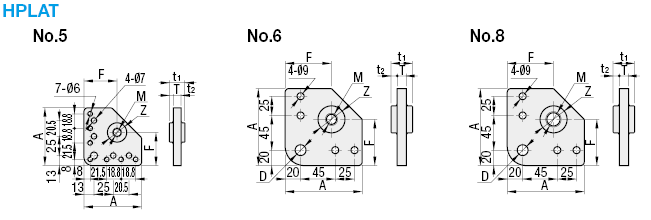
แผ่นยึดหรือฐานรองสำหรับอลูมิเนียมโปรไฟล์มักใช้งานเมื่อต้องกันติดตั้งร่วมกับล้อและขาปรับระดับ มีหลายขนาดให้เลือกใช้งาน
[คุณสมบัติ]
● รองรับการใช้งานร่วมกับอะลูมิเนียมโปรไฟล์ : MISUMI 5 ซีรีส์ 20mm สี่เหลี่ยมจัตุรัส, 6 ซีรีส์ 30mm สี่เหลี่ยมจัตุรัส, 8 ซีรีส์ 40mm สี่เหลี่ยมจัตุรัส
● ขนาดเกลียว : M12, M16 และ M20
● วัสดุ : JIS−ADC12
[การประยุกต์ใช้งาน]
แผ่นยึดหรือฐานรอง มักติดตั้งร่วมกับโปรไฟล์อลูมิเนียมที่มีการใช้ร่วมกับเครื่องจักรในอุตสาหกรรม

[M] วัสดุ: JIS−ADC12