ลูกกลิ้งสำหรับอลูมิเนียมโปรไฟล์ ใช้ได้กับซีรีส์ 5-8

แบรนด์ :
MISUMI
ข้อควรระวัง
- ความกว้างของซีรีส์ 8 และ 8-45 เมื่อประกอบแล้วคือ 30 มม. โปรดดูสัญลักษณ์ [ ! ] ใต้สเปคสำหรับรายละเอียดเพิ่มเติม
รายละเอียดสินค้า
ลูกกลิ้งที่สามารถติดตั้งบนพื้นผิวด้านบน/ด้านล่างของอลูมิเนียมเฟรมได้ สินค้านี้ใช้งานกับอลูมิเนียมเฟรมซีรีส์ 5-8 ได้
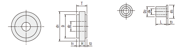
Drawing ระบุขนาดของอะไหล่สายพานลำเลียง
อะไหล่สายพานลำเลียง HFROLL(สีที่รวมอยู่: 6 นิลอน)
อะไหล่สายพานลำเลียง HFROLLM(สีที่รวมอยู่: SS400)
สีที่รวมอยู่

| ประเภทอะไหล่สายพานลำเลียง | [M]วัสดุ | |
| ลาวาร์ | สีที่รวมอยู่ | |
| HFROLL | 6 นิลอน | 6 นิลอน |
| HFROLLM | SS400, ทองแดงที่ทำจากโลหะ | |
ตารางข้อมูลจำเพาะของอะไหล่สายพานลำเลียง
| รุ่นอะไหล่สายพานลำเลียง |
| HFROLL6 |
・ราคาตารางด้านล่างเป็นปัจจุบันเมื่อเดือนเมษายน 2011.
・กรุณาคลิกปุ่ม "ตรวจราคา" หลังจากยืนยันรุ่น
[ ! ]ลูกกลิ้งที่ใช้ในเลขที่ 8 คือ "6800ZZ"
[ ! ]ด้านปลายของลูกกลิ้งที่ใช้ในเลขที่ 8 มีความหนา 0.5 มม. ภายในขนาด T ที่แต่ละด้าน ดังนั้นเมื่อติดตั้ง จะตรงกับขนาด 0.5 มม. ของ t3
ดังนั้น ขนาดความกว้างเมื่อติดตั้งอะไหล่สายพานลำเลียง = (ชิ้นส่วนลูกกลิ้ง T) + (คอลาร์ที่รวมอยู่ t3) x 2 - 0.5 x 2
・กรุณาคลิกปุ่ม "ตรวจราคา" หลังจากยืนยันรุ่น
| รุ่นอะไหล่สายพานลำเลียง | กรอบที่ใช้ได้ (ซีรีส์) | H | D | T | t1 | t2 | d1 | d2 | สี | ลูกกลิ้ง | อุปกรณ์ประกอบ | ความรับน้ำหนัก N (กก.ฟ.) | น้ำหนัก (g) | ||||||
| ประเภท | เลขที่ | สี | จำนวน | ||||||||||||||||
| L | t3 | D2 | d4 | d5 | |||||||||||||||
| HFROLL HFROLLM | 5 | อะไหล่สายพานลำเลียง 5 ซีรีส์ | 6 | 24 | 15 | 4 | 5 | 29 | 9.2 | ดำ | ไม่มี | 16.5 | 1.5 | 9 | 6.2 | 13 | 1 | 49(5) | 10 |
| 6 | อะไหล่สายพานลำเลียง 6 ซีรีส์ | 7.8 | 20.8 | 5 | 8 | 22.3 | 98(10) | 15 | |||||||||||
| 8 | อะไหล่สายพานลำเลียง 8・8-45 ซีรีส์ | 9.8 | 26 | 27.8 | 8 | 10 | 39.5 | 10 | ใช้ได้ | 13.4 | 1.6 | 10 | 14 | 2 | 147(15) | 30 | |||
[ ! ]ด้านปลายของลูกกลิ้งที่ใช้ในเลขที่ 8 มีความหนา 0.5 มม. ภายในขนาด T ที่แต่ละด้าน ดังนั้นเมื่อติดตั้ง จะตรงกับขนาด 0.5 มม. ของ t3
ดังนั้น ขนาดความกว้างเมื่อติดตั้งอะไหล่สายพานลำเลียง = (ชิ้นส่วนลูกกลิ้ง T) + (คอลาร์ที่รวมอยู่ t3) x 2 - 0.5 x 2
วิธีการใช้งานอะไหล่สายพานลำเลียง

HFROLL5
HFROLLM5
HFROLL6
HFROLLM6
HFROLL8
HFROLLM8
ตัวอย่าง
