แผ่นโลหะฉากยึดแบบอิสระ - สำหรับอลูมิเนียมเฟรม ซีรีส์ 5 (สล็อตกว้าง 6 มม.)

แบรนด์ :
MISUMI
ข้อควรระวัง
- โปรดตรวจสอบเนื้อหาบนเว็บไซต์ของเรา เนื่องจากไฟล์ PDF ไม่มีข้อมูลล่าสุด
รายละเอียดสินค้า
เมื่อต่อ เฟรม แล้วสามารถต่อได้ทุก มุม ไม่สามารถใช้ ผลิตภัณฑ์ นี้ได้โดยลำพัง กรุณาเลือก 2 รุ่นเพื่อใช้ร่วมกัน
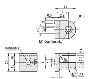
Drawing ระบุขนาดของฉากเข้ามุม

| ประเภทฉากเข้ามุม | [ M ]วัสดุของฉากเข้ามุม | [ S ]การเคลือบผิว |
| HBLTBA20 | ADC12 | - |
| HBLTBBN20 | ||
| สกรูที่ให้มา | SCM435 | ไตรวาเลนต์โครเมต |
ตารางข้อมูลจำเพาะของฉากเข้ามุม
| หมายเลขชิ้นส่วน |
| HBLTBA20 |
| หมายเลขชิ้นส่วน | โปรไฟล์ที่ใช้ร่วมกันได้ | น้ำหนัก (กรัม) | อุปกรณ์เสริม: สกรูหัวแบนหกเหลี่ยม (1 ชิ้น) | ราคาต่อหน่วย | อัตราส่วนลดตามจำนวน |
| 1 ~ 14 ชิ้น | 15 ~ 50 ชิ้น | ||||
| HBLTBA20 | ทรงสี่เหลี่ยม 20 (HFS5) | 10.8 | M4x6 | ||
| HBLTBBN20 |
การดัดแปลงของฉากเข้ามุม

[ ! ] สกรูที่ให้มาจะไม่เป็นไปตามมาตรฐาน RoHS หากระบุด้วย -SET□
การเปลี่ยนแปลงสเปกของฉากเข้ามุม
ขนาดภายนอกของบริเวณที่อยู่ในกรอบสีน้ำเงินจะมีการเปลี่ยนแปลงในคำสั่งซื้อที่ได้รับตั้งแต่เดือนกันยายน 2024 เป็นต้นไป ตัวอย่างฉากเข้ามุม: HBLTBBN20
| ก่อนปรับปรุง | หลังปรับปรุง |
![]() | ![]() |
[พื้นหลังของการเปลี่ยนแปลงสเปก]
เกิดปัญหาต่อไปนี้เมื่อใช้ผลิตภัณฑ์ทั้งสองนี้ร่วมกัน จึงได้มีการปรับปรุง:
(1) หัวของสกรูหัวแบนยื่นออกมา ทำให้เกิดการรบกวนเมื่อใช้กับแผงฝาครอบ
(2) ไม่สามารถปรับฉากเข้ามุมให้เป็นมุม 180 องศาได้
ตัวอย่าง: HBLTBBN20
เกิดปัญหาต่อไปนี้เมื่อใช้ผลิตภัณฑ์ทั้งสองนี้ร่วมกัน จึงได้มีการปรับปรุง:
(1) หัวของสกรูหัวแบนยื่นออกมา ทำให้เกิดการรบกวนเมื่อใช้กับแผงฝาครอบ
(2) ไม่สามารถปรับฉากเข้ามุมให้เป็นมุม 180 องศาได้
ตัวอย่าง: HBLTBBN20
| รายละเอียดการปรับปรุง | ก่อนปรับปรุง | หลังปรับปรุง |
| (1) ปรับเปลี่ยนให้หัวของสกรูหัวแบนไม่ยื่นออกจากตัวชิ้นงาน | ![]() | ![]() |
| (2) ปรับเปลี่ยนให้สามารถปรับมุมฉากเข้ามุมได้ถึง 180 องศา | ![]() | ![]() |
ตัวอย่างการใช้งาน






