ฉากยึดอัดขึ้นรูปแบบสามเหลี่ยมสำหรับอลูมิเนียมเฟรมซีรีส์ 8-45 - ร่องกว้าง 10 มม., 1 ร่อง

ข้อควรระวัง
รายละเอียดสินค้า
ฉากยึดที่มีรูติดตั้ง 2 รูที่ด้านเดียว สามารถเชื่อมต่อเฟรมได้อย่างมั่นคงยิ่งขึ้น
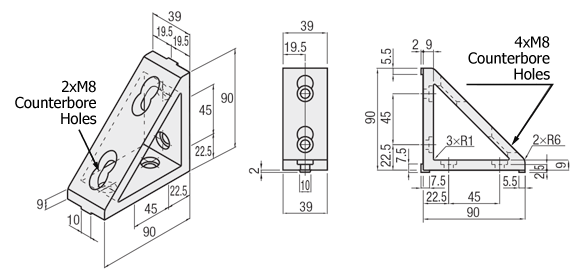
Drawing ระบุขนาดของเหล็กฉาก 90 องศา
HBLDSWT8-45

ตารางคุณสมบัติของเหล็กฉาก 90 องศา
| รุ่นเหล็กฉาก 90 องศา |
| HBLDSWT8-45 |
・เพื่อตรวจสอบราคาล่าสุด กรุณาคลิกปุ่ม "ตรวจสอบราคา" หลังจากยืนยันรุ่นสินค้า
| รุ่นเหล็กฉาก 90 องศา | น้ำหนัก (g) | น็อตและ T-nut ที่เหมาะสม | น้ำหนักที่รับได้ (N) | |||
| น็อต | จำนวน | T-Nut | จำนวน | |||
| HBLDSWT8-45 | 235 | CBM8-15 | 4 | HNTT8-8 | 4 | 3087 |
ขนาดน็อตและน็อตที่เหมาะสมสำหรับเหล็กฉาก 90 องศา
สินค้าเหล็กฉาก 90 องศานี้ไม่มีน็อตและน็อตมาด้วย
กรุณาอ้างอิงขนาดน็อตและน็อตด้านล่างเพื่อซื้อเอง
กรณีการใช้งานของเหล็กฉาก 90 องศา
คุณสมบัติ: ประเภทนี้มีส่วนยื่นที่พอดีกับร่องเฟรม
ส่วนยื่นทำหน้าที่เป็นตัวหยุดการหมุนระหว่างการทำงานยึด ทำให้ใช้งานได้ง่าย
เหล็กฉาก 90 องศานี้มีรูยึดสองรูที่ด้านหนึ่ง สามารถเชื่อมต่อเฟรมได้อย่างแน่นหนามากขึ้น
■ตัวอย่างการใช้งาน HBLDSWT8-45

| เฟรมที่รองรับ |
|---|
| 8-45 series เหล็กฉาก 90 องศาสำหรับสี่เหลี่ยม 45mm |
ข้อมูลทางเทคนิคของเหล็กฉาก 90 องศา
■ แนวคิดน้ำหนักที่รับได้ของเหล็กฉาก 90 องศา

น้ำหนักที่รับได้ในที่นี้แสดงถึงน้ำหนักที่เหล็กฉาก 90 องศาสามารถรักษาตำแหน่งได้ (ไม่แตกหรือเลื่อน) เมื่อรูยึดทั้งหมดบนเหล็กฉาก 90 องศาถูกยึดด้วยน็อตและมีการใช้แรง
สินค้าที่คล้ายกันของเหล็กฉาก 90 องศา
■ เหล็กฉาก 90 องศาพร้อมส่วนยื่น
มีส่วนยื่นบนพื้นผิวการติดตั้งเพื่อป้องกันการหมุน
| ชื่อสินค้า | เหล็กฉาก 90 องศา รูปสามเหลี่ยม | เหล็กฉาก 90 องศาแบบกลับด้านพร้อมส่วนยื่น | เหล็กฉาก 90 องศาพร้อมส่วนยื่นด้านเดียว | เหล็กฉาก 90 องศาพร้อมฝาครอบ | เหล็กฉาก 90 องศาพร้อมส่วนยื่น (2 เท่าของจำนวนรู) |
|---|---|---|---|---|---|
| รูปภาพสินค้า |
|
|
|
|
|
| วัสดุ | A6N01SS-T | ADC12 | ADC12 | ADC12 | ADC12 |
| คุณสมบัติ | เหล็กฉาก 90 องศานี้มีรูยึดสองรูที่ด้านหนึ่ง ทำให้สามารถเชื่อมต่อกับเฟรมได้อย่างแน่นหนามากขึ้น | พื้นผิวการติดตั้งมีส่วนยื่น ทำให้ง่ายต่อการจัดตำแหน่งเมื่อติดตั้ง นี่เป็นประเภทที่ใช้กันทั่วไปมากที่สุด | ส่วนยื่นอยู่ด้านเดียวเท่านั้น และมีประโยชน์เมื่อเชื่อมต่อเฟรม/แผ่น | ประเภทนี้มีฝาครอบป้องกันฝุ่น ฝุ่นไม่สะสมด้านใน ทำให้สะอาด | ประเภทขนาดใหญ่นี้ใช้สกรูเป็นสองเท่า ทำให้สามารถเชื่อมต่อกับเฟรมได้อย่างแข็งแรงมากขึ้น |
| รุ่นตัวแทน | สินค้านี้ | HBLFSN8-45 | HBLFSNK8-45 | HBLFSNT8-45 | HBLFSSW8-45 |
สินค้าที่เกี่ยวข้องของเหล็กฉาก 90 องศา
■8-45 Series
| ชื่อสินค้า | เฟรมอลูมิเนียม | ข้อต่อแบบซ่อน | ฝาเฟรม | ฝาครอบร่อง | น็อต |
|---|---|---|---|---|---|
| รูปภาพ |
|
|
|
|
|
| หน้าสินค้า | ที่นี่ | ที่นี่ | ที่นี่ | ที่นี่ | ที่นี่ |









