อลูมิเนียมเฟรมสำหรับประตูเลื่อน

แบรนด์ :
MISUMI
ข้อควรระวัง
- จะมีการเพิ่มค่าขนส่งและค่าจัดส่ง สำหรับสินค้าที่ยาวเกิน 2,000.5 มม
- เวลาสำหรับสายนำไฟฟ้านี้สำหรับความยาววัตถุไม่เกิน 2600 มม. หากความยาวของวัตถุยาวกว่า 2600 มม. ระยะเวลาการจัดส่งจะอยู่ที่ประมาณ 1.5 เดือน กรุณาตรวจสอบเวลานำจริงกับ MISUMI.
รายละเอียดสินค้า
อลูมิเนียมเฟรมสำหรับประตูรางเลื่อน ใช้ร่วมกับชุดมู่เล่ยสำหรับประตูเลื่อน HASGD
Drawing ระบุขนาดของรางเลื่อนประตู
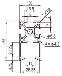
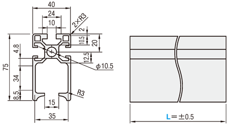
| รางเลื่อนประตู HFHSD6-3030 | รางเลื่อนประตู HFHSD8-4040 | |
| รางเลื่อนประตู HFHSDY6-3030 | รางเลื่อนประตู HFHSDY8-4040 | |
![]() | ![]() |
| ประเภท | [M] วัสดุของ รางเลื่อนประตู | [S] การเคลือบผิว |
| HFHSD6-3030 | A6N01S-T5 | อโนไดซ์ |
| HFHSDY6-3030 | A6N01S-T5 | เคลือบอบสี (สีเหลือง) |
| HFHSD8-4040 | A6063S-T5 | อโนไดซ์ |
| HFHSDY8-4040 | A6063S-T5 | เคลือบอบสี (สีเหลือง) |
ตารางข้อมูลจำเพาะของรางเลื่อนประตู
| รุ่นของ รางเลื่อนประตู | − | L |
| HFHSD6-3030 | − | 1000 |
・รายการราคาด้านล่างเป็นราคาปัจจุบันณ เดือนเมษายน 2011
・โปรดคลิกปุ่ม "ตรวจสอบราคา" หลังจากยืนยันหมายเลขรุ่นเพื่อดูราคาล่าสุด
・โปรดคลิกปุ่ม "ตรวจสอบราคา" หลังจากยืนยันหมายเลขรุ่นเพื่อดูราคาล่าสุด
| รุ่นของ รางเลื่อนประตู | ความยาว L กำหนดได้เป็นช่วงละ 0.5 มม. | น้ำหนัก กก./ม. | พื้นที่หน้าตัด มม² | โมเมนต์ความเฉื่อย มม4 | |
| ℓx | ℓy | ||||
| HFHSD6-3030 | 50–4000 | 1.26 | 467 | 5.17 × 10⁴ | 12.44 × 10⁴ |
| HFHSDY6-3030 | 50–4000 | 1.26 | 467 | 5.17 × 10⁴ | 12.44 × 10⁴ |
| HFHSD8-4040 | 50–4000 | 2.13 | 792 | 44.24 × 10⁴ | 16.69 × 10⁴ |
| HFHSDY8-4040 | 50–4000 | 2.13 | 792 | 44.24 × 10⁴ | 16.69 × 10⁴ |
หาก L น้อยกว่า 300
จะใช้ราคาต่อหน่วยในตารางโดยไม่คำนึงถึงความยาว
หาก L มากกว่าหรือเท่ากับ 300
ราคาจะถูกคำนวณดังนี้:
ราคาต่อเมตร × ความยาวทั้งหมดที่ระบุ = ราคาขายต่อหน่วย
ตัวอย่างของ รางเลื่อนประตู: HFHSD6-3030-1200
จะใช้ราคาต่อหน่วยในตารางโดยไม่คำนึงถึงความยาว
หาก L มากกว่าหรือเท่ากับ 300
ราคาจะถูกคำนวณดังนี้:
ราคาต่อเมตร × ความยาวทั้งหมดที่ระบุ = ราคาขายต่อหน่วย
ตัวอย่างของ รางเลื่อนประตู: HFHSD6-3030-1200
การประมวลผลพิ่มเติมของ รางเลื่อนประตู
| การประมวลผลพิ่มเติม | การเจาะรูเกลียว (Tap Hole) | ||||
| รหัสสินค้า รางเลื่อนประตู | LTP | RTP | TPW | ||
| รายละเอียด | เจาะรูเกลียวที่ด้านซ้าย![]() | เจาะรูเกลียวที่ด้านขวา![]() | เจาะรูเกลียวทั้งสองด้าน![]() | ||
| ซีรีส์ของ รางเลื่อนประตู | ประเภท (TYPE) | รูปแบบการเจาะเกลียว (Tap Shape) | |||
| 6 | HFHSD6-3030 | M8 ลึก 24 (มาตรฐาน) | 180 | 180 | 360 |
| HFHSDY6-3030 | |||||
| 8 | HFHSD8-4040 | M12 ลึก 36 (มาตรฐาน) | 200 | 200 | 400 |
| HFHSDY8-4040 | |||||
วิธีการใช้งานรางเลื่อนประตู
■ วิธีการใช้งานโครงประตูแขวนแบบ รางเลื่อนประตู สำหรับรั้วนิรภัย / รอกแขวนประตูแบบ รางเลื่อนประตู / รางนำทางสำหรับ รางเลื่อนประตู แบบแขวน ภาพตัวอย่างเป็นของซีรีส์ 6






