ขายึดแบบแท็บ - ซีรีส์ 6, ร่อง 8 มม., 1 ร่อง

ข้อควรระวัง
รายละเอียดสินค้า
เหล็กยึด ที่มีส่วนที่ยื่นออกมาเพื่อป้องกันการหมุน ส่วนที่ยื่นออกมาป้องกันการหมุนระหว่างการยึด ดังนั้นความสามารถในการทำงานจึงดีเยี่ยม
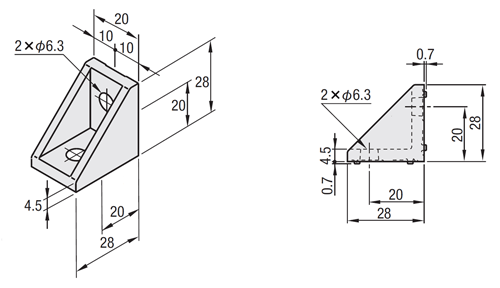
Drawing ระบุขนาดของเหล็กฉาก 90 องศา
HBLFSB6(การเคลือบไฟฟ้าแบบคาโทดิก (สีดำ))

[ ! ]สำหรับความตั้งฉากของเหล็กฉาก 90 องศา กรุณาอ้างอิงตารางความคลาดเคลื่อนความตั้งฉาก
| ประเภท | [M] วัสดุ | [S] การบำบัดพื้นผิว |
| HBLFS6 | ADC12 | − |
| HBLFSB6 | การเคลือบไฟฟ้าแบบคาโทดิก (สีดำ) |
ตารางข้อมูลจำเพาะของเหล็กฉาก 90 องศา
| รุ่น |
| HBLFS6 |
・เพื่อตรวจสอบราคาล่าสุด กรุณาคลิกปุ่ม "ตรวจสอบราคา" หลังจากยืนยันหมายเลขรุ่น
[ ! ]โบลต์และน็อตไม่ได้รวมอยู่กับเหล็กฉาก 90 องศา
กรุณาตรวจสอบตารางด้านล่างสำหรับโบลต์และ T‑nut ที่เข้ากันได้
หากต้องการซื้อชุดโบลต์และน็อต กรุณาเลือกจากตัวกรอง "อุปกรณ์เสริม"
สำหรับรายละเอียดสเปค กรุณาตรวจสอบลิงก์ผลิตภัณฑ์ภายใต้ "รายละเอียดชุดโบลต์และน็อตที่ใช้ได้" (สามารถซื้อแยกได้)
| รุ่น | น้ำหนัก | โบลต์และ T‑nut ที่เข้ากันได้ (ระบุงานเพิ่มเติมหากต้องการ) | โหลดที่อนุญาต | |||
| (ก.) | โบลต์ | จำนวน | T‑nut | จำนวน | (N) | |
| HBLFS6 | 13 | CBM6-12 | 2 | HNTT6-6 | 2 | 1176 |
| HBLFSB6 (cationic electrodeposition coating: black) | ||||||
งานเพิ่มเติมของเหล็กฉาก 90 องศา
| รุ่น | − | การกลึงรูติดตั้ง ฝาครอบ | − | ชุดโบลต์และน็อต |
| HBLFS6 | − | − | SET | |
| HBLFS6 | − | C | − | SET |
| การดัดแปลง | รหัส | ข้อกำหนด | เหล็กฉาก 90 องศาที่ใช้ได้ |
| รูติดตั้งฝาครอบ เพิ่มเติม | C | เหล็กฉาก 90 องศาสามารถติดตั้งรูเกลียว M5 ทั้งสองด้านสำหรับติดฝาครอบ ตัวอย่างรุ่น: HBLFS6-C (สกรูติดตั้ง:HCBM). ![]() | HBLFSN6 |
| HBLFSN6-5 | |||
| HBLFSNB6 | |||
| HBLFSNM6 | |||
| CHBLFSN6 | |||
| HBLFS6 | |||
| HBLFSB6 | |||
| HBLFSL6 | |||
| HBLFSR6 | |||
| HBLFSNK6 | |||
| HBLFSNE6 | |||
| HBLFSH6 |
・แผนภาพตำแหน่งรูติดตั้งฝาครอบ

●กรุณาระบุรหัสการดัดแปลง -C
| การดัดแปลง | รหัส | ข้อกำหนด | เหล็กฉาก 90 องศาที่ใช้ได้ | |||||||||||||||||||||||||||||||||
| ชุดโบลต์และน็อต ที่ใช้ได้ | SET SST (สแตนเลส) SEU (น็อตสปริงก่อนการประกอบ) SSU (Pre-assembly spring nut) (สแตนเลส) SEP (น็อตสปริงหลังการประกอบ) SSP (Post-assembly spring nut) (สแตนเลส) SEC (โบลต์/น็อตพร้อมแหวนรองประกอบ) | ชุดนี้รวมโบลต์และน็อตที่ใช้ได้สำหรับติดตั้งเหล็กฉาก 90 องศาเข้ากับกรอบ (รวมเพิ่มในราคาเหล็กฉาก 90 องศา) (Example) When specifying HBLFS6
| - | |||||||||||||||||||||||||||||||||
| HBLFSN6 | ||||||||||||||||||||||||||||||||||||
| HBLFSN6-5 | ||||||||||||||||||||||||||||||||||||
| HBLFSNB6 | ||||||||||||||||||||||||||||||||||||
| HBLFSNM6 | ||||||||||||||||||||||||||||||||||||
| CHBLFSN6 | ||||||||||||||||||||||||||||||||||||
| HBLFS6 | ||||||||||||||||||||||||||||||||||||
| HBLFSB6 | ||||||||||||||||||||||||||||||||||||
| HBLFSL6 | ||||||||||||||||||||||||||||||||||||
| HBLFSR6 | ||||||||||||||||||||||||||||||||||||
| HBLFSNK6 | ||||||||||||||||||||||||||||||||||||
| HBLFSNE6 | ||||||||||||||||||||||||||||||||||||
| HBLFSH6 | ||||||||||||||||||||||||||||||||||||
[ ! ]เมื่อระบุ -SET, -SEU หรือ -SEP สำหรับเหล็กฉาก 90 องศานอกเหนือจากแบบอะโนไดซ์สีดำ/ชุบไฟฟ้า (สีดำ) โบลต์ที่รวมมาไม่เป็นไปตาม RoHS
■รายละเอียดชุดโบลต์และน็อตที่ใช้ได้ (สามารถซื้อแยกได้)
| รหัสการดัดแปลง | โบลต์ | น็อต | ||||
|---|---|---|---|---|---|---|
| รุ่น | วัสดุ | ประเภท | รุ่น | วัสดุ | สต็อปเปอร์ | |
| SET | CBM6-12 | เหล็ก | ใส่ก่อน เอาออกก่อน | HNTT6-6 | เหล็ก | ไม่มี |
| SST | SCB6-12 | สแตนเลส | ใส่ก่อน เอาออกก่อน | HNTTSN6-6 | สแตนเลส | ไม่มี |
| SEU | CBM6-12 | เหล็ก | ใส่ก่อน เอาออกก่อน | HNTU6-6 | เหล็ก | มี |
| SSU | SCB6-12 | สแตนเลส | ใส่ก่อน เอาออกก่อน | SHNTU6-6 | สแตนเลส | มี |
| SEP | CBM6-12 | เหล็ก | ใส่ทีหลัง | HNTP6-6 | เหล็ก | มี |
| SSP | SCB6-12 | สแตนเลส | ใส่ทีหลัง | SHNTP6-6 | สแตนเลส | มี |
| SEC | HCBST6-15 | เหล็ก (พร้อมแหวนรอง) | ใส่ก่อน เอาออกก่อน | HNTT6-6 | เหล็ก | ไม่มี |
วิธีการใช้งานเหล็กฉาก 90 องศา
คุณลักษณะ: ประเภทนี้มีส่วนยื่นที่พอดีกับร่องของกรอบ
ส่วนยื่นทำหน้าที่เป็นสต็อปเปอร์ระหว่างการขัน ช่วยให้ทำงานได้ง่าย

* เหล็กฉาก 90 องศาแบบกลับด้านพร้อมส่วนยื่นที่รองรับการเชื่อมต่อตัดกันก็มีให้เลือกเช่นกัน
ข้อมูลทางเทคนิคของเหล็กฉาก 90 องศา
■ ความตั้งฉาก

[ ! ]สำหรับความตั้งฉากของเหล็กฉาก 90 องศารุ่นอื่น ๆ
■ แนวคิดการประเมินโหลดที่อนุญาตของเหล็กฉาก 90 องศา

โหลดที่อนุญาตในที่นี้ คือโหลดที่เหล็กฉาก 90 องศาสามารถรักษาตำแหน่งไว้ได้ (ไม่แตกหรือไม่ลื่นไถล) เมื่อรูยึดทั้งหมดถูกขันด้วยโบลต์และมีโหลดกระทำ
ผลิตภัณฑ์ที่คล้ายกันของเหล็กฉาก 90 องศา
■ เหล็กฉาก 90 องศาพร้อมส่วนยื่น
พื้นผิวติดตั้งมีส่วนยื่นเพื่อป้องกันการหมุน
| ชื่อผลิตภัณฑ์ | เหล็กฉาก 90 องศาพลิกกลับได้พร้อมส่วนยื่น | เหล็กฉาก 90 องศาซี่โครงเดี่ยว | เหล็กฉาก 90 องศาติดตั้งด้วยน็อต | เหล็กฉาก 90 องศาพร้อมส่วนยื่นด้านเดียว | เหล็กฉาก 90 องศาร่องข้างเดียว | เหล็กฉาก 90 องศาพร้อมฝาครอบ |
|---|---|---|---|---|---|---|
| รูปภาพผลิตภัณฑ์ |
|
|
| No protrusions on one side, can be connected to the plate
|
|
|
| วัสดุ | ADC12 | ADC12 | ADC12 | ADC12 | ADC12 | ADC12 |
| คุณสมบัติ | The mounting surface has a protrusion, making it easy to position during installation. This is the most conventional type. | This type has a rib (side) on only one side, making it easy to turn a hex wrench. | The long protrusion serves as a nut stop, eliminating the need for fine adjustment of the nut position. | The protrusion is on one side only, which is useful when connecting frames and plates. | This type has an elongated hole on one side. The bolt head does not interfere even when using a washer-integrated bolt. | This type is equipped with a dustproof cover, which prevents dust from accumulating inside and is excellent for hygiene. |
| รุ่นตัวแทน | HBLFSN6 | HBLFSL6 | HBLFSR6 | HBLFSNK6 | HBLFSH6 | HBLFSNT6 |
สินค้าที่เกี่ยวข้องของเหล็กฉาก 90 องศา
■ซีรีย์ 6 (ความกว้างร่อง 8 มม.)
| ชื่อผลิตภัณฑ์ | กรอบอลูมิเนียม | ข้อต่อบอด | ฝากรอบ | ฝาปิดร่อง | น็อต |
|---|---|---|---|---|---|
| รูปภาพ |
|
|
|
|
|
| หน้าผลิตภัณฑ์ | ที่นี่ | ที่นี่ | ที่นี่ | ที่นี่ | ที่นี่ |












