ขายึดกลับด้านพร้อมส่วนยื่น - ซีรีส์ 6, ร่อง 8 มม., 1 แถว, 4 รู (มุม 90 องศา)

ข้อควรระวัง
- ดาวน์โหลดฟรี! >>Economy Series Catalog (TH-EN-FY25) คลิกที่นี่
รายละเอียดสินค้า
เหล็กยึด ด้านหลังที่มีส่วนที่ยื่นออกมาซึ่งมีรูยึด 2 รูที่ด้านหนึ่ง คุณสามารถต่อ เฟรม ได้แน่นขึ้น
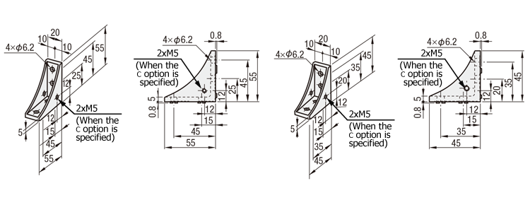
Drawing ระบุขนาดเหล็กฉาก 90 องศา
HBLFSSW6
HBLFSSWB6 (อะโนไดซ์สีดำ)
HBLFSSW6-50 สำหรับ 50 ตร.ม

| ชนิด | [M]วัสดุ | [S]การเคลือบผิว |
| HBLFSSW6 | ADC12 | − |
| HBLFSSWB6 | อลูมิเนียมอโนไดซ์สีดำ | |
| HBLFSSW6−50 | − |
ตารางข้อมูลจำเพาะเหล็กฉาก 90 องศา
| รุ่น |
| HBLFSSW6 |
・สำหรับราคาล่าสุด โปรดคลิกปุ่ม "ตรวจสอบราคา" หลังจากยืนยันหมายเลข รุ่น แล้ว
| รุ่น | มวล (กรัม) | โบลท์/น็อตตัว T ใช้งานได้ | น้ำหนักบรรทุกที่อนุญาต (นิวตัน) | |||
| ชนิด | โบลท์ | จำนวนชิ้น | T-น็อต | จำนวนชิ้น | ||
| HBLFSSW6 | 37 | CBM6−12 | 4 | HNTT6−6 | 4 | พ.ศ. 2307 |
| HBLFSSWB6 * (อลูไมต์สีดำ) | ||||||
| HBLFSSW6−50 | 27 | |||||
การประมวลผลเพิ่มเติมของเหล็กฉาก 90 องศา
| รุ่น | − | (C・SET・SST・SEU・SSU・SEP・SSP・SEC) |
| HBLFSSW6 | − | SET |
| HBLFSSW6 | − | C- SET |
| การเปลี่ยนแปลง | รหัส | ข้อมูลจำเพาะ | ขายึดที่ใช้งานได้ |
| รู ยึดฝา ครอบเพิ่มเติม | C | เพิ่มก๊อกเข้ากับขายึดเพื่อติดฝาครอบ (M5 สองด้าน) (สกรูยึด HCBM) ![]() | HBLFSNT6 |
| HBLFSSW6 | |||
| HBLFSSWB6 | |||
| HBLFSSW6−50 |
(ตัวอย่างการติดตั้งฝาครอบ)
●กรุณาระบุรหัสการตัดเฉือนเพิ่มเติม -C

| การเปลี่ยนแปลง | รหัส | ข้อมูลจำเพาะ | ขายึดที่ใช้งานได้ | |||||||||||||||||||||||||||||||||
| ตั้ง สลักเกลียวและ น็อต ที่เกี่ยวข้อง | SET SST (สแตนเลส) SEU (น็อต สปริงพรีฟิต) SSU ( น็อตสปริง พ รีฟิต สแตนเลส) SEP (น็อต สปริงฟิตติ้ง) SSP (น็อต สปริงฟิตติ้งสแตน เลส) SEC ( โบลท์/ น็อต พร้อมแหวนรอง ) | ชุดโบลท์และน็อตที่ใช้ได้สำหรับติดขายึดกับเฟรม (เพิ่มในราคาขายึด) (ตัวอย่าง) เมื่อระบุ HBLFSSW6
[ ! ]เมื่อระบุสิ่งอื่นที่ไม่ใช่ HBLFSSW6 | - | |||||||||||||||||||||||||||||||||
| HBLFSNT6 | ||||||||||||||||||||||||||||||||||||
| HBLFSSW6 | ||||||||||||||||||||||||||||||||||||
| HBLFSSWB6 | ||||||||||||||||||||||||||||||||||||
| HBLFSSW6−50 | ||||||||||||||||||||||||||||||||||||
[ ! ]หากระบุ -SET, -SEU, -SEP สำหรับอย่างอื่นที่ไม่ใช่ขายึดอะลูไมต์สีดำ โบลท์ที่ติดไว้จะไม่เป็นไปตามข้อกำหนด RoHS
[ ! ]สำหรับชุดรวม โปรดดู "รายละเอียดชุดสลักเกลียว/น็อต" ด้านล่าง
■ เจาะรูเพื่อติดตั้งฝาครอบ (-C) ของเหล็กฉาก 90 องศา
คุณสามารถเพิ่มรูเกลียว M5 ได้ทั้งสองด้าน
ตัวอย่างโมเดลการตัดเฉือนเพิ่มเติม: HBLFSSW6-C
■ รายละเอียดชุดสลักเกลียว/น็อตที่ใช้งานได้ของเหล็กฉาก 90 องศา
| รูปแบบการตัดเฉือนเพิ่มเติม | โบลท์ | น็อต | ||||
|---|---|---|---|---|---|---|
| รุ่น | วัสดุ | ชนิด | รุ่น | วัสดุ | ตัวอุด | |
| SET | CBM6-12 | เหล็ก | เข้าก่อน | HNTT6-6 | เหล็ก | ไม่มี |
| SST | SCB6-12 | สแตนเลส | เข้าก่อน | HNTTSN6-6 | สแตนเลส | ไม่มี |
| SEU | CBM6-12 | เหล็ก | เข้าก่อน | HNTU6-6 | เหล็ก | ใช่ |
| SSU | SCB6-12 | สแตนเลส | เข้าก่อน | SHNTU6-6 | สแตนเลส | ใช่ |
| SEP | CBM6-12 | เหล็ก | เข้าช้า | HNTP6-6 | เหล็ก | ใช่ |
| SSP | SCB6-12 | สแตนเลส | เข้าช้า | SHNTP6-6 | สแตนเลส | ใช่ |
| SEC | HCBST6-15 | เตารีด (พร้อมเครื่องซักผ้า) | เข้าก่อน | HNTT6-6 | เหล็ก | ไม่มี |
ตัวอย่างการใช้งานเหล็กฉาก 90 องศา
- เหล็กฉาก 90 องศา ประเภทนี้มีส่วนที่ยื่นออกมาพอดีกับร่องเฟรม
เหล็กฉาก 90 องศา ส่วนที่ยื่นออกมาป้องกันการหมุนระหว่างการยึดทำให้ทำงานได้ง่ายขึ้น - เหล็กฉาก 90 องศา การเชื่อมต่อสามารถทำได้โดยใช้การเชื่อมต่อรูปตัว L หรือการเชื่อมต่อแบบข้าม
สามารถใช้เมื่อเฟรมตัดกัน

| ชนิด | การรักษาพื้นผิว | เฟรมที่เข้ากันได้ |
|---|---|---|
| HBLFSSW6 | - | 6 ซีรีส์30 สแควร์ / 60 สแควร์ใช้งานทั่วไป |
| HBLFSSWB6 | อลูมิเนียมอโนไดซ์สีดำ | |
| HBLFSSW6-50 | - | สำหรับซีรีย์ 6 50 ตร.ม |
ข้อมูลทางเทคนิคเหล็กฉาก 90 องศา
■ แนวคิดเกี่ยวกับน้ำหนักที่อนุญาตของเหล็กฉาก 90 องศา

น้ำหนักที่อนุญาตในที่นี้หมายถึงน้ำหนักที่เหล็กฉาก 90 องศาสามารถรักษาตำแหน่งได้ (ไม่มีการแตกหัก/ลื่นไถลเกิดขึ้น) เมื่อรูยึดทั้งหมดของขายึดได้รับการแก้ไขด้วยสลักเกลียวและมีการใช้โหลด
วิธีติดตั้งชุดน็อตพร้อมแหวนรอง (-SEC) ของเหล็กฉาก 90 องศา
■ วิธีติดตั้งเหล็กฉาก 90 องศาเฟรมอะลูมิเนียมพร้อมแหวนรองสปริงเป็นชุด (-SEC)
หัวของผลิตภัณฑ์นี้รบกวนหัวโบลต์เมื่อเทียบกับโบลท์ชุดอื่นที่มีแหวนรองสปริง ดังนั้นควรระมัดระวังเมื่อจำเป็นต้องขันให้แน่น.
เราจะแสดงวิธีการติดตั้งให้คุณ
ขั้นตอนที่ 1 ลำดับการติดตั้ง
ขั้นตอนที่ 2 การขันโบลท์หกเหลี่ยมให้แน่น

จากสองรู ให้ติดตั้งจากรูด้านบน
ขั้นตอนที่ 3 ปรับตำแหน่งของแหวนรองสปริงโบลต์
ของโบลต์ที่ขันไว้ก่อนหน้านี้
จะรบกวนและไม่สามารถติดตั้งได้


สุดท้าย บิดโบลท์หกเหลี่ยมเพื่อติดตั้ง

หากติดล่วงหน้าด้านใดด้านหนึ่งได้ยาก เราแนะนำให้ใช้ผลิตภัณฑ์ดังต่อไปนี้
<ผลิตภัณฑ์ทดแทน>
กรณีที่ 1: เมื่อเปลี่ยนสลักเกลียวโดยไม่เปลี่ยนตัวยึด
HBLFSN6-SET(เปลี่ยนชุดสลักเกลียวและน็อตที่ใช้สำหรับงานเพิ่มเติม)
กรณีที่ 2: เมื่อเปลี่ยนตัวยึดโดยไม่เปลี่ยนสลักเกลียวที่มีแหวนรองสปริง
HBLFSH6-SEC(เปลี่ยนเป็นตัวยึดที่มีรูวงรีด้านเดียว)
รูที่ด้านหนึ่งของตัวยึดเป็นรูวงรี ดังนั้นถึงแม้จะใช้สลักเกลียวหกเหลี่ยมที่มีแหวนรองในตัว หัวสลักเกลียวยังคงสามารถใช้ในการติดตั้งได้โดยไม่เกิดการรบกวน
สินค้าที่คล้ายกันกับเหล็กฉาก 90 องศา
■ เหล็กฉาก 90 องศาแบบยื่นออกมา
มีส่วนยื่นออกมาบนพื้นผิวติดตั้งเพื่อป้องกันการหมุน
| ชื่อสินค้า | ขายึด ถอยหลัง พร้อมส่วนที่ยื่นออกมา | ขายึดซี่โครงเดี่ยว | ตัวยึดน็อต | ตัวยึดที่มีส่วนยื่นออกมาด้านหนึ่ง | ตัวยึดรูยาวด้านเดียว | ตัวยึดพร้อมฝาครอบ |
|---|---|---|---|---|---|---|
| ภาพผลิตภัณฑ์ |
|
|
| ไม่มีส่วนที่ยื่นออกมาด้านใดด้านหนึ่งและสามารถเชื่อมต่อกับแผ่นเพลทได้
|
|
|
| วัสดุ | ADC12 | ADC12 | ADC12 | ADC12 | ADC12 | ADC12 |
| คุณสมบัติ | พื้นผิวติดตั้งมีส่วนยื่นออกมา ทำให้ง่ายต่อการวางตำแหน่งระหว่างการติดตั้ง นี่เป็นประเภทออร์โธดอกซ์ที่สุด | ประเภทนี้มีซี่โครง (ด้านข้าง) เพียงด้านเดียว ทำให้ง่ายต่อการหมุนประแจหกเหลี่ยม | ประเภทนี้มีส่วนที่ยื่นออกมายาวเพื่อยึดน็อต และไม่จำเป็นต้องปรับตำแหน่งน็อตอย่างละเอียด | ส่วนยื่นออกมามีด้านเดียวเท่านั้นและมีประโยชน์เมื่อเชื่อมต่อเฟรม/เพลต | ชนิดนี้มีรูยาวด้านหนึ่ง หัวโบลท์ไม่รบกวนแม้ว่าจะใช้โบลท์ที่มีแหวนรองในตัวก็ตาม | ประเภทนี้มีฝาปิดกันฝุ่น สุขอนามัยที่ดีเยี่ยมเนื่องจากไม่มีฝุ่นสะสมอยู่ภายใน |
| โมเดลตัวแทน | HBLFSN6 | HBLFSL6 | HBLFSR6 | HBLFSNK6 | HBLFSH6 | HBLFSNT6 |
สินค้าที่เกี่ยวข้องกับเหล็กฉาก 90 องศา
■ ซีรีส์ 6 (ความกว้างของร่อง 8 มม.) ของเหล็กฉาก 90 องศา
| ชื่อสินค้า | กรอบอลูมิเนียม | ข้อต่อคนตาบอด | ฝาครอบเฟรม | ฝาครอบร่อง | น็อต |
|---|---|---|---|---|---|
| รูปถ่าย |
|
|
|
|
|
| หน้าสินค้า | ที่นี่ | ที่นี่ | ที่นี่ | ที่นี่ | ที่นี่ |











