พูลเล่ย์ไทม์มิ่งแรงบิดสูง รุ่น S2M

ข้อควรระวัง
- โปรดทราบว่าตัวเลือก หน้าแปลน แบบสวิง, NFC, RFC และ LFC จะไม่ปรากฏในข้อมูล CAD
- สำหรับลูกค้าที่เลือกใช้ ไทม์มิ่งพูลเล่ย์ มีรู ชนิดมีรูต๊าปเกลียว ที่ พื้นผิว ฟัน: สกรูตัวหนอน อุปกรณ์เสริม อาจยื่นออกมาและรบกวน สายพาน ขึ้นอยู่กับ ขนาดเส้นผ่านศูนย์กลางรูเพลา ที่ลูกค้าเลือก โปรดตรวจสอบว่า สกรูตัวหนอน ยื่นออกมาจากด้านล่างของ โคนฟัน พูลเล่ย์ บนตัวอย่าง 3 มิติหรือ CAD หรือไม่ หากยื่นออกมาโปรดพิจารณา การปรับแต่งเพิ่มเติม SLH "เปลี่ยนความยาว สกรูตัวหนอน " หรือเปลี่ยนเป็น รูปทรง B ขอบคุณที่เลือก ผลิตภัณฑ์ นี้
- โปรดตรวจสอบเนื้อหาบนเว็บไซต์ของเรา เนื่องจากไฟล์ PDF ไม่มีข้อมูลล่าสุด
รายละเอียดสินค้า
[วัสดุ]
· พูลเล่ย์:อะลูมิเนียมอัลลอย A2000 เทียบเท่า S45CSUS304
· หน้าแปลน:อะลูมิเนียมอัลลอย SPCCSUS304
[กระบวนการเตรียมผิว]
·ชัดเจน anodize, anodize สีดำยาก anodize ชัดเจน (ความแข็ง บริษัท ที่จะ 300HV), ชุบนิกเกิ้ลแบบไม่ใช้ไฟฟ้า, การเคลือบผิว
[สินค้าที่เกี่ยวข้อง]
·สายพานไทม์มิ่งสายพานไทม์มิ่ง แรงบิดสูง
· Idler idler พร้อมแบริ่งตรงกลางฟัน , คนขี้เกียจพร้อมฟันทั้งสองข้างแบริ่ง , คนขี้เกียจ - แบริ่งปรับความตึงด้านหลัง , คนขี้เกียจ - ความตึงด้านหลังทั้งสองด้าน
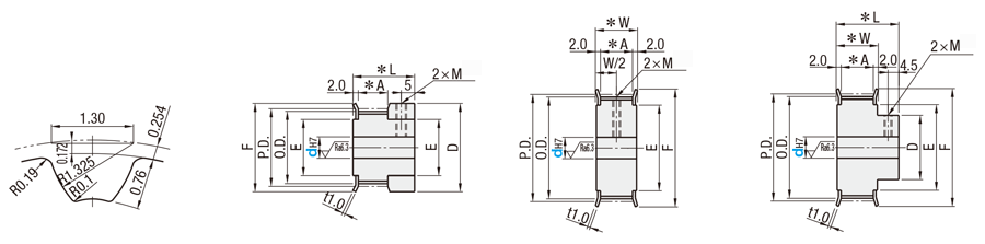
Drawing ระบุขนาด
■ S2M
● รูปทรงพูลเล่ย์
โปรไฟล์ฟันมาตรฐาน
รูปทรง K
[ ! ]
รูปทรง A
[ ! ]
รูปทรง B
[ ! ]

[ ! ] ค่าความคลาดเคลื่อนของตำแหน่งรูต๊าปเกลียวจากผิวหน้าสุดของบอสและผิวหน้าสุดของพูลเลย์คือ ±0.3
[ ! ] รายละเอียด รูเพลา H (รูกลม), V, F, Y และ WB (รูขั้นบันได) ไม่มีรูต๊าปเกลียวและสกรูยึด
[ ! ] เว้นแต่จะระบุไว้เป็นอย่างอื่น ยกเว้นฟันและมิติ F ความคลาดเคลื่อนของมิติจะเป็นไปตาม JIS B 0405 Class m.
[ ! ] กระบวนการเตรียมผิวอาจไม่สามารถใช้กับรูเพลาได้
[ ! ] ไม่มีการกำหนดค่ามาตรฐานสำหรับการทําแชมเฟอร์ของมิติ d
H รูกลม
P รูกลม + ต๊าป
N รูกุญแจมาตรฐาน JIS ใหม่ + ต๊าป
C รูกุญแจมาตรฐาน JIS เก่า + ต๊าป

[ ! ] สำหรับพูลเล่ย์รูปทรง A ตำแหน่งรูสกรู
จะถูกตั้งไว้ประมาณ 120° เพื่อ
หลีกเลี่ยงจุดสูงสุดของพูลเล่ย์
[ ! ] โปรดระบุ NK10 เมื่อเลือก "รูเพลาพร้อมร่องลิ่มมาตรฐาน JIS ใหม่" + "ขนาดเส้นผ่านศูนย์กลางรูเพลา 10" + "ความกว้างร่องลิ่ม 4.0 มม."
[ ! ] ความแตกต่างระหว่างรหัสรุ่น/ Part number N10 และ NK10 คือมิติการตัดแต่งขึ้นรูปด้วยเครื่องจักร ดูตารางด้านล่าง "ความเผื่อมิติรูสลักมาตรฐาน JIS ใหม่" สำหรับรายละเอียด
[ ! ] ไม่รับประกันตำแหน่งของรูสลักและเฟสของฟัน
V รูเคาเตอร์บอร์
F รูขั้นบันได (แบบรูคว้านด้านฮับ)
Y รูขั้นบันไดทั้งสองด้าน
WB รูเคาเตอร์บอร์สองขั้น

[ NG ] ไม่สามารถใช้กับรูปทรง K
[ ! ] Z-V (d) ≥ 2
[ ! ] 2.0 ≤ J ≤ W-2.0
[ ! ] ใช้ได้กับเฉพาะรูปทรง B เท่านั้น
[ ! ] Z-F (d) ≥ 2
[ ! ] 2.0 ≤ J ≤ L-2.0
[ ! ] ใช้ได้กับเฉพาะรูปทรง A เท่านั้น
[ ! ] Q-Y (d) ≥ 2
[ ! ] R-Y (d) ≥ 2
[ ! ] S+T ≤ W-3.0
[ ! ] S (T) ≥ 3.0
[ ! ] ใช้ได้กับเฉพาะรูปทรง A เท่านั้น
[ ! ] Q-R ≥ 2
[ ! ] R-WB (d) ≥ 2
[ ! ] S+T ≤ W-3.0
[ ! ] S (T) ≥ 3.0
| มิลลิเมตร | ขนาดเกลียว | ||
| S2M040 | S2M060 | S2M100 | |
| A | 5 | 7 | 11 |
| W | 9 | 11 | 15 |
| L | 17 | 19 | 23 |
| dH7 เส้นผ่านศูนย์กลางรูเพลา I.D. | M (หยาบ) | อุปกรณ์เสริม สกรูตัวหนอน |
| 3 ถึง 5 | M3 | M3 × 3 |
| 6 ถึง 24 | M4 | M4 × 3 |
| 25 ถึง 30 | M5 | M5 × 4 |
แรงบิดขันแน่นของสกรูตัวหนอน
| ช่วง มิติ | ความเผื่อ (มม.) | |
| เกิน | หรือต่ำกว่า | |
| 0.5 | 3 | ±0.1 |
| 3 | 6 | |
| 6 | 30 | ±0.2 |
| 30 | 120 | ±0.3 |
Class m (medium class)
■ขนาดร่องลิ่ม

| ขนาดเกลียว (N, C) | dH7 |
| 8 ถึง 10(K) | +0.015 0 |
| 11 ถึง 18 | +0.018 0 |
| 19 ถึง 30 | +0.021 0 |
| 31 ถึง 50 | +0.025 0 |
| 51 ถึง 70 | +0.030 0 |
| ขนาดเกลียว (N) | bJS9 | t | ||
| 8 ถึง 10 | 3 | ±0.0125 | 1.4 | +0.1 0 |
| 10K ถึง 12 | 4 | ±0.0150 | 1.8 | |
| 13 ถึง 17 | 5 | 2.3 | ||
| 18 ถึง 22 | 6 | 2.8 | ||
| 23 ถึง 30 | 8 | ±0.0180 | 3.3 | +0.2 0 |
| 31 ถึง 38 | 10 | |||
| 39 ถึง 44 | 12 | ±0.0215 | ||
| 45 ถึง 50 | 14 | 3.8 | ||
| 55 | 16 | 4.3 | ||
| ขนาดเกลียว(C) | bJS9 | t | ||
| 10 ถึง 12 | 4 | +0.022 +0.010 | 1.5 | +0.1 0 |
| 15 ถึง 20 | 5 | 2 | ||
| ชนิด | ความกว้างของสายพาน | [M] วัสดุ | [S] กระบวนการชุบผิว | [ A ] อุปกรณ์เสริม สกรูตัวหนอน | |||
| 4 มม | 6 มม. | 10 มม. | Pulley | หน้าแปลน | |||
| S2M040 | S2M060 | S2M100 | |||||
| HTPA | ● | ● | ● | อลูมิเนียมอัลลอย ซีรีส์ 2000 | โลหะผสมอลูมิเนียม | เคลียร์อโนไดซ์ | SUS304 |
| HTPB | ● | ● | ● | อโนไดซ์สีดำ | |||
| HTPK | ● | ● | ● | ฮาร์ดเคลียร์อโนไดซ์ | |||
| HTPN | ● | ● | ● | ชุบนิกเกิลแบบไม่ใช้ไฟฟ้า | |||
| HTPT | ● | ● | — | เทียบเท่า S45C | SPCC | — | SCM435 (รมดำ Black Oxide) |
| HTPM | ● | ● | — | รมดำ Black Oxide | |||
| HTPP | ● | ● | — | ชุบนิกเกิลแบบไม่ใช้ไฟฟ้า | |||
| HTPS | ● | ● | ● | SUS304 | SUS304 | — | SUS304 |
[ ! ] เนื่องจากแรงสั่นสะเทือนระหว่างการขนส่ง สกรูยึดอาจหลุดออกจากตัวเครื่องได้
[ ! ] สำหรับการสั่งซื้อที่ไม่มีการบีบอัดหน้าแปลน กรุณาระบุการปรับแต่งเพิ่มเติม NFC