ลูกเบี้ยวมิเนียเจอร์ ทั่วไป การสร้างอนุภาคต่ำ/โหลดหนัก

แบรนด์ :
MISUMI
ข้อควรระวัง
- [เปลี่ยนแปลงสเปค] วัสดุ ลักษณะภายนอก และสเปคบรรจุภัณฑ์ของสินค้าบางรายการจะมีการเปลี่ยนแปลงตามลำดับ เริ่มตั้งแต่เดือนธันวาคม 2025 โปรดดู ที่นี่ สำหรับรายละเอียดและรหัสรุ่น/ Part number ที่เกี่ยวข้อง สินค้าเก่าและใหม่อาจถูกจัดส่งปะปนกันในรอบการจัดส่งเดียวกัน แต่ไม่มีปัญหาในการใช้งาน
- โปรดตรวจสอบเนื้อหาบนเว็บไซต์ของเรา เนื่องจากไฟล์ PDF ไม่มีข้อมูลล่าสุด
รายละเอียดสินค้า
[คุณสมบัติ] ใช้ได้กับเส้นผ่านศูนย์กลางภายนอกต่ำสุดตั้งแต่ ⌀5 สามารถเลือกใช้วัสดุได้ระหว่างเหล็กและสเตนเลส
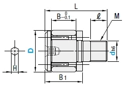
Drawing
■ ทั่วไป, ฝุ่นน้อย


■ รับโหลดหนัก [ ! ] เต็มลูกกลิ้งสำหรับโหลดหนัก


[หมายเหตุ] ขนาดเกลียวของลูกเบี้ยวขนาดเล็กจะมีขนาดเล็ก
เพื่อป้องกันความเสียหาย ให้ใช้ประแจปอนด์เพื่อยึดให้แน่น ภายในแรงบิดขันแน่นสูงสุด
(โปรดทราบว่าแรงบิดขันแน่นสูงสุดสำหรับลูกเบี้ยวมิเนียเจอร์จะอยู่ที่ประมาณหนึ่งในสี่ของค่าที่เทียบเท่าทั่วไป)
[ ! ] อุณหภูมิในการทำงาน: 80°C หรือต่ำกว่า
[ D ] ความเผื่อมิติ: 0 ถึง -0.008 มม.
รายละเอียดจำเพาะของสินค้า
| การใช้งาน | ชนิด | [M] วัสดุ | [ A ] อุปกรณ์เสริม | |
| ทั่วไป | ทั่วไป | CFFAN | SUJ2*1 (สตัด: เหล็กกล้า SCM) | น็อตหกเหลี่ยม 1 ชิ้น (เหล็กกล้าคาร์บอน S45C*2, การชุบออกไซด์สีดำ) |
| ทั่วไป | CFFAM | เทียบเท่า SUS440C | นัทหกเหลี่ยม 1 ชิ้น (SUS304) | |
| ก่อให้เกิดฝุ่นละอองต่ำ | CFFAMC | |||
| รับโหลดมาก | รับโหลดมาก | CFFANG | SUJ2*1 (สตัด: เหล็กกล้า SCM) | น็อตหกเหลี่ยม 1 ชิ้น (เหล็กกล้าคาร์บอน S45C*2, การชุบออกไซด์สีดำ) |
| รับโหลดมาก | CFFAMG | เทียบเท่า SUS440C | นัทหกเหลี่ยม 1 ชิ้น (SUS304) | |