ลูกกลิ้งแบริ่งมาตรฐาน /แบบแบน /มีซีล/ไม่มีซีล

แบรนด์ :
MISUMI
ข้อควรระวัง
- [เปลี่ยนแปลงสเปค] วัสดุ ลักษณะภายนอก และสเปคบรรจุภัณฑ์ของสินค้าบางรายการจะมีการเปลี่ยนแปลงตามลำดับ เริ่มตั้งแต่เดือนธันวาคม 2025 โปรดดู ที่นี่ สำหรับรายละเอียดและรหัสรุ่น/ Part number ที่เกี่ยวข้อง สินค้าเก่าและใหม่อาจถูกจัดส่งปะปนกันในรอบการจัดส่งเดียวกัน แต่ไม่มีปัญหาในการใช้งาน
- โปรดตรวจสอบเนื้อหาบนเว็บไซต์ของเรา เนื่องจากไฟล์ PDF ไม่มีข้อมูลล่าสุด
รายละเอียดสินค้า
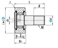
มีการกลึงร่องสล็อตบนหัวสตั๊ดและเป็นประเภทที่ประหยัดที่สุด สำหรับการสั่งซื้อ 51 ชิ้นขึ้นไปราคาลดลง 20%
(*)
| D | ความอดทน |
| 13·16 | 0 -0.008 |
| 19 ถึง 26 | 0 -0.009 |
■มีซีล

■ไม่มีซีล


[ ! ] มีรูเติมจาระบีเฉพาะที่หัวเท่านั้น
[ ! ] อุณหภูมิในการทำงาน: 80°C หรือต่ำกว่า
| การใช้งาน | ชนิด | [M] วัสดุ | [ A ] อุปกรณ์เสริม | |
| มีซีล | ไม่มีซีล | |||
| ทั่วไป | CFFR | CFR | SUJ2*1 | น็อตหกเหลี่ยม 1 ชิ้น (เหล็กกล้าคาร์บอน S45C*2, การชุบออกไซด์สีดำ) |
| CFFRS | CFRS | เทียบเท่า SUS440C | นัทหกเหลี่ยม 1 ชิ้น (SUS304) | |
| ก่อให้เกิดฝุ่นละอองต่ำ | CFFRC | — | ||
สเปค/ภาพรวม
จุดเปรียบเทียบกับผลิตภัณฑ์ที่คล้ายกัน: แรงพลวัตประเมินสูงสุด 20.7 kN